Поиск подшипника
Статьи
6321Z NR — Подшипник однорядный шариковый радиальный, модификация основного исполнения 6321, производство NTN.
Размер подшипника: 105x225x49 мм.
Канавка под стопорное кольцо на наружном кольце с соответствующим стопорным кольцом, щит из листовой прессованной стали с одной стороны подшипника.
Международная стандартизации ISO
6321ZNR
В наличии
| Обозначение | Конструктивные изменения |
|---|---|
| 6321DDU | Резиновые уплотнения с каждой стороны подшипника. |
| 6321CE | 15° Угол контакта And (E) Small Size Steel Balls. |
| 6321-M-J20AA-C3 | Внутренний зазор больше нормального. Твердый латунный сепаратор. Шариковые направляющие. Электроизоляция. наружное кольцо с керамическим покрытием. |
| 6321ZZ C3 | Внутренний зазор больше нормального. Защитные металлические шайбы с обеих сторон. |
| 6321-M-J20AB-C3 | Внутренний зазор больше нормального. Твердый латунный сепаратор. Шариковые направляющие. Puncture Voltage/ 1.000vDC - Operating Environment/ Dry. Damp - Layer Thickness/ 100μm - Possible Dimensions/ 70mm–1400mm Outside Diameter. |
| 6321MA C3 | Внутренний зазор больше нормального. Механически обработанный латунный сепаратор. Центрирование по внешнему кольцу. |
| 6321-M-C3-SQ77 | Внутренний зазор больше нормального. Механически обработанный латунный сепаратор .Расположенный на элементах качения. Внешнее кольцо изолировано до 1000 Вольт. |
| 6321MA | Механически обработанный латунный сепаратор. Центрирование по внешнему кольцу. |
| 6321U1 | Сепаратор из стали. |
| 6321M/C3VL0241 | Внутренний зазор больше нормального. Механически обработанный латунный сепаратор. центрируемый по шарикам. Разные конструкции или материалы обозначаются цифрой после буквы М. например. М2. Электрическое сопротивление/мин. 50 МОм. Напряжение пробоя/Макс. Рабочее напряжение 1000 В постоянного тока. |
| 6321-2RS/C3 | Внутренний зазор больше нормального. Резиновые уплотнения с каждой стороны подшипника. |
| 6321-2RS1/C3 | Внутренний зазор больше нормального. Усиленные листовой сталью контактные уплотнения из акрилонитрил-бутадиенового каучука (NBR) с обеих сторон подшипника. |
| 6321ZZ C3E | Защитные металлические шайбы с обеих сторон. Внутренний зазор больше нормы. Класс электродвигателя. |
| 6321MB | Механически обработанный латунный сепаратор. направляющий по внутреннему кольцу. |
| 6321MB C3 | Внутренний зазор больше нормального. Механически обработанный латунный сепаратор. направляющий по внутреннему кольцу. |
| 6321-J20AA-C3 | Внутренний зазор больше нормального. Электроизоляция. наружное кольцо с керамическим покрытием. |
| 6321-M-J20AA | Твердый латунный сепаратор. Шариковые направляющие. Электроизоляция. наружное кольцо с керамическим покрытием. |
| 6321/C3VL0241 | Внутренний зазор больше нормального. Электрическое сопротивление/мин. 50 МОм. Напряжение пробоя/Макс. Рабочее напряжение 1000 В постоянного тока. |
| 6321-RS | Резиновое уплотнение с одной стороны. |
| 6321-Z | Стальная шайба. |
| 6321-2RU | Non Contact Type Friction Torque = Small High Speed Performance = Good Grease Sealing = Better Than ZZ-Type Dirt Resistance = Better Than ZZ-Type Water Resistance = Better Than ZZ / Inferior To 2RS Operating Temp. -30°C To + 100°C. |
| 6321ZX | Съемная защитная шайба с одной стороны. |
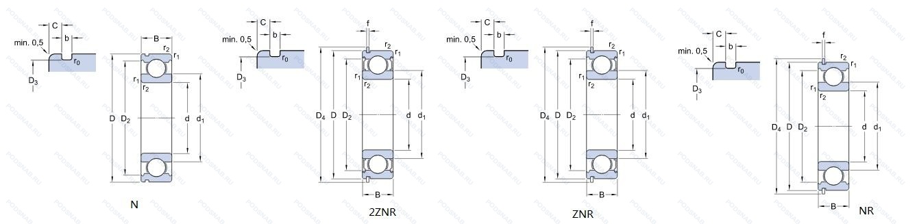
| 6321NR | Канавка и стопорное кольцо на наружном кольце. |
| 6321LLU | Контактное резиновое уплотнение с двух сторон. |
| 6321N | Канавка для стопорного кольца на наружном кольце. |
Модификации шарикового подшипника 6321Z NR — это измененное основное конструктивное исполнение 6321, основные размеры (105x225x49) не отличаются.
| Обозначение | Гост | Конструктивные особенности |
|---|---|---|
| 321W | ISO | Радиальный подшипник. Тип заправочного паза. |
| 321M | ISO | Максимальная производительность. Канавка для ввода тел качения. |
| 321SF | ISO | Bogie Carriage_ Clearance-Free. |
Аналог шарикового подшипника 6321Z NR — это подшипник такого же размера dx105,Dx225,Bx49, типа и конструкции.
| Обозначение | Конструктивные особенности | Внутренний (d) | Наружный (D) | Ширина (B) |
|---|---|---|---|---|
| 7321 BECAM | Шариковый радиально-упорный подшипник. Измененная или модифицированная внутренняя конструкция при неизменных основных размерах. | 105.00 | 225.00 | 49.00 |
| 7321DF | Шариковый радиально-упорный двухрядный подшипник. Комплект из двух подшипников. согласованных для установки по Х-образной схеме. Число. следующее непосредственно после букв DF. обозначает конструкцию промежуточного кольца. | 105.00 | 225.00 | 49.00 |
| 7321DB | Шариковый радиально-упорный двухрядный подшипник. Two Single Row Deep Groove Ball Bearings. Single Row Angular Contact Ball Bearings Or Single Row Tapered Roller Bearings Matched For Mounting In A Back-To-Back Arrangement. | 105.00 | 225.00 | 49.00 |
| 7321DT | Шариковый радиально-упорный двухрядный подшипник. Дуплексные подшипники для установки в тандеме. | 105.00 | 225.00 | 49.00 |
| QJ321WC4 | Шариковый радиально-упорный однорядный подшипник. Угол контакта 15°. | 105.00 | 225.00 | 49.00 |
| 7321WN MBR | Шариковый радиально-упорный однорядный подшипник. Sizes 7201K Through 7203WN Have A 20° Угол контакта And A Nylon Cage. Sizes 7204WN through 7218WN have a 40° Угол контакта And A One-Piece. Ball Piloted. Pressed Brass Cage. Larger Sizes 7219WN Through 7230WN Have A 40° Угол контакта And A One-Piece. Outer Ring Piloted High-Strength Machined Bronze Cage. Механически обработанный бронзовый фиксатор. | 105.00 | 225.00 | 49.00 |
| 7321C | Шариковый радиально-упорный однорядный подшипник. Угол контакта 15°. | 105.00 | 225.00 | 49.00 |
| QJ 321 | Шариковый радиально-упорный однорядный подшипник. Штампованный сепаратор из стального листа. Шариковый подшипник с четырех-точечным контактом. | 105.00 | 225.00 | 49.00 |
| 7321-BE-MP | Шариковый радиально-упорный однорядный подшипник. Single Row Angular Contact Ball Bearing With A 40° Угол контакта And Optimized Internal Design. Массивный латунный сепаратор. центрированный по телам качения. | 105.00 | 225.00 | 49.00 |
| 66321-АЛ1 | Шариковый радиально-упорный однорядный подшипник. Сепаратор из латуни.. Повышенная грузоподъемность. | 105.00 | 225.00 | 49.00 |
| 2В0-321 Л | Шариковый радиальный однорядный подшипник. Сепаратор из латуни.. | 105.00 | 225.00 | 49.00 |
| 321-Л | Шариковый радиальный однорядный подшипник. Сепаратор из латуни.. | 105.00 | 225.00 | 49.00 |
| 1321K+H321 | Шариковый сферический двухрядный подшипник. Коническое внутреннее отверстие. | 105.00 | 225.00 | 49.00 |
| 1321K | Шариковый сферический двухрядный подшипник. Коническое внутреннее отверстие. | 105.00 | 225.00 | 49.00 |
| 1321S | Шариковый сферический двухрядный подшипник. Запечатанная версия кулачкового ролика. | 105.00 | 225.00 | 49.00 |
Способы доставки
Отправка через ведущие транспортные и курьерские компании: ПЭК, Деловые Линии, СДЭК, Байкал-Сервис, Энергия, КИТ, ЖелДорЭкспедиция.
Самовывоз возможен напрямую со склада в Москве.
Сроки доставки
Срок зависит от региона и выбранной транспортной компании. Все заказы комплектуются и отправляются в кратчайшие сроки со склада в Москве.
Надёжность и сохранность
Вся продукция упаковывается с учётом требований транспортировки. Мы гарантируем, что подшипники и комплектующие прибудут к заказчику в полной сохранности.
Доставка в страны ЕАЭС
Мы работаем с проверенными логистическими партнёрами, что позволяет оперативно доставлять заказы в Беларусь, Казахстан, Армению и другие страны ЕАЭС.
Варианты оплаты:
Минимальная сумма заказа и скидки:
Документы и гарантии:
Да, конечно! Наши технические специалисты готовы помочь вам с подбором точного аналога или замены подшипника. Просто позвоните нам по телефону +7 (495) 104-99-04 или напишите на почту zakaz@podsnab.ru.
Для оперативной консультации подготовьте, пожалуйста, имеющиеся данные: маркировку, размеры, тип оборудования или артикул старого подшипника.
Да, конечно! Мы высоко ценим долгосрочное сотрудничество и доверие клиентов по всей России. Для постоянных клиентов действует персональная система скидок.
Условия формируются индивидуально и зависят от:
Чтобы узнать свои условия и получить максимально выгодное предложение, свяжитесь с персональным менеджером или напишите нам на почту zakaz@podsnab.ru.
Вы можете оформить заказ несколькими способами:
Для оформления заказа от юридического лица свяжитесь с нашим отделом по работе с корпоративными клиентами по телефону +7 (495) 104-99-04 или напишите на email zakaz@podsnab.ru, прикрепив реквизиты вашей организации.
Мы оперативно подготовим коммерческое предложение и выставим счет.
Возврат товара надлежащего качества возможен в течение 10 дней с момента получения, если товар не был в употреблении, сохранен товарный вид, упаковка не вскрывалась и присутствуют все сопроводительные документы.
Возврат денежных средств осуществляется в течение 10 рабочих дней после проверки товара складом.
В соответствии с законодательством возврату не подлежат подшипники надлежащего качества, если отсутствует оригинальная упаковка или имеются следы монтажа.
В случае выявления брака или гарантийного случая мы гарантируем возврат или обмен товара.
Да, гарантийный срок хранения устанавливается заводом-изготовителем и в среднем составляет 2 года при соблюдении условий хранения: сухое помещение, оригинальная упаковка и смазка.
Точный срок для конкретного типа подшипника уточняйте у наших менеджеров.
Пн–Пт: с 8:00 до 17:00 (МСК).
Сб–Вс: выходные дни.
Заказы на сайте принимаются круглосуточно. Заявки, поступившие после окончания рабочего дня, обрабатываются на следующий рабочий день.
Минимальная сумма заказа для доставки составляет 3000 рублей. Самовывоз со склада возможен на любую сумму при наличии товара.
ООО «УралТехГрупп»
ИНН: 7415093830
КПП: 772401001
ОГРН: 1167456069021
Банк: ПАО Сбербанк
Р/с: 40702810838000475273
К/с: 30101810400000000225
БИК: 044525225
У подшипника 6321Z NR пока нет отзывов. Вы можете стать первым покупателем, поделившимся своим мнением.