Поиск подшипника
Статьи
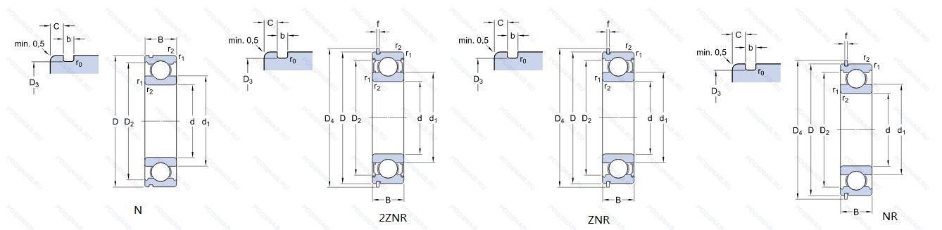
6308ZZ NR C3 — Подшипник однорядный шариковый радиальный, модификация основного исполнения 6308, производство NSK.
Размер подшипника: 40x90x23 мм.
Внутренний зазор больше нормального, защитные металлические шайбы с обеих сторон, канавка под стопорное кольцо на наружном кольце с соответствующим стопорным кольцом.
Международная стандартизации ISO
6308ZZNRC3
В наличии
| Обозначение | Конструктивные изменения |
|---|---|
| 6308-2NKE | Double Labyrinth Seal (Non Contact). |
| 6308-2NKE9 | Double Labyrinth Seal (Non Contact). |
| 6308ZE | щит из листовой прессованной стали с одной стороны подшипника. |
| 6308NSE | Резиновое уплотнение с одной стороны. |
| 6308-2Z-N | Защитные металлические шайбы с обеих сторон подшипника. Канавка под стопорное кольцо на внешнем кольце. |
| 6308-RS2 | Contact Seal Of Fluoro Rubber (FPM) With Sheet Steel Reinforcement On One Side Of The Bearing. |
| 6308T1X | Полиамидный фиксатор. |
| 6308VV | Защитные металлические шайбы. с обеих сторон подшипника. Бесконтактное уплотнение. (лучше. чем ZZ. Можно использовать в умеренно запыленной среде). |
| 6308LUNR | Канавка и стопорное кольцо на наружном кольце. Двухкромочное нитриловое контактное уплотнение. |
| 6308LU | Двухкромочное нитриловое контактное уплотнение. |
| 6308LLH | Манжетное уплотнение с обеих сторон подшипника. |
| 6308LLB | Уплотнение бесконтактного типа из синтетического каучука. |
| 6308LLBNR | Канавка и стопорное кольцо на наружном кольце. Бесконтактное нитриловое уплотнение. |
| 6308LH | Бесконтактное нитриловое уплотнение с пониженным трением. |
| 6308LB | Бесконтактное нитриловое уплотнение. |
| 6308X35CS26 | Механически обработанный сепаратор. Модификация фаски. |
| 6308LLUNR | Канавка и стопорное кольцо на наружном кольце. Двухкромочное нитриловое контактное уплотнение. |
| 6308ZZD2 | Стальная шайба. |
| 6308X50CM40 | Специальный нормальный радиальный зазор с зауженным допуском. Модификация фаски. |
| 6308HT200 | Ассортимент TOPLINE для высокой температуры - Максимум 200 С° с уплотнениями FKM с обеих сторон. |
| 6308E | Контактное уплотнение с одной стороны. |
| 6308HVZZ | Ассортимент TOPLINE - Высокоскоростные подшипники со стальными защитными пластинами с обеих сторон. |
| 6308NRZZ | Защитные пластины с двух сторон. Канавка и стопорное кольцо на наружном кольце. |
| 6308NRZ | Защитная пластина с одной стороны. Канавка и стопорное кольцо на наружном кольце. |
| 6308NREE | Канавка и стопорное кольцо на наружном кольце. Контактные уплотнения с двух сторон. |
Модификации шарикового подшипника 6308ZZ NR C3 — это измененное основное конструктивное исполнение 6308, основные размеры (40x90x23) не отличаются.
| Обозначение | Гост | Конструктивные особенности |
|---|---|---|
| 308S H201 | ISO | Single Row Radial Conrad-Type Bearings. Внутренний суффикс-код MRC. |
| BL308NRC3 | ISO | Внутренний зазор больше нормального. Канавка под стопорное кольцо на наружном кольце с соответствующим стопорным кольцом. |
| HR6308-A-NXRC4 | ISO | Внутренний зазор подшипника больше. чем C3. Двухрядный радиально-упорный шарикоподшипник без отверстия для смазки. Специальные размеры канавок и стопорных колец (например. NX1. NX2 и т.д. для различных размеров канавок специальных колец). |
| 63308DDU | ISO | Резиновые уплотнения с каждой стороны подшипника. |
| 308M C3 | ISO | ABMA #3 Radial Clearance (MRC-LO Fit). Максимальная производительность. Канавка для ввода тел качения. |
| 308MG | ISO | Формованный сепаратор из полиамида. укрепленного стекловолокном. |
| 308W | ISO | Радиальный подшипник. Тип заправочного паза. |
| 308TN9/C3 | ISO | Внутренний зазор больше нормального. Литой защелкивающийся сепаратор из полиамида. армированного стекловолокном 6.6. |
| 63308DDU CE | ISO | Резиновые уплотнения с каждой стороны подшипника. 15° Угол контакта And (E) Small Size Steel Balls. |
| E2.6308-2Z/C3 | ISO | Внутренний зазор больше нормального. Защитные металлические шайбы с обеих сторон подшипника. |
| M308Z NR | ISO | щит из листовой прессованной стали с одной стороны подшипника. Канавка под стопорное кольцо на наружном кольце с соответствующим стопорным кольцом. |
| 308M | ISO | Подшипник с латунным сепаратором. центрированный по телам качения. |
| 308S | ISO | Single Row Radial Conrad-Type Bearings. |
| 308WD | ISO | Защитная шайба из штампованной стали с одной стороны. |
| HC6308-2Z-C3 | ISO | Внутренний зазор больше нормального. Защитные металлические шайбы с обеих сторон. |
| HC6308-2Z-L038-C3 | ISO | Внутренний зазор больше нормального. Защитные металлические шайбы с обеих сторон. Arcanol Grease Medium Temperature -25°C/+130°C. |
| HC6308-2RSR-TVH-L207-C3 | ISO | Внутренний зазор больше нормального. Cепаратор из полиамида. армированного стекловолокном. Резиновые уплотнения с каждой стороны подшипника. Заполнение консистентной смазкой Arcanol L207 (высокотемпературная смазка). |
| 308KG | ISO | Серия с закрепительной втулкой и смазочным отверстием. |
| BY-6308-2RZ | ISO | Шарикоподшипник. С уплотнением и низким коэффициентом трения с обеих сторон. Уплотнение состоит из шайбы из листовой стали с вулканизированной резиной. |
| BY-6308-2Z/AEM/C3 | ISO | Внутренний зазор больше нормального. Измененная или модифицированная внутренняя конструкция при неизменных основных размерах. Как правило. значение буквы привязано к определенному подшипнику или серии подшипника. Набор усиленных тел качения. Механически обработанный латунный сепаратор. центрируемый по шарикам. Разные конструкции или материалы обозначаются цифрой после буквы М. например. М2. Защитные металлические шайбы с обеих сторон подшипника. |
Аналог шарикового подшипника 6308ZZ NR C3 — это подшипник такого же размера dx40,Dx90,Bx23, типа и конструкции.
| Обозначение | Конструктивные особенности | Внутренний (d) | Наружный (D) | Ширина (B) |
|---|---|---|---|---|
| 5-36308 Е5 | Шариковый радиально-упорный однорядный подшипник. Сепаратор из текстолита.. | 40.00 | 90.00 | 23.00 |
| 5-36308 К | Шариковый радиально-упорный однорядный подшипник. «Замок» (скос) на внутреннем кольце плюс массивный сепаратор из текстолита. | 40.00 | 90.00 | 23.00 |
| 5-36308 Л | Шариковый радиально-упорный однорядный подшипник. Сепаратор из латуни.. | 40.00 | 90.00 | 23.00 |
| 5-36308 Р | Шариковый радиально-упорный однорядный подшипник. Детали из теплоустойчивой (быстрорежущие) стали.. | 40.00 | 90.00 | 23.00 |
| 5-46308 Е2 | Шариковый радиально-упорный однорядный подшипник. Сепаратор из пластических материалов.. | 40.00 | 90.00 | 23.00 |
| 5-46308 Е5 | Шариковый радиально-упорный однорядный подшипник. Сепаратор из текстолита.. | 40.00 | 90.00 | 23.00 |
| 5-46308 Л | Шариковый радиально-упорный однорядный подшипник. Сепаратор из латуни.. | 40.00 | 90.00 | 23.00 |
| 50308-А | Шариковый радиальный однорядный подшипник. Повышенная грузоподъемность. | 40.00 | 90.00 | 23.00 |
| 50308-А1 | Шариковый радиальный однорядный подшипник. Повышенная грузоподъемность. | 40.00 | 90.00 | 23.00 |
| 50308-К | Шариковый радиальный однорядный подшипник. «Замок» (скос) на внутреннем кольце плюс массивный сепаратор из текстолита. | 40.00 | 90.00 | 23.00 |
| 550308А | Шариковый радиальный однорядный подшипник. Повышенная грузоподъемность. | 40.00 | 90.00 | 23.00 |
| 6-126308 Б | Шариковый радиально-упорный однорядный подшипник. Сепаратор из безоловянистой бронзы.. | 40.00 | 90.00 | 23.00 |
| 6-126308 Б1 | Шариковый радиально-упорный однорядный подшипник. Сепаратор из безоловянистой бронзы.. | 40.00 | 90.00 | 23.00 |
| 6-1308 Л | Шариковый радиальный двухрядный подшипник. Сепаратор из латуни.. | 40.00 | 90.00 | 23.00 |
| 6-176308 Е | Шариковый радиально-упорный однорядный подшипник. Сепаратор из текстолита.. | 40.00 | 90.00 | 23.00 |
Способы доставки
Отправка через ведущие транспортные и курьерские компании: ПЭК, Деловые Линии, СДЭК, Байкал-Сервис, Энергия, КИТ, ЖелДорЭкспедиция.
Самовывоз возможен напрямую со склада в Москве.
Сроки доставки
Срок зависит от региона и выбранной транспортной компании. Все заказы комплектуются и отправляются в кратчайшие сроки со склада в Москве.
Надёжность и сохранность
Вся продукция упаковывается с учётом требований транспортировки. Мы гарантируем, что подшипники и комплектующие прибудут к заказчику в полной сохранности.
Доставка в страны ЕАЭС
Мы работаем с проверенными логистическими партнёрами, что позволяет оперативно доставлять заказы в Беларусь, Казахстан, Армению и другие страны ЕАЭС.
Варианты оплаты:
Минимальная сумма заказа и скидки:
Документы и гарантии:
Да, конечно! Наши технические специалисты готовы помочь вам с подбором точного аналога или замены подшипника. Просто позвоните нам по телефону +7 (495) 104-99-04 или напишите на почту zakaz@podsnab.ru.
Для оперативной консультации подготовьте, пожалуйста, имеющиеся данные: маркировку, размеры, тип оборудования или артикул старого подшипника.
Да, конечно! Мы высоко ценим долгосрочное сотрудничество и доверие клиентов по всей России. Для постоянных клиентов действует персональная система скидок.
Условия формируются индивидуально и зависят от:
Чтобы узнать свои условия и получить максимально выгодное предложение, свяжитесь с персональным менеджером или напишите нам на почту zakaz@podsnab.ru.
Вы можете оформить заказ несколькими способами:
Для оформления заказа от юридического лица свяжитесь с нашим отделом по работе с корпоративными клиентами по телефону +7 (495) 104-99-04 или напишите на email zakaz@podsnab.ru, прикрепив реквизиты вашей организации.
Мы оперативно подготовим коммерческое предложение и выставим счет.
Возврат товара надлежащего качества возможен в течение 10 дней с момента получения, если товар не был в употреблении, сохранен товарный вид, упаковка не вскрывалась и присутствуют все сопроводительные документы.
Возврат денежных средств осуществляется в течение 10 рабочих дней после проверки товара складом.
В соответствии с законодательством возврату не подлежат подшипники надлежащего качества, если отсутствует оригинальная упаковка или имеются следы монтажа.
В случае выявления брака или гарантийного случая мы гарантируем возврат или обмен товара.
Да, гарантийный срок хранения устанавливается заводом-изготовителем и в среднем составляет 2 года при соблюдении условий хранения: сухое помещение, оригинальная упаковка и смазка.
Точный срок для конкретного типа подшипника уточняйте у наших менеджеров.
Пн–Пт: с 8:00 до 17:00 (МСК).
Сб–Вс: выходные дни.
Заказы на сайте принимаются круглосуточно. Заявки, поступившие после окончания рабочего дня, обрабатываются на следующий рабочий день.
Минимальная сумма заказа для доставки составляет 3000 рублей. Самовывоз со склада возможен на любую сумму при наличии товара.
ООО «УралТехГрупп»
ИНН: 7415093830
КПП: 772401001
ОГРН: 1167456069021
Банк: ПАО Сбербанк
Р/с: 40702810838000475273
К/с: 30101810400000000225
БИК: 044525225
У подшипника 6308ZZ NR C3 пока нет отзывов. Вы можете стать первым покупателем, поделившимся своим мнением.