Поиск подшипника
Статьи
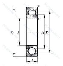
61914-2Z-C3 — Подшипник однорядный шариковый радиальный, модификация основного исполнения 61914, производство NKE.
Размер подшипника: 70x100x16 мм.
Внутренний зазор больше нормального, защитные стальные шайбы с обеих сторон.
Аналоги: 61914.2Z.C3 NKE.
Международная стандартизации ISO
619142ZC3
В наличии
| Обозначение | Конструктивные изменения |
|---|---|
| 61914/W64L | W64 (Segment Lubrication. Code 1)=Solid Oil Filling And L (Low Temperature Grease. -50°C/+80°C). |
| 61914 | Подшипник однорядный шариковый радиальный. Основное конструктивное исполнение. |
| 61914TNH | Пластиковый сепаратор, защелкиваюшийся тип.. |
| 61914 2RS | Контактные уплотнения типа RS с обеих сторон игольчатого роликоподшипника. |
| 61914/C3 | Внутренний зазор больше нормального. |
| 61914-2RZ | Шарикоподшипник. С уплотнением и низким коэффициентом трения с обеих сторон. Уплотнение состоит из шайбы из листовой стали с вулканизированной резиной. |
| 61914-2Z | Защитные металлические шайбы с обеих сторон подшипника. |
| 61914ZZ | Защитные металлические шайбы (бесконтактные уплотнения) с обеих сторон подшипника. |
| 61914-2RS1 | Усиленные листовой сталью контактные уплотнения из акрилонитрил-бутадиенового каучука (NBR) с обеих сторон подшипника. |
| 61914ZZ C3 | Внутренний зазор больше нормального. Защитные стальные шайбы с обеих сторон. |
| 61914-2RSR-C3 | Внутренний зазор больше нормального. Резиновые уплотнения с каждой стороны подшипника. |
| 61914-2RSR | Резиновые уплотнения с каждой стороны подшипника. |
| 61914-2RSR-L535-C3 | Внутренний зазор больше нормального. Резиновые уплотнения с каждой стороны подшипника. Смазка (в зависимости от заказчика). |
| 61914 2BRS | Бесконтактные лабиринтные уплотнения с обеих сторон. |
| 61914 2URS | Специальное манжетное уплотнение с обеих сторон подшипника. |
| 61914 BRS | Бесконтактные лабиринтные уплотнения с одной стороны. |
| 61914 RS | Резиновое уплотнение с одной стороны. |
| 61914 URS | Подшипник однорядный шариковый радиальный. |
| 61914 Z | щит из листовой прессованной стали с одной стороны подшипника. |
Модификации шарикового подшипника 61914-2Z-C3 — это измененное основное конструктивное исполнение 61914, основные размеры (70x100x16) не отличаются.
| Обозначение | Гост | Конструктивные особенности |
|---|---|---|
| SS6914 ZZ | ISO | Защитные металлические шайбы с обеих сторон. |
| SS6914 2RS | ISO | Резиновые уплотнения с каждой стороны подшипника. |
| 6914 ZNR | ISO | Подшипник однорядный шариковый радиальный. |
| 6914 NR | ISO | Канавка и стопорное кольцо на наружном кольце. |
| 6914 2RS | ISO | Резиновые уплотнения с каждой стороны подшипника. |
| 6914C3 | ISO | Внутренний зазор больше нормального. |
| 6914ZZ CM | ISO | Два боковых защитных уплотнения. Шариковый подшипник. Специальный радиальный внутренний зазор для электродвигателей. |
| 6914ZZ | ISO | Металлическая защитная шайба с двух сторон. |
| 6914ZZ AV2S | ISO | Защитные металлические шайбы с двух сторон подшипника. Lubricant. Shell Oil Co.. Alvania #2 Grease. 1/4 Full. Temperature Range = -10°C / + 110°C (Normal Temperature Grease). |
| 6914DD | ISO | Резиновые уплотнения с каждой стороны подшипника. |
| 6914-2NSL | ISO | Контактные уплотнения на каждой стороне подшипника.. |
| 6914E | ISO | Повышенная грузоподъемность. |
| 6914LLB P5 | ISO | Размерная и рабочая точность соответствует классу допуска ISO 5. Уплотнение бесконтактного типа из синтетического каучука. |
| 6914DDU/AS2S | ISO | Стандартное заполнение. Резиновые уплотнения с каждой стороны подшипника. 1/4 Full. Смазка Aeroshell 7. |
| 6914LLU/2AS | ISO | Резиновые уплотнения с каждой стороны подшипника. LUBRICANT. SHELL OIL CO.. ALVANIA #2 GREASE. MIL-G-18709A. |
| 6914LLU/5K | ISO | Резиновые уплотнения с каждой стороны подшипника. Grease/ Kyodo Yushi / Multemp SRL (-40°C to +150°C). |
| 6914LLU | ISO | Резиновые уплотнения с каждой стороны подшипника. |
| 6914VV | ISO | Защитные металлические шайбы. с обеих сторон подшипника. Бесконтактное уплотнение. (лучше. чем ZZ. Можно использовать в умеренно запыленной среде). |
| 1914S | ISO | Single Row Radial Conrad-Type Bearings. |
| 6914LLU/2A | ISO | Резиновые уплотнения с каждой стороны подшипника. Lubricant. Shell Oil Co.. Alvania #2 Grease. Mil-G-18709A. |
Аналог шарикового подшипника 61914-2Z-C3 — это подшипник такого же размера dx70,Dx100,Bx16, типа и конструкции.
| Обозначение | Конструктивные особенности | Внутренний (d) | Наружный (D) | Ширина (B) |
|---|---|---|---|---|
| 6914-2RU | Шариковый радиальный однорядный подшипник. Non Contact Type Friction Torque = Small High Speed Performance = Good Grease Sealing = Better Than ZZ-Type Dirt Resistance = Better Than ZZ-Type Water Resistance = Better Than ZZ / Inferior To 2RS Operating Temp. -30°C To + 100°C. | 70.00 | 100.00 | 16.00 |
| 6914-2RD | Шариковый радиальный однорядный подшипник. Облегченное контактное уплотнение с двух сторон.. | 70.00 | 100.00 | 16.00 |
| 6914DDU | Шариковый радиальный однорядный подшипник. Резиновые уплотнения с каждой стороны подшипника. | 70.00 | 100.00 | 16.00 |
| LL713149/10 | Роликовый радиальный-упорный однорядный подшипник. Distance Between Beginning Of The Rail And First Hole In MM. | 69.85 | 99.22 | 17.00 |
| 6914LLB | Шариковый радиальный однорядный подшипник. Уплотнение бесконтактного типа из синтетического каучука. | 70.00 | 100.00 | 16.00 |
| 3NC HAR914C FT | Шариковый радиальный однорядный подшипник. Угол контакта 20 градусов. REINFORCED PHENOLIC CAGE. | 70.00 | 100.00 | 16.00 |
| 3NCHAC914CA | Шариковый радиальный однорядный подшипник. Угол контакта 20 градусов. Латунный сепаратор с симметричными роликами. | 70.00 | 100.00 | 16.00 |
| 3NCHAC914C | Шариковый радиальный однорядный подшипник. Угол контакта 20 градусов. | 70.00 | 100.00 | 16.00 |
| 3NCHAF914CA | Шариковый радиальный однорядный подшипник. Угол контакта 20 градусов. Латунный сепаратор с симметричными роликами. | 70.00 | 100.00 | 16.00 |
| 3NCHAR914 | Шариковый радиальный однорядный подшипник. Угол контакта 20 градусов. | 70.00 | 100.00 | 16.00 |
| 3NCHAR914CA | Шариковый радиальный однорядный подшипник. Угол контакта 20 градусов. Латунный сепаратор с симметричными роликами. | 70.00 | 100.00 | 16.00 |
| 3NCHAR914C | Шариковый радиальный однорядный подшипник. Угол контакта 20 градусов. | 70.00 | 100.00 | 16.00 |
| 5-1292914 Р1 | Роликовый радиальный однорядный подшипник. Детали из теплоустойчивой (быстрорежущие) стали.. | 70.00 | 100.00 | 16.00 |
| 5-1292914 РУ | Роликовый радиальный однорядный подшипник. Дополнительные технические требования. Детали из теплоустойчивой (быстрорежущие) стали.. | 70.00 | 100.00 | 16.00 |
| 55-1032914 Р1 | Роликовый радиальный однорядный подшипник. Детали из теплоустойчивой (быстрорежущие) стали.. | 70.00 | 100.00 | 16.00 |
Способы доставки
Отправка через ведущие транспортные и курьерские компании: ПЭК, Деловые Линии, СДЭК, Байкал-Сервис, Энергия, КИТ, ЖелДорЭкспедиция.
Самовывоз возможен напрямую со склада в Москве.
Сроки доставки
Срок зависит от региона и выбранной транспортной компании. Все заказы комплектуются и отправляются в кратчайшие сроки со склада в Москве.
Надёжность и сохранность
Вся продукция упаковывается с учётом требований транспортировки. Мы гарантируем, что подшипники и комплектующие прибудут к заказчику в полной сохранности.
Доставка в страны ЕАЭС
Мы работаем с проверенными логистическими партнёрами, что позволяет оперативно доставлять заказы в Беларусь, Казахстан, Армению и другие страны ЕАЭС.
Варианты оплаты:
Минимальная сумма заказа и скидки:
Документы и гарантии:
Да, конечно! Наши технические специалисты готовы помочь вам с подбором точного аналога или замены подшипника. Просто позвоните нам по телефону +7 (495) 104-99-04 или напишите на почту zakaz@podsnab.ru.
Для оперативной консультации подготовьте, пожалуйста, имеющиеся данные: маркировку, размеры, тип оборудования или артикул старого подшипника.
Да, конечно! Мы высоко ценим долгосрочное сотрудничество и доверие клиентов по всей России. Для постоянных клиентов действует персональная система скидок.
Условия формируются индивидуально и зависят от:
Чтобы узнать свои условия и получить максимально выгодное предложение, свяжитесь с персональным менеджером или напишите нам на почту zakaz@podsnab.ru.
Вы можете оформить заказ несколькими способами:
Для оформления заказа от юридического лица свяжитесь с нашим отделом по работе с корпоративными клиентами по телефону +7 (495) 104-99-04 или напишите на email zakaz@podsnab.ru, прикрепив реквизиты вашей организации.
Мы оперативно подготовим коммерческое предложение и выставим счет.
Возврат товара надлежащего качества возможен в течение 10 дней с момента получения, если товар не был в употреблении, сохранен товарный вид, упаковка не вскрывалась и присутствуют все сопроводительные документы.
Возврат денежных средств осуществляется в течение 10 рабочих дней после проверки товара складом.
В соответствии с законодательством возврату не подлежат подшипники надлежащего качества, если отсутствует оригинальная упаковка или имеются следы монтажа.
В случае выявления брака или гарантийного случая мы гарантируем возврат или обмен товара.
Да, гарантийный срок хранения устанавливается заводом-изготовителем и в среднем составляет 2 года при соблюдении условий хранения: сухое помещение, оригинальная упаковка и смазка.
Точный срок для конкретного типа подшипника уточняйте у наших менеджеров.
Пн–Пт: с 8:00 до 17:00 (МСК).
Сб–Вс: выходные дни.
Заказы на сайте принимаются круглосуточно. Заявки, поступившие после окончания рабочего дня, обрабатываются на следующий рабочий день.
Минимальная сумма заказа для доставки составляет 3000 рублей. Самовывоз со склада возможен на любую сумму при наличии товара.
ООО «УралТехГрупп»
ИНН: 7415093830
КПП: 772401001
ОГРН: 1167456069021
Банк: ПАО Сбербанк
Р/с: 40702810838000475273
К/с: 30101810400000000225
БИК: 044525225
У подшипника 61914-2Z-C3 пока нет отзывов. Вы можете стать первым покупателем, поделившимся своим мнением.