Поиск подшипника
Статьи
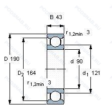
6318DDUC3 — Подшипник однорядный шариковый радиальный, модификация основного исполнения 6318, производство NSK.
Размер подшипника: 90x190x43 мм.
Резиновые уплотнения с каждой стороны подшипника, внутренний зазор больше нормального.
Аналоги: 6318-2RSR-C3 FAG,6318-2RS1/C3 SKF,6318DDU C3 NSK,6318LLU C3/2E NTN,6318-2RS/C3 NKE,6318.EEC3 SNR,6318.EEC3(J30) SNR,6318 2RS C3 Torrington Wuxi Brand.
Международная стандартизации ISO
6318DDUC3
В наличии
| Обозначение | Конструктивные изменения |
|---|---|
| 6318.EEC3(J30) | Радиальный внутренний зазор больше нормального. Резиновые уплотнения на каждой стороне подшипника, внутренний зазор больше нормального. |
| 6318-S1-C3 | Внутренний зазор больше нормального. Кольца подшипников или шайбы, стабилизированные по размерам для использования при рабочих температурах до +200°C (392°F).. |
| 6318-2Z-J20C-C3 | Внутренний зазор больше нормального. Защитные металлические шайбы с обеих сторон. Внутреннее кольцо. изолированное тонким керамическим покрытием. |
| 6318.R66.84 | Radial Clearance In μm. |
| 6318DDU NR | Канавка под стопорное кольцо на наружном кольце с соответствующим стопорным кольцом. Резиновые уплотнения с каждой стороны подшипника. |
| 6318.2RSR.P63.L15 | Комбинация P6 (Точность размеров и пробега в соответствии с классом допуска ISO 6 (лучше нормы)) и C3 (Внутренний зазор больше нормы). Резиновые уплотнения с каждой стороны подшипника. Aeroshell Grease No.7 Wide Temperature Range -73℃/+149℃. |
| 6318-2ZJEM | Защитные металлические шайбы с обеих сторон подшипника. Сепаратор из штампованной стали. Элемент качения отцентрирован. Тихий ход. Зазор C3 (не обозначается на подшипнике). |
| 6318JEM | Сепаратор из штампованной стали. Элемент качения отцентрирован. Тихий ход. Зазор C3 (не обозначается на подшипнике). |
| 6318.EEC3 | Резиновые уплотнения с каждой стороны подшипника. |
| 6318BI | Угол контакта 40 градусов. |
| 6318-RS1 | Резиновое уплотнение с одной стороны. |
| 6318 CM | Шариковый подшипник. Специальный радиальный внутренний зазор для электродвигателей. |
| 6318-RS | Резиновое уплотнение с одной стороны. |
| 6318-2RU | Non Contact Type Friction Torque = Small High Speed Performance = Good Grease Sealing = Better Than ZZ-Type Dirt Resistance = Better Than ZZ-Type Water Resistance = Better Than ZZ / Inferior To 2RS Operating Temp. -30°C To + 100°C. |
| 6318ZX | Съемная защитная шайба с одной стороны. |
| 6318N | Канавка для стопорного кольца на наружном кольце. |
| 6318-2NSL | Контактные уплотнения на каждой стороне подшипника.. |
| 6318-2NK | Double Labyrinth Seal (Non Contact). |
| 6318NK | One Labyrinth Seal (Non Contact). |
| 6318NSL | Резиновое уплотнение с одной стороны. |
| 6318-RSR | Контактное уплотнение с одной стороны. Радиальный тип. |
| 6318VV | Защитные металлические шайбы. с обеих сторон подшипника. Бесконтактное уплотнение. (лучше. чем ZZ. Можно использовать в умеренно запыленной среде). |
| 6318LU | Двухкромочное нитриловое контактное уплотнение. |
| 6318ZZNR | Стальная шайба. Канавка и стопорное кольцо на наружном кольце. |
| 6318LLB | Уплотнение бесконтактного типа из синтетического каучука. |
Модификации шарикового подшипника 6318DDUC3 — это измененное основное конструктивное исполнение 6318, основные размеры (90x190x43) не отличаются.
| Обозначение | Гост | Конструктивные особенности |
|---|---|---|
| BL318 ZNR | ISO | Подшипник однорядный шариковый радиальный. |
| 318-2Z | ISO | Защитные металлические шайбы с обеих сторон подшипника. |
| 318W | ISO | Радиальный подшипник. Тип заправочного паза. |
| BL318Z | ISO | щит из листовой прессованной стали с одной стороны подшипника. |
| 7MC3-6318L1 B C4 | ISO | Внутренний зазор подшипника больше. чем C3. Механически обработанный латунный сепаратор. центрированный на шариках. |
| 7MC3-6318L1BC3 | ISO | Внутренний зазор больше нормального. Механически обработанный латунный сепаратор. центрированный на шариках. |
| 318M | ISO | Механически обработанный латунный сепаратор .Расположенный на элементах качения. |
| 318SFFC | ISO | Подшипник с шириной картриджа, с двумя защитными шайбами. |
| BL318 | ISO | Подшипник однорядный шариковый радиальный. |
| M6318 | ISO | Шарикоподшипник максимальной грузоподъемности. |
| BL318ZZ AV2S | ISO | Защитные металлические шайбы с двух сторон подшипника. Lubricant. Shell Oil Co.. Alvania #2 Grease. 1/4 Full. Temperature Range = -10°C / + 110°C (Normal Temperature Grease). |
Аналог шарикового подшипника 6318DDUC3 — это подшипник такого же размера dx90,Dx190,Bx43, типа и конструкции.
| Обозначение | Конструктивные особенности | Внутренний (d) | Наружный (D) | Ширина (B) |
|---|---|---|---|---|
| 402318-Л | Роликовый радиальный подшипник. Сепаратор из латуни.. | 90.00 | 190.00 | 43.00 |
| 402318-М | Роликовый радиальный цилиндрический подшипник. Модифицированный контакт.. | 90.00 | 190.00 | 43.00 |
| 42318-К1М | Роликовый радиальный однорядный подшипник. Модифицированный контакт.. | 90.00 | 190.00 | 43.00 |
| 42318-КМ | Роликовый радиальный однорядный подшипник. Кольцевая проточка на середине цилиндрической наружной поверхности наружного кольца плюс три отверстия для смазки. Модифицированный контакт.. | 90.00 | 190.00 | 43.00 |
| 42318-Л | Роликовый радиальный однорядный подшипник. Сепаратор из латуни.. | 90.00 | 190.00 | 43.00 |
| 42318KM | Роликовый радиальный однорядный подшипник. Type Of Model. | 90.00 | 190.00 | 43.00 |
| 46318-АКЛ | Шариковый радиально-упорный однорядный подшипник. Сепаратор из латуни.. Повышенная грузоподъемность. | 90.00 | 190.00 | 43.00 |
| 46318-Е | Шариковый радиально-упорный однорядный подшипник. Сепаратор из текстолита.. | 90.00 | 190.00 | 43.00 |
| 46318-Л | Шариковый радиально-упорный однорядный подшипник. Сепаратор из латуни.. | 90.00 | 190.00 | 43.00 |
| 46318К | Шариковый радиально-упорный однорядный подшипник. «Замок» (скос) на внутреннем кольце плюс массивный сепаратор из текстолита. | 90.00 | 190.00 | 43.00 |
| 5-36318 Л | Шариковый радиально-упорный однорядный подшипник. Сепаратор из латуни.. | 90.00 | 190.00 | 43.00 |
| 5-46318 Л | Шариковый радиально-упорный однорядный подшипник. Сепаратор из латуни.. | 90.00 | 190.00 | 43.00 |
| 5-46318 ЛШ2 | Шариковый радиально-упорный однорядный подшипник. Сепаратор из латуни.. Нормы шумности. | 90.00 | 190.00 | 43.00 |
| 6-1318 Л | Шариковый радиальный двухрядный подшипник. Сепаратор из латуни.. | 90.00 | 190.00 | 43.00 |
| 6-176318 Л | Шариковый радиально-упорный однорядный подшипник. Сепаратор из латуни.. | 90.00 | 190.00 | 43.00 |
Способы доставки
Отправка через ведущие транспортные и курьерские компании: ПЭК, Деловые Линии, СДЭК, Байкал-Сервис, Энергия, КИТ, ЖелДорЭкспедиция.
Самовывоз возможен напрямую со склада в Москве.
Сроки доставки
Срок зависит от региона и выбранной транспортной компании. Все заказы комплектуются и отправляются в кратчайшие сроки со склада в Москве.
Надёжность и сохранность
Вся продукция упаковывается с учётом требований транспортировки. Мы гарантируем, что подшипники и комплектующие прибудут к заказчику в полной сохранности.
Доставка в страны ЕАЭС
Мы работаем с проверенными логистическими партнёрами, что позволяет оперативно доставлять заказы в Беларусь, Казахстан, Армению и другие страны ЕАЭС.
Варианты оплаты:
Минимальная сумма заказа и скидки:
Документы и гарантии:
Да, конечно! Наши технические специалисты готовы помочь вам с подбором точного аналога или замены подшипника. Просто позвоните нам по телефону +7 (495) 104-99-04 или напишите на почту zakaz@podsnab.ru.
Для оперативной консультации подготовьте, пожалуйста, имеющиеся данные: маркировку, размеры, тип оборудования или артикул старого подшипника.
Да, конечно! Мы высоко ценим долгосрочное сотрудничество и доверие клиентов по всей России. Для постоянных клиентов действует персональная система скидок.
Условия формируются индивидуально и зависят от:
Чтобы узнать свои условия и получить максимально выгодное предложение, свяжитесь с персональным менеджером или напишите нам на почту zakaz@podsnab.ru.
Вы можете оформить заказ несколькими способами:
Для оформления заказа от юридического лица свяжитесь с нашим отделом по работе с корпоративными клиентами по телефону +7 (495) 104-99-04 или напишите на email zakaz@podsnab.ru, прикрепив реквизиты вашей организации.
Мы оперативно подготовим коммерческое предложение и выставим счет.
Возврат товара надлежащего качества возможен в течение 10 дней с момента получения, если товар не был в употреблении, сохранен товарный вид, упаковка не вскрывалась и присутствуют все сопроводительные документы.
Возврат денежных средств осуществляется в течение 10 рабочих дней после проверки товара складом.
В соответствии с законодательством возврату не подлежат подшипники надлежащего качества, если отсутствует оригинальная упаковка или имеются следы монтажа.
В случае выявления брака или гарантийного случая мы гарантируем возврат или обмен товара.
Да, гарантийный срок хранения устанавливается заводом-изготовителем и в среднем составляет 2 года при соблюдении условий хранения: сухое помещение, оригинальная упаковка и смазка.
Точный срок для конкретного типа подшипника уточняйте у наших менеджеров.
Пн–Пт: с 8:00 до 17:00 (МСК).
Сб–Вс: выходные дни.
Заказы на сайте принимаются круглосуточно. Заявки, поступившие после окончания рабочего дня, обрабатываются на следующий рабочий день.
Минимальная сумма заказа для доставки составляет 3000 рублей. Самовывоз со склада возможен на любую сумму при наличии товара.
ООО «УралТехГрупп»
ИНН: 7415093830
КПП: 772401001
ОГРН: 1167456069021
Банк: ПАО Сбербанк
Р/с: 40702810838000475273
К/с: 30101810400000000225
БИК: 044525225
У подшипника 6318DDUC3 пока нет отзывов. Вы можете стать первым покупателем, поделившимся своим мнением.