Поиск подшипника
Статьи
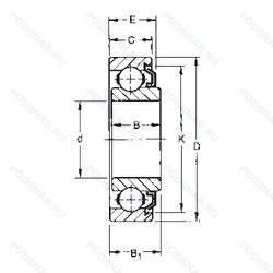
205KL — Подшипник однорядный шариковый радиальный, модификация основного исполнения 205, производство FAFNIR.
Размер подшипника: 25x52x16 мм.
Flanged type (2 thru holes)-medium load.
Международная стандартизации ISO
205KL
В наличии
| Обозначение | Конструктивные изменения |
|---|---|
| 205SF | Bogie Carriage_ Clearance-Free. |
| 205KLL2 | Conrad (Non-Filling Slot) Type. Different From Standard In One Respect Or Another. Two Mechani-Seals. Interchangeable with RR Series. But Have Non-Contact Labyrinth Seals And Steel Cages For Low Torque. High Speed And Higher Temperature Service. (Up to 350°F/176°C). |
| 205KLLG2 C3 | Internal Clearance Larger Than Normal Or Manufacturing Code - Fafnir Use Only. Conrad (Non-Filling Slot) Type. Wireloc (стопорное кольцо). Different From Standard In One Respect Or Another. Two Mechani-Seals. Interchangeable with RR Series. But Have Non-Contact Labyrinth Seals And Steel Cages For Low Torque. High Speed And Higher Temperature Service. (Up to 350°F/176°C). |
| 205SFFS | Two Felt Seals. Replaced By 88xxx. |
| NUP 205 ECML | Однорядный цилиндрический роликовый подшипник. |
| NJ 205 ECML | Однорядный цилиндрический роликовый подшипник. |
| NU 205 ECPHA | Измененная или модифицированная внутренняя конструкция при неизменных основных размерах. Однорядный цилиндрический роликовый подшипник. |
| NU 205 ECML | Однорядный цилиндрический роликовый подшипник. |
| NU 205 EW | Однорядный. |
| NUP 205 EW | Однорядный. |
| CRBT 205 A | Двухрядный радиально-упорный шарикоподшипник без отверстия для смазки. |
| QJ 205 MA | Механически обработанный латунный сепаратор. Центрирование по внешнему кольцу. Шариковый подшипник с четырехточечным контактом. |
| QJ 205 N2 M | Подшипник с латунным сепаратором. центрированный по телам качения. Два установочных паза (выемки), расположенных под углом 180° друг от друга в одной боковой поверхности наружного кольца или шайбе корпуса.. |
| YARAG 205-100 | 1. |
| YSP 205-100 SB-2F | Стандартное контактное уплотнение с дополнительным маслоотражательным кольцом с обеих сторон. Double Row. Angular Contact. Non-Filling Notch Bearing. With Outwardly Convergent Угол контактаs. Rigid Design. 1. |
| YSP 205 SB-2F | Стандартное контактное уплотнение с дополнительным маслоотражательным кольцом с обеих сторон. Double Row. Angular Contact. Non-Filling Notch Bearing. With Outwardly Convergent Угол контактаs. Rigid Design. |
| YSA 205-2FK + H 2305 | Pressed Snap-Type Steel Cage. Hardened. |
| BL 205 Z | щит из листовой прессованной стали с одной стороны подшипника. |
| BSA 205 C | 15° Угол контакта. |
| FBSA 205/DB | Two Single Row Deep Groove Ball Bearings. Single Row Angular Contact Ball Bearings Or Single Row Tapered Roller Bearings Matched For Mounting In A Back-To-Back Arrangement. |
| FBSA 205/DF | Комплект из двух подшипников. согласованных для установки по Х-образной схеме. Число. следующее непосредственно после букв DF. обозначает конструкцию промежуточного кольца. |
| FBSA 205/QBC | Четыре подшипника в O-образной компоновке. |
| BSA 205 CG-2RZ | Шарикоподшипник. С уплотнением и низким коэффициентом трения с обеих сторон. Уплотнение состоит из шайбы из листовой стали с вулканизированной резиной. Резьбовой винт со стопором и защелкой. |
| BSA 205 CG | Резьбовой винт со стопором и защелкой. |
| NJ 205 ECPH | Однорядный цилиндрический роликовый подшипник. |
Модификации шарикового подшипника 205KL — это измененное основное конструктивное исполнение 205, основные размеры (25x52x16) не отличаются.
| Обозначение | Гост | Конструктивные особенности |
|---|---|---|
| SX05A63NCS30PX1 | ISO | Канавка под стопорное кольцо на внешнем кольце. Специальный допуск. Special Radial Clearance in µm. |
| 6205HV ZZ | ISO | Защитные металлические шайбы с двух сторон подшипника. Высокая скорость/до 700 000 N.Dm. (Стандартная точность 6). |
| 6205 2RS TNG C4 | ISO | Внутренний зазор подшипника больше. чем C3. Резиновые уплотнения с каждой стороны подшипника. Прочный сепаратор из полиамида. армированного стекловолокном. |
| 6205LLBNA/2A | ISO | Не взаимозаменяемые детали. Lubricant. Shell Oil Co.. Alvania #2 Grease. Mil-G-18709A. Уплотнение бесконтактного типа из синтетического каучука. |
| 6205LLUC3/5K | ISO | Внутренний зазор больше нормального. Резиновые уплотнения с каждой стороны подшипника. Grease/ Kyodo Yushi / Multemp SRL (-40°C to +150°C). |
| 6205K EE | ISO | Коническое отверстие. конус 1/12. Резиновые уплотнения с каждой стороны подшипника. |
| 83546-9 C3 | ISO | Внутренний зазор больше нормального. Largest Fill. |
| 83546SH2 C3 | ISO | Внутренний зазор больше нормального. Специальная термообработка внутреннего кольца. |
| 6205-RSR-AH26 | ISO | Контактное уплотнение с одной стороны. Радиальный тип. Dimensionally Stabilized Up To +250°C + Corrotect Corrosion Protected. |
| 6205-C-2Z-L207-C3 | ISO | Модифицированная внутренняя конструкция. Внутренний зазор больше нормального. Зазорные уплотнения с обеих сторон.. Заполнение консистентной смазкой Arcanol L207 (высокотемпературная смазка). |
| 6205-C-2Z-L069-C3 | ISO | Модифицированная внутренняя конструкция. Внутренний зазор больше нормального. Зазорные уплотнения с обеих сторон.. Insert Bearing Grease For Wide Temperature Range - Polycarbamide Ester Oil - –40°C to +180°C. |
| 6205 1RS | ISO | Fluorocarbon Rubber On One Side Of The Bearing. |
| F-45980.1 | ISO | Number Of Carriages Per Rail Track. |
| 6205ZZ C3E/A6S | ISO | Защитные металлические шайбы с обеих сторон. Внутренний зазор больше нормы. Класс электродвигателя. |
| 6205.HT200ZZ | ISO | Ассортимент TOPLINE для высокой температуры - Максимум 200 С° со стальными защитными пластинами с обеих сторон. |
| 6205ZZC3EP6 BQHS | ISO | Стандартное заполнение. Внутренний зазор больше нормального. Шарикоподшипник. Однорядный электродвигатель. Уровень шума. Защитные металлические шайбы с обеих сторон. Размерные и геометрические допуски соответствуют классу точности P6. Base Oil/Thickener=Ester Oil. Polyurea. Service Temp. Range=40°C to 180°C. Color=Beige. Texture=Homogeneous. Fibrous. |
| /SI/6205VVC3E EA6S | ISO | Стандартное заполнение. Внутренний зазор больше нормального. Шарикоподшипник. Однорядный электродвигатель. Уровень шума. Защитные металлические шайбы. с обеих сторон подшипника. Бесконтактное уплотнение. (лучше. чем ZZ. Можно использовать в умеренно запыленной среде). Working Temperature Range/ -40°C / >150°C. |
| 6205NX9C3UR | ISO | Внутренний зазор больше нормального. NSK’s ‘UR’ Carbonitrided Heat Treatment Enhances Bearing Fatigue Life Under Contaminated Environments Such As Ones Commonly Found In Gearboxes. Размеры канавки под специальное кольцо (т.е. NX1. NX2 и т.д. Для различных размеров канавки под специальное кольцо). |
| TM205C3UR | ISO | Внутренний зазор больше нормального. NSK’s ‘UR’ Carbonitrided Heat Treatment Enhances Bearing Fatigue Life Under Contaminated Environments Such As Ones Commonly Found In Gearboxes. |
| TM205A7-16CG23DD8UMEL | ISO | Резиновые уплотнения с каждой стороны подшипника. Класс точности ABEC 7 согласно Abma (используйте сегмент P4). |
Аналог шарикового подшипника 205KL — это подшипник такого же размера dx25,Dx52,Bx16, типа и конструкции.
| Обозначение | Конструктивные особенности | Внутренний (d) | Наружный (D) | Ширина (B) |
|---|---|---|---|---|
| 580205-А | Шариковый радиальный однорядный подшипник. Повышенная грузоподъемность. | 25.00 | 52.00 | 15.00 |
| 580205-АЕК7С17 | Шариковый радиальный однорядный подшипник. Смазка Литол-24. Сепаратор из текстолита.. Повышенная грузоподъемность. | 25.00 | 52.00 | 15.00 |
| 580205-АС17 | Шариковый радиальный однорядный подшипник. Смазка Литол-24. Повышенная грузоподъемность. | 25.00 | 52.00 | 15.00 |
| 6-137205 А | Роликовый радиальный-упорный однорядный подшипник. Повышенная грузоподъемность. | 25.00 | 52.00 | 16.25 |
| 6-137205 А1 | Роликовый радиальный-упорный однорядный подшипник. Повышенная грузоподъемность. | 25.00 | 52.00 | 16.25 |
| 6-180205 А | Шариковый радиальный однорядный подшипник. Повышенная грузоподъемность. | 25.00 | 52.00 | 15.00 |
| 6-180205 А1С9 | Шариковый радиальный однорядный подшипник. Повышенная грузоподъемность. Смазка ЛЗ-31. | 25.00 | 52.00 | 15.00 |
| 6-180205 АКС17 | Шариковый радиальный однорядный подшипник. Смазка Литол-24. Повышенная грузоподъемность. | 25.00 | 52.00 | 15.00 |
| 6-180205 АС17 | Шариковый радиальный однорядный подшипник. Смазка Литол-24. Повышенная грузоподъемность. | 25.00 | 52.00 | 15.00 |
| 6-180205 АС17Ш1 | Шариковый радиальный однорядный подшипник. Смазка Литол-24. Повышенная грузоподъемность. Нормы шумности. | 25.00 | 52.00 | 15.00 |
| 6-180205 К6С2 | Шариковый радиальный однорядный подшипник. Смазка ЦИАТИМ-221. | 25.00 | 52.00 | 15.00 |
| 6-180205 КС9 | Шариковый радиальный однорядный подшипник. «Замок» (скос) на внутреннем кольце плюс массивный сепаратор из текстолита. Смазка ЛЗ-31. | 25.00 | 52.00 | 15.00 |
| 6-180205 С17 | Шариковый радиальный однорядный подшипник. Смазка Литол-24. | 25.00 | 52.00 | 15.00 |
| 6-180205 С9 | Шариковый радиальный однорядный подшипник. Смазка ЛЗ-31. | 25.00 | 52.00 | 15.00 |
| 6-180205 Ш1 | Шариковый радиальный однорядный подшипник. Нормы шумности. | 25.00 | 52.00 | 15.00 |
Способы доставки
Отправка через ведущие транспортные и курьерские компании: ПЭК, Деловые Линии, СДЭК, Байкал-Сервис, Энергия, КИТ, ЖелДорЭкспедиция.
Самовывоз возможен напрямую со склада в Москве.
Сроки доставки
Срок зависит от региона и выбранной транспортной компании. Все заказы комплектуются и отправляются в кратчайшие сроки со склада в Москве.
Надёжность и сохранность
Вся продукция упаковывается с учётом требований транспортировки. Мы гарантируем, что подшипники и комплектующие прибудут к заказчику в полной сохранности.
Доставка в страны ЕАЭС
Мы работаем с проверенными логистическими партнёрами, что позволяет оперативно доставлять заказы в Беларусь, Казахстан, Армению и другие страны ЕАЭС.
Варианты оплаты:
Минимальная сумма заказа и скидки:
Документы и гарантии:
Да, конечно! Наши технические специалисты готовы помочь вам с подбором точного аналога или замены подшипника. Просто позвоните нам по телефону +7 (495) 104-99-04 или напишите на почту zakaz@podsnab.ru.
Для оперативной консультации подготовьте, пожалуйста, имеющиеся данные: маркировку, размеры, тип оборудования или артикул старого подшипника.
Да, конечно! Мы высоко ценим долгосрочное сотрудничество и доверие клиентов по всей России. Для постоянных клиентов действует персональная система скидок.
Условия формируются индивидуально и зависят от:
Чтобы узнать свои условия и получить максимально выгодное предложение, свяжитесь с персональным менеджером или напишите нам на почту zakaz@podsnab.ru.
Вы можете оформить заказ несколькими способами:
Для оформления заказа от юридического лица свяжитесь с нашим отделом по работе с корпоративными клиентами по телефону +7 (495) 104-99-04 или напишите на email zakaz@podsnab.ru, прикрепив реквизиты вашей организации.
Мы оперативно подготовим коммерческое предложение и выставим счет.
Возврат товара надлежащего качества возможен в течение 10 дней с момента получения, если товар не был в употреблении, сохранен товарный вид, упаковка не вскрывалась и присутствуют все сопроводительные документы.
Возврат денежных средств осуществляется в течение 10 рабочих дней после проверки товара складом.
В соответствии с законодательством возврату не подлежат подшипники надлежащего качества, если отсутствует оригинальная упаковка или имеются следы монтажа.
В случае выявления брака или гарантийного случая мы гарантируем возврат или обмен товара.
Да, гарантийный срок хранения устанавливается заводом-изготовителем и в среднем составляет 2 года при соблюдении условий хранения: сухое помещение, оригинальная упаковка и смазка.
Точный срок для конкретного типа подшипника уточняйте у наших менеджеров.
Пн–Пт: с 8:00 до 17:00 (МСК).
Сб–Вс: выходные дни.
Заказы на сайте принимаются круглосуточно. Заявки, поступившие после окончания рабочего дня, обрабатываются на следующий рабочий день.
Минимальная сумма заказа для доставки составляет 3000 рублей. Самовывоз со склада возможен на любую сумму при наличии товара.
ООО «УралТехГрупп»
ИНН: 7415093830
КПП: 772401001
ОГРН: 1167456069021
Банк: ПАО Сбербанк
Р/с: 40702810838000475273
К/с: 30101810400000000225
БИК: 044525225
У подшипника 205KL пока нет отзывов. Вы можете стать первым покупателем, поделившимся своим мнением.