Поиск подшипника
Статьи
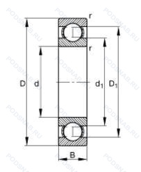
B15-69 — Подшипник однорядный шариковый радиальный, модификация основного исполнения B15, производство NBK.
Размер подшипника: 15x35x13 мм.
Международная стандартизации ISO
B1569
В наличии
| Обозначение | Конструктивные изменения |
|---|---|
| B15-52 | 3.1/4. |
| B15-69T12DD | Резиновые уплотнения с каждой стороны подшипника. Сепаратор. усиленный стекловолокном. |
| B15Z-51CC4 | щит из листовой прессованной стали с одной стороны подшипника. Bearing Internal Clearance Larger Than CC3. |
| B15-70AT1XGRDDG6C-01 | Резиновые уплотнения с каждой стороны подшипника. Полиамидный фиксатор. Design. |
| B15-69BT1XGRDDG6CG02 | Резиновые уплотнения с каждой стороны подшипника. Полиамидный фиксатор. |
| B15-70AT1XGRZZ1C4 | Внутренний зазор подшипника больше. чем C3. Полиамидный фиксатор. Защитные из нержавеющей стали шайбы с двух сторон подшипника. |
| B15-70 2RS | Резиновые уплотнения с каждой стороны подшипника. Длина рельса в мм. |
| B15-70D | Подшипник однорядный шариковый радиальный. |
| B15-86 | Подшипник однорядный шариковый радиальный. |
| B15-70AT1XGRDDG6CG-01 | Резиновые уплотнения с каждой стороны подшипника. Полиамидный фиксатор. Контрольный номер NSK (требуется при запросе). |
| B15-48 | 3. |
| B15Z-51AC4 | Внутренний зазор подшипника больше. чем C3. щит из листовой прессованной стали с одной стороны подшипника. |
| B15-94 | Подшипник однорядный шариковый радиальный. |
| B15-115DDU | Резиновые уплотнения с каждой стороны подшипника. |
| B15-83D | Подшипник со специальными размерами. |
| B15-69BT1X | Подшипник со специальными размерами. |
| B15-85DD | Подшипник со специальными размерами. |
| B15-86AT1X | Подшипник со специальными размерами. |
| B15-92VV7C3X28U76U05 | Подшипник со специальными размерами. |
| B15-70AT1X | Подшипник со специальными размерами. |
| B15-69T12DDWNCXCM | Подшипник со специальными размерами. |
| B15-69T12VVNCXE | Подшипник со специальными размерами. |
| B15-86DD | Подшипник со специальными размерами. |
| B15-86AT1XDDG3 | Подшипник со специальными размерами. |
| B15 | Стандартное исполнение радиально-упорных шпиндельных подшипников. Основное конструктивное исполнение. |
Модификации шарикового подшипника B15-69 — это измененное основное конструктивное исполнение B15, основные размеры (15x35x13) не отличаются.
| Обозначение | Гост | Конструктивные особенности |
|---|---|---|
| 62202 2NSE | ISO | Резиновые уплотнения с каждой стороны подшипника. |
| 535114TVH | ISO | Формованный полиамидный сепаратор защелкивающегося типа. |
| 62202-2RS1/C3 | ISO | Внутренний зазор больше нормального. Усиленные листовой сталью контактные уплотнения из акрилонитрил-бутадиенового каучука (NBR) с обеих сторон подшипника. |
| 6202/1B 2RD DCSFB | ISO | Облегченное контактное уплотнение с двух сторон.. Identification Code. |
| 62202-2RS1/C3WT | ISO | Внутренний зазор больше нормального. Усиленные листовой сталью контактные уплотнения из акрилонитрил-бутадиенового каучука (NBR) с обеих сторон подшипника. Grease Fill For Low As Well As High Temperature e.g. -40°C/+160°C. WT Or A Two-Figure Number Following WT Identifies The Actual Grease. An Additional Letter Or Letter/ Figure Combination As Mentioned Under “HT” Identifies Filling Degrees Other Than Standard. |
| 62202-2RS1/C3WT/R806 | ISO | Внутренний зазор больше нормального. Усиленные листовой сталью контактные уплотнения из акрилонитрил-бутадиенового каучука (NBR) с обеих сторон подшипника. Grease Fill For Low As Well As High Temperature e.g. -40°C/+160°C. WT Or A Two-Figure Number Following WT Identifies The Actual Grease. An Additional Letter Or Letter/ Figure Combination As Mentioned Under “HT” Identifies Filling Degrees Other Than Standard. Внутренний код. где R806 связан с месяцем и годом. |
| 15BCD107 2NSL | ISO | Контактные уплотнения на каждой стороне подшипника.. |
| 62202 2RSR HLM | ISO | Резиновые уплотнения с каждой стороны подшипника. Код местонахождения завода. может использоваться в стандартной комплектации. |
| 62202 2RS J30 | ISO | Резиновые уплотнения с каждой стороны подшипника. Внутренний зазор больше нормального. |
| B1569T12DDWNCX | ISO | Резиновые уплотнения с каждой стороны подшипника. Сепаратор. усиленный стекловолокном. |
| 6202D 2RS | ISO | Половина целого игольчатого валика. Применять суффикс 'D' в базовом номере. Контактное уплотнение с обеих сторон. |
| 62202 2RSRJ | ISO | Прессованный стальной сепаратор. Резиновые уплотнения с каждой стороны подшипника. |
| 62202-A-2RSR-C3 | ISO | Внутренний зазор больше нормального. Модификация внутренней конструкции. Резиновые уплотнения с каждой стороны подшипника. |
| 62202-A-2RSR | ISO | Модификация внутренней конструкции. Резиновые уплотнения с каждой стороны подшипника. |
| 202FSF1 | ISO | Standard Precision ABEC-1. Шарикоподшипник. С уплотнением и низким коэффициентом трения с обеих сторон. Уплотнение состоит из шайбы из листовой стали с вулканизированной резиной. |
| 87014C3 | ISO | Внутренний зазор больше нормального. |
| 62202EE | ISO | Резиновые уплотнения с каждой стороны подшипника. |
| WC87016/2AS | ISO | LUBRICANT. SHELL OIL CO.. ALVANIA #2 GREASE. MIL-G-18709A. |
| 32264-88 | ISO | Two Synthetic Contact Seals. |
| EX6202ZZ | ISO | Защитные металлические шайбы с обеих сторон. |
Аналог шарикового подшипника B15-69 — это подшипник такого же размера dx15,Dx35,Bx13, типа и конструкции.
| Обозначение | Конструктивные особенности | Внутренний (d) | Наружный (D) | Ширина (B) |
|---|---|---|---|---|
| 2ШСЛ15К1 | Шарнирный подшипник. Канавка и отверстие для смазки на наружном кольце.. С отверстиями и канавками для смазки во внутреннем кольце. | 15.00 | 35.00 | 14.00 |
| 2ШСП15 | Шарнирный подшипник. С отверстиями и канавками для смазки во внутреннем кольце. | 15.00 | 35.00 | 14.00 |
| 2ШСП15К | Шарнирный подшипник. Канавка и отверстие для смазки на внутреннем и наружном кольцах.. С отверстиями и канавками для смазки во внутреннем кольце. | 15.00 | 35.00 | 14.00 |
| 45-180502 Е1Т2С2 | Шариковый радиальный однорядный подшипник. Сепаратор из текстолита.. 200°. Смазка ЦИАТИМ-221. Температура отпуска. | 15.00 | 35.00 | 14.00 |
| 5-80902 ЛС1 | Шариковый радиальный однорядный подшипник. Сепаратор из латуни.. Смазка ОКБ 122-7. | 16.00 | 35.00 | 12.70 |
| 502302-Э1 | Роликовый радиальный однорядный подшипник. Детали из стали ШХ-15 со специальными присадками (ванадий. | 15.00 | 35.00 | 13.00 |
| 550702-М | Шариковый радиальный однорядный подшипник. Модифицированный контакт.. | 15.00 | 35.00 | 12.00 |
| 6-180502 АЕС9 | Шариковый радиальный однорядный подшипник. Сепаратор из текстолита.. Повышенная грузоподъемность. Смазка ЛЗ-31. | 15.00 | 35.00 | 14.00 |
| 6-180502 К1С9 | Шариковый радиальный однорядный подшипник. Смазка ЛЗ-31. | 15.00 | 35.00 | 14.00 |
| 6-180502 К1С9Ш1 | Шариковый радиальный однорядный подшипник. Нормы шумности. Смазка ЛЗ-31. | 15.00 | 35.00 | 14.00 |
| 6-180502 К1УС9 | Шариковый радиальный однорядный подшипник. «Замок» (скос) на внутреннем кольце плюс массивный сепаратор из текстолита. Дополнительные технические требования. Смазка ЛЗ-31. | 15.00 | 35.00 | 14.00 |
| 6-180502 К2УС9 | Шариковый радиальный однорядный подшипник. Дополнительные технические требования. Смазка ЛЗ-31. | 15.00 | 35.00 | 14.00 |
| 6-180502 УС9Ш1 | Шариковый радиальный однорядный подшипник. Дополнительные технические требования. Нормы шумности. Смазка ЛЗ-31. | 15.00 | 35.00 | 14.00 |
| 6-180502 ЮТС2 | Шариковый радиальный однорядный подшипник. Температура отпуска. 160°. Все детали или часть деталей из нержавеющей стали.. Смазка ЦИАТИМ-221. | 15.00 | 35.00 | 14.00 |
| 6-180902 АС17 | Шариковый радиальный однорядный подшипник. Смазка Литол-24. Повышенная грузоподъемность. | 16.00 | 35.00 | 14.00 |
Способы доставки
Отправка через ведущие транспортные и курьерские компании: ПЭК, Деловые Линии, СДЭК, Байкал-Сервис, Энергия, КИТ, ЖелДорЭкспедиция.
Самовывоз возможен напрямую со склада в Москве.
Сроки доставки
Срок зависит от региона и выбранной транспортной компании. Все заказы комплектуются и отправляются в кратчайшие сроки со склада в Москве.
Надёжность и сохранность
Вся продукция упаковывается с учётом требований транспортировки. Мы гарантируем, что подшипники и комплектующие прибудут к заказчику в полной сохранности.
Доставка в страны ЕАЭС
Мы работаем с проверенными логистическими партнёрами, что позволяет оперативно доставлять заказы в Беларусь, Казахстан, Армению и другие страны ЕАЭС.
Варианты оплаты:
Минимальная сумма заказа и скидки:
Документы и гарантии:
Да, конечно! Наши технические специалисты готовы помочь вам с подбором точного аналога или замены подшипника. Просто позвоните нам по телефону +7 (495) 104-99-04 или напишите на почту zakaz@podsnab.ru.
Для оперативной консультации подготовьте, пожалуйста, имеющиеся данные: маркировку, размеры, тип оборудования или артикул старого подшипника.
Да, конечно! Мы высоко ценим долгосрочное сотрудничество и доверие клиентов по всей России. Для постоянных клиентов действует персональная система скидок.
Условия формируются индивидуально и зависят от:
Чтобы узнать свои условия и получить максимально выгодное предложение, свяжитесь с персональным менеджером или напишите нам на почту zakaz@podsnab.ru.
Вы можете оформить заказ несколькими способами:
Для оформления заказа от юридического лица свяжитесь с нашим отделом по работе с корпоративными клиентами по телефону +7 (495) 104-99-04 или напишите на email zakaz@podsnab.ru, прикрепив реквизиты вашей организации.
Мы оперативно подготовим коммерческое предложение и выставим счет.
Возврат товара надлежащего качества возможен в течение 10 дней с момента получения, если товар не был в употреблении, сохранен товарный вид, упаковка не вскрывалась и присутствуют все сопроводительные документы.
Возврат денежных средств осуществляется в течение 10 рабочих дней после проверки товара складом.
В соответствии с законодательством возврату не подлежат подшипники надлежащего качества, если отсутствует оригинальная упаковка или имеются следы монтажа.
В случае выявления брака или гарантийного случая мы гарантируем возврат или обмен товара.
Да, гарантийный срок хранения устанавливается заводом-изготовителем и в среднем составляет 2 года при соблюдении условий хранения: сухое помещение, оригинальная упаковка и смазка.
Точный срок для конкретного типа подшипника уточняйте у наших менеджеров.
Пн–Пт: с 8:00 до 17:00 (МСК).
Сб–Вс: выходные дни.
Заказы на сайте принимаются круглосуточно. Заявки, поступившие после окончания рабочего дня, обрабатываются на следующий рабочий день.
Минимальная сумма заказа для доставки составляет 3000 рублей. Самовывоз со склада возможен на любую сумму при наличии товара.
ООО «УралТехГрупп»
ИНН: 7415093830
КПП: 772401001
ОГРН: 1167456069021
Банк: ПАО Сбербанк
Р/с: 40702810838000475273
К/с: 30101810400000000225
БИК: 044525225
У подшипника B15-69 пока нет отзывов. Вы можете стать первым покупателем, поделившимся своим мнением.