Поиск подшипника
Статьи
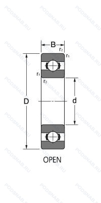
RLS40 — Подшипник однорядный шариковый радиальный, основное исполнение, выпускается производителями: KOYO, NEUTRAL, NIS, SKF.
Размер подшипника: 127x228x34 мм.
Цилиндрический роликовый подшипник, однорядный, двухкромочное внутреннее кольцо, цилиндрическое наружное кольцо, легкая дюймовая серия.
Альтернативное обозначение: LS23.
Международная стандартизации ISO
RLS40
В наличии
| Обозначение | Гост | Конструктивные особенности |
|---|---|---|
| LS23 | ISO | Подшипник однорядный шариковый радиальный. |
| LJ5J | ISO | Прессованный стальной сепаратор. |
| LJ5 | ISO | Подшипник однорядный шариковый радиальный. |
| LJ5E | ISO | Повышенная грузоподъемность. |
Аналог шарикового подшипника RLS40 — это подшипник такого же размера dx127,Dx228,Bx34, типа и конструкции.
| Обозначение | Конструктивные особенности | Внутренний (d) | Наружный (D) | Ширина (B) |
|---|---|---|---|---|
| LRJA5M | Однорядный цилиндрический роликовый подшипник. Подшипник с латунным сепаратором. центрированный по телам качения. | 127.00 | 228.60 | 34.93 |
| LRJ5E | Однорядный цилиндрический роликовый подшипник. Повышенная грузоподъемность. | 127.00 | 228.60 | 34.93 |
| CRL40AMB | Однорядный цилиндрический роликовый подшипник. Измененная или модифицированная внутренняя конструкция при неизменных основных размерах. | 127.00 | 228.60 | 34.92 |
| CRL40 | Однорядный цилиндрический роликовый подшипник. | 127.00 | 228.60 | 34.93 |
| LRJ 5 | однорядный цилиндрический роликовый подшипник. | 127.00 | 228.60 | 34.93 |
| LRJ5MB | Однорядный цилиндрический роликовый подшипник. Однокомпонентное внутреннее кольцо с центрированным сепаратором из механически обработанной латуни. | 127.00 | 228.60 | 34.93 |
| CRL40MB/C3 | Однорядный цилиндрический роликовый подшипник. Внутренний зазор больше нормального. Двухкомпонентный латунный сепаратор с механической обработкой. Направляющее внутреннее кольцо. | 127.00 | 228.60 | 34.93 |
| LRJ5EM | Однорядный цилиндрический роликовый подшипник. Подшипник с латунным сепаратором. центрированный по телам качения. | 127.00 | 228.60 | 34.93 |
| LRJ5MB CN | Однорядный цилиндрический роликовый подшипник. Цельное внутреннее кольцо. Центрированный обработанный латунный сепаратор. Нормальный уровень радиального внутреннего зазора (не маркируется). | 127.00 | 228.60 | 34.93 |
| ALS40ABM | Подшипник шариковый однорядный радиально-упорный. Внутренние изменения в конструкции. Single Row Angular Contact Ball Bearing With A 40° Угол контакта. Механически обработанный латунный сепаратор. центрируемый по шарикам. Разные конструкции или материалы обозначаются цифрой после буквы М. например. М2. | 139.00 | 241.00 | 34.92 |
| CRL40MB | Однорядный цилиндрический роликовый подшипник. Двухкомпонентный латунный сепаратор с механической обработкой. Направляющее внутреннее кольцо. | 127.00 | 228.60 | 34.93 |
| LRJ5E C3 | Однорядный цилиндрический роликовый подшипник. Внутренний зазор больше нормального. | 127.00 | 228.60 | 34.93 |
| LRJ5M | Однорядный цилиндрический роликовый подшипник. Подшипник с латунным сепаратором. центрированный по телам качения. | 127.00 | 228.60 | 34.93 |
| LJT5 | Подшипник шариковый однорядный радиально-упорный. | 139.00 | 241.00 | 34.93 |
| LRJA5E | Однорядный цилиндрический роликовый подшипник. Повышенная грузоподъемность. | 127.00 | 228.60 | 34.93 |
Способы доставки
Отправка через ведущие транспортные и курьерские компании: ПЭК, Деловые Линии, СДЭК, Байкал-Сервис, Энергия, КИТ, ЖелДорЭкспедиция.
Самовывоз возможен напрямую со склада в Москве.
Сроки доставки
Срок зависит от региона и выбранной транспортной компании. Все заказы комплектуются и отправляются в кратчайшие сроки со склада в Москве.
Надёжность и сохранность
Вся продукция упаковывается с учётом требований транспортировки. Мы гарантируем, что подшипники и комплектующие прибудут к заказчику в полной сохранности.
Доставка в страны ЕАЭС
Мы работаем с проверенными логистическими партнёрами, что позволяет оперативно доставлять заказы в Беларусь, Казахстан, Армению и другие страны ЕАЭС.
Варианты оплаты:
Минимальная сумма заказа и скидки:
Документы и гарантии:
Да, конечно! Наши технические специалисты готовы помочь вам с подбором точного аналога или замены подшипника. Просто позвоните нам по телефону +7 (495) 104-99-04 или напишите на почту zakaz@podsnab.ru.
Для оперативной консультации подготовьте, пожалуйста, имеющиеся данные: маркировку, размеры, тип оборудования или артикул старого подшипника.
Да, конечно! Мы высоко ценим долгосрочное сотрудничество и доверие клиентов по всей России. Для постоянных клиентов действует персональная система скидок.
Условия формируются индивидуально и зависят от:
Чтобы узнать свои условия и получить максимально выгодное предложение, свяжитесь с персональным менеджером или напишите нам на почту zakaz@podsnab.ru.
Вы можете оформить заказ несколькими способами:
Для оформления заказа от юридического лица свяжитесь с нашим отделом по работе с корпоративными клиентами по телефону +7 (495) 104-99-04 или напишите на email zakaz@podsnab.ru, прикрепив реквизиты вашей организации.
Мы оперативно подготовим коммерческое предложение и выставим счет.
Возврат товара надлежащего качества возможен в течение 10 дней с момента получения, если товар не был в употреблении, сохранен товарный вид, упаковка не вскрывалась и присутствуют все сопроводительные документы.
Возврат денежных средств осуществляется в течение 10 рабочих дней после проверки товара складом.
В соответствии с законодательством возврату не подлежат подшипники надлежащего качества, если отсутствует оригинальная упаковка или имеются следы монтажа.
В случае выявления брака или гарантийного случая мы гарантируем возврат или обмен товара.
Да, гарантийный срок хранения устанавливается заводом-изготовителем и в среднем составляет 2 года при соблюдении условий хранения: сухое помещение, оригинальная упаковка и смазка.
Точный срок для конкретного типа подшипника уточняйте у наших менеджеров.
Пн–Пт: с 8:00 до 17:00 (МСК).
Сб–Вс: выходные дни.
Заказы на сайте принимаются круглосуточно. Заявки, поступившие после окончания рабочего дня, обрабатываются на следующий рабочий день.
Минимальная сумма заказа для доставки составляет 3000 рублей. Самовывоз со склада возможен на любую сумму при наличии товара.
ООО «УралТехГрупп»
ИНН: 7415093830
КПП: 772401001
ОГРН: 1167456069021
Банк: ПАО Сбербанк
Р/с: 40702810838000475273
К/с: 30101810400000000225
БИК: 044525225
У подшипника RLS40 пока нет отзывов. Вы можете стать первым покупателем, поделившимся своим мнением.