Поиск подшипника
Статьи
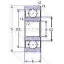
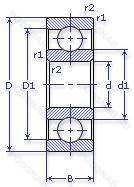
6052M — Подшипник однорядный шариковый радиальный, модификация основного исполнения 6052, выпускается производителями: CRAFT, FAG, ISB, NEUTRAL, NKE, SKF.
Размер подшипника: 260x400x65 мм.
Твердый латунный сепаратор с шариковой направляющей.
Аналоги: 6052M FAG,6052-M FAG.
Международная стандартизации ISO
6052M
В наличии
| Обозначение | Конструктивные изменения |
|---|---|
| 6052-M-C4 | Внутренний зазор подшипника больше. чем C3. Подшипник с латунным сепаратором. центрированный по телам качения. |
| 6052 | Подшипник однорядный шариковый радиальный. Основное конструктивное исполнение. |
| 6052MA/P64 | Механически обработанный латунный сепаратор. Центрирование по внешнему кольцу. Комбинация P6 (Точность размеров и хода по классу допуска ISO 6 (лучше. чем нормальный)) и C4 (Внутренний зазор подшипника больше. чем C3). |
| 6052-M-C3 | Внутренний зазор больше нормального. Подшипник с латунным сепаратором. центрированный по телам качения. |
| 6052K | Коническое отверстие. конус 1/12. |
| 6052N2M/C3L5DAS0 | Внутренний зазор больше нормального. Механически обработанный латунный сепаратор. центрируемый по шарикам. Разные конструкции или материалы обозначаются цифрой после буквы М. например. М2. Кольца или шайбы подшипников, стабилизированные по размерам для использования при рабочих температурах до +150°C (302°F). Два установочных паза (выемки). 180° друг от друга. На боковой поверхности большого наружного кольца. NoWear Bearing With Wear-Resistant Carbon Coating On The Rolling Elements. |
| 6052C3 | Внутренний зазор больше нормального. |
| 6052KM.R225.259 | Type Of Model. Radial Clearance In µm. |
| 6052MA/P64B20 | Механически обработанный латунный сепаратор. Центрирование по внешнему кольцу. Комбинация P6 (Точность размеров и хода по классу допуска ISO 6 (лучше. чем нормальный)) и C4 (Внутренний зазор подшипника больше. чем C3). Стабилизированные кольца и уменьшенный допуск по ширине. |
| 6052MA C3 | Внутренний зазор больше нормального. Механически обработанный латунный сепаратор. Центрирование по внешнему кольцу. |
| 6052M P63 A | значение этого символа. прикрепленного к базовому коду. специально не зафиксировано. Они используются в соответствии с требованиями к выявлению изменений конструкции подшипника и определенным конструктивным особенностям. Также их можно совмещать между собой. Механически обработанный латунный сепаратор .Расположенный на элементах качения. Комбинация P6 (Точность размеров и хода соответствует классу допуска ISO 6 (лучше. чем обычный)) и C3 (внутренний зазор больше нормы). |
| 6052MB | Механически обработанный латунный сепаратор. направляющий по внутреннему кольцу. |
| 6052MB C3 | Внутренний зазор больше нормального. Механически обработанный латунный сепаратор. направляющий по внутреннему кольцу. |
| 6052M P63 | Machined brass cage. rolling element centred. Комбинация P6 (Точность размеров и хода по классу допуска ISO 6 (лучше. чем нормальный)) и C3 (Внутренний зазор подшипника больше. нормального). |
| 6052M.C2 | Внутренний зазор подшипника меньше нормального. Твердый латунный сепаратор. Шариковые направляющие. |
Модификации шарикового подшипника 6052M — это измененное основное конструктивное исполнение 6052, основные размеры (260x400x65) не отличаются.
| Обозначение | Конструктивные особенности | Внутренний (d) | Наружный (D) | Ширина (B) |
|---|---|---|---|---|
| 92152-Л | Роликовый радиальный подшипник. Сепаратор из латуни.. | 260.00 | 400.00 | 65.00 |
| 92152-М | Роликовый радиальный подшипник. Модифицированный контакт.. | 260.00 | 400.00 | 65.00 |
| 92152-ЛМ | Роликовый радиальный однорядный подшипник. Сепаратор из латуни.. Модифицированный контакт.. | 260.00 | 400.00 | 65.00 |
| 7052 CD/P4A | Шариковый радиально-упорный подшипник. Двухкомпонентный штампованный стальной сепаратор с направляющим кольцом. Точность размеров в соответствии с классом допуска ISO 4. точность вращения лучше чем класс допуска ISO 4. | 260.00 | 400.00 | 65.00 |
| 7052 ACD/P4A | Шариковый радиально-упорный подшипник. Точность размеров в соответствии с классом допуска ISO 4. точность вращения лучше чем класс допуска ISO 4. Однорядный с улучшенной конструкцией и углом контакта 25°. | 260.00 | 400.00 | 65.00 |
| 7052A | Шариковый радиально-упорный однорядный подшипник. Двухрядный радиально-упорный шарикоподшипник без отверстия для смазки. | 260.00 | 400.00 | 65.00 |
| 7052B | Шариковый радиально-упорный однорядный подшипник. Угол контакта 40°. | 260.00 | 400.00 | 65.00 |
| QJ1052 | Шариковый радиально-упорный однорядный подшипник. Штампованный сепаратор из стального листа. Шариковый подшипник с четырех-точечным контактом. | 260.00 | 400.00 | 65.00 |
| 266152КЛ1 | Шариковый радиально-упорный сдвоенный подшипник. «Замок» (скос) на внутреннем кольце плюс массивный сепаратор из текстолита. Сепаратор из латуни.. | 260.00 | 400.00 | 65.00 |
| 4-152 ВI2А | Шариковый радиальный однорядный подшипник. Повышенная грузоподъемность. | 260.00 | 400.00 | 65.00 |
| 9152K | Шариковый радиальный однорядный подшипник. Коническое отверстие. Конусность 1/12. | 260.00 | 400.00 | 65.00 |
| 152-Л | Шариковый радиальный однорядный подшипник. Сепаратор из латуни.. | 260.00 | 400.00 | 65.00 |
| 2В0-152 Л | Шариковый радиальный однорядный подшипник. Сепаратор из латуни.. | 260.00 | 400.00 | 65.00 |
| NJ 1052 ML | Роликовый радиальный однорядный подшипник. Механически обработанный латунный сепаратор. оконного типа. центрируемый по внутреннему или наружному кольцу в зависимости от типа подшипника. Однорядный цилиндрический роликовый подшипник. | 260.00 | 400.00 | 65.00 |
| 42152-М | Роликовый радиальный однорядный подшипник. Модифицированный контакт.. | 260.00 | 400.00 | 65.00 |
Способы доставки
Отправка через ведущие транспортные и курьерские компании: ПЭК, Деловые Линии, СДЭК, Байкал-Сервис, Энергия, КИТ, ЖелДорЭкспедиция.
Самовывоз возможен напрямую со склада в Москве.
Сроки доставки
Срок зависит от региона и выбранной транспортной компании. Все заказы комплектуются и отправляются в кратчайшие сроки со склада в Москве.
Надёжность и сохранность
Вся продукция упаковывается с учётом требований транспортировки. Мы гарантируем, что подшипники и комплектующие прибудут к заказчику в полной сохранности.
Доставка в страны ЕАЭС
Мы работаем с проверенными логистическими партнёрами, что позволяет оперативно доставлять заказы в Беларусь, Казахстан, Армению и другие страны ЕАЭС.
Варианты оплаты:
Минимальная сумма заказа и скидки:
Документы и гарантии:
Да, конечно! Наши технические специалисты готовы помочь вам с подбором точного аналога или замены подшипника. Просто позвоните нам по телефону +7 (495) 104-99-04 или напишите на почту zakaz@podsnab.ru.
Для оперативной консультации подготовьте, пожалуйста, имеющиеся данные: маркировку, размеры, тип оборудования или артикул старого подшипника.
Да, конечно! Мы высоко ценим долгосрочное сотрудничество и доверие клиентов по всей России. Для постоянных клиентов действует персональная система скидок.
Условия формируются индивидуально и зависят от:
Чтобы узнать свои условия и получить максимально выгодное предложение, свяжитесь с персональным менеджером или напишите нам на почту zakaz@podsnab.ru.
Вы можете оформить заказ несколькими способами:
Для оформления заказа от юридического лица свяжитесь с нашим отделом по работе с корпоративными клиентами по телефону +7 (495) 104-99-04 или напишите на email zakaz@podsnab.ru, прикрепив реквизиты вашей организации.
Мы оперативно подготовим коммерческое предложение и выставим счет.
Возврат товара надлежащего качества возможен в течение 10 дней с момента получения, если товар не был в употреблении, сохранен товарный вид, упаковка не вскрывалась и присутствуют все сопроводительные документы.
Возврат денежных средств осуществляется в течение 10 рабочих дней после проверки товара складом.
В соответствии с законодательством возврату не подлежат подшипники надлежащего качества, если отсутствует оригинальная упаковка или имеются следы монтажа.
В случае выявления брака или гарантийного случая мы гарантируем возврат или обмен товара.
Да, гарантийный срок хранения устанавливается заводом-изготовителем и в среднем составляет 2 года при соблюдении условий хранения: сухое помещение, оригинальная упаковка и смазка.
Точный срок для конкретного типа подшипника уточняйте у наших менеджеров.
Пн–Пт: с 8:00 до 17:00 (МСК).
Сб–Вс: выходные дни.
Заказы на сайте принимаются круглосуточно. Заявки, поступившие после окончания рабочего дня, обрабатываются на следующий рабочий день.
Минимальная сумма заказа для доставки составляет 3000 рублей. Самовывоз со склада возможен на любую сумму при наличии товара.
ООО «УралТехГрупп»
ИНН: 7415093830
КПП: 772401001
ОГРН: 1167456069021
Банк: ПАО Сбербанк
Р/с: 40702810838000475273
К/с: 30101810400000000225
БИК: 044525225
У подшипника 6052M пока нет отзывов. Вы можете стать первым покупателем, поделившимся своим мнением.