Поиск подшипника
Статьи
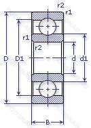
214 — Подшипник однорядный шариковый радиальный, основное исполнение, выпускается производителями: BCA FEDERAL MOGUL, FAG, NEUTRAL, SEALMASTER, SKF, SNR.
Размер подшипника: 70x72x24 мм.
Альтернативное обозначение: 1214.
Аналоги: 1214 Koyo,214 BCA Federal Mogul.
Международная стандартизации ISO
214
В наличии
| Обозначение | Конструктивные изменения |
|---|---|
| 214V | Snap Ring Is On Seal Side. |
| 214Z NR | щит из листовой прессованной стали с одной стороны подшипника. Канавка под стопорное кольцо на наружном кольце с соответствующим стопорным кольцом. |
| 214HEDUM | 25° Угол контакта. Сепаратор из фенольной смолы с текстильным ламинированием. Внешнее кольцо центрировано. Комплект из 2 универсальных подшипников. Средний преднатяг. |
| 214-Z | щит из листовой прессованной стали с одной стороны подшипника. |
| 3MM214WICRDUL | Подшипник однорядный шариковый радиальный. |
| 214-2Z | Защитные металлические шайбы с обеих сторон подшипника. |
| 3MM214WI DUL | Дуплексная пара подшипников. Универсальная установка. Лёгкий преднатяг. 25° High Угол контакта Superprecision Abec-7 (Iso P4).. Низкий борт на наружном кольце, стандартный сепаратор - формованный армированный нейлоновый. |
| 214MF | Миниатюрный метрический подшипник со специальными размерами и фланцевым наружным кольцом. |
| 2MM214WIDUL | Дуплексная пара подшипников. Универсальная установка. Лёгкий преднатяг. 15° Low Угол контакта. Superprecision Abec-7 (Iso P4).. Low Shoulder On Outer RIng (Standard Cage!!! (Molded Reinforced Nylon Cage)). |
| 3MM214W | Радиальный подшипник. Тип заправочного паза. |
| 214RDU | Ball Bearing. Single Row. Counterbored Outer Ring. With Shield On Side Opposite Counterbore. 15 Degree Угол контакта. |
| 214K | Conrad (Non-Filling Slot) Type. |
| 214W | Максимальная грузоподъемность. |
| 214SFFC | Подшипник с шириной картриджа, с двумя защитными шайбами. |
| 2MMV214WICRDUL | Дуплексная пара подшипников. Универсальная установка. Лёгкий преднатяг. 15° Low Угол контакта. Superprecision Abec-7 (Iso P4).. 15° Low Угол контакта. High Grade (HG) Between Abec-7 (ISO P4) And Abec-9 (ISO P2).. (TB-Segment) Phenolic (Composition) Fafnir Standard. Низкий буртик на наружном кольце. |
| 214/C3 | Внутренний зазор больше нормального. |
| 214SG | Single Row Radial Conrad-Type Bearings. Канавка под стопорное кольцо на наружном кольце с соответствующим стопорным кольцом. |
| 214SFG | Single Row Radial Conrad-Type Bearings. Однорядный радиальный шарикоподшипник с защитной шайбой с одной стороны. Канавка под стопорное кольцо на наружном кольце с соответствующим стопорным кольцом. |
| 214ZN | щит из листовой прессованной стали с одной стороны подшипника. Канавка под стопорное кольцо на внешнем кольце. |
| NJ 214 ECML | Однорядный цилиндрический роликовый подшипник. |
| NU 214 ECML | Однорядный цилиндрический роликовый подшипник. |
| NUP 214 ECML | Однорядный цилиндрический роликовый подшипник. |
| BL 214 Z | щит из листовой прессованной стали с одной стороны подшипника. |
| NJ 214 ECPH | Однорядный цилиндрический роликовый подшипник. |
| NU 214 ECPH | Однорядный цилиндрический роликовый подшипник. |
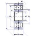
Модификации шарикового подшипника 214 — это измененное основное конструктивное исполнение 214, основные размеры (70x72x24) не отличаются.
| Обозначение | Гост | Конструктивные особенности |
|---|---|---|
| 1214 | ISO | Подшипник однорядный шариковый радиальный. |
| 6214 2RD C3 | ISO | Внутренний зазор больше нормального. Облегченное контактное уплотнение с двух сторон.. |
| 6214-C-C4 | ISO | Модифицированная внутренняя конструкция. Внутренний зазор подшипника больше. чем C3. |
| 6214-J20AA | ISO | Электроизоляция. наружное кольцо с керамическим покрытием. |
| 6214-M-J20AA | ISO | Твердый латунный сепаратор. Шариковые направляющие. Электроизоляция. наружное кольцо с керамическим покрытием. |
| 6214-J20AA-R57-71 | ISO | Электроизоляция. наружное кольцо с керамическим покрытием. Radial Clearance In μm. |
| 6214-M-P6-J20AA-H257A-C4 | ISO | Внутренний зазор подшипника больше. чем C3. Твердый латунный сепаратор. Шариковые направляющие. Размерные и геометрические допуски соответствуют классу точности P6. Электроизоляция. наружное кольцо с керамическим покрытием. |
| 6214-M-H67C-R85-105 | ISO | Твердый латунный сепаратор. Шариковые направляющие. Испытания для французских железных дорог. Radial Clearance In µm. |
| 6214-S1 | ISO | Кольца подшипников или шайбы, стабилизированные по размерам для использования при рабочих температурах до +200°C (392°F).. |
| 6214-J20AB-C4 | ISO | Внутренний зазор подшипника больше. чем C3. Puncture Voltage/ 1.000vDC - Operating Environment/ Dry. Damp - Layer Thickness/ 100μm - Possible Dimensions/ 70mm–1400mm Outside Diameter. |
| 6214-2RS1/JEM | ISO | Усиленные листовой сталью контактные уплотнения из акрилонитрил-бутадиенового каучука (NBR) с обеих сторон подшипника. Сепаратор из штампованной стали. Элемент качения отцентрирован. Тихий ход. Зазор C3 (не обозначается на подшипнике). |
| 6214.2RSR.C3.L207 | ISO | Внутренний зазор больше нормального. Резиновые уплотнения с каждой стороны подшипника. Заполнение консистентной смазкой Arcanol L207 (высокотемпературная смазка). |
| 6214ZZ C3/NS7S | ISO | Стандартное заполнение. Внутренний зазор больше нормального. Защитные металлические шайбы с обеих сторон. NS Hi Lube Grease. (NS7/ Inside With Grease. Up Than 35%. Temperature Resistance -40°C To +140°C). |
| 6214JEM | ISO | Сепаратор из штампованной стали. Элемент качения отцентрирован. Тихий ход. Зазор C3 (не обозначается на подшипнике). |
| 6214-H-2RSR-SN | ISO | Стандартное качество. Резиновые уплотнения с каждой стороны подшипника. Кольца подшипника стабилизированы по размерам до 120°C.. |
| 6214-H-2RSR-SN-C3 | ISO | Внутренний зазор больше нормального. Стандартное качество. Резиновые уплотнения с каждой стороны подшипника. Кольца подшипника стабилизированы по размерам до 120°C.. |
| 6214-H-2Z-SN | ISO | Защитные металлические шайбы с обеих сторон. Стандартное качество. Кольца подшипника стабилизированы по размерам до 120°C.. |
| 6214-H-2Z-SN-C3 | ISO | Внутренний зазор больше нормального. Защитные металлические шайбы с обеих сторон. Стандартное качество. Кольца подшипника стабилизированы по размерам до 120°C.. |
| 6214-H-SN-C3 | ISO | Внутренний зазор больше нормального. Стандартное качество. Кольца подшипника стабилизированы по размерам до 120°C.. |
| 6214-H-SN | ISO | Стандартное качество. Кольца подшипника стабилизированы по размерам до 120°C.. |
| 6214.EEC3 | ISO | Резиновые уплотнения с каждой стороны подшипника. |
| 1214 | ГОСТ | Подшипник однорядный шариковый радиальный. |
Аналог шарикового подшипника 214 — это подшипник такого же размера dx70,Dx72,Bx24, типа и конструкции.
| Обозначение | Конструктивные особенности | Внутренний (d) | Наружный (D) | Ширина (B) |
|---|---|---|---|---|
| 1214 ETN9 | Шариковый сферический двухрядный подшипник. Оптимизированный внутренний дизайн. Литая защелкивающаяся клетка из полиамида 6.6. армированного стекловолокном с шариковой центрировкой.. | 70.00 | 125.00 | 24.00 |
| 7602070-TVP | Шариковый упорный однорядный подшипник. Molded Snap-Type Cage Of Glass Fibre Reinforced Polyamide. Rolling Element Riding. | 70.00 | 125.00 | 24.00 |
| 45-276214 БТ2 | Шариковый радиально-упорный однорядный подшипник. 200°. Температура отпуска. Сепаратор из безоловянистой бронзы.. | 70.00 | 125.00 | 24.00 |
| 45-276214 Р | Шариковый радиально-упорный однорядный подшипник. Детали из теплоустойчивой (быстрорежущие) стали.. | 70.00 | 125.00 | 24.00 |
| 46214-АЛ | Шариковый радиально-упорный однорядный подшипник. Сепаратор из латуни.. Повышенная грузоподъемность. | 70.00 | 125.00 | 24.00 |
| 46214-Е | Шариковый радиально-упорный однорядный подшипник. Сепаратор из текстолита.. | 70.00 | 125.00 | 24.00 |
| 46214-Л | Шариковый радиально-упорный однорядный подшипник. Сепаратор из латуни.. | 70.00 | 125.00 | 24.00 |
| 46214-К | Шариковый радиально-упорный однорядный подшипник. «Замок» (скос) на внутреннем кольце плюс массивный сепаратор из текстолита. | 70.00 | 125.00 | 24.00 |
| 4А-276214 БТ2 | Шариковый радиально-упорный однорядный подшипник. 200°. Температура отпуска. Сепаратор из безоловянистой бронзы.. | 70.00 | 125.00 | 24.00 |
| 5-276214 Б1Т | Шариковый радиально-упорный однорядный подшипник. Температура отпуска. 160°. Сепаратор из безоловянистой бронзы.. | 70.00 | 125.00 | 24.00 |
| 5-276214 Б1Т2 | Шариковый радиально-упорный однорядный подшипник. 200°. Температура отпуска. Сепаратор из безоловянистой бронзы.. | 70.00 | 125.00 | 24.00 |
| 5-36214 E | Шариковый радиально-упорный однорядный подшипник. Повышенная грузоподъемность. | 70.00 | 125.00 | 24.00 |
| 5-36214 Е | Шариковый радиально-упорный однорядный подшипник. Сепаратор из текстолита.. | 70.00 | 125.00 | 24.00 |
| 5-36214 К | Шариковый радиально-упорный однорядный подшипник. «Замок» (скос) на внутреннем кольце плюс массивный сепаратор из текстолита. | 70.00 | 125.00 | 24.00 |
| 5-36214 Л | Шариковый радиально-упорный однорядный подшипник. Сепаратор из латуни.. | 70.00 | 125.00 | 24.00 |
Способы доставки
Отправка через ведущие транспортные и курьерские компании: ПЭК, Деловые Линии, СДЭК, Байкал-Сервис, Энергия, КИТ, ЖелДорЭкспедиция.
Самовывоз возможен напрямую со склада в Москве.
Сроки доставки
Срок зависит от региона и выбранной транспортной компании. Все заказы комплектуются и отправляются в кратчайшие сроки со склада в Москве.
Надёжность и сохранность
Вся продукция упаковывается с учётом требований транспортировки. Мы гарантируем, что подшипники и комплектующие прибудут к заказчику в полной сохранности.
Доставка в страны ЕАЭС
Мы работаем с проверенными логистическими партнёрами, что позволяет оперативно доставлять заказы в Беларусь, Казахстан, Армению и другие страны ЕАЭС.
Варианты оплаты:
Минимальная сумма заказа и скидки:
Документы и гарантии:
Да, конечно! Наши технические специалисты готовы помочь вам с подбором точного аналога или замены подшипника. Просто позвоните нам по телефону +7 (495) 104-99-04 или напишите на почту zakaz@podsnab.ru.
Для оперативной консультации подготовьте, пожалуйста, имеющиеся данные: маркировку, размеры, тип оборудования или артикул старого подшипника.
Да, конечно! Мы высоко ценим долгосрочное сотрудничество и доверие клиентов по всей России. Для постоянных клиентов действует персональная система скидок.
Условия формируются индивидуально и зависят от:
Чтобы узнать свои условия и получить максимально выгодное предложение, свяжитесь с персональным менеджером или напишите нам на почту zakaz@podsnab.ru.
Вы можете оформить заказ несколькими способами:
Для оформления заказа от юридического лица свяжитесь с нашим отделом по работе с корпоративными клиентами по телефону +7 (495) 104-99-04 или напишите на email zakaz@podsnab.ru, прикрепив реквизиты вашей организации.
Мы оперативно подготовим коммерческое предложение и выставим счет.
Возврат товара надлежащего качества возможен в течение 10 дней с момента получения, если товар не был в употреблении, сохранен товарный вид, упаковка не вскрывалась и присутствуют все сопроводительные документы.
Возврат денежных средств осуществляется в течение 10 рабочих дней после проверки товара складом.
В соответствии с законодательством возврату не подлежат подшипники надлежащего качества, если отсутствует оригинальная упаковка или имеются следы монтажа.
В случае выявления брака или гарантийного случая мы гарантируем возврат или обмен товара.
Да, гарантийный срок хранения устанавливается заводом-изготовителем и в среднем составляет 2 года при соблюдении условий хранения: сухое помещение, оригинальная упаковка и смазка.
Точный срок для конкретного типа подшипника уточняйте у наших менеджеров.
Пн–Пт: с 8:00 до 17:00 (МСК).
Сб–Вс: выходные дни.
Заказы на сайте принимаются круглосуточно. Заявки, поступившие после окончания рабочего дня, обрабатываются на следующий рабочий день.
Минимальная сумма заказа для доставки составляет 3000 рублей. Самовывоз со склада возможен на любую сумму при наличии товара.
ООО «УралТехГрупп»
ИНН: 7415093830
КПП: 772401001
ОГРН: 1167456069021
Банк: ПАО Сбербанк
Р/с: 40702810838000475273
К/с: 30101810400000000225
БИК: 044525225
У подшипника 214 пока нет отзывов. Вы можете стать первым покупателем, поделившимся своим мнением.