Поиск подшипника
Статьи
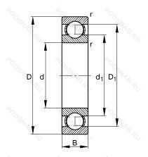
63008.2RSR — Подшипник однорядный шариковый радиальный, модификация основного исполнения 63008, выпускается производителями: DEUTSCHE KUGELLAGER FABRIK, FAG, NKE, SLF FRAUREUTH.
Размер подшипника: 40x68x21 мм.
Резиновые уплотнения с каждой стороны подшипника.
Аналоги: 63008.2RSR FAG,63008-2RSR FAG,63008-2RS1 SKF,63008-2RS Timken,63008EE SNR,63008-2RSR NKE,63008 2RS Trans Link,63008 2RS KBS,63008.2RSR Deutsche Kugellager Fabrik.
Международная стандартизации ISO
630082RSR
В наличии
| Обозначение | Конструктивные изменения |
|---|---|
| 63008-2RS1/W64 | Усиленные листовой сталью контактные уплотнения из акрилонитрил-бутадиенового каучука (NBR) с обеих сторон подшипника. Антифрикционный заполнитель. твердая смазка. |
| 63008 | Подшипник однорядный шариковый радиальный. Основное конструктивное исполнение. |
| 63008 2RS | Резиновые уплотнения с каждой стороны подшипника. |
| 63008-2RS1/HT | Усиленные листовой сталью контактные уплотнения из акрилонитрил-бутадиенового каучука (NBR) с обеих сторон подшипника. Подшипник поставляется со специальной смазкой для высоких температур (до +130°C). |
| 63008-2RS1 | Усиленные листовой сталью контактные уплотнения из акрилонитрил-бутадиенового каучука (NBR) с обеих сторон подшипника. |
| 63008-2RS1/HT22 | Усиленные листовой сталью контактные уплотнения из акрилонитрил-бутадиенового каучука (NBR) с обеих сторон подшипника. Grease Fill For High Temperatures (e.g. -20°C/+130°C). HT Or A Two Figure Number Following HT Identifies The Actual Grease. |
| 63008EE | Резиновые уплотнения с каждой стороны подшипника. |
Модификации шарикового подшипника 63008.2RSR — это измененное основное конструктивное исполнение 63008, основные размеры (40x68x21) не отличаются.
| Обозначение | Гост | Конструктивные особенности |
|---|---|---|
| 30L40CH02 | ISO | Подшипник однорядный шариковый радиальный. |
Аналог шарикового подшипника 63008.2RSR — это подшипник такого же размера dx40,Dx68,Bx21, типа и конструкции.
| Обозначение | Конструктивные особенности | Внутренний (d) | Наружный (D) | Ширина (B) |
|---|---|---|---|---|
| E33008J | Роликовый радиальный-упорный однорядный подшипник. Дорожки качения наружного кольца. угол контакта и ширина наружного кольца в соответствии с ISO. | 40.00 | 68.00 | 22.00 |
| HR33008J | Роликовый радиальный-упорный однорядный подшипник. Дорожки качения наружного кольца. угол контакта и ширина наружного кольца в соответствии с ISO. Для конических роликоподшипников и радиальных шарикоподшипников. | 40.00 | 68.00 | 22.00 |
| 4T-33008 | Роликовый радиальный-упорный конический однорядный подшипник. Цементованная сталь. | 40.00 | 68.00 | 22.00 |
| BT1-0348/QCL7C | Роликовый радиальный-упорный однорядный подшипник. Высокоэффективная конструкция. | 40.99 | 68.00 | 20.00 |
| 3008-B-2RSR-TVH | Шариковый радиально-упорный подшипник. Модифицированная внутренняя конструкция. Твердая клетка из полиамида. Резиновые уплотнения с каждой стороны подшипника. | 40.00 | 68.00 | 21.00 |
| 3008-B-2Z-TVH | Шариковый радиально-упорный подшипник. Модифицированная внутренняя конструкция. Защитные металлические шайбы с обеих сторон подшипника. Твердая клетка из полиамида. | 40.00 | 68.00 | 21.00 |
| DF08A15LLU/5C | Шариковый радиально-упорный двухрядный подшипник. Chevron SRI-2 Grease High Temperature -29°C to 177°C. | 40.00 | 68.00 | 21.00 |
| 3008 ZZ | Шариковый радиально-упорный двухрядный подшипник. Защитные металлические шайбы (бесконтактные уплотнения) с обеих сторон подшипника. | 40.00 | 68.00 | 21.00 |
| HL-NK40X68X20-2T#01 | Роликовый игольчатый подшипник однорядный. Шестигранное отверстие (кулачковые ролики с осью). Одно уплотнение. Изменённая фаска. Design. By Construction Is The Same As 2S. Except Rubber Lip Is Tripled. Therefore. It Seals Better But Has Even Larger Friction. The Permitted Speeds Are Much Lower. Up To 500. It Emerges Out Of External Ring Width And Is Applied Only With Special Bearings For The Agricultural Machines (Practically Standard Sealing For The Disc Harrow Bearings) And To The Less Extent. Y-Bearing Program. | 40.00 | 68.00 | 20.00 |
| 33008 A | Роликовый радиальный-упорный однорядный подшипник. Двухрядный радиально-упорный шарикоподшипник без отверстия для смазки. | 40.00 | 68.00 | 22.00 |
| 33008F | Роликовый радиальный-упорный однорядный подшипник. Сепаратор из обработанной стали или специального чугуна. | 40.00 | 68.00 | 22.00 |
| HC TRA080702 | Роликовый радиальный-упорный однорядный подшипник. Угол контакта 20 градусов. | 40.00 | 68.00 | 22.00 |
| HI-CAP 57390A | Роликовый радиальный-упорный однорядный подшипник. Угол контакта 20 градусов. | 40.00 | 68.00 | 22.00 |
| 33008JR | Роликовый радиальный-упорный конический однорядный подшипник. TAPERED ROLLER BEARING CONFORMING TO ISO R355 (SUB-UNIT. METRIC SERIES). EXAMPLE/ 30206JR. | 40.00 | 68.00 | 22.00 |
| 5-3182108 ЛК | Роликовый радиальный двухрядный подшипник. Сепаратор из латуни.. | 40.00 | 68.00 | 21.00 |
Способы доставки
Отправка через ведущие транспортные и курьерские компании: ПЭК, Деловые Линии, СДЭК, Байкал-Сервис, Энергия, КИТ, ЖелДорЭкспедиция.
Самовывоз возможен напрямую со склада в Москве.
Сроки доставки
Срок зависит от региона и выбранной транспортной компании. Все заказы комплектуются и отправляются в кратчайшие сроки со склада в Москве.
Надёжность и сохранность
Вся продукция упаковывается с учётом требований транспортировки. Мы гарантируем, что подшипники и комплектующие прибудут к заказчику в полной сохранности.
Доставка в страны ЕАЭС
Мы работаем с проверенными логистическими партнёрами, что позволяет оперативно доставлять заказы в Беларусь, Казахстан, Армению и другие страны ЕАЭС.
Варианты оплаты:
Минимальная сумма заказа и скидки:
Документы и гарантии:
Да, конечно! Наши технические специалисты готовы помочь вам с подбором точного аналога или замены подшипника. Просто позвоните нам по телефону +7 (495) 104-99-04 или напишите на почту zakaz@podsnab.ru.
Для оперативной консультации подготовьте, пожалуйста, имеющиеся данные: маркировку, размеры, тип оборудования или артикул старого подшипника.
Да, конечно! Мы высоко ценим долгосрочное сотрудничество и доверие клиентов по всей России. Для постоянных клиентов действует персональная система скидок.
Условия формируются индивидуально и зависят от:
Чтобы узнать свои условия и получить максимально выгодное предложение, свяжитесь с персональным менеджером или напишите нам на почту zakaz@podsnab.ru.
Вы можете оформить заказ несколькими способами:
Для оформления заказа от юридического лица свяжитесь с нашим отделом по работе с корпоративными клиентами по телефону +7 (495) 104-99-04 или напишите на email zakaz@podsnab.ru, прикрепив реквизиты вашей организации.
Мы оперативно подготовим коммерческое предложение и выставим счет.
Возврат товара надлежащего качества возможен в течение 10 дней с момента получения, если товар не был в употреблении, сохранен товарный вид, упаковка не вскрывалась и присутствуют все сопроводительные документы.
Возврат денежных средств осуществляется в течение 10 рабочих дней после проверки товара складом.
В соответствии с законодательством возврату не подлежат подшипники надлежащего качества, если отсутствует оригинальная упаковка или имеются следы монтажа.
В случае выявления брака или гарантийного случая мы гарантируем возврат или обмен товара.
Да, гарантийный срок хранения устанавливается заводом-изготовителем и в среднем составляет 2 года при соблюдении условий хранения: сухое помещение, оригинальная упаковка и смазка.
Точный срок для конкретного типа подшипника уточняйте у наших менеджеров.
Пн–Пт: с 8:00 до 17:00 (МСК).
Сб–Вс: выходные дни.
Заказы на сайте принимаются круглосуточно. Заявки, поступившие после окончания рабочего дня, обрабатываются на следующий рабочий день.
Минимальная сумма заказа для доставки составляет 3000 рублей. Самовывоз со склада возможен на любую сумму при наличии товара.
ООО «УралТехГрупп»
ИНН: 7415093830
КПП: 772401001
ОГРН: 1167456069021
Банк: ПАО Сбербанк
Р/с: 40702810838000475273
К/с: 30101810400000000225
БИК: 044525225
У подшипника 63008.2RSR пока нет отзывов. Вы можете стать первым покупателем, поделившимся своим мнением.