Поиск подшипника
Статьи
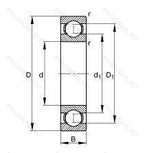
61896-MA-C3 — Подшипник однорядный шариковый радиальный, модификация основного исполнения 61896, выпускается производителями: FAG, SKF.
Размер подшипника: 480x600x56 мм.
Внутренний зазор больше нормального, механически обработанный латунный сепаратор. центрирование по внешнему кольцу.
Международная стандартизации ISO
61896MAC3
В наличии
| Обозначение | Конструктивные изменения |
|---|---|
| 61896-MA | Механически обработанный латунный сепаратор. Центрирование по внешнему кольцу. |
| 61896M.C5 | Твердый латунный сепаратор. Шариковые направляющие. Внутренний зазор подшипника больше. чем С4. |
| 61896MC3 | (Миниатюрные радиальные шарикоподшипники серии Metric. M = без латунного сепаратора) = Нормальный радиальный внутренний зазор. |
| 61896M | Твердый латунный сепаратор. Шариковые направляющие. |
| 61896M.P65.S1 | Твердый латунный сепаратор. Шариковые направляющие. Кольца подшипников или шайбы, стабилизированные по размерам для использования при рабочих температурах до +200°C (392°F).. Combination Of P6 (Dimensional And Running Accuracy To ISO Tolerance Class 6 (Better Than Normal)) And C5 (Bearing Internal Clearance Greater Than C4). |
| 61896 | Подшипник однорядный шариковый радиальный. Основное конструктивное исполнение. |
Модификации шарикового подшипника 61896-MA-C3 — это измененное основное конструктивное исполнение 61896, основные размеры (480x600x56) не отличаются.
| Обозначение | Гост | Конструктивные особенности |
|---|---|---|
| 304144A | ISO | Измененная или модифицированная внутренняя конструкция при неизменных основных размерах. Как правило. значение буквы привязано к определенному подшипнику или серии подшипника. |
Аналог шарикового подшипника 61896-MA-C3 — это подшипник такого же размера dx480,Dx600,Bx56, типа и конструкции.
| Обозначение | Конструктивные особенности | Внутренний (d) | Наружный (D) | Ширина (B) |
|---|---|---|---|---|
| NCF1896V | однорядный цилиндрический роликовый подшипник. Бессепараторный подшипник. Однорядный без сепараторный цилиндрический роликовый подшипник. Два борта на внутреннем кольце и один борт на наружном. | 480.00 | 600.00 | 56.00 |
| NJ1896-M1A | Однорядный цилиндрический роликовый подшипник. Массивный латунный сепаратор. двухтельный. центрированный по бортам. | 480.00 | 600.00 | 56.00 |
| NU1896-M1 | Однорядный цилиндрический роликовый подшипник. Механически обработанный латунный сепаратор. вращающийся элемент качения (крестовина на заклепках). | 480.00 | 600.00 | 56.00 |
| SL181896-E-TB-CN/3L | Однорядный цилиндрический роликовый подшипник. Повышенная грузоподъемность. Нормальный уровень радиального внутреннего зазора (не маркируется). Textite (Fabric-Reinforced Phenolic Resin) Cage Guided On The Inner Ring. | 480.00 | 600.00 | 56.00 |
| 71896-MP | Подшипник шариковый однорядный радиально-упорный. Механически обработанный латунный сепаратор оконного типа. | 480.00 | 600.00 | 56.00 |
| SL181896-E-TB | Однорядный цилиндрический роликовый подшипник. Повышенная грузоподъемность. Подшипник с увеличенной осевой груподъемностью. | 480.00 | 600.00 | 56.00 |
| NCF1896V/C4 | Однорядный цилиндрический роликовый подшипник. Внутренний зазор подшипника больше. чем C3. Полный комплект роликов (без сепаратора). | 480.00 | 600.00 | 56.00 |
| SL18-1896C4 | Однорядный цилиндрический роликовый подшипник. Внутренний зазор подшипника больше. чем C3. | 480.00 | 600.00 | 56.00 |
| NCF1896V C3 | Однорядный цилиндрический роликовый подшипник. Внутренний зазор больше нормального. Бессепараторный или полностью выпуклый. | 480.00 | 600.00 | 56.00 |
| NJ 1896 MA | Роликовый радиальный цилиндрический однорядный подшипник. Механически обработанный латунный сепаратор. Центрирование по внешнему кольцу. Однорядный цилиндрический роликовый подшипник. | 480.00 | 600.00 | 56.00 |
| NU 1896 MA | Роликовый радиальный цилиндрический однорядный подшипник. Механически обработанный латунный сепаратор. Центрирование по внешнему кольцу. Однорядный цилиндрический роликовый подшипник. | 480.00 | 600.00 | 56.00 |
| NJ1896 | Роликовый радиальный однорядный подшипник. Штампованный сепаратор из стального листа. Канавка под стопорное кольцо на наружном кольце подшипника. Однорядный цилиндрический роликовый подшипник. Наружное кольцо имеет два борта. | 480.00 | 600.00 | 56.00 |
| NU1896 | Роликовый радиальный однорядный подшипник. Канавка под стопорное кольцо на наружном кольце подшипника. Однорядные цилиндрические роликоподшипники. Наружное кольцо подшипника имеет два борта. | 480.00 | 600.00 | 56.00 |
| NUP1896 | Роликовый радиальный однорядный подшипник. Канавка под стопорное кольцо на наружном кольце подшипника. Точность размеров примерно соответствует классу точности Р4. Однорядный цилиндрический роликовый подшипник. Наружное кольцо имеет два борта. | 480.00 | 600.00 | 56.00 |
| 1000896-Л | Шариковый радиальный однорядный подшипник. Сепаратор из латуни.. | 480.00 | 600.00 | 56.00 |
Способы доставки
Отправка через ведущие транспортные и курьерские компании: ПЭК, Деловые Линии, СДЭК, Байкал-Сервис, Энергия, КИТ, ЖелДорЭкспедиция.
Самовывоз возможен напрямую со склада в Москве.
Сроки доставки
Срок зависит от региона и выбранной транспортной компании. Все заказы комплектуются и отправляются в кратчайшие сроки со склада в Москве.
Надёжность и сохранность
Вся продукция упаковывается с учётом требований транспортировки. Мы гарантируем, что подшипники и комплектующие прибудут к заказчику в полной сохранности.
Доставка в страны ЕАЭС
Мы работаем с проверенными логистическими партнёрами, что позволяет оперативно доставлять заказы в Беларусь, Казахстан, Армению и другие страны ЕАЭС.
Варианты оплаты:
Минимальная сумма заказа и скидки:
Документы и гарантии:
Да, конечно! Наши технические специалисты готовы помочь вам с подбором точного аналога или замены подшипника. Просто позвоните нам по телефону +7 (495) 104-99-04 или напишите на почту zakaz@podsnab.ru.
Для оперативной консультации подготовьте, пожалуйста, имеющиеся данные: маркировку, размеры, тип оборудования или артикул старого подшипника.
Да, конечно! Мы высоко ценим долгосрочное сотрудничество и доверие клиентов по всей России. Для постоянных клиентов действует персональная система скидок.
Условия формируются индивидуально и зависят от:
Чтобы узнать свои условия и получить максимально выгодное предложение, свяжитесь с персональным менеджером или напишите нам на почту zakaz@podsnab.ru.
Вы можете оформить заказ несколькими способами:
Для оформления заказа от юридического лица свяжитесь с нашим отделом по работе с корпоративными клиентами по телефону +7 (495) 104-99-04 или напишите на email zakaz@podsnab.ru, прикрепив реквизиты вашей организации.
Мы оперативно подготовим коммерческое предложение и выставим счет.
Возврат товара надлежащего качества возможен в течение 10 дней с момента получения, если товар не был в употреблении, сохранен товарный вид, упаковка не вскрывалась и присутствуют все сопроводительные документы.
Возврат денежных средств осуществляется в течение 10 рабочих дней после проверки товара складом.
В соответствии с законодательством возврату не подлежат подшипники надлежащего качества, если отсутствует оригинальная упаковка или имеются следы монтажа.
В случае выявления брака или гарантийного случая мы гарантируем возврат или обмен товара.
Да, гарантийный срок хранения устанавливается заводом-изготовителем и в среднем составляет 2 года при соблюдении условий хранения: сухое помещение, оригинальная упаковка и смазка.
Точный срок для конкретного типа подшипника уточняйте у наших менеджеров.
Пн–Пт: с 8:00 до 17:00 (МСК).
Сб–Вс: выходные дни.
Заказы на сайте принимаются круглосуточно. Заявки, поступившие после окончания рабочего дня, обрабатываются на следующий рабочий день.
Минимальная сумма заказа для доставки составляет 3000 рублей. Самовывоз со склада возможен на любую сумму при наличии товара.
ООО «УралТехГрупп»
ИНН: 7415093830
КПП: 772401001
ОГРН: 1167456069021
Банк: ПАО Сбербанк
Р/с: 40702810838000475273
К/с: 30101810400000000225
БИК: 044525225
У подшипника 61896-MA-C3 пока нет отзывов. Вы можете стать первым покупателем, поделившимся своим мнением.