Поиск подшипника
Статьи
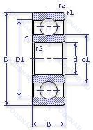
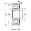
6334M — Подшипник однорядный шариковый радиальный, модификация основного исполнения 6334, выпускается производителями: FAG, ISB, NKE, NSK, NTN, SKF, STEYR.
Размер подшипника: 170x360x72 мм.
Твердый латунный сепаратор с шариковой направляющей.
Аналоги: 6334M FAG,6334-M FAG.
Международная стандартизации ISO
6334M
В наличии
| Обозначение | Конструктивные изменения |
|---|---|
| 6334/C3 | Внутренний зазор больше нормального. |
| 6334 | Подшипник однорядный шариковый радиальный. Основное конструктивное исполнение. |
| 6334M C3 | Внутренний зазор больше нормального. Подшипник с латунным сепаратором. центрированный по телам качения. |
| 6334M/C4 | Внутренний зазор подшипника больше. чем C3. Подшипник с латунным сепаратором. центрированный по телам качения. |
| 6334/HC5C3S0VA970 | Внутренний зазор больше нормального. Кольца или шайбы подшипников, стабилизированные по размерам для использования при рабочих температурах до +150°C (302°F). Тела качения из нитрида кремния. XL Hybrid Deep Groove Ball Bearings Are Designed To Meet The Application Requirements For Electric Generators In Larger Wind Turbines. |
| 6334L1 | Механически обработанный латунный сепаратор. |
| 6334-M-C3-J20C | Внутренний зазор больше нормального. Твердый латунный сепаратор. Шариковые направляющие. Внутреннее кольцо. изолированное тонким керамическим покрытием. |
| 6334-M-J20AA-C3 | Внутренний зазор больше нормального. Твердый латунный сепаратор. Шариковые направляющие. Электроизоляция. наружное кольцо с керамическим покрытием. |
| 6334M/C4H | Механически обработанный латунный сепаратор. центрируемый по шарикам. Разные конструкции или материалы обозначаются цифрой после буквы М. например. М2. Верхняя половина диапазона зазора С4.. |
| 6334M/C4VL2071 | Внутренний зазор подшипника больше. чем C3. Механически обработанный латунный сепаратор. центрируемый по шарикам. Разные конструкции или материалы обозначаются цифрой после буквы М. например. М2. Электрическое сопротивление/мин. 50 МОм. Напряжение пробоя/Макс. Рабочее напряжение 1000 В постоянного тока. |
| 6334-M-J20C-C3 | Внутренний зазор больше нормального. Твердый латунный сепаратор. Шариковые направляющие. Внутреннее кольцо. изолированное тонким керамическим покрытием. |
| 6334-M-J20AA | Твердый латунный сепаратор. Шариковые направляющие. Электроизоляция. наружное кольцо с керамическим покрытием. |
| 6334-M-R77-102 | Твердый латунный сепаратор. Шариковые направляющие. Radial Clearance In μm. |
| 6334-M-R85-102 | Твердый латунный сепаратор. Шариковые направляющие. Radial Clearance In μm. |
| 6334/HC5C3PS0VA970 | Кольца или шайбы подшипников, стабилизированные по размерам для использования при рабочих температурах до +150°C (302°F). Тела качения из нитрида кремния. XL Hybrid Deep Groove Ball Bearings Are Designed To Meet The Application Requirements For Electric Generators In Larger Wind Turbines. Внутренний зазор подшипника больше нормального, охватывает верхнюю половину поля C3 и нижнюю половину C4. |
| 6334-M-J20AA-C4 | Внутренний зазор подшипника больше. чем C3. Твердый латунный сепаратор. Шариковые направляющие. Электроизоляция. наружное кольцо с керамическим покрытием. |
| 6334 M/C3VL2071 | Подшипник с латунным сепаратором. центрированный по телам качения. |
| 6334K | Коническое отверстие (1. |
Модификации шарикового подшипника 6334M — это измененное основное конструктивное исполнение 6334, основные размеры (170x360x72) не отличаются.
| Обозначение | Гост | Конструктивные особенности |
|---|---|---|
| 7MC3-6334L1BC4S30 | ISO | Внутренний зазор подшипника больше. чем C3. Механически обработанный латунный сепаратор. центрированный на шариках. |
Аналог шарикового подшипника 6334M — это подшипник такого же размера dx170,Dx360,Bx72, типа и конструкции.
| Обозначение | Конструктивные особенности | Внутренний (d) | Наружный (D) | Ширина (B) |
|---|---|---|---|---|
| NJ334EM | Роликовый радиальный однорядный подшипник. Стандартный фланцевый ( с резьбой и сквозным отверстием). | 170.00 | 360.00 | 72.00 |
| 7334DF | Шариковый радиально-упорный двухрядный подшипник. Комплект из двух подшипников. согласованных для установки по Х-образной схеме. Число. следующее непосредственно после букв DF. обозначает конструкцию промежуточного кольца. | 170.00 | 360.00 | 72.00 |
| 7334DT | Шариковый радиально-упорный двухрядный подшипник. Дуплексные подшипники для установки в тандеме. | 170.00 | 360.00 | 72.00 |
| 7334DB | Шариковый радиально-упорный двухрядный подшипник. Two Single Row Deep Groove Ball Bearings. Single Row Angular Contact Ball Bearings Or Single Row Tapered Roller Bearings Matched For Mounting In A Back-To-Back Arrangement. | 170.00 | 360.00 | 72.00 |
| QJ 334 N2 | Шариковый радиально-упорный однорядный подшипник. Два установочных паза (выемки), расположенных под углом 180° друг от друга в одной боковой поверхности наружного кольца или шайбе корпуса.. | 170.00 | 360.00 | 72.00 |
| 7334 A | Шариковый радиально-упорный однорядный подшипник. Двухрядный радиально-упорный шарикоподшипник без отверстия для смазки. | 170.00 | 360.00 | 72.00 |
| 7334C | Шариковый радиально-упорный однорядный подшипник. Угол контакта 15 градусов. | 170.00 | 360.00 | 72.00 |
| QJ 334 | Шариковый радиально-упорный однорядный подшипник. Штампованный сепаратор из стального листа. Шариковый подшипник с четырех-точечным контактом. | 170.00 | 360.00 | 72.00 |
| QJ 334 N2 M | Шариковый радиально-упорный однорядный подшипник. Подшипник с латунным сепаратором. центрированный по телам качения. Два установочных паза (выемки), расположенных под углом 180° друг от друга в одной боковой поверхности наружного кольца или шайбе корпуса.. | 170.00 | 360.00 | 72.00 |
| 7334-BCB-MP | Шариковый радиально-упорный однорядный подшипник. Массивный латунный сепаратор. центрированный по телам качения. | 170.00 | 360.00 | 72.00 |
| 26334К | Шариковый радиально-упорный однорядный подшипник. «Замок» (скос) на внутреннем кольце плюс массивный сепаратор из текстолита. | 170.00 | 360.00 | 72.00 |
| 6-32334 М | Роликовый радиальный однорядный подшипник. Модифицированный контакт.. | 170.00 | 360.00 | 72.00 |
| 66334К | Шариковый радиально-упорный однорядный подшипник. «Замок» (скос) на внутреннем кольце плюс массивный сепаратор из текстолита. | 170.00 | 360.00 | 72.00 |
| 70-32334 М | Роликовый радиальный однорядный подшипник. Модифицированный контакт.. | 170.00 | 360.00 | 72.00 |
| N 334 ECM | Роликовый радиальный однорядный подшипник. Однорядный цилиндрический роликовый подшипник. | 170.00 | 360.00 | 72.00 |
Способы доставки
Отправка через ведущие транспортные и курьерские компании: ПЭК, Деловые Линии, СДЭК, Байкал-Сервис, Энергия, КИТ, ЖелДорЭкспедиция.
Самовывоз возможен напрямую со склада в Москве.
Сроки доставки
Срок зависит от региона и выбранной транспортной компании. Все заказы комплектуются и отправляются в кратчайшие сроки со склада в Москве.
Надёжность и сохранность
Вся продукция упаковывается с учётом требований транспортировки. Мы гарантируем, что подшипники и комплектующие прибудут к заказчику в полной сохранности.
Доставка в страны ЕАЭС
Мы работаем с проверенными логистическими партнёрами, что позволяет оперативно доставлять заказы в Беларусь, Казахстан, Армению и другие страны ЕАЭС.
Варианты оплаты:
Минимальная сумма заказа и скидки:
Документы и гарантии:
Да, конечно! Наши технические специалисты готовы помочь вам с подбором точного аналога или замены подшипника. Просто позвоните нам по телефону +7 (495) 104-99-04 или напишите на почту zakaz@podsnab.ru.
Для оперативной консультации подготовьте, пожалуйста, имеющиеся данные: маркировку, размеры, тип оборудования или артикул старого подшипника.
Да, конечно! Мы высоко ценим долгосрочное сотрудничество и доверие клиентов по всей России. Для постоянных клиентов действует персональная система скидок.
Условия формируются индивидуально и зависят от:
Чтобы узнать свои условия и получить максимально выгодное предложение, свяжитесь с персональным менеджером или напишите нам на почту zakaz@podsnab.ru.
Вы можете оформить заказ несколькими способами:
Для оформления заказа от юридического лица свяжитесь с нашим отделом по работе с корпоративными клиентами по телефону +7 (495) 104-99-04 или напишите на email zakaz@podsnab.ru, прикрепив реквизиты вашей организации.
Мы оперативно подготовим коммерческое предложение и выставим счет.
Возврат товара надлежащего качества возможен в течение 10 дней с момента получения, если товар не был в употреблении, сохранен товарный вид, упаковка не вскрывалась и присутствуют все сопроводительные документы.
Возврат денежных средств осуществляется в течение 10 рабочих дней после проверки товара складом.
В соответствии с законодательством возврату не подлежат подшипники надлежащего качества, если отсутствует оригинальная упаковка или имеются следы монтажа.
В случае выявления брака или гарантийного случая мы гарантируем возврат или обмен товара.
Да, гарантийный срок хранения устанавливается заводом-изготовителем и в среднем составляет 2 года при соблюдении условий хранения: сухое помещение, оригинальная упаковка и смазка.
Точный срок для конкретного типа подшипника уточняйте у наших менеджеров.
Пн–Пт: с 8:00 до 17:00 (МСК).
Сб–Вс: выходные дни.
Заказы на сайте принимаются круглосуточно. Заявки, поступившие после окончания рабочего дня, обрабатываются на следующий рабочий день.
Минимальная сумма заказа для доставки составляет 3000 рублей. Самовывоз со склада возможен на любую сумму при наличии товара.
ООО «УралТехГрупп»
ИНН: 7415093830
КПП: 772401001
ОГРН: 1167456069021
Банк: ПАО Сбербанк
Р/с: 40702810838000475273
К/с: 30101810400000000225
БИК: 044525225
У подшипника 6334M пока нет отзывов. Вы можете стать первым покупателем, поделившимся своим мнением.