Поиск подшипника
Статьи
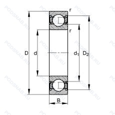
6302-2RSR — Подшипник однорядный шариковый радиальный, модификация основного исполнения 6302, выпускается производителями: FAG, KBC.
Размер подшипника: 15x42x13 мм.
Резиновые уплотнения с каждой стороны подшипника.
Альтернативное обозначение: 6302-2RS1, 6302-2RSH, 6302-C-2HRS.
Аналоги: 6302.2RSR.J22R FAG,6302-2RS Felstrom,6302DDU NSK,6302 2RS GMN Paul Müller Industrie,6302LLUCM/2A NTN,6302 2RS IBU Fiedler,6302 2RS BKB,6302 2RS STW,6302 2RS MGM,6302 2RS CFC,6302-2RS Bing Netherlands,6302-2RS STW,6302 2RS CX,6302 2RS MTK,6302 2RS ELW,6302 2RLD V2 Peer,6302 2RS LDI,6302 2RS Neutral.
Международная стандартизации ISO
63022RSR
В наличии
| Обозначение | Конструктивные изменения |
|---|---|
| 6302LLHC3/L412 | Внутренний зазор больше нормального. Манжетное уплотнение с обеих сторон подшипника. Nippon Oil U-4 Grease. |
| 6302LLB/2ASU1 | Уплотнение бесконтактного типа из синтетического каучука. Сепаратор из стали. LUBRICANT. SHELL OIL CO.. ALVANIA #2 GREASE. MIL-G-18709A. |
| 6302-2Z-C3-SQE | Внутренний зазор больше нормального. Защитные стальные шайбы с обеих сторон. |
| 6302-2Z-L069-C3 | Внутренний зазор больше нормального. Зазорные уплотнения с обеих сторон.. Insert Bearing Grease For Wide Temperature Range - Polycarbamide Ester Oil - –40°C to +180°C. |
| 6302 2RS VA | Резиновые уплотнения с каждой стороны подшипника. Нержавеющая сталь. |
| 6302ZR.C3 | Внутренний зазор больше нормального. Металлическое уплотнение с одной стороны. Радиальный тип. |
| 6302EEC3 | Внутренний зазор больше нормального. Резиновые уплотнения с каждой стороны подшипника. |
| W 6302-2RZ | Шарикоподшипник. С уплотнением и низким коэффициентом трения с обеих сторон. Уплотнение состоит из шайбы из листовой стали с вулканизированной резиной. Нержавеющая сталь. |
| 6302UU | Символ защиты от загрязнения. |
| 6302-2RU | Non Contact Type Friction Torque = Small High Speed Performance = Good Grease Sealing = Better Than ZZ-Type Dirt Resistance = Better Than ZZ-Type Water Resistance = Better Than ZZ / Inferior To 2RS Operating Temp. -30°C To + 100°C. |
| 6302-2NKE | Double Labyrinth Seal (Non Contact). |
| 6302-2NKE9 | Double Labyrinth Seal (Non Contact). |
| 6302NSE | Резиновое уплотнение с одной стороны. |
| 6302ZE | щит из листовой прессованной стали с одной стороны подшипника. |
| 6302-RS2 | Contact Seal Of Fluoro Rubber (FPM) With Sheet Steel Reinforcement On One Side Of The Bearing. |
| 6302T1X | Полиамидный фиксатор. |
| 6302VV | Защитные металлические шайбы. с обеих сторон подшипника. Бесконтактное уплотнение. (лучше. чем ZZ. Можно использовать в умеренно запыленной среде). |
| 6302LLUNR | Канавка и стопорное кольцо на наружном кольце. Двухкромочное нитриловое контактное уплотнение. |
| 6302LLBNR | Канавка и стопорное кольцо на наружном кольце. Бесконтактное нитриловое уплотнение. |
| 6302LLB | Уплотнение бесконтактного типа из синтетического каучука. |
| 6302LLH | Манжетное уплотнение с обеих сторон подшипника. |
| 6302-2RS NR C3 | Внутренний зазор больше нормального. Резиновые уплотнения с каждой стороны подшипника. Канавка под стопорное кольцо на наружном кольце с соответствующим стопорным кольцом. |
| 6302-2RSL | Sheet Steel Reinforced Low Friction Contact Seal Of Acrylonitrile-Butadiene Rubber (NBR) On Both Sides Of The Bearing. |
| 6302-RSL | Sheet Steel Reinforced Low Friction Contact Seal Of Acrylonitrile-Butadiene Rubber (NBR) On One Side Of The Bearing. |
| 6302E | Контактное уплотнение с одной стороны. |
Модификации шарикового подшипника 6302-2RSR — это измененное основное конструктивное исполнение 6302, основные размеры (15x42x13) не отличаются.
| Обозначение | Гост | Конструктивные особенности |
|---|---|---|
| SS6302 | ISO | Подшипник однорядный шариковый радиальный. |
| 1628 2RS | ISO | Резиновые уплотнения с каждой стороны подшипника. |
| 1628ZZ | ISO | Защитные металлические шайбы с обеих сторон. |
| 1628DCTN | ISO | Отлитый под давлением защелкивающийся сепаратор из полиамида. Центрированные тела качения. Резиновые уплотнения с каждой стороны подшипника. |
| 1628DC | ISO | Резиновые уплотнения с каждой стороны подшипника. |
| TMB202LLB C3/L260 | ISO | Внутренний зазор больше нормального. Уплотнение бесконтактного типа из синтетического каучука. Grease Code. |
| 1628DSTN | ISO | Отлитый под давлением защелкивающийся сепаратор из полиамида. Центрированные тела качения. Защитная металлическая шайба с двух сторон подшипника. |
| 302 | ISO | Подшипник однорядный шариковый радиальный. |
| 440146C | ISO | Внутренние изменения в конструкции. |
| CARGO: 140443 | ISO | Подшипник однорядный шариковый радиальный. |
| 140443 | ISO | Подшипник однорядный шариковый радиальный. |
| 22610-88 | ISO | Two Synthetic Contact Seals. |
| 302ZZ | ISO | Защитные металлические шайбы с обеих сторон. |
| 302KD | ISO | Компоненты с покрытием Protect A имеют суффикс - KD. Protect A - это покрытие из чистого хрома с колончатой структурой поверхности. При использовании Protect A каретки с покрытием и направляющие с покрытием должны всегда комбинироваться. Если каретки с покрытием используются с направляющими без покрытия. например. это приведет к уменьшению преднатяга.. |
| 1628 2RST | ISO | Double Trash Seal. (See LMS Bearings Inc.). |
| TMB202 | ISO | Механически обработанный латунный сепаратор .Расположенный на элементах качения. |
| TMB202ZZCM/5K | ISO | Два боковых защитных уплотнения. Шариковый подшипник. Специальный радиальный внутренний зазор для электродвигателей. Grease/ Kyodo Yushi / Multemp SRL (-40°C to +150°C). |
| E2.6302-2Z/C3 | ISO | Внутренний зазор больше нормального. Защитные металлические шайбы с обеих сторон подшипника. |
| 617014MB/C3 | ISO | Внутренний зазор больше нормального. сепаратор из латуни. центрированный по внутреннему кольцу. |
| 440146CC | ISO | Enhanced Ball Guidance. One Snap Ring Groove 3.2 mm Width And One Snap Ring Groove 6.5 mm Width. |
Аналог шарикового подшипника 6302-2RSR — это подшипник такого же размера dx15,Dx42,Bx13, типа и конструкции.
| Обозначение | Конструктивные особенности | Внутренний (d) | Наружный (D) | Ширина (B) |
|---|---|---|---|---|
| 45-302 БТ2 | Шариковый радиальный однорядный подшипник. 200°. Температура отпуска. Сепаратор из безоловянистой бронзы.. | 15.00 | 42.00 | 13.00 |
| 46-302 Б2Т2 | Шариковый радиальный однорядный подшипник. 200°. Температура отпуска. Сепаратор из безоловянистой бронзы.. | 15.00 | 42.00 | 13.00 |
| 46302К | Шариковый радиально-упорный однорядный подшипник. «Замок» (скос) на внутреннем кольце плюс массивный сепаратор из текстолита. | 15.00 | 42.00 | 13.00 |
| 5-302 Б | Шариковый радиальный однорядный подшипник. Сепаратор из безоловянистой бронзы.. | 15.00 | 42.00 | 13.00 |
| 5-302 ЕТ8Ш2 | Шариковый радиальный однорядный подшипник. Сепаратор из текстолита.. Нормы шумности. Специальный режим термообработки деталей подшипника. | 15.00 | 42.00 | 13.00 |
| 5-302 ЕШ2 | Шариковый радиальный однорядный подшипник. Сепаратор из текстолита.. Нормы шумности. | 15.00 | 42.00 | 13.00 |
| 5-36302 Е | Шариковый радиально-упорный однорядный подшипник. Сепаратор из текстолита.. | 15.00 | 42.00 | 13.00 |
| 6-12302 Б1 | Роликовый радиальный однорядный подшипник. Сепаратор из безоловянистой бронзы.. | 15.00 | 42.00 | 13.00 |
| 6-180302 С24 | Шариковый радиальный однорядный подшипник. Смазка СЭДА. | 15.00 | 42.00 | 13.00 |
| 6-180302 С9 | Шариковый радиальный однорядный подшипник. Смазка ЛЗ-31. | 15.00 | 42.00 | 13.00 |
| 6-180302 У2 | Шариковый радиальный однорядный подшипник. Дополнительные технические требования. | 15.00 | 42.00 | 13.00 |
| 6-180302 У2С24 | Шариковый радиальный однорядный подшипник. Дополнительные технические требования. Смазка СЭДА. | 15.00 | 42.00 | 13.00 |
| 6-180302 У2С24Ш1 | Шариковый радиальный однорядный подшипник. Нормы шумности. Дополнительные технические требования. Смазка СЭДА. | 15.00 | 42.00 | 13.00 |
| 6-180302 У2С9 | Шариковый радиальный однорядный подшипник. Дополнительные технические требования. Смазка ЛЗ-31. | 15.00 | 42.00 | 13.00 |
| 6-180302 У4С9 | Шариковый радиальный однорядный подшипник. Дополнительные технические требования. Смазка ЛЗ-31. | 15.00 | 42.00 | 13.00 |
Способы доставки
Отправка через ведущие транспортные и курьерские компании: ПЭК, Деловые Линии, СДЭК, Байкал-Сервис, Энергия, КИТ, ЖелДорЭкспедиция.
Самовывоз возможен напрямую со склада в Москве.
Сроки доставки
Срок зависит от региона и выбранной транспортной компании. Все заказы комплектуются и отправляются в кратчайшие сроки со склада в Москве.
Надёжность и сохранность
Вся продукция упаковывается с учётом требований транспортировки. Мы гарантируем, что подшипники и комплектующие прибудут к заказчику в полной сохранности.
Доставка в страны ЕАЭС
Мы работаем с проверенными логистическими партнёрами, что позволяет оперативно доставлять заказы в Беларусь, Казахстан, Армению и другие страны ЕАЭС.
Варианты оплаты:
Минимальная сумма заказа и скидки:
Документы и гарантии:
Да, конечно! Наши технические специалисты готовы помочь вам с подбором точного аналога или замены подшипника. Просто позвоните нам по телефону +7 (495) 104-99-04 или напишите на почту zakaz@podsnab.ru.
Для оперативной консультации подготовьте, пожалуйста, имеющиеся данные: маркировку, размеры, тип оборудования или артикул старого подшипника.
Да, конечно! Мы высоко ценим долгосрочное сотрудничество и доверие клиентов по всей России. Для постоянных клиентов действует персональная система скидок.
Условия формируются индивидуально и зависят от:
Чтобы узнать свои условия и получить максимально выгодное предложение, свяжитесь с персональным менеджером или напишите нам на почту zakaz@podsnab.ru.
Вы можете оформить заказ несколькими способами:
Для оформления заказа от юридического лица свяжитесь с нашим отделом по работе с корпоративными клиентами по телефону +7 (495) 104-99-04 или напишите на email zakaz@podsnab.ru, прикрепив реквизиты вашей организации.
Мы оперативно подготовим коммерческое предложение и выставим счет.
Возврат товара надлежащего качества возможен в течение 10 дней с момента получения, если товар не был в употреблении, сохранен товарный вид, упаковка не вскрывалась и присутствуют все сопроводительные документы.
Возврат денежных средств осуществляется в течение 10 рабочих дней после проверки товара складом.
В соответствии с законодательством возврату не подлежат подшипники надлежащего качества, если отсутствует оригинальная упаковка или имеются следы монтажа.
В случае выявления брака или гарантийного случая мы гарантируем возврат или обмен товара.
Да, гарантийный срок хранения устанавливается заводом-изготовителем и в среднем составляет 2 года при соблюдении условий хранения: сухое помещение, оригинальная упаковка и смазка.
Точный срок для конкретного типа подшипника уточняйте у наших менеджеров.
Пн–Пт: с 8:00 до 17:00 (МСК).
Сб–Вс: выходные дни.
Заказы на сайте принимаются круглосуточно. Заявки, поступившие после окончания рабочего дня, обрабатываются на следующий рабочий день.
Минимальная сумма заказа для доставки составляет 3000 рублей. Самовывоз со склада возможен на любую сумму при наличии товара.
ООО «УралТехГрупп»
ИНН: 7415093830
КПП: 772401001
ОГРН: 1167456069021
Банк: ПАО Сбербанк
Р/с: 40702810838000475273
К/с: 30101810400000000225
БИК: 044525225
У подшипника 6302-2RSR пока нет отзывов. Вы можете стать первым покупателем, поделившимся своим мнением.