Поиск подшипника
Статьи
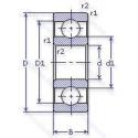
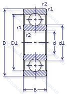
6064M — Подшипник однорядный шариковый радиальный, модификация основного исполнения 6064, выпускается производителями: FAG, ISB, NKE, NSK, SKF.
Размер подшипника: 320x480x74 мм.
Твердый латунный сепаратор с шариковой направляющей.
Аналоги: 6064M FAG,6064M SKF.
Международная стандартизации ISO
6064M
В наличии
| Обозначение | Конструктивные изменения |
|---|---|
| 6064-M-C3 | Внутренний зазор больше нормального. Подшипник с латунным сепаратором. центрированный по телам качения. |
| 6064MB | сепаратор из латуни. центрированный по внутреннему кольцу. |
| 6064 | Подшипник однорядный шариковый радиальный. Основное конструктивное исполнение. |
| 6064M.P6 | Твердый латунный сепаратор. Шариковые направляющие. Размерные и геометрические допуски соответствуют классу точности P6. |
| 6064MRC3U303 | Внутренний зазор больше нормального. Код U303 в артикуле подшипника NSK показывает. что он был специально разработан и произведен для использования в ветроэнергетике. Эти подшипники для ветряных турбин изготовлены из высококлассной высокочистой подшипниковой стали и специальных сталей. используемых исключительно компанией NSK. Они также собираются на отдельных производственных участках и подлежат специальной упаковке. что предотвращает загрязнение.. Обработанный латунный сепаратор с роликовыми направляющими. |
| 6064M/CNL | Механически обработанный латунный сепаратор. центрируемый по шарикам. Разные конструкции или материалы обозначаются цифрой после буквы М. например. М2. Нижняя половина нормального зазора. |
| 6064M P63 A | значение этого символа. прикрепленного к базовому коду. специально не зафиксировано. Они используются в соответствии с требованиями к выявлению изменений конструкции подшипника и определенным конструктивным особенностям. Также их можно совмещать между собой. Механически обработанный латунный сепаратор .Расположенный на элементах качения. Комбинация P6 (Точность размеров и хода соответствует классу допуска ISO 6 (лучше. чем обычный)) и C3 (внутренний зазор больше нормы). |
| 6064MB C3 N1 | Внутренний зазор больше нормального. Механически обработанный латунный сепаратор. направляющий по внутреннему кольцу. Один фиксирующий паз на внешней боковой поверхности кольца (чтобы можно было использовать упор для предотвращения вращения кольца). |
| 6064MBS C3 N1 | Внутренний зазор больше нормального. Один фиксирующий паз на внешней боковой поверхности кольца (чтобы можно было использовать упор для предотвращения вращения кольца). Механически обработанный латунный сепаратор. Направляющие внутреннего кольца. Со смазочными канавками на направляющих поверхностях. |
| 6064-N1-MB-C3 | Внутренний зазор больше нормального. Механически обработанный латунный сепаратор. клёпаный. центрируемый по внутреннему кольцу. Один установочный паз на внешней кромке наружного кольца (для радиального расположения подшипника). |
| NNU 6064 M | Подшипник с латунным сепаратором. центрированный по телам качения. Двухрядный цилиндрический роликовый подшипник. |
Модификации шарикового подшипника 6064M — это измененное основное конструктивное исполнение 6064, основные размеры (320x480x74) не отличаются.
| Обозначение | Конструктивные особенности | Внутренний (d) | Наружный (D) | Ширина (B) |
|---|---|---|---|---|
| NU1064-M6 | Роликовый радиальный однорядный подшипник. 20-28 UM (C3 & C4). | 320.00 | 480.00 | 74.00 |
| NU1064-M6+HJ1064 | Роликовый радиальный однорядный подшипник. 20-28 UM (C3 & C4). | 320.00 | 480.00 | 74.00 |
| NU1064-MA6+HJ1064 | Роликовый радиальный однорядный подшипник. Изготовленный из двух частей латунный сепаратор. Центрирование по внешнему кольцу. Различные конструкции или сорта материалов обозначаются цифрой или буквой.. | 320.00 | 480.00 | 74.00 |
| NU1064-M6E-MA6 | Роликовый радиальный однорядный подшипник. Изготовленный из двух частей латунный сепаратор. Центрирование по внешнему кольцу. Различные конструкции или сорта материалов обозначаются цифрой или буквой.. | 320.00 | 480.00 | 74.00 |
| 46164-Л | Шариковый радиально-упорный однорядный подшипник. Сепаратор из латуни.. | 320.00 | 480.00 | 74.00 |
| 7064B | Шариковый радиально-упорный однорядный подшипник. Угол контакта 40 градусов. | 320.00 | 480.00 | 74.00 |
| QJ1064 | Шариковый радиально-упорный однорядный подшипник. Штампованный сепаратор из стального листа. Шариковый подшипник с четырех-точечным контактом. | 320.00 | 480.00 | 74.00 |
| QJ 1064 MA | Шариковый радиальный подшипник. Механически обработанный латунный сепаратор. Центрирование по внешнему кольцу. Шариковый подшипник с четырехточечным контактом. | 320.00 | 480.00 | 74.00 |
| 6-164 АЛШ1 | Шариковый радиальный однорядный подшипник. Сепаратор из латуни.. Повышенная грузоподъемность. Нормы шумности. | 320.00 | 480.00 | 74.00 |
| 6-164 АЛШ | Шариковый радиальный однорядный подшипник. Сепаратор из латуни.. Повышенная грузоподъемность. Нормы шумности. | 320.00 | 480.00 | 74.00 |
| 9164K | Шариковый радиальный однорядный подшипник. Коническое отверстие. Конусность 1/12. | 320.00 | 480.00 | 74.00 |
| 164-АЛ | Шариковый радиальный однорядный подшипник. Сепаратор из латуни.. Повышенная грузоподъемность. | 320.00 | 480.00 | 74.00 |
| 164-Л | Шариковый радиальный однорядный подшипник. Сепаратор из латуни.. | 320.00 | 480.00 | 74.00 |
| 5-46164 Л | Шариковый радиально-упорный однорядный подшипник. Сепаратор из латуни.. | 320.00 | 480.00 | 74.00 |
| 6-132164 Х | Роликовый радиальный цилиндрический однорядный подшипник. Кольца и тела качения или только кольца (в том числе одно кольцо) из цементируемой стали.. | 320.00 | 480.00 | 74.00 |
Способы доставки
Отправка через ведущие транспортные и курьерские компании: ПЭК, Деловые Линии, СДЭК, Байкал-Сервис, Энергия, КИТ, ЖелДорЭкспедиция.
Самовывоз возможен напрямую со склада в Москве.
Сроки доставки
Срок зависит от региона и выбранной транспортной компании. Все заказы комплектуются и отправляются в кратчайшие сроки со склада в Москве.
Надёжность и сохранность
Вся продукция упаковывается с учётом требований транспортировки. Мы гарантируем, что подшипники и комплектующие прибудут к заказчику в полной сохранности.
Доставка в страны ЕАЭС
Мы работаем с проверенными логистическими партнёрами, что позволяет оперативно доставлять заказы в Беларусь, Казахстан, Армению и другие страны ЕАЭС.
Варианты оплаты:
Минимальная сумма заказа и скидки:
Документы и гарантии:
Да, конечно! Наши технические специалисты готовы помочь вам с подбором точного аналога или замены подшипника. Просто позвоните нам по телефону +7 (495) 104-99-04 или напишите на почту zakaz@podsnab.ru.
Для оперативной консультации подготовьте, пожалуйста, имеющиеся данные: маркировку, размеры, тип оборудования или артикул старого подшипника.
Да, конечно! Мы высоко ценим долгосрочное сотрудничество и доверие клиентов по всей России. Для постоянных клиентов действует персональная система скидок.
Условия формируются индивидуально и зависят от:
Чтобы узнать свои условия и получить максимально выгодное предложение, свяжитесь с персональным менеджером или напишите нам на почту zakaz@podsnab.ru.
Вы можете оформить заказ несколькими способами:
Для оформления заказа от юридического лица свяжитесь с нашим отделом по работе с корпоративными клиентами по телефону +7 (495) 104-99-04 или напишите на email zakaz@podsnab.ru, прикрепив реквизиты вашей организации.
Мы оперативно подготовим коммерческое предложение и выставим счет.
Возврат товара надлежащего качества возможен в течение 10 дней с момента получения, если товар не был в употреблении, сохранен товарный вид, упаковка не вскрывалась и присутствуют все сопроводительные документы.
Возврат денежных средств осуществляется в течение 10 рабочих дней после проверки товара складом.
В соответствии с законодательством возврату не подлежат подшипники надлежащего качества, если отсутствует оригинальная упаковка или имеются следы монтажа.
В случае выявления брака или гарантийного случая мы гарантируем возврат или обмен товара.
Да, гарантийный срок хранения устанавливается заводом-изготовителем и в среднем составляет 2 года при соблюдении условий хранения: сухое помещение, оригинальная упаковка и смазка.
Точный срок для конкретного типа подшипника уточняйте у наших менеджеров.
Пн–Пт: с 8:00 до 17:00 (МСК).
Сб–Вс: выходные дни.
Заказы на сайте принимаются круглосуточно. Заявки, поступившие после окончания рабочего дня, обрабатываются на следующий рабочий день.
Минимальная сумма заказа для доставки составляет 3000 рублей. Самовывоз со склада возможен на любую сумму при наличии товара.
ООО «УралТехГрупп»
ИНН: 7415093830
КПП: 772401001
ОГРН: 1167456069021
Банк: ПАО Сбербанк
Р/с: 40702810838000475273
К/с: 30101810400000000225
БИК: 044525225
У подшипника 6064M пока нет отзывов. Вы можете стать первым покупателем, поделившимся своим мнением.