Поиск подшипника
Статьи
6036-MA-C3 — Подшипник однорядный шариковый радиальный, модификация основного исполнения 6036, выпускается производителями: FAG, NSK.
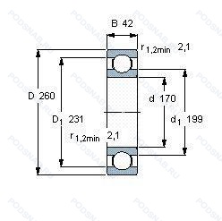
Размер подшипника: 180x280x46 мм.
Внутренний зазор больше нормального, механически обработанный латунный сепаратор. центрирование по внешнему кольцу.
Международная стандартизации ISO
6036MAC3
В наличии
| Обозначение | Конструктивные изменения |
|---|---|
| 6036.1YD C3 | Внутренний зазор больше нормального. Special Diameter Raceway. |
| 6036MB/C3 | Внутренний зазор больше нормального. Механически обработанный латунный сепаратор. Центрированное внутреннее кольцо. |
| 6036U/35K | Non Contact Seal. |
| 6036-M-J20AA-R170-200 | Твердый латунный сепаратор. Шариковые направляющие. Электроизоляция. наружное кольцо с керамическим покрытием. Radial Clearance In µm. |
| 6036FY | Обработанный латунный сепаратор. |
| 6036U1 | Сепаратор из стали. |
| 6036C3U1 | Внутренний зазор больше нормального. Сепаратор из стали. |
| 6036M1 | Механически обработанный латунный сепаратор. Направляющий роликовый элемент. |
| 6036LLU/2AS | Резиновые уплотнения с каждой стороны подшипника. LUBRICANT. SHELL OIL CO.. ALVANIA #2 GREASE. MIL-G-18709A. |
| 6036M.P62 | Твердый латунный сепаратор. Шариковые направляющие. Сочетание P6 (размерная точность и точность хода в соответствии с классом допуска ISO 6 (лучше. чем обычно)) и C2 (внутренний зазор подшипника меньше. чем обычно). |
| 6036-MA-C4 | Внутренний зазор подшипника больше. чем C3. Механически обработанный латунный сепаратор. Центрирование по внешнему кольцу. |
| 6036-MA | Механически обработанный латунный сепаратор. Центрирование по внешнему кольцу. |
| 6036M P63 A | значение этого символа. прикрепленного к базовому коду. специально не зафиксировано. Они используются в соответствии с требованиями к выявлению изменений конструкции подшипника и определенным конструктивным особенностям. Также их можно совмещать между собой. Механически обработанный латунный сепаратор .Расположенный на элементах качения. Комбинация P6 (Точность размеров и хода соответствует классу допуска ISO 6 (лучше. чем обычный)) и C3 (внутренний зазор больше нормы). |
| 6036M P64 A | значение этого символа. прикрепленного к базовому коду. специально не зафиксировано. Они используются в соответствии с требованиями к выявлению изменений конструкции подшипника и определенным конструктивным особенностям. Также их можно совмещать между собой. Механически обработанный латунный сепаратор .Расположенный на элементах качения. Комбинация P6 (Точность размеров и хода по классу допуска ISO 6 (лучше. чем нормальный)) и C4 (Внутренний зазор подшипника больше. чем C3). |
| 6036M J30 | Механически обработанный латунный сепаратор .Расположенный на элементах качения. Внутренний зазор больше нормального. |
| 6036C2 | Внутренний зазор подшипника меньше нормального. |
| 6036-M-J20AA | Твердый латунный сепаратор. Шариковые направляющие. Электроизоляция. наружное кольцо с керамическим покрытием. |
| NNU 6036 V | Бессепараторный подшипник. Двухрядный цилиндрический роликовый подшипник. |
| 6036-2RS | Резиновые уплотнения с каждой стороны подшипника. |
| 6036Z | Стальная шайба. |
| 6036-RS | Резиновое уплотнение с одной стороны. |
| 6036-2RU | Non Contact Type Friction Torque = Small High Speed Performance = Good Grease Sealing = Better Than ZZ-Type Dirt Resistance = Better Than ZZ-Type Water Resistance = Better Than ZZ / Inferior To 2RS Operating Temp. -30°C To + 100°C. |
| 6036ZX | Съемная защитная шайба с одной стороны. |
| 6036LLU | Контактное резиновое уплотнение с двух сторон. |
| 6036/1803 | Длина в мм. |
Модификации шарикового подшипника 6036-MA-C3 — это измененное основное конструктивное исполнение 6036, основные размеры (180x280x46) не отличаются.
| Обозначение | Гост | Конструктивные особенности |
|---|---|---|
| 3L36 | ISO | Подшипник однорядный шариковый радиальный. |
| 6-136 | ISO | Подшипник однорядный шариковый радиальный. |
Аналог шарикового подшипника 6036-MA-C3 — это подшипник такого же размера dx180,Dx280,Bx46, типа и конструкции.
| Обозначение | Конструктивные особенности | Внутренний (d) | Наружный (D) | Ширина (B) |
|---|---|---|---|---|
| 7036B | Шариковый радиально-упорный однорядный подшипник. Угол контакта 40°. | 180.00 | 280.00 | 46.00 |
| QJ 1036 | Шариковый радиально-упорный однорядный подшипник. Штампованный сепаратор из стального листа. Шариковый подшипник с четырех-точечным контактом. | 180.00 | 280.00 | 46.00 |
| 7036CPA | Шариковый радиально-упорный однорядный подшипник. Угол контакта 15 градусов. | 180.00 | 280.00 | 46.00 |
| 36136К6 | Шариковый радиально-упорный однорядный подшипник. «Замок» (скос) на внутреннем кольце. | 180.00 | 280.00 | 46.00 |
| 136-ЛW3 | Шариковый радиальный однорядный подшипник. Детали из вакуумированной стали.. Сепаратор из латуни.. | 180.00 | 280.00 | 46.00 |
| 6-136-АЛШ1 | Шариковый радиальный однорядный подшипник. Сепаратор из латуни.. Повышенная грузоподъемность. Нормы шумности. | 180.00 | 280.00 | 46.00 |
| 6-136-АЛШ | Шариковый радиальный однорядный подшипник. Сепаратор из латуни.. Повышенная грузоподъемность. Нормы шумности. | 180.00 | 280.00 | 46.00 |
| 6-32136-ЛМ | Роликовый радиальный однорядный подшипник. Сепаратор из латуни.. Модифицированный контакт.. | 180.00 | 280.00 | 46.00 |
| 70-136 Л | Шариковый радиальный однорядный подшипник. Сепаратор из латуни.. | 180.00 | 280.00 | 46.00 |
| 136-Л | Шариковый радиальный однорядный подшипник. Сепаратор из латуни.. | 180.00 | 280.00 | 46.00 |
| 2В0-136 Л | Шариковый радиальный однорядный подшипник. Сепаратор из латуни.. | 180.00 | 280.00 | 46.00 |
| BTM 180 BM/HCP4CDB | Шариковый упорно-радиальный двухрядный подшипник. | 180.00 | 280.00 | 45.00 |
| BTM 180 BM/P4CDB | Шариковый упорно-радиальный двухрядный подшипник. | 180.00 | 280.00 | 45.00 |
| 46136К | Шариковый радиально-упорный однорядный подшипник. «Замок» (скос) на внутреннем кольце плюс массивный сепаратор из текстолита. | 180.00 | 280.00 | 46.00 |
| 6-136-Л | Шариковый радиальный однорядный подшипник. Сепаратор из латуни.. | 180.00 | 280.00 | 46.00 |
Способы доставки
Отправка через ведущие транспортные и курьерские компании: ПЭК, Деловые Линии, СДЭК, Байкал-Сервис, Энергия, КИТ, ЖелДорЭкспедиция.
Самовывоз возможен напрямую со склада в Москве.
Сроки доставки
Срок зависит от региона и выбранной транспортной компании. Все заказы комплектуются и отправляются в кратчайшие сроки со склада в Москве.
Надёжность и сохранность
Вся продукция упаковывается с учётом требований транспортировки. Мы гарантируем, что подшипники и комплектующие прибудут к заказчику в полной сохранности.
Доставка в страны ЕАЭС
Мы работаем с проверенными логистическими партнёрами, что позволяет оперативно доставлять заказы в Беларусь, Казахстан, Армению и другие страны ЕАЭС.
Варианты оплаты:
Минимальная сумма заказа и скидки:
Документы и гарантии:
Да, конечно! Наши технические специалисты готовы помочь вам с подбором точного аналога или замены подшипника. Просто позвоните нам по телефону +7 (495) 104-99-04 или напишите на почту zakaz@podsnab.ru.
Для оперативной консультации подготовьте, пожалуйста, имеющиеся данные: маркировку, размеры, тип оборудования или артикул старого подшипника.
Да, конечно! Мы высоко ценим долгосрочное сотрудничество и доверие клиентов по всей России. Для постоянных клиентов действует персональная система скидок.
Условия формируются индивидуально и зависят от:
Чтобы узнать свои условия и получить максимально выгодное предложение, свяжитесь с персональным менеджером или напишите нам на почту zakaz@podsnab.ru.
Вы можете оформить заказ несколькими способами:
Для оформления заказа от юридического лица свяжитесь с нашим отделом по работе с корпоративными клиентами по телефону +7 (495) 104-99-04 или напишите на email zakaz@podsnab.ru, прикрепив реквизиты вашей организации.
Мы оперативно подготовим коммерческое предложение и выставим счет.
Возврат товара надлежащего качества возможен в течение 10 дней с момента получения, если товар не был в употреблении, сохранен товарный вид, упаковка не вскрывалась и присутствуют все сопроводительные документы.
Возврат денежных средств осуществляется в течение 10 рабочих дней после проверки товара складом.
В соответствии с законодательством возврату не подлежат подшипники надлежащего качества, если отсутствует оригинальная упаковка или имеются следы монтажа.
В случае выявления брака или гарантийного случая мы гарантируем возврат или обмен товара.
Да, гарантийный срок хранения устанавливается заводом-изготовителем и в среднем составляет 2 года при соблюдении условий хранения: сухое помещение, оригинальная упаковка и смазка.
Точный срок для конкретного типа подшипника уточняйте у наших менеджеров.
Пн–Пт: с 8:00 до 17:00 (МСК).
Сб–Вс: выходные дни.
Заказы на сайте принимаются круглосуточно. Заявки, поступившие после окончания рабочего дня, обрабатываются на следующий рабочий день.
Минимальная сумма заказа для доставки составляет 3000 рублей. Самовывоз со склада возможен на любую сумму при наличии товара.
ООО «УралТехГрупп»
ИНН: 7415093830
КПП: 772401001
ОГРН: 1167456069021
Банк: ПАО Сбербанк
Р/с: 40702810838000475273
К/с: 30101810400000000225
БИК: 044525225
У подшипника 6036-MA-C3 пока нет отзывов. Вы можете стать первым покупателем, поделившимся своим мнением.