Поиск подшипника
Статьи
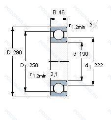
6038M/C3 — Подшипник однорядный шариковый радиальный, модификация основного исполнения 6038, выпускается производителями: FAG, RKB, SKF.
Размер подшипника: 190x290x46 мм.
Внутренний зазор больше нормального, подшипник с латунным сепаратором. центрированный по телам качения.
Аналоги: 6038-M-C3 FAG.
Международная стандартизации ISO
6038MC3
В наличии
| Обозначение | Конструктивные изменения |
|---|---|
| 6038-M-C4 | Внутренний зазор подшипника больше. чем C3. Подшипник с латунным сепаратором. центрированный по телам качения. |
| 6038-M-C2 | Внутренний зазор подшипника меньше нормального. Подшипник с латунным сепаратором. центрированный по телам качения. |
| 6038 | Подшипник однорядный шариковый радиальный. Основное конструктивное исполнение. |
| 6038C3 | Внутренний зазор больше нормального. |
| 6038M | Массивный латунный сепаратор. |
| 6038ZZ | Защитные металлические шайбы (бесконтактные уплотнения) с обеих сторон подшипника. |
| 6038M.P62 | Твердый латунный сепаратор. Шариковые направляющие. Сочетание P6 (размерная точность и точность хода в соответствии с классом допуска ISO 6 (лучше. чем обычно)) и C2 (внутренний зазор подшипника меньше. чем обычно). |
| 6038M/C4P62 | Внутренний зазор подшипника больше. чем C3. Механически обработанный латунный сепаратор. центрируемый по шарикам. Разные конструкции или материалы обозначаются цифрой после буквы М. например. М2. Сочетание P6 (размерная точность и точность хода в соответствии с классом допуска ISO 6 (лучше. чем обычно)) и C2 (внутренний зазор подшипника меньше. чем обычно). |
| 6038F.C4 | Внутренний зазор подшипника больше. чем C3. Обработанный механически стальной сепаратор. центрируемый по телам качения. |
| 6038C4 | Внутренний зазор подшипника больше. чем C3. |
| 6038A | Нет слотов для заполнения. |
| 6038ZZ C3/5K | Внутренний зазор больше нормального. Защитные стальные шайбы с обеих сторон. Grease/ Kyodo Yushi / Multemp SRL (-40°C to +150°C). |
| 6038U1 | Сепаратор из стали. |
| 6038MA.C3 | Внутренний зазор больше нормального. Механически обработанный латунный сепаратор. Центрирование по внешнему кольцу. |
| 6038M J30 | Механически обработанный латунный сепаратор .Расположенный на элементах качения. Внутренний зазор больше нормального. |
| NNU 6038 M | Подшипник с латунным сепаратором. центрированный по телам качения. Двухрядный цилиндрический роликовый подшипник. |
| NNU 6038 V | Бессепараторный подшипник. Двухрядный цилиндрический роликовый подшипник. |
| CRO-6038LL | Контактное. синтетические. резиновое уплотнение с двух сторон. |
| 6038-RS | Резиновое уплотнение с одной стороны. |
| 6038Z | Стальная шайба. |
| 6038-2RS | Резиновые уплотнения с каждой стороны подшипника. |
| 6038ZZX | Подшипник однорядный шариковый радиальный. |
| 6038ZX | Съемная защитная шайба с одной стороны. |
Модификации шарикового подшипника 6038M/C3 — это измененное основное конструктивное исполнение 6038, основные размеры (190x290x46) не отличаются.
| Обозначение | Конструктивные особенности | Внутренний (d) | Наружный (D) | Ширина (B) |
|---|---|---|---|---|
| 7038 CD/HCP4A | Шариковый радиально-упорный однорядный подшипник. Измененная или модифицированная внутренняя конструкция при неизменных основных размерах. Двухкомпонентный штампованный стальной сепаратор с направляющим кольцом. | 190.00 | 290.00 | 46.00 |
| 7038B | Шариковый радиально-упорный однорядный подшипник. Угол контакта 40°. | 190.00 | 290.00 | 46.00 |
| QJ 1038 | Шариковый радиально-упорный однорядный подшипник. Штампованный сепаратор из стального листа. Шариковый подшипник с четырех-точечным контактом. | 190.00 | 290.00 | 46.00 |
| 7038CPA | Шариковый радиально-упорный однорядный подшипник. Угол контакта 15 градусов. | 190.00 | 290.00 | 46.00 |
| 7038C | Шариковый радиально-упорный однорядный подшипник. Угол контакта 15°. | 190.00 | 290.00 | 46.00 |
| 6-138 АЛШ1 | Шариковый радиальный однорядный подшипник. Сепаратор из латуни.. Повышенная грузоподъемность. Нормы шумности. | 190.00 | 290.00 | 46.00 |
| 6-46138 Л | Шариковый радиально-упорный однорядный подшипник. Сепаратор из латуни.. | 190.00 | 290.00 | 46.00 |
| 6-950138 Л | Шариковый радиальный однорядный подшипник. Сепаратор из латуни.. | 190.00 | 290.00 | 46.00 |
| 7138М | Роликовый радиальный-упорный однорядный подшипник. Модифицированный контакт.. | 190.00 | 290.00 | 46.00 |
| 206190X/206290C | Роликовый радиальный-упорный однорядный подшипник. 15° Угол контакта. | 190.50 | 290.00 | 47.00 |
| 8-138-Л | Шариковый упорный однорядный подшипник. Сепаратор из латуни.. | 190.00 | 240.00 | 46.00 |
| 9138K | Шариковый радиальный однорядный подшипник. Коническое отверстие. Конусность 1/12. | 190.00 | 290.00 | 46.00 |
| 138-Л | Шариковый радиальный однорядный подшипник. Сепаратор из латуни.. | 190.00 | 290.00 | 46.00 |
| 46138К | Шариковый радиально-упорный однорядный подшипник. «Замок» (скос) на внутреннем кольце плюс массивный сепаратор из текстолита. | 190.00 | 290.00 | 46.00 |
| 6-138 Л | Шариковый радиальный однорядный подшипник. Сепаратор из латуни.. | 190.00 | 290.00 | 46.00 |
Способы доставки
Отправка через ведущие транспортные и курьерские компании: ПЭК, Деловые Линии, СДЭК, Байкал-Сервис, Энергия, КИТ, ЖелДорЭкспедиция.
Самовывоз возможен напрямую со склада в Москве.
Сроки доставки
Срок зависит от региона и выбранной транспортной компании. Все заказы комплектуются и отправляются в кратчайшие сроки со склада в Москве.
Надёжность и сохранность
Вся продукция упаковывается с учётом требований транспортировки. Мы гарантируем, что подшипники и комплектующие прибудут к заказчику в полной сохранности.
Доставка в страны ЕАЭС
Мы работаем с проверенными логистическими партнёрами, что позволяет оперативно доставлять заказы в Беларусь, Казахстан, Армению и другие страны ЕАЭС.
Варианты оплаты:
Минимальная сумма заказа и скидки:
Документы и гарантии:
Да, конечно! Наши технические специалисты готовы помочь вам с подбором точного аналога или замены подшипника. Просто позвоните нам по телефону +7 (495) 104-99-04 или напишите на почту zakaz@podsnab.ru.
Для оперативной консультации подготовьте, пожалуйста, имеющиеся данные: маркировку, размеры, тип оборудования или артикул старого подшипника.
Да, конечно! Мы высоко ценим долгосрочное сотрудничество и доверие клиентов по всей России. Для постоянных клиентов действует персональная система скидок.
Условия формируются индивидуально и зависят от:
Чтобы узнать свои условия и получить максимально выгодное предложение, свяжитесь с персональным менеджером или напишите нам на почту zakaz@podsnab.ru.
Вы можете оформить заказ несколькими способами:
Для оформления заказа от юридического лица свяжитесь с нашим отделом по работе с корпоративными клиентами по телефону +7 (495) 104-99-04 или напишите на email zakaz@podsnab.ru, прикрепив реквизиты вашей организации.
Мы оперативно подготовим коммерческое предложение и выставим счет.
Возврат товара надлежащего качества возможен в течение 10 дней с момента получения, если товар не был в употреблении, сохранен товарный вид, упаковка не вскрывалась и присутствуют все сопроводительные документы.
Возврат денежных средств осуществляется в течение 10 рабочих дней после проверки товара складом.
В соответствии с законодательством возврату не подлежат подшипники надлежащего качества, если отсутствует оригинальная упаковка или имеются следы монтажа.
В случае выявления брака или гарантийного случая мы гарантируем возврат или обмен товара.
Да, гарантийный срок хранения устанавливается заводом-изготовителем и в среднем составляет 2 года при соблюдении условий хранения: сухое помещение, оригинальная упаковка и смазка.
Точный срок для конкретного типа подшипника уточняйте у наших менеджеров.
Пн–Пт: с 8:00 до 17:00 (МСК).
Сб–Вс: выходные дни.
Заказы на сайте принимаются круглосуточно. Заявки, поступившие после окончания рабочего дня, обрабатываются на следующий рабочий день.
Минимальная сумма заказа для доставки составляет 3000 рублей. Самовывоз со склада возможен на любую сумму при наличии товара.
ООО «УралТехГрупп»
ИНН: 7415093830
КПП: 772401001
ОГРН: 1167456069021
Банк: ПАО Сбербанк
Р/с: 40702810838000475273
К/с: 30101810400000000225
БИК: 044525225
У подшипника 6038M/C3 пока нет отзывов. Вы можете стать первым покупателем, поделившимся своим мнением.