Поиск подшипника
Статьи
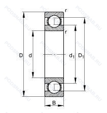
62204-2RS1/C3 — Подшипник однорядный шариковый радиальный, модификация основного исполнения 62204, выпускается производителями: AKN, SKF.
Размер подшипника: 20x47x18 мм.
Усиленные листовой сталью контактные уплотнения из акрилонитрил-бутадиенового каучука (nbr) с обеих сторон подшипника, внутренний зазор больше нормального.
Альтернативное обозначение: 62204EE J30.
Аналоги: 62204-A-2RSR-C3 FAG,62204-2RS1/C3 AKN.
Международная стандартизации ISO
622042RS1C3
В наличии
| Обозначение | Конструктивные изменения |
|---|---|
| 62204.2RSR | Резиновые уплотнения с каждой стороны подшипника. |
| 62204-2RS1/W64 | Усиленные листовой сталью контактные уплотнения из акрилонитрил-бутадиенового каучука (NBR) с обеих сторон подшипника. Антифрикционный заполнитель. твердая смазка. |
| 62204 | Подшипник однорядный шариковый радиальный. Основное конструктивное исполнение. |
| 62204 2RS | Контактные уплотнения типа RS с обеих сторон игольчатого роликоподшипника. |
| 62204-2RSR-HLM | Резиновые уплотнения с каждой стороны подшипника. Код местонахождения завода. может использоваться в стандартной комплектации. |
| 62204 2RS1 | Усиленные листовой сталью контактные уплотнения из акрилонитрил-бутадиенового каучука (NBR) с обеих сторон подшипника. |
| 62204 2RS C3 | Внутренний зазор больше нормального. Резиновые уплотнения с каждой стороны подшипника. |
| 62204-2RSR-C3 | Внутренний зазор больше нормального. Резиновые уплотнения с каждой стороны подшипника. |
| 62204-A-2RSR-C3 | Внутренний зазор больше нормального. Модификация внутренней конструкции. Резиновые уплотнения с каждой стороны подшипника. |
| 62204-A-2RSR | Модификация внутренней конструкции. Резиновые уплотнения с каждой стороны подшипника. |
| 62204EE | Резиновые уплотнения с каждой стороны подшипника. |
| 62204 2RS TN G3 | Резиновые уплотнения с каждой стороны подшипника. литой под давлением сепаратор из полиамида 6.6. центрированный роликовый элемент. Класс точности 3. |
| 62204EE J30 | Внутренний зазор больше нормального. Резиновые уплотнения с каждой стороны подшипника. |
Модификации шарикового подшипника 62204-2RS1/C3 — это измененное основное конструктивное исполнение 62204, основные размеры (20x47x18) не отличаются.
| Обозначение | Гост | Конструктивные особенности |
|---|---|---|
| 204KLL2 | ISO | Подшипник однорядный шариковый радиальный. |
| 4204 ATN | ISO | Подшипник однорядный шариковый радиальный. |
| 88504/2A | ISO | Двухрядный радиально-упорный шарикоподшипник без отверстия для смазки. |
| 501385 | ISO | Подшипник однорядный шариковый радиальный. |
| 532582 | ISO | Подшипник однорядный шариковый радиальный. |
| 88504NR | ISO | Канавка под стопорное кольцо на наружном кольце с соответствующим стопорным кольцом. |
| 180504K | ISO | Коническое отверстие. Конусность 1/12. |
Аналог шарикового подшипника 62204-2RS1/C3 — это подшипник такого же размера dx20,Dx47,Bx18, типа и конструкции.
| Обозначение | Конструктивные особенности | Внутренний (d) | Наружный (D) | Ширина (B) |
|---|---|---|---|---|
| 76-180504 КС9 | Шариковый радиальный однорядный подшипник. Смазка ЛЗ-31. | 20.00 | 47.00 | 18.00 |
| 76-180504 ЮТС15 | Шариковый радиальный однорядный подшипник. Температура отпуска. 160°. Все детали или часть деталей из нержавеющей стали.. Смазка ВНИИНП-207. | 20.00 | 47.00 | 18.00 |
| RAL013NPPB | Шариковый радиальный однорядный подшипник. Желоб под разрезное кольцо. | 20.64 | 47.00 | 17.46 |
| 180504-А | Шариковый радиальный однорядный подшипник. Повышенная грузоподъемность. | 20.00 | 47.00 | 18.00 |
| 180504-С1 | Шариковый радиальный однорядный подшипник. Смазка ОКБ 122-7. | 20.00 | 47.00 | 18.00 |
| 35-180504 Е1Т2С2 | Шариковый радиальный однорядный подшипник. Сепаратор из текстолита.. 200°. Смазка ЦИАТИМ-221. Температура отпуска. | 20.00 | 47.00 | 18.00 |
| 35-180504 ЕТ2С2 | Шариковый радиальный однорядный подшипник. Сепаратор из текстолита.. 200°. Смазка ЦИАТИМ-221. Температура отпуска. | 20.00 | 47.00 | 18.00 |
| 2204K+H304 | Шариковый сферический двухрядный подшипник. Коническое внутреннее отверстие. | 20.00 | 47.00 | 18.00 |
| 2204 TN9 | Шариковый сферический двухрядный подшипник. Литой защелкивающийся сепаратор из полиамида. армированного стекловолокном 6.6. | 20.00 | 47.00 | 18.00 |
| 2204SK | Шариковый сферический двухрядный подшипник. Кулачковый толкатель штифтового типа. С шестигранной головкой. Только для внутреннего и наружного колец. | 20.00 | 47.00 | 18.00 |
| 6-180504 АКС9 | Шариковый радиальный однорядный подшипник. Повышенная грузоподъемность. Смазка ЛЗ-31. | 20.00 | 47.00 | 18.00 |
| 6-180504 АС9 | Шариковый радиальный однорядный подшипник. Повышенная грузоподъемность. Смазка ЛЗ-31. | 20.00 | 47.00 | 18.00 |
| 6-180504 КС9Ш2У | Шариковый радиальный однорядный подшипник. Дополнительные технические требования. Нормы шумности. Смазка ЛЗ-31. | 20.00 | 47.00 | 18.00 |
| 6-180504 С9 | Шариковый радиальный однорядный подшипник. Смазка ЛЗ-31. | 20.00 | 47.00 | 18.00 |
| 6-180504 ЮТС2 | Шариковый радиальный однорядный подшипник. Температура отпуска. 160°. Все детали или часть деталей из нержавеющей стали.. Смазка ЦИАТИМ-221. | 20.00 | 47.00 | 18.00 |
Способы доставки
Отправка через ведущие транспортные и курьерские компании: ПЭК, Деловые Линии, СДЭК, Байкал-Сервис, Энергия, КИТ, ЖелДорЭкспедиция.
Самовывоз возможен напрямую со склада в Москве.
Сроки доставки
Срок зависит от региона и выбранной транспортной компании. Все заказы комплектуются и отправляются в кратчайшие сроки со склада в Москве.
Надёжность и сохранность
Вся продукция упаковывается с учётом требований транспортировки. Мы гарантируем, что подшипники и комплектующие прибудут к заказчику в полной сохранности.
Доставка в страны ЕАЭС
Мы работаем с проверенными логистическими партнёрами, что позволяет оперативно доставлять заказы в Беларусь, Казахстан, Армению и другие страны ЕАЭС.
Варианты оплаты:
Минимальная сумма заказа и скидки:
Документы и гарантии:
Да, конечно! Наши технические специалисты готовы помочь вам с подбором точного аналога или замены подшипника. Просто позвоните нам по телефону +7 (495) 104-99-04 или напишите на почту zakaz@podsnab.ru.
Для оперативной консультации подготовьте, пожалуйста, имеющиеся данные: маркировку, размеры, тип оборудования или артикул старого подшипника.
Да, конечно! Мы высоко ценим долгосрочное сотрудничество и доверие клиентов по всей России. Для постоянных клиентов действует персональная система скидок.
Условия формируются индивидуально и зависят от:
Чтобы узнать свои условия и получить максимально выгодное предложение, свяжитесь с персональным менеджером или напишите нам на почту zakaz@podsnab.ru.
Вы можете оформить заказ несколькими способами:
Для оформления заказа от юридического лица свяжитесь с нашим отделом по работе с корпоративными клиентами по телефону +7 (495) 104-99-04 или напишите на email zakaz@podsnab.ru, прикрепив реквизиты вашей организации.
Мы оперативно подготовим коммерческое предложение и выставим счет.
Возврат товара надлежащего качества возможен в течение 10 дней с момента получения, если товар не был в употреблении, сохранен товарный вид, упаковка не вскрывалась и присутствуют все сопроводительные документы.
Возврат денежных средств осуществляется в течение 10 рабочих дней после проверки товара складом.
В соответствии с законодательством возврату не подлежат подшипники надлежащего качества, если отсутствует оригинальная упаковка или имеются следы монтажа.
В случае выявления брака или гарантийного случая мы гарантируем возврат или обмен товара.
Да, гарантийный срок хранения устанавливается заводом-изготовителем и в среднем составляет 2 года при соблюдении условий хранения: сухое помещение, оригинальная упаковка и смазка.
Точный срок для конкретного типа подшипника уточняйте у наших менеджеров.
Пн–Пт: с 8:00 до 17:00 (МСК).
Сб–Вс: выходные дни.
Заказы на сайте принимаются круглосуточно. Заявки, поступившие после окончания рабочего дня, обрабатываются на следующий рабочий день.
Минимальная сумма заказа для доставки составляет 3000 рублей. Самовывоз со склада возможен на любую сумму при наличии товара.
ООО «УралТехГрупп»
ИНН: 7415093830
КПП: 772401001
ОГРН: 1167456069021
Банк: ПАО Сбербанк
Р/с: 40702810838000475273
К/с: 30101810400000000225
БИК: 044525225
У подшипника 62204-2RS1/C3 пока нет отзывов. Вы можете стать первым покупателем, поделившимся своим мнением.