Поиск подшипника
Статьи
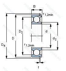
207NR — Подшипник однорядный шариковый радиальный, модификация основного исполнения 207, выпускается производителями: GMN, SKF.
Размер подшипника: 35x72x17 мм.
Канавка под стопорное кольцо на наружном кольце с соответствующим стопорным кольцом.
Международная стандартизации ISO
207NR
В наличии
| Обозначение | Конструктивные изменения |
|---|---|
| E 207/NS 7CE1 | Очень высокая грузоподъемность.. Шарики из нитрида кремния Si3N4 (гибридные подшипники). Керамические шарики. |
| E 207 7CE3 | Очень высокая грузоподъемность.. |
| E 207 7CE1 | Очень высокая грузоподъемность.. |
| E 207/S 7CE3 | Запечатанная версия кулачкового ролика. Очень высокая грузоподъемность.. |
| E 207/S/NS 7CE1 | Запечатанная версия кулачкового ролика. Очень высокая грузоподъемность.. Шарики из нитрида кремния Si3N4 (гибридные подшипники). Керамические шарики. |
| E 207/NS 7CE3 | Очень высокая грузоподъемность.. Шарики из нитрида кремния Si3N4 (гибридные подшипники). Керамические шарики. |
| E 207/S 7CE1 | Запечатанная версия кулачкового ролика. Очень высокая грузоподъемность.. |
| RIS 207 A | Измененная или модифицированная внутренняя конструкция при неизменных основных размерах. |
| YAR 207-106-2FW/VA201 | Измененная или модифицированная внутренняя конструкция при неизменных основных размерах. Стандартное контактное уплотнение с дополнительным плоским маслоотражателем на обеих сторонах подшипника без смазочных отверстий в наружном кольце. Подшипник для высокотемпературных применений (например. печных тележек). Подшипник подвергается специальным испытаниям на шум. |
| YAR 207-106-2FW/VA228 | Измененная или модифицированная внутренняя конструкция при неизменных основных размерах. Подшипник для работы при высоких температурах (+350℃). Стандартное контактное уплотнение с дополнительным плоским маслоотражателем на обеих сторонах подшипника без смазочных отверстий в наружном кольце. Подшипник подвергается специальным испытаниям на шум. |
| YARAG 207-106 | Подшипник подвергается специальным испытаниям на шум. |
| YARAG 207-104 | 1.1/4. |
| YSP 207-107 SB-2F | Стандартное контактное уплотнение с дополнительным маслоотражательным кольцом с обеих сторон. Double Row. Angular Contact. Non-Filling Notch Bearing. With Outwardly Convergent Угол контактаs. Rigid Design. 1.7/16. |
| YSP 207-104 SB-2F | Стандартное контактное уплотнение с дополнительным маслоотражательным кольцом с обеих сторон. 1.1/4. Double Row. Angular Contact. Non-Filling Notch Bearing. With Outwardly Convergent Угол контактаs. Rigid Design. |
| YSA 207-2FK + H 2307 | Pressed Snap-Type Steel Cage. Hardened. |
| YSP 207-106 SB-2F | Стандартное контактное уплотнение с дополнительным маслоотражательным кольцом с обеих сторон. Double Row. Angular Contact. Non-Filling Notch Bearing. With Outwardly Convergent Угол контактаs. Rigid Design. Подшипник подвергается специальным испытаниям на шум. |
| YSP 207 SB-2F | Стандартное контактное уплотнение с дополнительным маслоотражательным кольцом с обеих сторон. Double Row. Angular Contact. Non-Filling Notch Bearing. With Outwardly Convergent Угол контактаs. Rigid Design. |
| BB1-0207B | Конический роликовый подшипник. Угол контакта 20 градусов. |
| BSA 207 C | 15° Угол контакта. |
| FBSA 207/QBC | Четыре подшипника в O-образной компоновке. |
| FBSA 207/DB | Two Single Row Deep Groove Ball Bearings. Single Row Angular Contact Ball Bearings Or Single Row Tapered Roller Bearings Matched For Mounting In A Back-To-Back Arrangement. |
| FBSA 207/DF | Комплект из двух подшипников. согласованных для установки по Х-образной схеме. Число. следующее непосредственно после букв DF. обозначает конструкцию промежуточного кольца. |
| BSA 207 CG | Резьбовой винт со стопором и защелкой. |
| BSA 207 CG-2RZ | Шарикоподшипник. С уплотнением и низким коэффициентом трения с обеих сторон. Уплотнение состоит из шайбы из листовой стали с вулканизированной резиной. Резьбовой винт со стопором и защелкой. |
| N 207 ECM | Однорядный цилиндрический роликовый подшипник. |
Модификации шарикового подшипника 207NR — это измененное основное конструктивное исполнение 207, основные размеры (35x72x17) не отличаются.
| Обозначение | Гост | Конструктивные особенности |
|---|---|---|
| 6207-2RSR-L100-C3 | ISO | Внутренний зазор больше нормального. Резиновые уплотнения с каждой стороны подшипника. High/Low Temperature Grease -40°C/+160°C. |
| 6207ZZ C3 FG | ISO | Внутренний зазор больше нормального. Защитные металлические шайбы с обеих сторон. Формованный сепаратор из полиамида. усиленного стекловолокном. |
| 6207.2ZR.HT3 | ISO | Защитные металлические шайбы с обеих сторон. Extremely High Temperature. |
| 6207DU C4 | ISO | Внутренний зазор подшипника больше. чем C3. Резиновое уплотнение с одной стороны. |
| 6207+6 | ISO | Exxon Aviation Instrument Oil. |
| 6207-2Z-L038-C3 | ISO | Внутренний зазор больше нормального. Защитные металлические шайбы с обеих сторон. Arcanol Grease Medium Temperature -25°C/+130°C. |
| 6207.2RSR.C3.L100 | ISO | Внутренний зазор больше нормального. Резиновые уплотнения с каждой стороны подшипника. High/Low Temperature Grease -40°C/+160°C. |
| 6207/C2QE6 | ISO | Внутренний зазор подшипника меньше нормального. Тихая работа. |
| 6207.2RS.P5 | ISO | Резиновые уплотнения с каждой стороны подшипника. Размерная и рабочая точность соответствует классу допуска ISO 5. |
| 6207DDUC3 | ISO | Внутренний зазор больше нормального. Резиновые уплотнения с каждой стороны подшипника. |
| 6207.EEA50 | ISO | Шарикоподшипник с защитной или уплотненной обоймой с сепаратором из штампованной стали. Резиновые уплотнения с каждой стороны подшипника. |
| 6207EEC3 | ISO | Резиновые уплотнения с каждой стороны подшипника. |
| 6207LLBCM/5K | ISO | Уплотнение бесконтактного типа из синтетического каучука. Шариковый подшипник. Специальный радиальный внутренний зазор для электродвигателей. Grease/ Kyodo Yushi / Multemp SRL (-40°C to +150°C). |
| 6207TN9 | ISO | Литой сепаратор из полиамида 6.6. армированного стекловолокном. Элемент качения по центру. |
| 6207K.2RSR | ISO | Коническое отверстие. Конусность 1/12. Резиновые уплотнения с каждой стороны подшипника. |
| 6207DDUC4E | ISO | Внутренний зазор подшипника больше. чем C3. Шарикоподшипник. Однорядный электродвигатель. Уровень шума. Резиновые уплотнения с каждой стороны подшипника. |
| 6207DDUC4E EA5S | ISO | Стандартное заполнение. Внутренний зазор подшипника больше. чем C3. Шарикоподшипник. Однорядный электродвигатель. Уровень шума. Резиновые уплотнения с каждой стороны подшипника. Working Temperature Range/ -40°C / +160°C. |
| /SI/6207ZZCG28E/EEMS | ISO | Стандартное заполнение. Стальное уплотнение с двух сторон подшипника. Exxon-Mobil Polyrex EM. Специальный радиальный зазор. |
| 6207DDWC3EU83UG27 TU3 | ISO | Внутренний зазор больше нормального. Шарикоподшипник. Однорядный электродвигатель. Уровень шума. Двойное резиновые уплотнения со сверхлегким контактов. метрические радиальные шарикоподшипники малого диаметра. |
| /SI/6207T85BLVV-01 HA | ISO | Стандартное заполнение. Защитные металлические шайбы. с обеих сторон подшипника. Бесконтактное уплотнение. (лучше. чем ZZ. Можно использовать в умеренно запыленной среде). Single row radial ball bearing - with filling slots and maximum load capacity. Сепаратор из полиамида 46 (лучше. чем прежний суффикс TN). |
Аналог шарикового подшипника 207NR — это подшипник такого же размера dx35,Dx72,Bx17, типа и конструкции.
| Обозначение | Конструктивные особенности | Внутренний (d) | Наружный (D) | Ширина (B) |
|---|---|---|---|---|
| 5-46207 Е | Шариковый радиально-упорный однорядный подшипник. Сепаратор из текстолита.. | 35.00 | 72.00 | 17.00 |
| 5-46207 Е3 | Шариковый радиально-упорный однорядный подшипник. Сепаратор из пластических материалов.. | 35.00 | 72.00 | 17.00 |
| 5-46207 Е5 | Шариковый радиально-упорный однорядный подшипник. Сепаратор из текстолита.. | 35.00 | 72.00 | 17.00 |
| 5-46207 К | Шариковый радиально-упорный однорядный подшипник. «Замок» (скос) на внутреннем кольце плюс массивный сепаратор из текстолита. | 35.00 | 72.00 | 17.00 |
| 5-60207 А | Шариковый радиальный однорядный подшипник. Повышенная грузоподъемность. | 35.00 | 72.00 | 17.00 |
| 5-66207 Е | Шариковый радиально-упорный однорядный подшипник. Сепаратор из текстолита.. | 35.00 | 72.00 | 17.00 |
| 502207-КМ | Роликовый радиальный однорядный подшипник. Кольцевая проточка на середине цилиндрической наружной поверхности наружного кольца плюс три отверстия для смазки. Модифицированный контакт.. | 35.00 | 72.00 | 17.00 |
| 50207-А | Шариковый радиальный однорядный подшипник. Повышенная грузоподъемность. | 35.00 | 72.00 | 17.00 |
| 50207-К5 | Шариковый радиальный однорядный подшипник. Повышенная грузоподъемность. | 35.00 | 72.00 | 17.00 |
| 50207-АЕ | Шариковый радиальный однорядный подшипник. Сепаратор из текстолита.. Повышенная грузоподъемность. | 35.00 | 72.00 | 17.00 |
| 55-32207 Б2Т | Роликовый радиальный однорядный подшипник. Температура отпуска. 160°. Сепаратор из безоловянистой бронзы.. | 35.00 | 72.00 | 17.00 |
| 6-180207 А | Шариковый радиальный однорядный подшипник. Повышенная грузоподъемность. | 35.00 | 72.00 | 17.00 |
| 6-180207 АК | Шариковый радиальный однорядный подшипник. Повышенная грузоподъемность. | 35.00 | 72.00 | 17.00 |
| 6-180207 АС17Ш1 | Шариковый радиальный однорядный подшипник. Смазка Литол-24. Повышенная грузоподъемность. Нормы шумности. | 35.00 | 72.00 | 17.00 |
| 6-180207 С17 | Шариковый радиальный однорядный подшипник. Смазка Литол-24. | 35.00 | 72.00 | 17.00 |
Способы доставки
Отправка через ведущие транспортные и курьерские компании: ПЭК, Деловые Линии, СДЭК, Байкал-Сервис, Энергия, КИТ, ЖелДорЭкспедиция.
Самовывоз возможен напрямую со склада в Москве.
Сроки доставки
Срок зависит от региона и выбранной транспортной компании. Все заказы комплектуются и отправляются в кратчайшие сроки со склада в Москве.
Надёжность и сохранность
Вся продукция упаковывается с учётом требований транспортировки. Мы гарантируем, что подшипники и комплектующие прибудут к заказчику в полной сохранности.
Доставка в страны ЕАЭС
Мы работаем с проверенными логистическими партнёрами, что позволяет оперативно доставлять заказы в Беларусь, Казахстан, Армению и другие страны ЕАЭС.
Варианты оплаты:
Минимальная сумма заказа и скидки:
Документы и гарантии:
Да, конечно! Наши технические специалисты готовы помочь вам с подбором точного аналога или замены подшипника. Просто позвоните нам по телефону +7 (495) 104-99-04 или напишите на почту zakaz@podsnab.ru.
Для оперативной консультации подготовьте, пожалуйста, имеющиеся данные: маркировку, размеры, тип оборудования или артикул старого подшипника.
Да, конечно! Мы высоко ценим долгосрочное сотрудничество и доверие клиентов по всей России. Для постоянных клиентов действует персональная система скидок.
Условия формируются индивидуально и зависят от:
Чтобы узнать свои условия и получить максимально выгодное предложение, свяжитесь с персональным менеджером или напишите нам на почту zakaz@podsnab.ru.
Вы можете оформить заказ несколькими способами:
Для оформления заказа от юридического лица свяжитесь с нашим отделом по работе с корпоративными клиентами по телефону +7 (495) 104-99-04 или напишите на email zakaz@podsnab.ru, прикрепив реквизиты вашей организации.
Мы оперативно подготовим коммерческое предложение и выставим счет.
Возврат товара надлежащего качества возможен в течение 10 дней с момента получения, если товар не был в употреблении, сохранен товарный вид, упаковка не вскрывалась и присутствуют все сопроводительные документы.
Возврат денежных средств осуществляется в течение 10 рабочих дней после проверки товара складом.
В соответствии с законодательством возврату не подлежат подшипники надлежащего качества, если отсутствует оригинальная упаковка или имеются следы монтажа.
В случае выявления брака или гарантийного случая мы гарантируем возврат или обмен товара.
Да, гарантийный срок хранения устанавливается заводом-изготовителем и в среднем составляет 2 года при соблюдении условий хранения: сухое помещение, оригинальная упаковка и смазка.
Точный срок для конкретного типа подшипника уточняйте у наших менеджеров.
Пн–Пт: с 8:00 до 17:00 (МСК).
Сб–Вс: выходные дни.
Заказы на сайте принимаются круглосуточно. Заявки, поступившие после окончания рабочего дня, обрабатываются на следующий рабочий день.
Минимальная сумма заказа для доставки составляет 3000 рублей. Самовывоз со склада возможен на любую сумму при наличии товара.
ООО «УралТехГрупп»
ИНН: 7415093830
КПП: 772401001
ОГРН: 1167456069021
Банк: ПАО Сбербанк
Р/с: 40702810838000475273
К/с: 30101810400000000225
БИК: 044525225
У подшипника 207NR пока нет отзывов. Вы можете стать первым покупателем, поделившимся своим мнением.