Поиск подшипника
Статьи
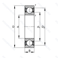
61816-2RSR-Y — Подшипник однорядный шариковый радиальный, модификация основного исполнения 61816, выпускается производителями: FAG, INA.
Размер подшипника: 80x100x10 мм.
Резиновые уплотнения с каждой стороны подшипника, листовая латунная клетка.
Альтернативное обозначение: 6816-2RS-Y.
Международная стандартизации ISO
618162RSRY
В наличии
| Обозначение | Конструктивные изменения |
|---|---|
| 61816 2RS | Резиновые уплотнения с каждой стороны подшипника. |
| 61816Y | Листовая латунная клетка. |
| 61816-2RS1 | Усиленные листовой сталью контактные уплотнения из акрилонитрил-бутадиенового каучука (NBR) с обеих сторон подшипника. |
| 61816ZZ | Защитные металлические шайбы (бесконтактные уплотнения) с обеих сторон подшипника. |
| 61816Y P5 | Размерная и рабочая точность соответствует классу допуска ISO 5. Штампованный латунный фиксатор. Направляемые элементы качения. |
| 61816C3 | Внутренний зазор больше нормального. |
| 61816-2Z-C3 | Внутренний зазор больше нормального. Защитные стальные шайбы с обеих сторон. |
| 61816-2Z | Защитные металлические шайбы с обеих сторон. |
| 61816A | Значение этого знака не определяется отдельно. Они нужны для назначения особых характеристик конструкции внутренней формы внешнего использования. В целом, они используются только временно, в переходный период, чтобы избежать путаницы. В некоторых случаях они также используются для постоянного назначения подшипников и деталей того же типа и размера, но с другим внутренним дизайном.. |
| 61816Y C3 | Внутренний зазор больше нормального. Штампованный латунный фиксатор. Направляемые элементы качения. |
| 61816T | Литой защелкивающийся сепаратор из полиамида. армированного стекловолокном. |
| 61816-Y-C4 | Внутренний зазор подшипника больше. чем C3. Подшипник с сепаратором из латуни центрированный по телам качения. |
| 61816-2RZ-Y-J11-L077 | Шарикоподшипник. С уплотнением и низким коэффициентом трения с обеих сторон. Уплотнение состоит из шайбы из листовой стали с вулканизированной резиной. Подшипник с сепаратором из латуни центрированный по телам качения. High Temperature Grease For High Loads. -40 To +260°. Улучшенная консервация. |
| 61816-Y-T51A | Подшипник с сепаратором из латуни центрированный по телам качения. Подшипники качения с ограниченными допусками по ширине. |
| 61816 2RS GL | Резиновые уплотнения с каждой стороны подшипника. Консистентная смазка. |
| BRI 61816 UU | Символ защиты от загрязнения. |
| BRI 61816 U | Универсальный одиночный подшипник. |
| GBRI 61816 U | Универсальный одиночный подшипник. |
| GBRI 61816 UU | Символ защиты от загрязнения. |
| 61816 2BRS Y | Сепаратор из прессованной латуни. Центрирование шарика. Бесконтактные лабиринтные уплотнения с обеих сторон. |
| 61816 2URS Y | Сепаратор из прессованной латуни. Центрирование шарика. Специальное манжетное уплотнение с обеих сторон подшипника. |
| 61816 BRS Y | Сепаратор из прессованной латуни. Центрирование шарика. Бесконтактные лабиринтные уплотнения с одной стороны. |
| 61816 RS Y | Сепаратор из прессованной латуни. Центрирование шарика. Резиновое уплотнение с одной стороны. |
| 61816 URS Y | Сепаратор из прессованной латуни. Центрирование шарика. |
| 61816 Z Y | щит из листовой прессованной стали с одной стороны подшипника. Сепаратор из прессованной латуни. Центрирование шарика. |
Модификации шарикового подшипника 61816-2RSR-Y — это измененное основное конструктивное исполнение 61816, основные размеры (80x100x10) не отличаются.
| Обозначение | Гост | Конструктивные особенности |
|---|---|---|
| SS6816 ZZ | ISO | Защитные металлические шайбы с обеих сторон. |
| SS6816 2RS | ISO | Резиновые уплотнения с каждой стороны подшипника. |
| 6816 ZNR | ISO | Подшипник однорядный шариковый радиальный. |
| 6816 NR | ISO | Канавка и стопорное кольцо на наружном кольце. |
| 6816 2RS | ISO | Резиновые уплотнения с каждой стороны подшипника. |
| 6816ZZ | ISO | Металлическая защитная шайба с двух сторон. |
| 6816 | ISO | Подшипник однорядный шариковый радиальный. |
| 6816C3 | ISO | Внутренний зазор больше нормального. |
| 6816ZZ/5K | ISO | Защитные металлические шайбы с обеих сторон. Grease/ Kyodo Yushi / Multemp SRL (-40°C to +150°C). |
| 6816ZZCM/AS2S | ISO | Стандартное заполнение. Защитные металлические шайбы с обеих сторон. 1/4 Full. Шариковый подшипник. Специальный радиальный внутренний зазор для электродвигателей. Смазка Aeroshell 7. |
| 6816LLU/5K | ISO | Резиновые уплотнения с каждой стороны подшипника. Grease/ Kyodo Yushi / Multemp SRL (-40°C to +150°C). |
| 6816VV | ISO | Защитные металлические шайбы. с обеих сторон подшипника. Бесконтактное уплотнение. (лучше. чем ZZ. Можно использовать в умеренно запыленной среде). |
| 6816 2RS Y | ISO | Резиновые уплотнения с каждой стороны подшипника. Штампованный латунный фиксатор. Направляемые элементы качения. |
| 6816ZZ Y | ISO | Защитные металлические шайбы с обеих сторон. Штампованный латунный фиксатор. Направляемые элементы качения. |
| 6816LLB | ISO | Уплотнение бесконтактного типа из синтетического каучука. |
| 6816LLU | ISO | Резиновые уплотнения с каждой стороны подшипника. |
| 6816ZZ C3 | ISO | Внутренний зазор больше нормального. Защитные стальные шайбы с обеих сторон. |
| 6816DDU | ISO | Резиновые уплотнения с каждой стороны подшипника. |
| 6816UG | ISO | Канавки на внутренней стороне наружного кольца. |
| 6816-2RSR-Y | ISO | Резиновые уплотнения с каждой стороны подшипника. Подшипник с сепаратором из латуни центрированный по телам качения. |
Аналог шарикового подшипника 61816-2RSR-Y — это подшипник такого же размера dx80,Dx100,Bx10, типа и конструкции.
| Обозначение | Конструктивные особенности | Внутренний (d) | Наружный (D) | Ширина (B) |
|---|---|---|---|---|
| SS 61816-ZZ | Шариковый радиальный однорядный подшипник. Защитные металлические шайбы с обеих сторон. | 80.00 | 100.00 | 10.00 |
| 6816-2RU | Шариковый радиальный однорядный подшипник. Non Contact Type Friction Torque = Small High Speed Performance = Good Grease Sealing = Better Than ZZ-Type Dirt Resistance = Better Than ZZ-Type Water Resistance = Better Than ZZ / Inferior To 2RS Operating Temp. -30°C To + 100°C. | 80.00 | 100.00 | 10.00 |
| 6816Z | Шариковый радиальный однорядный подшипник. щит из листовой прессованной стали с одной стороны подшипника. | 80.00 | 100.00 | 10.00 |
| 6816-2RD | Шариковый радиальный однорядный подшипник. Облегченное контактное уплотнение с двух сторон.. | 80.00 | 100.00 | 10.00 |
| 6816N | Шариковый радиальный однорядный подшипник. Канавка для стопорного кольца на наружном кольце. | 80.00 | 100.00 | 10.00 |
| 75-1000816 Ю2Т | Шариковый радиальный однорядный подшипник. Температура отпуска. 160°. Все детали или часть деталей из нержавеющей стали.. | 80.00 | 100.00 | 10.00 |
| S61816-2RS | Шариковый радиальный однорядный подшипник. Резиновые уплотнения с каждой стороны подшипника. | 80.00 | 100.00 | 10.00 |
| 1000816-Л | Шариковый радиальный однорядный подшипник. Сепаратор из латуни.. | 80.00 | 100.00 | 10.00 |
| 25-1000816 Л | Шариковый радиальный однорядный подшипник. Сепаратор из латуни.. | 80.00 | 100.00 | 10.00 |
| 5-1000816 Б | Шариковый радиальный однорядный подшипник. Сепаратор из безоловянистой бронзы.. | 80.00 | 100.00 | 10.00 |
| 5-1000816 Л | Шариковый радиальный однорядный подшипник. Сепаратор из латуни.. | 80.00 | 100.00 | 10.00 |
| 5-1000816 Ю2Т | Шариковый радиальный однорядный подшипник. Температура отпуска. 160°. Все детали или часть деталей из нержавеющей стали.. | 80.00 | 100.00 | 10.00 |
| 5-1000816 ЮТ | Шариковый радиальный однорядный подшипник. Температура отпуска. 160°. Все детали или часть деталей из нержавеющей стали.. | 80.00 | 100.00 | 10.00 |
| 6-1000816-Л | Шариковый радиальный однорядный подшипник. Сепаратор из латуни.. | 80.00 | 100.00 | 10.00 |
| 6-1000816 Ю | Шариковый радиальный однорядный подшипник. Все детали или часть деталей из нержавеющей стали.. | 80.00 | 100.00 | 10.00 |
Способы доставки
Отправка через ведущие транспортные и курьерские компании: ПЭК, Деловые Линии, СДЭК, Байкал-Сервис, Энергия, КИТ, ЖелДорЭкспедиция.
Самовывоз возможен напрямую со склада в Москве.
Сроки доставки
Срок зависит от региона и выбранной транспортной компании. Все заказы комплектуются и отправляются в кратчайшие сроки со склада в Москве.
Надёжность и сохранность
Вся продукция упаковывается с учётом требований транспортировки. Мы гарантируем, что подшипники и комплектующие прибудут к заказчику в полной сохранности.
Доставка в страны ЕАЭС
Мы работаем с проверенными логистическими партнёрами, что позволяет оперативно доставлять заказы в Беларусь, Казахстан, Армению и другие страны ЕАЭС.
Варианты оплаты:
Минимальная сумма заказа и скидки:
Документы и гарантии:
Да, конечно! Наши технические специалисты готовы помочь вам с подбором точного аналога или замены подшипника. Просто позвоните нам по телефону +7 (495) 104-99-04 или напишите на почту zakaz@podsnab.ru.
Для оперативной консультации подготовьте, пожалуйста, имеющиеся данные: маркировку, размеры, тип оборудования или артикул старого подшипника.
Да, конечно! Мы высоко ценим долгосрочное сотрудничество и доверие клиентов по всей России. Для постоянных клиентов действует персональная система скидок.
Условия формируются индивидуально и зависят от:
Чтобы узнать свои условия и получить максимально выгодное предложение, свяжитесь с персональным менеджером или напишите нам на почту zakaz@podsnab.ru.
Вы можете оформить заказ несколькими способами:
Для оформления заказа от юридического лица свяжитесь с нашим отделом по работе с корпоративными клиентами по телефону +7 (495) 104-99-04 или напишите на email zakaz@podsnab.ru, прикрепив реквизиты вашей организации.
Мы оперативно подготовим коммерческое предложение и выставим счет.
Возврат товара надлежащего качества возможен в течение 10 дней с момента получения, если товар не был в употреблении, сохранен товарный вид, упаковка не вскрывалась и присутствуют все сопроводительные документы.
Возврат денежных средств осуществляется в течение 10 рабочих дней после проверки товара складом.
В соответствии с законодательством возврату не подлежат подшипники надлежащего качества, если отсутствует оригинальная упаковка или имеются следы монтажа.
В случае выявления брака или гарантийного случая мы гарантируем возврат или обмен товара.
Да, гарантийный срок хранения устанавливается заводом-изготовителем и в среднем составляет 2 года при соблюдении условий хранения: сухое помещение, оригинальная упаковка и смазка.
Точный срок для конкретного типа подшипника уточняйте у наших менеджеров.
Пн–Пт: с 8:00 до 17:00 (МСК).
Сб–Вс: выходные дни.
Заказы на сайте принимаются круглосуточно. Заявки, поступившие после окончания рабочего дня, обрабатываются на следующий рабочий день.
Минимальная сумма заказа для доставки составляет 3000 рублей. Самовывоз со склада возможен на любую сумму при наличии товара.
ООО «УралТехГрупп»
ИНН: 7415093830
КПП: 772401001
ОГРН: 1167456069021
Банк: ПАО Сбербанк
Р/с: 40702810838000475273
К/с: 30101810400000000225
БИК: 044525225
У подшипника 61816-2RSR-Y пока нет отзывов. Вы можете стать первым покупателем, поделившимся своим мнением.