Поиск подшипника
Статьи
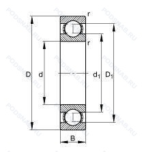
62302 — Подшипник однорядный шариковый радиальный, основное исполнение, выпускается производителями: NEUTRAL, NIS, URB.
Размер подшипника: 15x42x17 мм.
Международная стандартизации ISO
62302
В наличии
| Обозначение | Конструктивные изменения |
|---|---|
| 62302 2RS C3 | Внутренний зазор больше нормального. Резиновые уплотнения с каждой стороны подшипника. |
| 62302-2RSR | Резиновые уплотнения с каждой стороны подшипника. |
| 62302-2RS1/W64 | Усиленные листовой сталью контактные уплотнения из акрилонитрил-бутадиенового каучука (NBR) с обеих сторон подшипника. Антифрикционный заполнитель. твердая смазка. |
| 62302-2RS1/C3W64 | Внутренний зазор больше нормального. Усиленные листовой сталью контактные уплотнения из акрилонитрил-бутадиенового каучука (NBR) с обеих сторон подшипника. Антифрикционный заполнитель. твердая смазка. |
| 62302UG | Канавки на внутренней стороне наружного кольца. |
| 62302 2RS | Контактные уплотнения типа RS с обеих сторон игольчатого роликоподшипника. |
| 62302-2RS1/C3MT80 | Внутренний зазор больше нормального. Усиленные листовой сталью контактные уплотнения из акрилонитрил-бутадиенового каучука (NBR) с обеих сторон подшипника. |
| 62302-2RS1/C3 | Внутренний зазор больше нормального. Усиленные листовой сталью контактные уплотнения из акрилонитрил-бутадиенового каучука (NBR) с обеих сторон подшипника. |
| 62302-2RS1 | Усиленные листовой сталью контактные уплотнения из акрилонитрил-бутадиенового каучука (NBR) с обеих сторон подшипника. |
| 62302-2RS1/C3MT33 | Внутренний зазор больше нормального. Усиленные листовой сталью контактные уплотнения из акрилонитрил-бутадиенового каучука (NBR) с обеих сторон подшипника. Lithium Grease. Medium Temp. 74 cSt @ 40°C. -30°C/+120°C. A Two-Figure Number Following MT Identifies The Actual Grease. An Additional Letter Or Letter/Figure Combination As Mentioned Under HT Identifies Filling Degrees Other Than Standard. Examples/ MT33 Or MT37F9. |
| 62302-2RSR-C3 | Внутренний зазор больше нормального. Резиновые уплотнения с каждой стороны подшипника. |
| 62302-A-2RSR | Модификация внутренней конструкции. Резиновые уплотнения с каждой стороны подшипника. |
| 62302-A-2RSR-C3 | Внутренний зазор больше нормального. Модификация внутренней конструкции. Резиновые уплотнения с каждой стороны подшипника. |
| 62302EE | Контактные уплотнения с двух сторон. |
Модификации шарикового подшипника 62302 — это измененное основное конструктивное исполнение 62302, основные размеры (15x42x17) не отличаются.
| Обозначение | Гост | Конструктивные особенности |
|---|---|---|
| 4302 ATN | ISO | Подшипник однорядный шариковый радиальный. |
| 535576B | ISO | Модифицированная внутренняя конструкция. |
| BL15 | ISO | Подшипник однорядный шариковый радиальный. |
| 83C288C2 | ISO | Подшипник однорядный шариковый радиальный. |
| BB1B362547B | ISO | Измененный внутренний дизайн. |
| 83A105BCS17 | ISO | Подшипник однорядный шариковый радиальный. |
Аналог шарикового подшипника 62302 — это подшипник такого же размера dx15,Dx42,Bx17, типа и конструкции.
| Обозначение | Конструктивные особенности | Внутренний (d) | Наружный (D) | Ширина (B) |
|---|---|---|---|---|
| 70-180602 С1 | Шариковый радиальный однорядный подшипник. Смазка ОКБ 122-7. | 15.00 | 42.00 | 17.00 |
| 70-180602 C1 | Шариковый радиальный однорядный подшипник. ОКБ 122-7. | 15.00 | 42.00 | 17.00 |
| 70-42602 А3М | Роликовый радиальный однорядный подшипник. Модифицированный контакт.. Повышенная грузоподъемность. | 15.00 | 42.00 | 17.00 |
| 74-180602 Е3С22Ш8 | Шариковый радиальный однорядный подшипник. Сепаратор из пластических материалов.. Нормы шумности. Смазка СВЭМ. | 15.00 | 42.00 | 17.00 |
| 74-180602 Е3УС22Ш8 | Шариковый радиальный однорядный подшипник. Дополнительные технические требования. Сепаратор из пластических материалов.. Нормы шумности. Смазка СВЭМ. | 15.00 | 42.00 | 17.00 |
| 75-180602 Е1С22Ш3 | Шариковый радиальный однорядный подшипник. Сепаратор из текстолита.. Нормы шумности. Смазка СВЭМ. | 15.00 | 42.00 | 17.00 |
| 75-180602 Е1УС22Ш3 | Шариковый радиальный однорядный подшипник. Сепаратор из текстолита.. Дополнительные технические требования. Нормы шумности. Смазка СВЭМ. | 15.00 | 42.00 | 17.00 |
| 75-180602 Е2С22Ш5 | Шариковый радиальный однорядный подшипник. Сепаратор из пластических материалов.. Нормы шумности. Смазка СВЭМ. | 15.00 | 42.00 | 17.00 |
| 75-180602 Е2УС22Ш3 | Шариковый радиальный однорядный подшипник. Дополнительные технические требования. Сепаратор из пластических материалов.. Нормы шумности. Смазка СВЭМ. | 15.00 | 42.00 | 17.00 |
| 75-180602 Е2УС22Ш5 | Шариковый радиальный однорядный подшипник. Дополнительные технические требования. Сепаратор из пластических материалов.. Нормы шумности. Смазка СВЭМ. | 15.00 | 42.00 | 17.00 |
| 75-180602 Е2УС22Ш6 | Шариковый радиальный однорядный подшипник. Дополнительные технические требования. Сепаратор из пластических материалов.. Нормы шумности. Смазка СВЭМ. | 15.00 | 42.00 | 17.00 |
| 17580R/17520 | Роликовый радиальный-упорный однорядный подшипник. С выпуклыми асимметричными роликами и обработанным сепаратором. | 15.88 | 42.86 | 16.67 |
| S62302-2RS | Шариковый радиальный однорядный подшипник. Резиновые уплотнения с каждой стороны подшипника. | 15.00 | 42.00 | 17.00 |
| 180602-С1 | Шариковый радиальный однорядный подшипник. Смазка ОКБ 122-7. | 15.00 | 42.00 | 17.00 |
| 2302S | Шариковый сферический двухрядный подшипник. Запечатанная версия кулачкового ролика. Только для внутреннего и наружного колец. | 15.00 | 42.00 | 17.00 |
Способы доставки
Отправка через ведущие транспортные и курьерские компании: ПЭК, Деловые Линии, СДЭК, Байкал-Сервис, Энергия, КИТ, ЖелДорЭкспедиция.
Самовывоз возможен напрямую со склада в Москве.
Сроки доставки
Срок зависит от региона и выбранной транспортной компании. Все заказы комплектуются и отправляются в кратчайшие сроки со склада в Москве.
Надёжность и сохранность
Вся продукция упаковывается с учётом требований транспортировки. Мы гарантируем, что подшипники и комплектующие прибудут к заказчику в полной сохранности.
Доставка в страны ЕАЭС
Мы работаем с проверенными логистическими партнёрами, что позволяет оперативно доставлять заказы в Беларусь, Казахстан, Армению и другие страны ЕАЭС.
Варианты оплаты:
Минимальная сумма заказа и скидки:
Документы и гарантии:
Да, конечно! Наши технические специалисты готовы помочь вам с подбором точного аналога или замены подшипника. Просто позвоните нам по телефону +7 (495) 104-99-04 или напишите на почту zakaz@podsnab.ru.
Для оперативной консультации подготовьте, пожалуйста, имеющиеся данные: маркировку, размеры, тип оборудования или артикул старого подшипника.
Да, конечно! Мы высоко ценим долгосрочное сотрудничество и доверие клиентов по всей России. Для постоянных клиентов действует персональная система скидок.
Условия формируются индивидуально и зависят от:
Чтобы узнать свои условия и получить максимально выгодное предложение, свяжитесь с персональным менеджером или напишите нам на почту zakaz@podsnab.ru.
Вы можете оформить заказ несколькими способами:
Для оформления заказа от юридического лица свяжитесь с нашим отделом по работе с корпоративными клиентами по телефону +7 (495) 104-99-04 или напишите на email zakaz@podsnab.ru, прикрепив реквизиты вашей организации.
Мы оперативно подготовим коммерческое предложение и выставим счет.
Возврат товара надлежащего качества возможен в течение 10 дней с момента получения, если товар не был в употреблении, сохранен товарный вид, упаковка не вскрывалась и присутствуют все сопроводительные документы.
Возврат денежных средств осуществляется в течение 10 рабочих дней после проверки товара складом.
В соответствии с законодательством возврату не подлежат подшипники надлежащего качества, если отсутствует оригинальная упаковка или имеются следы монтажа.
В случае выявления брака или гарантийного случая мы гарантируем возврат или обмен товара.
Да, гарантийный срок хранения устанавливается заводом-изготовителем и в среднем составляет 2 года при соблюдении условий хранения: сухое помещение, оригинальная упаковка и смазка.
Точный срок для конкретного типа подшипника уточняйте у наших менеджеров.
Пн–Пт: с 8:00 до 17:00 (МСК).
Сб–Вс: выходные дни.
Заказы на сайте принимаются круглосуточно. Заявки, поступившие после окончания рабочего дня, обрабатываются на следующий рабочий день.
Минимальная сумма заказа для доставки составляет 3000 рублей. Самовывоз со склада возможен на любую сумму при наличии товара.
ООО «УралТехГрупп»
ИНН: 7415093830
КПП: 772401001
ОГРН: 1167456069021
Банк: ПАО Сбербанк
Р/с: 40702810838000475273
К/с: 30101810400000000225
БИК: 044525225
У подшипника 62302 пока нет отзывов. Вы можете стать первым покупателем, поделившимся своим мнением.