Поиск подшипника
Статьи
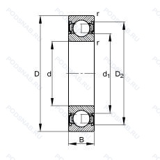
62307-2RSR — Подшипник однорядный шариковый радиальный, модификация основного исполнения 62307, выпускается производителями: FAG, NKE.
Размер подшипника: 35x80x31 мм.
Резиновые уплотнения с каждой стороны подшипника.
Аналоги: 62307.2RSR FAG,62307 2RS INA,62307-A-2RSR FAG,62307-2RS1 SKF,62307 2RS CBF,62307-2RS1 AKN,62307 2RS KOK,62307 2RS ZKL,62307 2RS CFC,62307 2RS MTK.
Международная стандартизации ISO
623072RSR
В наличии
| Обозначение | Конструктивные изменения |
|---|---|
| 62307 | Подшипник однорядный шариковый радиальный. Основное конструктивное исполнение. |
| 62307 2RS | Контактные уплотнения типа RS с обеих сторон игольчатого роликоподшипника. |
| 62307-2RS1 | Усиленные листовой сталью контактные уплотнения из акрилонитрил-бутадиенового каучука (NBR) с обеих сторон подшипника. |
| 62307-2RS1/C3 | Внутренний зазор больше нормального. Усиленные листовой сталью контактные уплотнения из акрилонитрил-бутадиенового каучука (NBR) с обеих сторон подшипника. |
| 62307 2RS C3 | Внутренний зазор больше нормального. Резиновые уплотнения с каждой стороны подшипника. |
| 62307-2RSR-C3 | Внутренний зазор больше нормального. Резиновые уплотнения с каждой стороны подшипника. |
| 62307EE | Резиновые уплотнения с каждой стороны подшипника. |
| 62307-2RS2 | Два контактных уплотнения из фторкаучука (FPM) с усилением из листовой стали (высокотемпературные). |
Модификации шарикового подшипника 62307-2RSR — это измененное основное конструктивное исполнение 62307, основные размеры (35x80x31) не отличаются.
| Обозначение | Гост | Конструктивные особенности |
|---|---|---|
| 4307 ATN | ISO | Подшипник однорядный шариковый радиальный. |
| 1607DCTN | ISO | Отлитый под давлением защелкивающийся сепаратор из полиамида. Центрированные тела качения. Резиновые уплотнения с каждой стороны подшипника. |
| BL35 | ISO | Подшипник однорядный шариковый радиальный. |
| 1607DC TN TG18 | ISO | Отлитый под давлением защелкивающийся сепаратор из полиамида. Центрированные тела качения. Резиновые уплотнения с каждой стороны подшипника. Shell Alvania 2 Grease. |
Аналог шарикового подшипника 62307-2RSR — это подшипник такого же размера dx35,Dx80,Bx31, типа и конструкции.
| Обозначение | Конструктивные особенности | Внутренний (d) | Наружный (D) | Ширина (B) |
|---|---|---|---|---|
| 76-180607 С9Ш3 | Шариковый радиальный однорядный подшипник. Смазка ЛЗ-31. Нормы шумности. | 35.00 | 80.00 | 31.00 |
| 7607A | Роликовый радиальный-упорный однорядный подшипник. Двухрядный радиально-упорный шарикоподшипник без отверстия для смазки. | 35.00 | 80.00 | 31.00 |
| 180607-АЕ1 | Шариковый радиальный однорядный подшипник. Сепаратор из текстолита.. Повышенная грузоподъемность. | 35.00 | 80.00 | 31.00 |
| 180607-АК | Шариковый радиальный однорядный подшипник. Повышенная грузоподъемность. | 35.00 | 80.00 | 31.00 |
| 180607-КУС9 | Шариковый радиальный однорядный подшипник. «Замок» (скос) на внутреннем кольце плюс массивный сепаратор из текстолита. Дополнительные технические требования. Смазка ЛЗ-31. | 35.00 | 80.00 | 31.00 |
| 380807-АУ | Шариковый радиальный однорядный подшипник. Дополнительные технические требования. Повышенная грузоподъемность. | 35.00 | 80.00 | 31.00 |
| 2307 TN9 | Шариковый сферический двухрядный подшипник. Литой защелкивающийся сепаратор из полиамида. армированного стекловолокном 6.6. | 35.00 | 80.00 | 31.00 |
| 2307SK | Шариковый сферический двухрядный подшипник. Кулачковый толкатель штифтового типа. С шестигранной головкой. Только для внутреннего и наружного колец. | 35.00 | 80.00 | 31.00 |
| 2307 E-2RS1KTN9 | Шариковый сферический двухрядный подшипник. Повышенная грузоподъемность. | 35.00 | 80.00 | 31.00 |
| NJ 2307 ECPH | Роликовый радиальный однорядный подшипник. Однорядный цилиндрический роликовый подшипник. | 35.00 | 80.00 | 31.00 |
| NU 2307 ECPH | Роликовый радиальный однорядный подшипник. Однорядный цилиндрический роликовый подшипник. | 35.00 | 80.00 | 31.00 |
| 42607-Л | Роликовый радиальный однорядный подшипник. Сепаратор из латуни.. | 35.00 | 80.00 | 31.00 |
| 42607-Л1 | Роликовый радиальный однорядный подшипник. Сепаратор из латуни.. | 35.00 | 80.00 | 31.00 |
| 6-11207 КУ | Шариковый радиальный двухрядный подшипник. Дополнительные технические требования. | 35.00 | 80.00 | 31.00 |
| 6-180607 С9Ш1 | Шариковый радиальный однорядный подшипник. Нормы шумности. Смазка ЛЗ-31. | 35.00 | 80.00 | 31.00 |
Способы доставки
Отправка через ведущие транспортные и курьерские компании: ПЭК, Деловые Линии, СДЭК, Байкал-Сервис, Энергия, КИТ, ЖелДорЭкспедиция.
Самовывоз возможен напрямую со склада в Москве.
Сроки доставки
Срок зависит от региона и выбранной транспортной компании. Все заказы комплектуются и отправляются в кратчайшие сроки со склада в Москве.
Надёжность и сохранность
Вся продукция упаковывается с учётом требований транспортировки. Мы гарантируем, что подшипники и комплектующие прибудут к заказчику в полной сохранности.
Доставка в страны ЕАЭС
Мы работаем с проверенными логистическими партнёрами, что позволяет оперативно доставлять заказы в Беларусь, Казахстан, Армению и другие страны ЕАЭС.
Варианты оплаты:
Минимальная сумма заказа и скидки:
Документы и гарантии:
Да, конечно! Наши технические специалисты готовы помочь вам с подбором точного аналога или замены подшипника. Просто позвоните нам по телефону +7 (495) 104-99-04 или напишите на почту zakaz@podsnab.ru.
Для оперативной консультации подготовьте, пожалуйста, имеющиеся данные: маркировку, размеры, тип оборудования или артикул старого подшипника.
Да, конечно! Мы высоко ценим долгосрочное сотрудничество и доверие клиентов по всей России. Для постоянных клиентов действует персональная система скидок.
Условия формируются индивидуально и зависят от:
Чтобы узнать свои условия и получить максимально выгодное предложение, свяжитесь с персональным менеджером или напишите нам на почту zakaz@podsnab.ru.
Вы можете оформить заказ несколькими способами:
Для оформления заказа от юридического лица свяжитесь с нашим отделом по работе с корпоративными клиентами по телефону +7 (495) 104-99-04 или напишите на email zakaz@podsnab.ru, прикрепив реквизиты вашей организации.
Мы оперативно подготовим коммерческое предложение и выставим счет.
Возврат товара надлежащего качества возможен в течение 10 дней с момента получения, если товар не был в употреблении, сохранен товарный вид, упаковка не вскрывалась и присутствуют все сопроводительные документы.
Возврат денежных средств осуществляется в течение 10 рабочих дней после проверки товара складом.
В соответствии с законодательством возврату не подлежат подшипники надлежащего качества, если отсутствует оригинальная упаковка или имеются следы монтажа.
В случае выявления брака или гарантийного случая мы гарантируем возврат или обмен товара.
Да, гарантийный срок хранения устанавливается заводом-изготовителем и в среднем составляет 2 года при соблюдении условий хранения: сухое помещение, оригинальная упаковка и смазка.
Точный срок для конкретного типа подшипника уточняйте у наших менеджеров.
Пн–Пт: с 8:00 до 17:00 (МСК).
Сб–Вс: выходные дни.
Заказы на сайте принимаются круглосуточно. Заявки, поступившие после окончания рабочего дня, обрабатываются на следующий рабочий день.
Минимальная сумма заказа для доставки составляет 3000 рублей. Самовывоз со склада возможен на любую сумму при наличии товара.
ООО «УралТехГрупп»
ИНН: 7415093830
КПП: 772401001
ОГРН: 1167456069021
Банк: ПАО Сбербанк
Р/с: 40702810838000475273
К/с: 30101810400000000225
БИК: 044525225
У подшипника 62307-2RSR пока нет отзывов. Вы можете стать первым покупателем, поделившимся своим мнением.