Поиск подшипника
Статьи
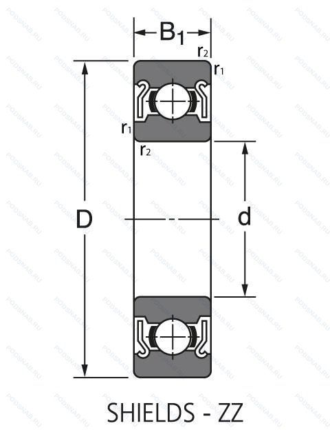
RMS9ZZ — Подшипник однорядный шариковый радиальный, модификация основного исполнения RMS9, выпускается производителями: NEUTRAL, NIS.
Размер подшипника: 28x71x20 мм.
Цилиндрический роликоподшипник, однорядный, двухкромочное внутреннее кольцо, цилиндрическое наружное кольцо, серия средних дюймов, защитные металлические шайбы с обеих сторон.
Международная стандартизации ISO
RMS9ZZ
В наличии
| Обозначение | Конструктивные изменения |
|---|---|
| RMS9 | Механически обработанный латунный сепаратор. Основное конструктивное исполнение. |
| RMS9NR | Канавка под стопорное кольцо на наружном кольце с соответствующим стопорным кольцом. |
| RMS9 2RS | Резиновые уплотнения с каждой стороны подшипника. |
| RMS9/C6 | Уровень шума ниже нормы (бесшумная работа). |
| RMS9V3 | Уровень вибрации 3. |
Модификации шарикового подшипника RMS9ZZ — это измененное основное конструктивное исполнение RMS9, основные размеры (28x71x20) не отличаются.
| Обозначение | Гост | Конструктивные особенности |
|---|---|---|
| MJ1.1/8 | ISO | Number Of Carriages Per Rail Track. Средний предварительный натяг. |
| MJ1.1/8NR | ISO | Канавка под стопорное кольцо на наружном кольце с соответствующим стопорным кольцом. Number Of Carriages Per Rail Track. |
| CBK296 | ISO | Подшипник однорядный шариковый радиальный. |
Аналог шарикового подшипника RMS9ZZ — это подшипник такого же размера dx28,Dx71,Bx20, типа и конструкции.
| Обозначение | Конструктивные особенности | Внутренний (d) | Наружный (D) | Ширина (B) |
|---|---|---|---|---|
| MMRJN1.1/8J | Однорядный цилиндрический роликовый подшипник. Прессованный стальной сепаратор. Number Of Carriages Per Rail Track. | 28.58 | 71.44 | 20.64 |
| MRJ1.1/8-C3 | Однорядный цилиндрический роликовый подшипник. Внутренний зазор больше нормального. | 28.58 | 71.44 | 20.64 |
| QJM1.1/8 | Подшипник шариковый с четырехточечным контактом. Number Of Carriages Per Rail Track. Средний предварительный натяг. | 28.57 | 71.44 | 20.64 |
| MRJA1.1/8J | Однорядный цилиндрический роликовый подшипник. Прессованный стальной сепаратор. | 28.58 | 71.44 | 20.64 |
| MMRJ1.1/8 | однорядный цилиндрический роликовый подшипник. Number Of Carriages Per Rail Track. Средний предварительный натяг. | 28.57 | 71.44 | 20.64 |
| MMRJ1.1/8C3 | Однорядный цилиндрический роликовый подшипник. Внутренний зазор больше нормального. | 28.58 | 71.44 | 20.64 |
| CRM9FYB | Однорядный цилиндрический роликовый подшипник. Обработанный латунный сепаратор. | 28.58 | 71.44 | 20.64 |
| MMRJ1.1/8J | Однорядный цилиндрический роликовый подшипник. Сепаратор из стали. | 28.58 | 71.44 | 20.64 |
| BR2872DD | Шариковый радиальный однорядный подшипник. Два уплотнения из PTFE. | 28.00 | 72.00 | 20.00 |
| BR2870DD | Шариковый радиальный однорядный подшипник. Два уплотнения из PTFE. | 28.00 | 70.00 | 20.00 |
| MJ1.1/8-N | Шариковый радиальный однорядный подшипник. Канавка под стопорное кольцо на внешнем кольце. Number Of Carriages Per Rail Track. Средний предварительный натяг. | 28.57 | 71.44 | 20.64 |
| MJ1.1/8-2RS | Шариковый радиальный однорядный подшипник. Резиновые уплотнения с каждой стороны подшипника. Number Of Carriages Per Rail Track. Средний предварительный натяг. | 28.57 | 71.44 | 20.64 |
| MJ1.1/8-Z | Шариковый радиальный однорядный подшипник. щит из листовой прессованной стали с одной стороны подшипника. Number Of Carriages Per Rail Track. Средний предварительный натяг. | 28.57 | 71.44 | 20.64 |
| MJ1.1/8-2Z | Шариковый радиальный однорядный подшипник. Защитные металлические шайбы с обеих сторон подшипника. Number Of Carriages Per Rail Track. Средний предварительный натяг. | 28.57 | 71.44 | 20.64 |
| MJ1.1/8-RS | Шариковый радиальный однорядный подшипник. Резиновое уплотнение с одной стороны. Number Of Carriages Per Rail Track. Средний предварительный натяг. | 28.57 | 71.44 | 20.64 |
Способы доставки
Отправка через ведущие транспортные и курьерские компании: ПЭК, Деловые Линии, СДЭК, Байкал-Сервис, Энергия, КИТ, ЖелДорЭкспедиция.
Самовывоз возможен напрямую со склада в Москве.
Сроки доставки
Срок зависит от региона и выбранной транспортной компании. Все заказы комплектуются и отправляются в кратчайшие сроки со склада в Москве.
Надёжность и сохранность
Вся продукция упаковывается с учётом требований транспортировки. Мы гарантируем, что подшипники и комплектующие прибудут к заказчику в полной сохранности.
Доставка в страны ЕАЭС
Мы работаем с проверенными логистическими партнёрами, что позволяет оперативно доставлять заказы в Беларусь, Казахстан, Армению и другие страны ЕАЭС.
Варианты оплаты:
Минимальная сумма заказа и скидки:
Документы и гарантии:
Да, конечно! Наши технические специалисты готовы помочь вам с подбором точного аналога или замены подшипника. Просто позвоните нам по телефону +7 (495) 104-99-04 или напишите на почту zakaz@podsnab.ru.
Для оперативной консультации подготовьте, пожалуйста, имеющиеся данные: маркировку, размеры, тип оборудования или артикул старого подшипника.
Да, конечно! Мы высоко ценим долгосрочное сотрудничество и доверие клиентов по всей России. Для постоянных клиентов действует персональная система скидок.
Условия формируются индивидуально и зависят от:
Чтобы узнать свои условия и получить максимально выгодное предложение, свяжитесь с персональным менеджером или напишите нам на почту zakaz@podsnab.ru.
Вы можете оформить заказ несколькими способами:
Для оформления заказа от юридического лица свяжитесь с нашим отделом по работе с корпоративными клиентами по телефону +7 (495) 104-99-04 или напишите на email zakaz@podsnab.ru, прикрепив реквизиты вашей организации.
Мы оперативно подготовим коммерческое предложение и выставим счет.
Возврат товара надлежащего качества возможен в течение 10 дней с момента получения, если товар не был в употреблении, сохранен товарный вид, упаковка не вскрывалась и присутствуют все сопроводительные документы.
Возврат денежных средств осуществляется в течение 10 рабочих дней после проверки товара складом.
В соответствии с законодательством возврату не подлежат подшипники надлежащего качества, если отсутствует оригинальная упаковка или имеются следы монтажа.
В случае выявления брака или гарантийного случая мы гарантируем возврат или обмен товара.
Да, гарантийный срок хранения устанавливается заводом-изготовителем и в среднем составляет 2 года при соблюдении условий хранения: сухое помещение, оригинальная упаковка и смазка.
Точный срок для конкретного типа подшипника уточняйте у наших менеджеров.
Пн–Пт: с 8:00 до 17:00 (МСК).
Сб–Вс: выходные дни.
Заказы на сайте принимаются круглосуточно. Заявки, поступившие после окончания рабочего дня, обрабатываются на следующий рабочий день.
Минимальная сумма заказа для доставки составляет 3000 рублей. Самовывоз со склада возможен на любую сумму при наличии товара.
ООО «УралТехГрупп»
ИНН: 7415093830
КПП: 772401001
ОГРН: 1167456069021
Банк: ПАО Сбербанк
Р/с: 40702810838000475273
К/с: 30101810400000000225
БИК: 044525225
У подшипника RMS9ZZ пока нет отзывов. Вы можете стать первым покупателем, поделившимся своим мнением.