Поиск подшипника
Статьи
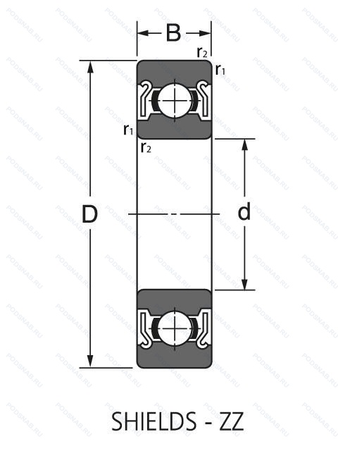
L1680ZZ — Подшипник однорядный шариковый радиальный, модификация основного исполнения L1680, выпускается производителями: NIS, NMB MINEBEA, SKF.
Размер подшипника: 8x16x5 мм.
Защитные металлические шайбы с обеих сторон.
Альтернативное обозначение: ADR.X8ZZ.
Аналоги: 688ZZ NMB Minebea,688/003 2Z J GRW Gebr. Reinfurt,688ZZ Japanese Origin,628/8ZZ IBC Bearings,X8ZZ ADR,688ZZ EZO,688-ZZ-GL ZEN,688ZZ Neutral,628/8ZZ Neutral,688ZZ Sin Nan Hwa,D2080088 Sin Nan Hwa,628/8-2Z Neutral.
Международная стандартизации ISO
L1680ZZ
В наличии
| Обозначение | Конструктивные изменения |
|---|---|
| L1680 | Подшипник однорядный шариковый радиальный. Основное конструктивное исполнение. |
| L1680 2RS | Резиновые уплотнения с каждой стороны подшипника. |
| L1680DD | Резиновые уплотнения с каждой стороны подшипника. |
Модификации шарикового подшипника L1680ZZ — это измененное основное конструктивное исполнение L1680, основные размеры (8x16x5) не отличаются.
| Обозначение | Гост | Конструктивные особенности |
|---|---|---|
| 688ZZ | ISO | Металлическая защитная шайба с двух сторон. |
| 628/8ZZ | ISO | Защитные металлические шайбы (бесконтактные уплотнения) с обеих сторон подшипника. |
| X8ZZ | ISO | Защитные металлические шайбы с обеих сторон. |
| 628/8-2Z | ISO | Защитные металлические шайбы с обеих сторон подшипника. Средний предварительный натяг. |
| 688-ZZ-GL | ISO | Защитные металлические шайбы с обеих сторон. Консистентная смазка. |
| D2080088 | ISO | Подшипник однорядный шариковый радиальный. |
| FLBC8-14ZZ | ISO | Защитные металлические шайбы с обеих сторон. |
| 688-2RSR-HLN | ISO | Резиновые уплотнения с каждой стороны подшипника. Код местонахождения завода. может использоваться в стандартной комплектации. |
| 619/7 2RS | ISO | Резиновые уплотнения с каждой стороны подшипника. Небольшая предварительная нагрузка. |
| 692ZZ MC3 | ISO | Защитные металлические шайбы с обеих сторон. (Миниатюрные радиальные шарикоподшипники серии Metric. M = без латунного сепаратора) = Нормальный радиальный внутренний зазор. |
| 6/8140-2Z/F | ISO | Защитные металлические шайбы с обеих сторон. Фланец. |
| 688-H-2RSR | ISO | Стандартное качество. Резиновые уплотнения с каждой стороны подшипника. |
| 688-2Z-HLN | ISO | Защитные металлические шайбы с обеих сторон. Код местонахождения завода. может использоваться в стандартной комплектации. |
| 689-2Z-HLN | ISO | Защитные металлические шайбы с обеих сторон. Код местонахождения завода. может использоваться в стандартной комплектации. |
| 689ZZ+6 | ISO | Защитные металлические шайбы с обеих сторон. Exxon Aviation Instrument Oil. |
| 688AZZ1MC3EJAS2S5 | ISO | Стандартное заполнение. Внутренняя конструкция отличается от стандартной. Тихая работа. 1/4 Full. Standard Single Pack. Смазка Aeroshell 7. Диапазон от –10°C до 110°C.. Улучшенный обычный клиренс (без латунного сепаратора). Защитные из нержавеющей стали шайбы с двух сторон подшипника. |
| 689-2RSR-HLC | ISO | Резиновые уплотнения с каждой стороны подшипника. Код местонахождения завода. может использоваться в стандартной комплектации. |
| 689-HLC | ISO | Код местонахождения завода. может использоваться в стандартной комплектации. |
| 697-HLC | ISO | Код местонахождения завода. может использоваться в стандартной комплектации. |
| 688-2RS-L082-HLC | ISO | Резиновые уплотнения с каждой стороны подшипника. Код местонахождения завода. может использоваться в стандартной комплектации. Klueber Isoflex Super LDS18 High Speed Low Noise Grease. Temp. Range -50 To +120 °C. |
| LNR1680HHR | ISO | Double Shield. Non Removable. |
| 618/8-2RS1 | ISO | Усиленные листовой сталью контактные уплотнения из акрилонитрил-бутадиенового каучука (NBR) с обеих сторон подшипника. |
| 689Z TBH | ISO | щит из листовой прессованной стали с одной стороны подшипника. Защелкивающийся сепаратор. Ламинированная фенольная смола. |
| 697.2RSR | ISO | Резиновые уплотнения с каждой стороны подшипника. |
| 688C3 | ISO | Внутренний зазор больше нормального. |
| 688ZZ W5 | ISO | Защитные металлические шайбы с обеих сторон. Ширина отличается от стандартной. |
Аналог шарикового подшипника L1680ZZ — это подшипник такого же размера dx8,Dx16,Bx5, типа и конструкции.
| Обозначение | Конструктивные особенности | Внутренний (d) | Наружный (D) | Ширина (B) |
|---|---|---|---|---|
| 4-1000097 ЮТ | Шариковый радиальный однорядный подшипник. Температура отпуска. 160°. Все детали или часть деталей из нержавеющей стали.. | 7.00 | 17.00 | 5.00 |
| 5-1000088 У | Шариковый радиальный однорядный подшипник. Дополнительные технические требования. | 8.00 | 16.00 | 4.00 |
| 5-1000088 Ю | Шариковый радиальный однорядный подшипник. Все детали или часть деталей из нержавеющей стали.. | 8.00 | 16.00 | 4.00 |
| 5-1000088 ЮТ | Шариковый радиальный однорядный подшипник. Температура отпуска. 160°. Все детали или часть деталей из нержавеющей стали.. | 8.00 | 16.00 | 4.00 |
| 5-1000097 Ш3 | Шариковый радиальный однорядный подшипник. Нормы шумности. | 7.00 | 17.00 | 5.00 |
| 5-1000097 Ю | Шариковый радиальный однорядный подшипник. Все детали или часть деталей из нержавеющей стали.. | 7.00 | 17.00 | 5.00 |
| 5-1000097 ЮТ | Шариковый радиальный однорядный подшипник. Температура отпуска. 160°. Все детали или часть деталей из нержавеющей стали.. | 7.00 | 17.00 | 5.00 |
| 5-616059 Р3 | Шариковый радиально-упорный однорядный подшипник. Детали из теплоустойчивой (быстрорежущие) стали.. | 9.00 | 17.00 | 4.00 |
| 6-1000088 Т | Шариковый радиальный однорядный подшипник. Температура отпуска. 160°. | 8.00 | 16.00 | 4.00 |
| 6-1000088 Ю | Шариковый радиальный однорядный подшипник. Все детали или часть деталей из нержавеющей стали.. | 8.00 | 16.00 | 4.00 |
| 6-1000088 ЮТ | Шариковый радиальный однорядный подшипник. Температура отпуска. 160°. Все детали или часть деталей из нержавеющей стали.. | 8.00 | 16.00 | 4.00 |
| 6-1000097 БЮТБ | Шариковый радиальный однорядный подшипник. Температура отпуска. 160°. Все детали или часть деталей из нержавеющей стали.. Сепаратор из безоловянистой бронзы.. | 7.00 | 17.00 | 5.00 |
| 6-1000097 Т2 | Шариковый радиальный однорядный подшипник. 200°. Температура отпуска. | 7.00 | 17.00 | 5.00 |
| 6-1000097 ЮТ | Шариковый радиальный однорядный подшипник. Температура отпуска. 160°. Все детали или часть деталей из нержавеющей стали.. | 7.00 | 17.00 | 5.00 |
| 6-1000097 ЮТП | Шариковый радиальный однорядный подшипник. Температура отпуска. 160°. Все детали или часть деталей из нержавеющей стали.. | 7.00 | 17.00 | 5.00 |
Способы доставки
Отправка через ведущие транспортные и курьерские компании: ПЭК, Деловые Линии, СДЭК, Байкал-Сервис, Энергия, КИТ, ЖелДорЭкспедиция.
Самовывоз возможен напрямую со склада в Москве.
Сроки доставки
Срок зависит от региона и выбранной транспортной компании. Все заказы комплектуются и отправляются в кратчайшие сроки со склада в Москве.
Надёжность и сохранность
Вся продукция упаковывается с учётом требований транспортировки. Мы гарантируем, что подшипники и комплектующие прибудут к заказчику в полной сохранности.
Доставка в страны ЕАЭС
Мы работаем с проверенными логистическими партнёрами, что позволяет оперативно доставлять заказы в Беларусь, Казахстан, Армению и другие страны ЕАЭС.
Варианты оплаты:
Минимальная сумма заказа и скидки:
Документы и гарантии:
Да, конечно! Наши технические специалисты готовы помочь вам с подбором точного аналога или замены подшипника. Просто позвоните нам по телефону +7 (495) 104-99-04 или напишите на почту zakaz@podsnab.ru.
Для оперативной консультации подготовьте, пожалуйста, имеющиеся данные: маркировку, размеры, тип оборудования или артикул старого подшипника.
Да, конечно! Мы высоко ценим долгосрочное сотрудничество и доверие клиентов по всей России. Для постоянных клиентов действует персональная система скидок.
Условия формируются индивидуально и зависят от:
Чтобы узнать свои условия и получить максимально выгодное предложение, свяжитесь с персональным менеджером или напишите нам на почту zakaz@podsnab.ru.
Вы можете оформить заказ несколькими способами:
Для оформления заказа от юридического лица свяжитесь с нашим отделом по работе с корпоративными клиентами по телефону +7 (495) 104-99-04 или напишите на email zakaz@podsnab.ru, прикрепив реквизиты вашей организации.
Мы оперативно подготовим коммерческое предложение и выставим счет.
Возврат товара надлежащего качества возможен в течение 10 дней с момента получения, если товар не был в употреблении, сохранен товарный вид, упаковка не вскрывалась и присутствуют все сопроводительные документы.
Возврат денежных средств осуществляется в течение 10 рабочих дней после проверки товара складом.
В соответствии с законодательством возврату не подлежат подшипники надлежащего качества, если отсутствует оригинальная упаковка или имеются следы монтажа.
В случае выявления брака или гарантийного случая мы гарантируем возврат или обмен товара.
Да, гарантийный срок хранения устанавливается заводом-изготовителем и в среднем составляет 2 года при соблюдении условий хранения: сухое помещение, оригинальная упаковка и смазка.
Точный срок для конкретного типа подшипника уточняйте у наших менеджеров.
Пн–Пт: с 8:00 до 17:00 (МСК).
Сб–Вс: выходные дни.
Заказы на сайте принимаются круглосуточно. Заявки, поступившие после окончания рабочего дня, обрабатываются на следующий рабочий день.
Минимальная сумма заказа для доставки составляет 3000 рублей. Самовывоз со склада возможен на любую сумму при наличии товара.
ООО «УралТехГрупп»
ИНН: 7415093830
КПП: 772401001
ОГРН: 1167456069021
Банк: ПАО Сбербанк
Р/с: 40702810838000475273
К/с: 30101810400000000225
БИК: 044525225
У подшипника L1680ZZ пока нет отзывов. Вы можете стать первым покупателем, поделившимся своим мнением.