Поиск подшипника
Статьи
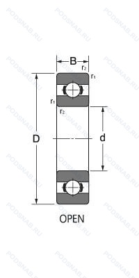
RLS38 — Подшипник однорядный шариковый радиальный, основное исполнение, выпускается производителями: KOYO, NIS, SKF.
Размер подшипника: 120x209x33 мм.
Цилиндрический роликовый подшипник, однорядный, двухкромочное внутреннее кольцо, цилиндрическое наружное кольцо, легкая дюймовая серия.
Альтернативное обозначение: LJ4.3/4M, LS22.1/2M.
Международная стандартизации ISO
RLS38
В наличии
| Обозначение | Конструктивные изменения |
|---|---|
| RLS38MB | Механически обработанный латунный сепаратор. клёпаный. центрируемый по внутреннему кольцу. |
| RLS38FY BS | Обработанный латунный сепаратор. SHORT LENGTH WITHOUT FLANGE. |
| RLS38M | Механически обработанный латунный сепаратор .Расположенный на элементах качения. |
Модификации шарикового подшипника RLS38 — это измененное основное конструктивное исполнение RLS38, основные размеры (120x209x33) не отличаются.
| Обозначение | Гост | Конструктивные особенности |
|---|---|---|
| LS22.1/2M | ISO | Подшипник однорядный шариковый радиальный. |
| LS22.1/2 | ISO | ISO Tolerance Class ABEC.9. Number Of Carriages Per Rail Track. |
| LJ4.3/4M | ISO | Силиконовая смазка SH44M TORAY SILICONE. Размерные и геометрические допуски соответствуют классу точности P6. |
| LJ4.3/4MB | ISO | Однокомпонентное внутреннее кольцо с центрированным сепаратором из механически обработанной латуни. |
Аналог шарикового подшипника RLS38 — это подшипник такого же размера dx120,Dx209,Bx33, типа и конструкции.
| Обозначение | Конструктивные особенности | Внутренний (d) | Наружный (D) | Ширина (B) |
|---|---|---|---|---|
| LRJ4.3/4 | однорядный цилиндрический роликовый подшипник. Размерные и геометрические допуски соответствуют классу точности P6. Подшипник с чрезвычайно высокой точностью вращения (Abec9) и допуском формы (Abec7). | 120.65 | 209.55 | 33.34 |
| LJT 4 3/4 | Шариковый радиально-упорный подшипник однонаправленный. | 120.65 | 209.55 | 33.34 |
| LRJ4.3/4M | Однорядный цилиндрический роликовый подшипник. | 120.65 | 209.55 | 33.34 |
| RLS22.1/2 | Однорядный цилиндрический роликовый подшипник. ISO Tolerance Class ABEC.9. Number Of Carriages Per Rail Track. | 120.65 | 209.55 | 33.34 |
| LRJ4.3/4MB | Однорядный цилиндрический роликовый подшипник. Однокомпонентное внутреннее кольцо с центрированным сепаратором из механически обработанной латуни. | 120.65 | 209.55 | 33.34 |
| LJT4.3/4MB | Подшипник шариковый однорядный радиально-упорный. Цельное внутреннее кольцо. Центрированный обработанный латунный сепаратор. Размерные и геометрические допуски соответствуют классу точности P6. | 120.65 | 209.55 | 33.34 |
| LRJ4.3/4MB C3 | Однорядный цилиндрический роликовый подшипник. Внутренний зазор больше нормального. Цельное внутреннее кольцо. Центрированный обработанный латунный сепаратор. | 120.65 | 209.55 | 33.34 |
| LLRJ4.3/4M | Однорядный цилиндрический роликовый подшипник. Силиконовая смазка SH44M TORAY SILICONE. Размерные и геометрические допуски соответствуют классу точности P6. | 120.65 | 209.55 | 33.34 |
| LRJ4.3/4E | Однорядный цилиндрический роликовый подшипник. Шарикоподшипник или цилиндрический роликоподшипник c увеличенной грузоподъемностью. | 120.65 | 209.55 | 33.34 |
| LLRJ4.3/4 | Роликовый радиальный однорядный подшипник. Размерные и геометрические допуски соответствуют классу точности P6. Подшипник с чрезвычайно высокой точностью вращения (Abec9) и допуском формы (Abec7). | 120.65 | 209.55 | 33.34 |
| NLJ4.3/4 | Сферический двухрядный подшипник. Размерные и геометрические допуски соответствуют классу точности P6. Подшипник с чрезвычайно высокой точностью вращения (Abec9) и допуском формы (Abec7). | 120.65 | 209.55 | 33.34 |
| LJ 4.3/4 | Шариковый радиальный однорядный подшипник. | 120.65 | 209.55 | 33.34 |
Способы доставки
Отправка через ведущие транспортные и курьерские компании: ПЭК, Деловые Линии, СДЭК, Байкал-Сервис, Энергия, КИТ, ЖелДорЭкспедиция.
Самовывоз возможен напрямую со склада в Москве.
Сроки доставки
Срок зависит от региона и выбранной транспортной компании. Все заказы комплектуются и отправляются в кратчайшие сроки со склада в Москве.
Надёжность и сохранность
Вся продукция упаковывается с учётом требований транспортировки. Мы гарантируем, что подшипники и комплектующие прибудут к заказчику в полной сохранности.
Доставка в страны ЕАЭС
Мы работаем с проверенными логистическими партнёрами, что позволяет оперативно доставлять заказы в Беларусь, Казахстан, Армению и другие страны ЕАЭС.
Варианты оплаты:
Минимальная сумма заказа и скидки:
Документы и гарантии:
Да, конечно! Наши технические специалисты готовы помочь вам с подбором точного аналога или замены подшипника. Просто позвоните нам по телефону +7 (495) 104-99-04 или напишите на почту zakaz@podsnab.ru.
Для оперативной консультации подготовьте, пожалуйста, имеющиеся данные: маркировку, размеры, тип оборудования или артикул старого подшипника.
Да, конечно! Мы высоко ценим долгосрочное сотрудничество и доверие клиентов по всей России. Для постоянных клиентов действует персональная система скидок.
Условия формируются индивидуально и зависят от:
Чтобы узнать свои условия и получить максимально выгодное предложение, свяжитесь с персональным менеджером или напишите нам на почту zakaz@podsnab.ru.
Вы можете оформить заказ несколькими способами:
Для оформления заказа от юридического лица свяжитесь с нашим отделом по работе с корпоративными клиентами по телефону +7 (495) 104-99-04 или напишите на email zakaz@podsnab.ru, прикрепив реквизиты вашей организации.
Мы оперативно подготовим коммерческое предложение и выставим счет.
Возврат товара надлежащего качества возможен в течение 10 дней с момента получения, если товар не был в употреблении, сохранен товарный вид, упаковка не вскрывалась и присутствуют все сопроводительные документы.
Возврат денежных средств осуществляется в течение 10 рабочих дней после проверки товара складом.
В соответствии с законодательством возврату не подлежат подшипники надлежащего качества, если отсутствует оригинальная упаковка или имеются следы монтажа.
В случае выявления брака или гарантийного случая мы гарантируем возврат или обмен товара.
Да, гарантийный срок хранения устанавливается заводом-изготовителем и в среднем составляет 2 года при соблюдении условий хранения: сухое помещение, оригинальная упаковка и смазка.
Точный срок для конкретного типа подшипника уточняйте у наших менеджеров.
Пн–Пт: с 8:00 до 17:00 (МСК).
Сб–Вс: выходные дни.
Заказы на сайте принимаются круглосуточно. Заявки, поступившие после окончания рабочего дня, обрабатываются на следующий рабочий день.
Минимальная сумма заказа для доставки составляет 3000 рублей. Самовывоз со склада возможен на любую сумму при наличии товара.
ООО «УралТехГрупп»
ИНН: 7415093830
КПП: 772401001
ОГРН: 1167456069021
Банк: ПАО Сбербанк
Р/с: 40702810838000475273
К/с: 30101810400000000225
БИК: 044525225
У подшипника RLS38 пока нет отзывов. Вы можете стать первым покупателем, поделившимся своим мнением.