Поиск подшипника
Статьи
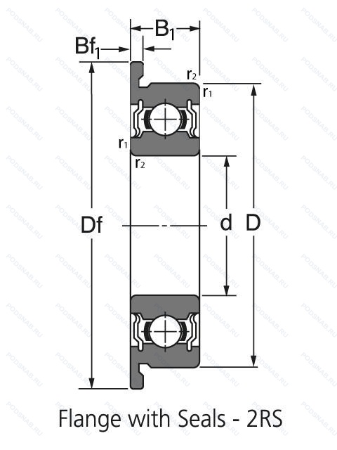
LF1470 2RS — Подшипник однорядный шариковый радиальный, модификация основного исполнения LF1470, производство NIS.
Размер подшипника: 7x14x5 мм.
Стиль корпуса: Фланец для легких условий эксплуатации, 3 болта, резиновые уплотнения с каждой стороны подшипника.
Международная стандартизации ISO
LF14702RS
В наличии
| Обозначение | Конструктивные изменения |
|---|---|
| LF1470 ZZ | Защитные металлические шайбы с обеих сторон. |
| LF1470 | Подшипник однорядный шариковый радиальный. Основное конструктивное исполнение. |
Модификации шарикового подшипника LF1470 2RS — это измененное основное конструктивное исполнение LF1470, основные размеры (7x14x5) не отличаются.
| Обозначение | Гост | Конструктивные особенности |
|---|---|---|
| 686ZZ EMQ V2 | ISO | Защитные металлические шайбы с двух сторон подшипника. Качество электродвигателя. Для применения. где основное требование снижение вибрации. |
| 628/7ZZN | ISO | Защитные металлические шайбы с обеих сторон. Канавка под стопорное кольцо на внешнем кольце. |
| 686ZZ A3 | ISO | Защитные металлические шайбы с обеих сторон. ABEC.3. |
| FR188.2ZR | ISO | Защитные металлические шайбы с обеих сторон. |
| 696VV M C3E | ISO | Подшипник с латунным сепаратором. центрированный по телам качения. Защитные металлические шайбы. с обеих сторон подшипника. Бесконтактное уплотнение. (лучше. чем ZZ. Можно использовать в умеренно запыленной среде). Внутренний зазор больше нормы. Класс электродвигателя. |
| 696DDU | ISO | Резиновые уплотнения с каждой стороны подшипника. |
| 686A ZZ1 M C3 E | ISO | Внутренний зазор больше нормального. Внутренняя конструкция отличается от стандартной. Шарикоподшипник. Однорядный электродвигатель. Уровень шума. Механически обработанный латунный сепаратор .Расположенный на элементах качения. Защитные из нержавеющей стали шайбы с двух сторон подшипника. |
| MR137M C3 | ISO | Внутренний зазор больше нормального. Подшипник с латунным сепаратором. центрированный по телам качения. |
| 696-2Z | ISO | Зазорные уплотнения с обеих сторон подшипника.. |
| R4ZZ15 | ISO | Защитные металлические шайбы с двух сторон подшипника. Outside Diameter In MM. |
| BC8-14ZZ | ISO | Защитные металлические шайбы с обеих сторон. |
| 696UM C3 | ISO | Внутренний зазор больше нормального. Дуплексный шпиндельный подшипник, универсальный монтаж и средняя предварительная нагрузка. |
| 686-2RSR-CO7 | ISO | Резиновые уплотнения с каждой стороны подшипника. Код местонахождения завода. может использоваться в стандартной комплектации. |
| 686-2Z-HLN | ISO | Защитные металлические шайбы с обеих сторон. Код местонахождения завода. может использоваться в стандартной комплектации. |
| 696-2RSR-HLN | ISO | Резиновые уплотнения с каждой стороны подшипника. Код местонахождения завода. может использоваться в стандартной комплектации. |
| 696-2Z-HLN | ISO | Защитные металлические шайбы с обеих сторон. Код местонахождения завода. может использоваться в стандартной комплектации. |
| 687ZZ+6 | ISO | Защитные металлические шайбы с обеих сторон. Exxon Aviation Instrument Oil. |
| 686 2RS SRL | ISO | Резиновые уплотнения с каждой стороны подшипника. Multemp SRL Grease. - 40° + 150° Celsius. |
| L1360ZZR | ISO | Две металлические защитные шайбы, наружное кольцо со сферической наружной поверхностью. |
| 696-2Z-C3 | ISO | Внутренний зазор больше нормального. Защитные металлические шайбы с обеих сторон. |
Аналог шарикового подшипника LF1470 2RS — это подшипник такого же размера dx7,Dx14,Bx5, типа и конструкции.
| Обозначение | Конструктивные особенности | Внутренний (d) | Наружный (D) | Ширина (B) |
|---|---|---|---|---|
| 5-1116096 К1 | Шариковый радиально-упорный однорядный подшипник. «Замок» (скос) на внутреннем кольце плюс массивный сепаратор из текстолита. | 6.00 | 15.00 | 5.00 |
| 5-1116096 К1П | Шариковый радиально-упорный однорядный подшипник. «Замок» (скос) на внутреннем кольце плюс массивный сепаратор из текстолита. | 6.00 | 15.00 | 5.00 |
| 5-1116096 КП | Шариковый радиально-упорный однорядный подшипник. «Замок» (скос) на внутреннем кольце плюс массивный сепаратор из текстолита. | 6.00 | 15.00 | 5.00 |
| 5-2000087 Ю | Шариковый радиальный однорядный подшипник. Все детали или часть деталей из нержавеющей стали.. | 7.00 | 14.00 | 4.00 |
| 5-2000087 ЮТ | Шариковый радиальный однорядный подшипник. Температура отпуска. 160°. Все детали или часть деталей из нержавеющей стали.. | 7.00 | 14.00 | 4.00 |
| 5-640096 К | Шариковый радиальный однорядный подшипник. «Замок» (скос) на внутреннем кольце плюс массивный сепаратор из текстолита. | 6.00 | 15.00 | 5.00 |
| 522-1080096-К1УС21 | Шариковый радиальный однорядный подшипник. Дополнительные технические требования. Смазка ЭРА. | 6.00 | 15.00 | 5.00 |
| 534-1080096-К1Т1У1С21 | Шариковый радиальный однорядный подшипник. 180°. Смазка ЭРА. Температура отпуска. Дополнительные технические требования. | 6.00 | 15.00 | 5.00 |
| 5М4-1006096 Е | Шариковый радиально-упорный однорядный подшипник. Сепаратор из текстолита.. | 6.00 | 15.00 | 5.00 |
| 6-1000096 Т2 | Шариковый радиальный однорядный подшипник. 200°. Температура отпуска. | 6.00 | 15.00 | 5.00 |
| 6-1000096-Ю1Т | Шариковый радиальный однорядный подшипник. Температура отпуска. 160°. Все детали или часть деталей из нержавеющей стали.. | 6.00 | 15.00 | 5.00 |
| 6-1000096 ЮТ | Шариковый радиальный однорядный подшипник. Температура отпуска. 160°. Все детали или часть деталей из нержавеющей стали.. | 6.00 | 15.00 | 5.00 |
| 6-1080096 С9 | Шариковый радиальный однорядный подшипник. Смазка ЛЗ-31. | 6.00 | 15.00 | 5.00 |
| 6-2000087 Ю | Шариковый радиальный однорядный подшипник. Все детали или часть деталей из нержавеющей стали.. | 7.00 | 14.00 | 4.00 |
| 6-2000087 ЮТ | Шариковый радиальный однорядный подшипник. Температура отпуска. 160°. Все детали или часть деталей из нержавеющей стали.. | 7.00 | 14.00 | 4.00 |
Способы доставки
Отправка через ведущие транспортные и курьерские компании: ПЭК, Деловые Линии, СДЭК, Байкал-Сервис, Энергия, КИТ, ЖелДорЭкспедиция.
Самовывоз возможен напрямую со склада в Москве.
Сроки доставки
Срок зависит от региона и выбранной транспортной компании. Все заказы комплектуются и отправляются в кратчайшие сроки со склада в Москве.
Надёжность и сохранность
Вся продукция упаковывается с учётом требований транспортировки. Мы гарантируем, что подшипники и комплектующие прибудут к заказчику в полной сохранности.
Доставка в страны ЕАЭС
Мы работаем с проверенными логистическими партнёрами, что позволяет оперативно доставлять заказы в Беларусь, Казахстан, Армению и другие страны ЕАЭС.
Варианты оплаты:
Минимальная сумма заказа и скидки:
Документы и гарантии:
Да, конечно! Наши технические специалисты готовы помочь вам с подбором точного аналога или замены подшипника. Просто позвоните нам по телефону +7 (495) 104-99-04 или напишите на почту zakaz@podsnab.ru.
Для оперативной консультации подготовьте, пожалуйста, имеющиеся данные: маркировку, размеры, тип оборудования или артикул старого подшипника.
Да, конечно! Мы высоко ценим долгосрочное сотрудничество и доверие клиентов по всей России. Для постоянных клиентов действует персональная система скидок.
Условия формируются индивидуально и зависят от:
Чтобы узнать свои условия и получить максимально выгодное предложение, свяжитесь с персональным менеджером или напишите нам на почту zakaz@podsnab.ru.
Вы можете оформить заказ несколькими способами:
Для оформления заказа от юридического лица свяжитесь с нашим отделом по работе с корпоративными клиентами по телефону +7 (495) 104-99-04 или напишите на email zakaz@podsnab.ru, прикрепив реквизиты вашей организации.
Мы оперативно подготовим коммерческое предложение и выставим счет.
Возврат товара надлежащего качества возможен в течение 10 дней с момента получения, если товар не был в употреблении, сохранен товарный вид, упаковка не вскрывалась и присутствуют все сопроводительные документы.
Возврат денежных средств осуществляется в течение 10 рабочих дней после проверки товара складом.
В соответствии с законодательством возврату не подлежат подшипники надлежащего качества, если отсутствует оригинальная упаковка или имеются следы монтажа.
В случае выявления брака или гарантийного случая мы гарантируем возврат или обмен товара.
Да, гарантийный срок хранения устанавливается заводом-изготовителем и в среднем составляет 2 года при соблюдении условий хранения: сухое помещение, оригинальная упаковка и смазка.
Точный срок для конкретного типа подшипника уточняйте у наших менеджеров.
Пн–Пт: с 8:00 до 17:00 (МСК).
Сб–Вс: выходные дни.
Заказы на сайте принимаются круглосуточно. Заявки, поступившие после окончания рабочего дня, обрабатываются на следующий рабочий день.
Минимальная сумма заказа для доставки составляет 3000 рублей. Самовывоз со склада возможен на любую сумму при наличии товара.
ООО «УралТехГрупп»
ИНН: 7415093830
КПП: 772401001
ОГРН: 1167456069021
Банк: ПАО Сбербанк
Р/с: 40702810838000475273
К/с: 30101810400000000225
БИК: 044525225
У подшипника LF1470 2RS пока нет отзывов. Вы можете стать первым покупателем, поделившимся своим мнением.