Поиск подшипника
Статьи
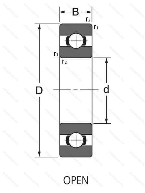
R1760 — Подшипник однорядный шариковый радиальный, основное исполнение, производство NIS.
Размер подшипника: 6x17x6 мм.
Международная стандартизации ISO
R1760
В наличии
| Обозначение | Конструктивные изменения |
|---|---|
| R1760ZZ | Защитные металлические шайбы с обеих сторон. |
| R1760 2RS | Резиновые уплотнения с каждой стороны подшипника. |
| R1760ZZRA1P25 | 2Z (SKF)=Z-shield on both sides of the bearing.. Ribbon Type Retainer. ABEC.1. 0.0002”-0.0005” Radial Play. |
Модификации шарикового подшипника R1760 — это измененное основное конструктивное исполнение R1760, основные размеры (6x17x6) не отличаются.
| Обозначение | Гост | Конструктивные особенности |
|---|---|---|
| 625-HLN | ISO | Код местонахождения завода. может использоваться в стандартной комплектации. |
| 625MC3E | ISO | (Миниатюрные радиальные шарикоподшипники серии Metric. M = без латунного сепаратора) = Нормальный радиальный внутренний зазор. |
| 625LLB | ISO | Уплотнение бесконтактного типа из синтетического каучука. |
| 606DD+6 | ISO | Два уплотнения из PTFE. Exxon Aviation Instrument Oil. |
| 606ZZ+6 | ISO | Защитные металлические шайбы с обеих сторон. Exxon Aviation Instrument Oil. |
| 606-J | ISO | Сепаратор из стали. |
| 625ZMC3E | ISO | Тихая работа. щит из листовой прессованной стали с одной стороны подшипника. Улучшенный нормальный зазор (без латунного сепаратора). |
| K625POM/GLASS | ISO | Полимер. Стеклянные тела качения. |
| 625DD+6 | ISO | Два уплотнения из PTFE. Exxon Aviation Instrument Oil. |
| 625ZZ+6 | ISO | Защитные металлические шайбы с обеих сторон. Exxon Aviation Instrument Oil. |
| 697-HLC | ISO | Код местонахождения завода. может использоваться в стандартной комплектации. |
| 625-2RZ C3 | ISO | Внутренний зазор больше нормального. Шарикоподшипник. С уплотнением и низким коэффициентом трения с обеих сторон. Уплотнение состоит из шайбы из листовой стали с вулканизированной резиной. |
| 697.2RSR | ISO | Резиновые уплотнения с каждой стороны подшипника. |
| 625ZZ1 MC3J/NS7S8 | ISO | Стандартное заполнение. Сепаратор из стали. (Миниатюрные радиальные шарикоподшипники серии Metric. M = без латунного сепаратора) = Нормальный радиальный внутренний зазор. Защитные из нержавеющей стали шайбы с двух сторон подшипника. NS Hi Lube Grease. (NS7/ Inside With Grease. Up Than 35%. Temperature Resistance -40°C To +140°C). |
| F625 | ISO | Механически обработанный сепаратор из стали или специального чугуна. |
| 625-2Z GPR E G310 | ISO | Сепаратор изготовлен из листовой стали. Защитные металлические шайбы с обеих сторон. Испытание на шум. Klüber Asonic GLY32. Temperature Range/ -50°C to 140°C. |
| 625/0002GPR J | ISO | Сепаратор изготовлен из нержавеющей листовой стали. Испытание на шум. |
| 625GPR E | ISO | Сепаратор изготовлен из листовой стали. Испытание на шум. |
| R1660HH | ISO | Double Shield. Non Removable. |
| 625-2RSR-HLN-C3 | ISO | Внутренний зазор больше нормального. Резиновые уплотнения с каждой стороны подшипника. Код местонахождения завода. может использоваться в стандартной комплектации. |
Аналог шарикового подшипника R1760 — это подшипник такого же размера dx6,Dx17,Bx6, типа и конструкции.
| Обозначение | Конструктивные особенности | Внутренний (d) | Наружный (D) | Ширина (B) |
|---|---|---|---|---|
| 5-640025-У | Шариковый радиальный однорядный подшипник. Дополнительные технические требования. | 5.00 | 16.00 | 5.00 |
| 5-80025-К1С21 | Шариковый радиальный однорядный подшипник. Смазка ЭРА. | 5.00 | 16.00 | 5.00 |
| 5-80025-КС21 | Шариковый радиальный однорядный подшипник. «Замок» (скос) на внутреннем кольце плюс массивный сепаратор из текстолита. Смазка ЭРА. | 5.00 | 16.00 | 5.00 |
| 5-80025-КЮТС21 | Шариковый радиальный однорядный подшипник. «Замок» (скос) на внутреннем кольце плюс массивный сепаратор из текстолита. Температура отпуска. 160°. Смазка ЭРА. Все детали или часть деталей из нержавеющей стали.. | 5.00 | 16.00 | 5.00 |
| 5-80025 ЮТС19 | Шариковый радиальный однорядный подшипник. Температура отпуска. 160°. Все детали или часть деталей из нержавеющей стали.. Смазка ВНИИНП-286. | 5.00 | 16.00 | 5.00 |
| 5-80025-ЮТС2 | Шариковый радиальный однорядный подшипник. Температура отпуска. 160°. Все детали или часть деталей из нержавеющей стали.. Смазка ЦИАТИМ-221. | 5.00 | 16.00 | 5.00 |
| 5-80025-ЮТС21 | Шариковый радиальный однорядный подшипник. Температура отпуска. 160°. Смазка ЭРА. Все детали или часть деталей из нержавеющей стали.. | 5.00 | 16.00 | 5.00 |
| 5-840025-К | Шариковый радиальный однорядный подшипник. «Замок» (скос) на внутреннем кольце плюс массивный сепаратор из текстолита. | 5.00 | 16.00 | 6.00 |
| 536057-К | Шариковый радиально-упорный однорядный подшипник. «Замок» (скос) на внутреннем кольце плюс массивный сепаратор из текстолита. | 6.20 | 17.60 | 5.50 |
| 5М5-6025 | Шариковый радиально-упорный однорядный подшипник. Модифицированный контакт.. | 5.00 | 16.00 | 5.00 |
| 6-1000097 БЮТБ | Шариковый радиальный однорядный подшипник. Температура отпуска. 160°. Все детали или часть деталей из нержавеющей стали.. Сепаратор из безоловянистой бронзы.. | 7.00 | 17.00 | 5.00 |
| 6-1000097 Т2 | Шариковый радиальный однорядный подшипник. 200°. Температура отпуска. | 7.00 | 17.00 | 5.00 |
| 6-1000097 ЮТ | Шариковый радиальный однорядный подшипник. Температура отпуска. 160°. Все детали или часть деталей из нержавеющей стали.. | 7.00 | 17.00 | 5.00 |
| 6-1000097 ЮТП | Шариковый радиальный однорядный подшипник. Температура отпуска. 160°. Все детали или часть деталей из нержавеющей стали.. | 7.00 | 17.00 | 5.00 |
| 6-1008096-Е | Шариковый упорный однорядный подшипник. Сепаратор из текстолита.. | 6.00 | 18.00 | 7.00 |
Способы доставки
Отправка через ведущие транспортные и курьерские компании: ПЭК, Деловые Линии, СДЭК, Байкал-Сервис, Энергия, КИТ, ЖелДорЭкспедиция.
Самовывоз возможен напрямую со склада в Москве.
Сроки доставки
Срок зависит от региона и выбранной транспортной компании. Все заказы комплектуются и отправляются в кратчайшие сроки со склада в Москве.
Надёжность и сохранность
Вся продукция упаковывается с учётом требований транспортировки. Мы гарантируем, что подшипники и комплектующие прибудут к заказчику в полной сохранности.
Доставка в страны ЕАЭС
Мы работаем с проверенными логистическими партнёрами, что позволяет оперативно доставлять заказы в Беларусь, Казахстан, Армению и другие страны ЕАЭС.
Варианты оплаты:
Минимальная сумма заказа и скидки:
Документы и гарантии:
Да, конечно! Наши технические специалисты готовы помочь вам с подбором точного аналога или замены подшипника. Просто позвоните нам по телефону +7 (495) 104-99-04 или напишите на почту zakaz@podsnab.ru.
Для оперативной консультации подготовьте, пожалуйста, имеющиеся данные: маркировку, размеры, тип оборудования или артикул старого подшипника.
Да, конечно! Мы высоко ценим долгосрочное сотрудничество и доверие клиентов по всей России. Для постоянных клиентов действует персональная система скидок.
Условия формируются индивидуально и зависят от:
Чтобы узнать свои условия и получить максимально выгодное предложение, свяжитесь с персональным менеджером или напишите нам на почту zakaz@podsnab.ru.
Вы можете оформить заказ несколькими способами:
Для оформления заказа от юридического лица свяжитесь с нашим отделом по работе с корпоративными клиентами по телефону +7 (495) 104-99-04 или напишите на email zakaz@podsnab.ru, прикрепив реквизиты вашей организации.
Мы оперативно подготовим коммерческое предложение и выставим счет.
Возврат товара надлежащего качества возможен в течение 10 дней с момента получения, если товар не был в употреблении, сохранен товарный вид, упаковка не вскрывалась и присутствуют все сопроводительные документы.
Возврат денежных средств осуществляется в течение 10 рабочих дней после проверки товара складом.
В соответствии с законодательством возврату не подлежат подшипники надлежащего качества, если отсутствует оригинальная упаковка или имеются следы монтажа.
В случае выявления брака или гарантийного случая мы гарантируем возврат или обмен товара.
Да, гарантийный срок хранения устанавливается заводом-изготовителем и в среднем составляет 2 года при соблюдении условий хранения: сухое помещение, оригинальная упаковка и смазка.
Точный срок для конкретного типа подшипника уточняйте у наших менеджеров.
Пн–Пт: с 8:00 до 17:00 (МСК).
Сб–Вс: выходные дни.
Заказы на сайте принимаются круглосуточно. Заявки, поступившие после окончания рабочего дня, обрабатываются на следующий рабочий день.
Минимальная сумма заказа для доставки составляет 3000 рублей. Самовывоз со склада возможен на любую сумму при наличии товара.
ООО «УралТехГрупп»
ИНН: 7415093830
КПП: 772401001
ОГРН: 1167456069021
Банк: ПАО Сбербанк
Р/с: 40702810838000475273
К/с: 30101810400000000225
БИК: 044525225
У подшипника R1760 пока нет отзывов. Вы можете стать первым покупателем, поделившимся своим мнением.