Поиск подшипника
Статьи
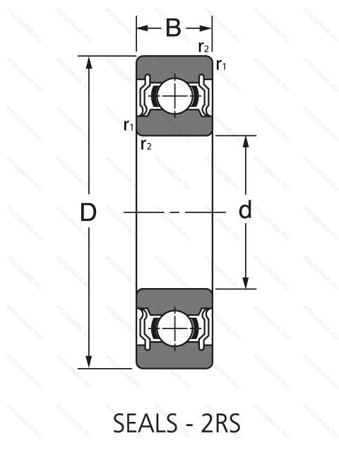
L1790 2RS — Подшипник однорядный шариковый радиальный, модификация основного исполнения L1790, производство NIS.
Размер подшипника: 9x17x5 мм.
Резиновые уплотнения с каждой стороны подшипника.
Международная стандартизации ISO
L17902RS
В наличии
| Обозначение | Конструктивные изменения |
|---|---|
| L1790 ZZ | Защитные металлические шайбы с обеих сторон. |
| L1790 | Подшипник однорядный шариковый радиальный. Основное конструктивное исполнение. |
Модификации шарикового подшипника L1790 2RS — это измененное основное конструктивное исполнение L1790, основные размеры (9x17x5) не отличаются.
| Обозначение | Гост | Конструктивные особенности |
|---|---|---|
| 688J | ISO | Сепаратор из стали. |
| 618/8TNH | ISO | Формованный полиамидный защелкивающийся сепаратор. |
| 689Z M C3 | ISO | Внутренний зазор больше нормального. Механически обработанный латунный сепаратор .Расположенный на элементах качения. щит из листовой прессованной стали с одной стороны подшипника. |
| 628/8-2Z/C3 | ISO | Внутренний зазор больше нормального. Защитные металлические шайбы с обеих сторон подшипника. Средний предварительный натяг. |
| 689ZZ1 MC3 | ISO | (Миниатюрные радиальные шарикоподшипники серии Metric. M = без латунного сепаратора) = Нормальный радиальный внутренний зазор. Защитные из нержавеющей стали шайбы с двух сторон подшипника. |
| 688LLU | ISO | Резиновые уплотнения с каждой стороны подшипника. |
| 688-2RSR-HLN | ISO | Резиновые уплотнения с каждой стороны подшипника. Код местонахождения завода. может использоваться в стандартной комплектации. |
| 688-H-2RSR | ISO | Стандартное качество. Резиновые уплотнения с каждой стороны подшипника. |
| 688-2Z-HLN | ISO | Защитные металлические шайбы с обеих сторон. Код местонахождения завода. может использоваться в стандартной комплектации. |
| 689-2Z-HLN | ISO | Защитные металлические шайбы с обеих сторон. Код местонахождения завода. может использоваться в стандартной комплектации. |
| 689ZZ+6 | ISO | Защитные металлические шайбы с обеих сторон. Exxon Aviation Instrument Oil. |
| 688AZZ1MC3EJAS2S5 | ISO | Стандартное заполнение. Внутренняя конструкция отличается от стандартной. Тихая работа. 1/4 Full. Standard Single Pack. Смазка Aeroshell 7. Диапазон от –10°C до 110°C.. Улучшенный обычный клиренс (без латунного сепаратора). Защитные из нержавеющей стали шайбы с двух сторон подшипника. |
| 689-2RSR-HLC | ISO | Резиновые уплотнения с каждой стороны подшипника. Код местонахождения завода. может использоваться в стандартной комплектации. |
| 689-HLC | ISO | Код местонахождения завода. может использоваться в стандартной комплектации. |
| 688-2RS-L082-HLC | ISO | Резиновые уплотнения с каждой стороны подшипника. Код местонахождения завода. может использоваться в стандартной комплектации. Klueber Isoflex Super LDS18 High Speed Low Noise Grease. Temp. Range -50 To +120 °C. |
| LNR1680HHR | ISO | Double Shield. Non Removable. |
| 618/8-2RS1 | ISO | Усиленные листовой сталью контактные уплотнения из акрилонитрил-бутадиенового каучука (NBR) с обеих сторон подшипника. |
| 689Z TBH | ISO | щит из листовой прессованной стали с одной стороны подшипника. Защелкивающийся сепаратор. Ламинированная фенольная смола. |
| 688C3 | ISO | Внутренний зазор больше нормального. |
| 688ZZ W5 | ISO | Защитные металлические шайбы с обеих сторон. Ширина отличается от стандартной. |
Аналог шарикового подшипника L1790 2RS — это подшипник такого же размера dx9,Dx17,Bx5, типа и конструкции.
| Обозначение | Конструктивные особенности | Внутренний (d) | Наружный (D) | Ширина (B) |
|---|---|---|---|---|
| F689-2Z | Шариковый радиальный однорядный подшипник. Защитные металлические шайбы с обеих сторон подшипника. | 9.00 | 17.00 | 5.00 |
| F688W6 | Шариковый радиальный однорядный подшипник. Количество кареток на направляющей. | 8.00 | 16.00 | 6.00 |
| F688W5 | Шариковый радиальный однорядный подшипник. Количество кареток на направляющей. | 8.00 | 16.00 | 5.00 |
| 1000088-5ММ | Шариковый радиальный однорядный подшипник. Модифицированный контакт.. | 8.00 | 16.00 | 4.00 |
| 1000088-ZZ | Шариковый радиальный однорядный подшипник. Защитные металлические шайбы с обеих сторон. | 8.00 | 16.00 | 4.00 |
| 1000088-ZZ-(5ММ) | Шариковый радиальный однорядный подшипник. Защитные металлические шайбы с обеих сторон. Модифицированный контакт.. | 8.00 | 16.00 | 4.00 |
| 1000088.2RS | Шариковый радиальный однорядный подшипник. Резиновые уплотнения с каждой стороны подшипника. | 8.00 | 16.00 | 4.00 |
| 5-1000088 У | Шариковый радиальный однорядный подшипник. Дополнительные технические требования. | 8.00 | 16.00 | 4.00 |
| 5-1000088 Ю | Шариковый радиальный однорядный подшипник. Все детали или часть деталей из нержавеющей стали.. | 8.00 | 16.00 | 4.00 |
| 5-1000088 ЮТ | Шариковый радиальный однорядный подшипник. Температура отпуска. 160°. Все детали или часть деталей из нержавеющей стали.. | 8.00 | 16.00 | 4.00 |
| 5-616059 Р3 | Шариковый радиально-упорный однорядный подшипник. Детали из теплоустойчивой (быстрорежущие) стали.. | 9.00 | 17.00 | 4.00 |
| 6100-Е | Шариковый радиально-упорный однорядный подшипник. Сепаратор из текстолита.. | 10.00 | 16.00 | 5.00 |
| 6-1000088 Т | Шариковый радиальный однорядный подшипник. Температура отпуска. 160°. | 8.00 | 16.00 | 4.00 |
| 6-1000088 Ю | Шариковый радиальный однорядный подшипник. Все детали или часть деталей из нержавеющей стали.. | 8.00 | 16.00 | 4.00 |
| 6-1000088 ЮТ | Шариковый радиальный однорядный подшипник. Температура отпуска. 160°. Все детали или часть деталей из нержавеющей стали.. | 8.00 | 16.00 | 4.00 |
Способы доставки
Отправка через ведущие транспортные и курьерские компании: ПЭК, Деловые Линии, СДЭК, Байкал-Сервис, Энергия, КИТ, ЖелДорЭкспедиция.
Самовывоз возможен напрямую со склада в Москве.
Сроки доставки
Срок зависит от региона и выбранной транспортной компании. Все заказы комплектуются и отправляются в кратчайшие сроки со склада в Москве.
Надёжность и сохранность
Вся продукция упаковывается с учётом требований транспортировки. Мы гарантируем, что подшипники и комплектующие прибудут к заказчику в полной сохранности.
Доставка в страны ЕАЭС
Мы работаем с проверенными логистическими партнёрами, что позволяет оперативно доставлять заказы в Беларусь, Казахстан, Армению и другие страны ЕАЭС.
Варианты оплаты:
Минимальная сумма заказа и скидки:
Документы и гарантии:
Да, конечно! Наши технические специалисты готовы помочь вам с подбором точного аналога или замены подшипника. Просто позвоните нам по телефону +7 (495) 104-99-04 или напишите на почту zakaz@podsnab.ru.
Для оперативной консультации подготовьте, пожалуйста, имеющиеся данные: маркировку, размеры, тип оборудования или артикул старого подшипника.
Да, конечно! Мы высоко ценим долгосрочное сотрудничество и доверие клиентов по всей России. Для постоянных клиентов действует персональная система скидок.
Условия формируются индивидуально и зависят от:
Чтобы узнать свои условия и получить максимально выгодное предложение, свяжитесь с персональным менеджером или напишите нам на почту zakaz@podsnab.ru.
Вы можете оформить заказ несколькими способами:
Для оформления заказа от юридического лица свяжитесь с нашим отделом по работе с корпоративными клиентами по телефону +7 (495) 104-99-04 или напишите на email zakaz@podsnab.ru, прикрепив реквизиты вашей организации.
Мы оперативно подготовим коммерческое предложение и выставим счет.
Возврат товара надлежащего качества возможен в течение 10 дней с момента получения, если товар не был в употреблении, сохранен товарный вид, упаковка не вскрывалась и присутствуют все сопроводительные документы.
Возврат денежных средств осуществляется в течение 10 рабочих дней после проверки товара складом.
В соответствии с законодательством возврату не подлежат подшипники надлежащего качества, если отсутствует оригинальная упаковка или имеются следы монтажа.
В случае выявления брака или гарантийного случая мы гарантируем возврат или обмен товара.
Да, гарантийный срок хранения устанавливается заводом-изготовителем и в среднем составляет 2 года при соблюдении условий хранения: сухое помещение, оригинальная упаковка и смазка.
Точный срок для конкретного типа подшипника уточняйте у наших менеджеров.
Пн–Пт: с 8:00 до 17:00 (МСК).
Сб–Вс: выходные дни.
Заказы на сайте принимаются круглосуточно. Заявки, поступившие после окончания рабочего дня, обрабатываются на следующий рабочий день.
Минимальная сумма заказа для доставки составляет 3000 рублей. Самовывоз со склада возможен на любую сумму при наличии товара.
ООО «УралТехГрупп»
ИНН: 7415093830
КПП: 772401001
ОГРН: 1167456069021
Банк: ПАО Сбербанк
Р/с: 40702810838000475273
К/с: 30101810400000000225
БИК: 044525225
У подшипника L1790 2RS пока нет отзывов. Вы можете стать первым покупателем, поделившимся своим мнением.