Поиск подшипника
Статьи
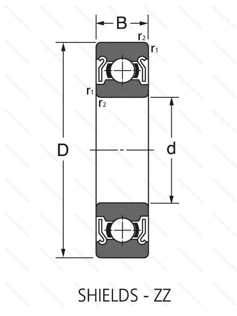
L520Y02 ZZ — Подшипник однорядный шариковый радиальный, модификация основного исполнения L520, производство NIS.
Размер подшипника: 2x5x2 мм.
Защитные металлические шайбы с обеих сторон.
Международная стандартизации ISO
L520Y02ZZ
В наличии
| Обозначение | Конструктивные изменения |
|---|---|
| L520 ZZ | Защитные металлические шайбы с обеих сторон. |
| L520Y02 | Подшипник однорядный шариковый радиальный. |
| L520 | Подшипник однорядный шариковый радиальный. Основное конструктивное исполнение. |
Модификации шарикового подшипника L520Y02 ZZ — это измененное основное конструктивное исполнение L520, основные размеры (2x5x2) не отличаются.
| Обозначение | Гост | Конструктивные особенности |
|---|---|---|
| 691X ZZ | ISO | Защитные металлические шайбы с обеих сторон. Размеры больше. чем у изделий без суффикса X (пример/ F682X = d 2.5 - D 7.1 - B 1.8 / F682 = d 2 - D 6.1 - B 1.5). |
| SSRI3ZZ | ISO | Защитные металлические шайбы с обеих сторон. |
| F682ZZ | ISO | Защитные металлические шайбы с обеих сторон. Подшипник с фланцевым наружным кольцом. |
| 681X ZZ | ISO | Защитные металлические шайбы с обеих сторон. Габаритные размеры отличаются от стандарта ISO или опорные ролики с цилиндрической наружной поверхностью. |
| WAX2N | ISO | Канавка под стопорное кольцо на внешнем кольце. |
| 682X | ISO | Габаритные размеры отличаются от стандарта ISO или опорные ролики с цилиндрической наружной поверхностью. |
| SR1ZZ | ISO | Защитные металлические шайбы с обеих сторон. |
| R410H A1 | ISO | CROWN. LAND PILOTED. ABEC.1. |
| S3332FRHH P5 | ISO | Размерная и рабочая точность соответствует классу допуска ISO 5. |
| 692GPR J | ISO | Сепаратор изготовлен из нержавеющей листовой стали. Испытание на шум. |
| 618/2 2RS | ISO | Резиновые уплотнения с каждой стороны подшипника. |
| WBX2ZZ T5 | ISO | Защитные металлические шайбы с обеих сторон. Tolerance Class 5. |
| 681-X-2Z-HLC | ISO | Защитные металлические шайбы с обеих сторон. Размеры больше. чем у изделий без суффикса X (пример/ F682X = d 2.5 - D 7.1 - B 1.8 / F682 = d 2 - D 6.1 - B 1.5). Код местонахождения завода. может использоваться в стандартной комплектации. |
| UL306X-L23 | ISO | Измененные размеры границ. введенные пересмотренными стандартами ISO. Высокая скорость и высокая температура. Малошумная смазка.. |
| F673ZZ | ISO | Защитные металлические шайбы с обеих сторон. |
| 682-HLC | ISO | Код местонахождения завода. может использоваться в стандартной комплектации. |
| MR52-2Z-HLC | ISO | Защитные металлические шайбы с обеих сторон. Код местонахождения завода. может использоваться в стандартной комплектации. |
| 682-2Z-HLC | ISO | Защитные металлические шайбы с обеих сторон. Код местонахождения завода. может использоваться в стандартной комплектации. |
| MR62.2Z | ISO | Зазорные уплотнения с обеих сторон подшипника.. |
| SSF68/1,5-2Z GPR J G3 | ISO | Сепаратор изготовлен из нержавеющей листовой стали. Защитные металлические шайбы с обеих сторон. Number Of Carriages Per Rail Track. Испытание на шум. Distance Between Beginning Of The Rail And First Hole In MM. Класс точности 3. |
Аналог шарикового подшипника L520Y02 ZZ — это подшипник такого же размера dx2,Dx5,Bx2, типа и конструкции.
| Обозначение | Конструктивные особенности | Внутренний (d) | Наружный (D) | Ширина (B) |
|---|---|---|---|---|
| 5-184008/2.5 Ю2Т | Шариковый радиальный однорядный подшипник. Температура отпуска. 160°. Все детали или часть деталей из нержавеющей стали.. | 2.50 | 6.00 | 1.80 |
| 5-2000154 Ю3Т | Шариковый радиальный однорядный подшипник. Температура отпуска. 160°. Все детали или часть деталей из нержавеющей стали.. | 1.50 | 4.00 | 1.70 |
| 5-2000154 ЮТ | Шариковый радиальный однорядный подшипник. Температура отпуска. 160°. Все детали или часть деталей из нержавеющей стали.. | 1.50 | 4.00 | 1.70 |
| 5-2000154 ЮТ-Ф | Шариковый радиальный однорядный подшипник. Температура отпуска. 160°. Все детали или часть деталей из нержавеющей стали.. | 1.50 | 4.00 | 1.70 |
| 5-2000154 ЮТФ1 | Шариковый радиальный однорядный подшипник. Температура отпуска. 160°. Все детали или часть деталей из нержавеющей стали.. | 1.50 | 4.00 | 1.70 |
| 5-2000154 ЮТФ2 | Шариковый радиальный однорядный подшипник. Температура отпуска. 160°. Все детали или часть деталей из нержавеющей стали.. | 1.50 | 4.00 | 1.70 |
| 5-2860154 ЮТ | Шариковый радиальный однорядный подшипник. Температура отпуска. 160°. Все детали или часть деталей из нержавеющей стали.. | 1.50 | 4.00 | 1.70 |
| 5-60061 ЮТ | Шариковый радиальный однорядный подшипник. Температура отпуска. 160°. Все детали или часть деталей из нержавеющей стали.. | 1.00 | 4.00 | 1.70 |
| 5-840154 Ю4Т | Шариковый радиальный однорядный подшипник. Температура отпуска. 160°. Все детали или часть деталей из нержавеющей стали.. | 1.50 | 4.00 | 1.60 |
| 502-3080092-УС21 | Шариковый радиальный однорядный подшипник. Дополнительные технические требования. Смазка ЭРА. | 2.00 | 6.00 | 3.00 |
| 6-1000091 ЮТ | Шариковый радиальный однорядный подшипник. Температура отпуска. 160°. Все детали или часть деталей из нержавеющей стали.. | 1.00 | 4.00 | 1.60 |
| 6-1000091 Я | Шариковый радиальный однорядный подшипник. Детали (кольца. | 1.00 | 4.00 | 1.60 |
| 6-1000092 Ю2Т | Шариковый радиальный однорядный подшипник. Температура отпуска. 160°. Все детали или часть деталей из нержавеющей стали.. | 2.00 | 6.00 | 2.30 |
| 6-1000092 ЮТ | Шариковый радиальный однорядный подшипник. Температура отпуска. 160°. Все детали или часть деталей из нержавеющей стали.. | 2.00 | 6.00 | 2.30 |
| 6-2000154 ЮТ | Шариковый радиальный однорядный подшипник. Температура отпуска. 160°. Все детали или часть деталей из нержавеющей стали.. | 1.50 | 4.00 | 1.70 |
Способы доставки
Отправка через ведущие транспортные и курьерские компании: ПЭК, Деловые Линии, СДЭК, Байкал-Сервис, Энергия, КИТ, ЖелДорЭкспедиция.
Самовывоз возможен напрямую со склада в Москве.
Сроки доставки
Срок зависит от региона и выбранной транспортной компании. Все заказы комплектуются и отправляются в кратчайшие сроки со склада в Москве.
Надёжность и сохранность
Вся продукция упаковывается с учётом требований транспортировки. Мы гарантируем, что подшипники и комплектующие прибудут к заказчику в полной сохранности.
Доставка в страны ЕАЭС
Мы работаем с проверенными логистическими партнёрами, что позволяет оперативно доставлять заказы в Беларусь, Казахстан, Армению и другие страны ЕАЭС.
Варианты оплаты:
Минимальная сумма заказа и скидки:
Документы и гарантии:
Да, конечно! Наши технические специалисты готовы помочь вам с подбором точного аналога или замены подшипника. Просто позвоните нам по телефону +7 (495) 104-99-04 или напишите на почту zakaz@podsnab.ru.
Для оперативной консультации подготовьте, пожалуйста, имеющиеся данные: маркировку, размеры, тип оборудования или артикул старого подшипника.
Да, конечно! Мы высоко ценим долгосрочное сотрудничество и доверие клиентов по всей России. Для постоянных клиентов действует персональная система скидок.
Условия формируются индивидуально и зависят от:
Чтобы узнать свои условия и получить максимально выгодное предложение, свяжитесь с персональным менеджером или напишите нам на почту zakaz@podsnab.ru.
Вы можете оформить заказ несколькими способами:
Для оформления заказа от юридического лица свяжитесь с нашим отделом по работе с корпоративными клиентами по телефону +7 (495) 104-99-04 или напишите на email zakaz@podsnab.ru, прикрепив реквизиты вашей организации.
Мы оперативно подготовим коммерческое предложение и выставим счет.
Возврат товара надлежащего качества возможен в течение 10 дней с момента получения, если товар не был в употреблении, сохранен товарный вид, упаковка не вскрывалась и присутствуют все сопроводительные документы.
Возврат денежных средств осуществляется в течение 10 рабочих дней после проверки товара складом.
В соответствии с законодательством возврату не подлежат подшипники надлежащего качества, если отсутствует оригинальная упаковка или имеются следы монтажа.
В случае выявления брака или гарантийного случая мы гарантируем возврат или обмен товара.
Да, гарантийный срок хранения устанавливается заводом-изготовителем и в среднем составляет 2 года при соблюдении условий хранения: сухое помещение, оригинальная упаковка и смазка.
Точный срок для конкретного типа подшипника уточняйте у наших менеджеров.
Пн–Пт: с 8:00 до 17:00 (МСК).
Сб–Вс: выходные дни.
Заказы на сайте принимаются круглосуточно. Заявки, поступившие после окончания рабочего дня, обрабатываются на следующий рабочий день.
Минимальная сумма заказа для доставки составляет 3000 рублей. Самовывоз со склада возможен на любую сумму при наличии товара.
ООО «УралТехГрупп»
ИНН: 7415093830
КПП: 772401001
ОГРН: 1167456069021
Банк: ПАО Сбербанк
Р/с: 40702810838000475273
К/с: 30101810400000000225
БИК: 044525225
У подшипника L520Y02 ZZ пока нет отзывов. Вы можете стать первым покупателем, поделившимся своим мнением.