Поиск подшипника
Статьи
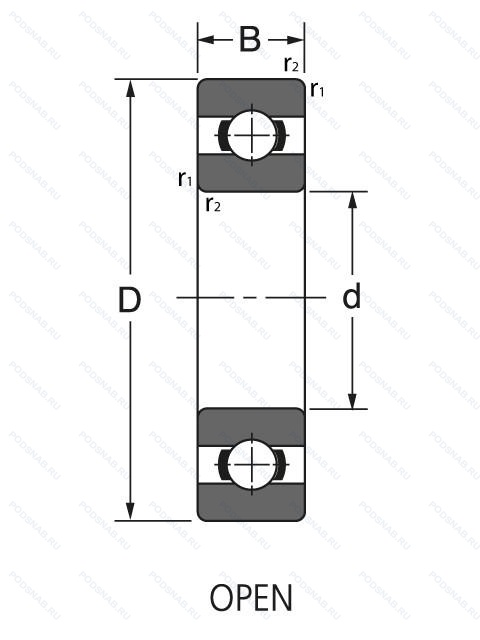
R830Y52 — Подшипник однорядный шариковый радиальный, модификация основного исполнения R830, производство NIS.
Размер подшипника: 3x8x2 мм.
Международная стандартизации ISO
R830Y52
В наличии
| Обозначение | Конструктивные изменения |
|---|---|
| R830ZZ | Защитные металлические шайбы с обеих сторон. |
| R830 2RS | Резиновые уплотнения с каждой стороны подшипника. |
| R830 | Подшипник однорядный шариковый радиальный. Основное конструктивное исполнение. |
| R830ZZ Y03 | Защитные металлические шайбы с обеих сторон. |
| R830-1 | Наружное кольцо подшипника с роликами и сепаратором. Number Of Carriages Per Rail Track. |
| R830-2A | Наружное кольцо подшипника с роликами и сепаратором. Lubricant. Shell Oil Co.. Alvania #2 Grease. Mil-G-18709A. |
Модификации шарикового подшипника R830Y52 — это измененное основное конструктивное исполнение R830, основные размеры (3x8x2) не отличаются.
| Обозначение | Гост | Конструктивные особенности |
|---|---|---|
| MR84ZZ EMQ V1 | ISO | Защитные металлические шайбы с двух сторон подшипника. Качество электродвигателя. Для применения. где основное требование снижение вибрации. |
| MF84 | ISO | Механически обработанный латунный сепаратор. Механически обработанный сепаратор из стали или специального чугуна. Миниатюрный метрический подшипник со специальными размерами и фланцевым наружным кольцом. |
| MR84T12 ZZ C3 | ISO | Внутренний зазор больше нормального. Защитные стальные шайбы с обеих сторон. Сепаратор. усиленный стекловолокном. |
| FLWBC4-8ZZA | ISO | Две съемные защитные металлические шайбы. |
| 674ZZ | ISO | Защитные металлические шайбы с обеих сторон. |
| RV308X | ISO | Нержавеющая сталь (AISI440C). |
| MR93ZZS | ISO | Защитные металлические шайбы с двух сторон подшипника (удерживается стопорным кольцом на внешнем кольце - обычно для миниатюрных шарикоподшипников). |
| X3ZZ T5 K75 | ISO | Защитные металлические шайбы с обеих сторон. Tolerance Class 5. |
| 6/480-2Z/F/SS | ISO | Защитные металлические шайбы с обеих сторон. Фланец. Нержавеющая сталь. |
| 674LLU | ISO | Резиновые уплотнения с каждой стороны подшипника. |
| 618/3 2RS | ISO | Резиновые уплотнения с каждой стороны подшипника. |
| 618/3ZZ | ISO | Защитные металлические шайбы с обеих сторон. |
| 6/470-2Z | ISO | Защитные металлические шайбы с обеих сторон. |
| 619/3 | ISO | Размерные и геометрические допуски соответствуют классу точности P6. |
| R144-2Z/F | ISO | Защитные металлические шайбы с обеих сторон. Фланец. |
| F683-2Z-HLC | ISO | Защитные металлические шайбы с обеих сторон. Код местонахождения завода. может использоваться в стандартной комплектации. |
| 683-2RSR-HLN | ISO | Резиновые уплотнения с каждой стороны подшипника. Код местонахождения завода. может использоваться в стандартной комплектации. |
| 619/2.5 | ISO | ISO Tolerance Class ABEC.9. Distance Between Beginning Of The Rail And First Hole In MM. |
| R4010X-L23 | ISO | Измененные размеры границ. введенные пересмотренными стандартами ISO. Высокая скорость и высокая температура. Малошумная смазка.. |
| 693-HLC | ISO | Код местонахождения завода. может использоваться в стандартной комплектации. |
Аналог шарикового подшипника R830Y52 — это подшипник такого же размера dx3,Dx8,Bx2, типа и конструкции.
| Обозначение | Конструктивные особенности | Внутренний (d) | Наружный (D) | Ширина (B) |
|---|---|---|---|---|
| 5М4-2076083 Е1 | Роликовый радиальный-упорный однорядный подшипник. Сепаратор из текстолита.. | 3.00 | 7.00 | 2.50 |
| 5М4-2076083 Е1П | Шариковый радиально-упорный однорядный подшипник. Сепаратор из текстолита.. | 3.00 | 7.00 | 2.70 |
| 5М4-2076083 ЮТ | Роликовый радиальный-упорный однорядный подшипник. Температура отпуска. 160°. Все детали или часть деталей из нержавеющей стали.. | 3.00 | 7.00 | 2.70 |
| 5М4-2076083 ЮТП | Шариковый радиально-упорный однорядный подшипник. Температура отпуска. 160°. Все детали или часть деталей из нержавеющей стали.. | 3.00 | 7.00 | 2.70 |
| 5М4-2076083 ЮУТ | Роликовый радиальный-упорный однорядный подшипник. Дополнительные технические требования. Температура отпуска. 160°. Все детали или часть деталей из нержавеющей стали.. | 3.00 | 7.00 | 2.70 |
| 5М4-2076084 ЕП | Шариковый радиально-упорный однорядный подшипник. Сепаратор из текстолита.. | 4.00 | 9.00 | 3.00 |
| 5М4-2076084 ЮУТ | Шариковый радиально-упорный однорядный подшипник. Дополнительные технические требования. Температура отпуска. 160°. Все детали или часть деталей из нержавеющей стали.. | 4.00 | 9.00 | 3.00 |
| 5М5-1000084 | Шариковый радиальный однорядный подшипник. Модифицированный контакт.. | 4.00 | 9.00 | 2.50 |
| 5М5-2000083 | Шариковый радиальный однорядный подшипник. Модифицированный контакт.. | 3.00 | 7.00 | 2.50 |
| 6-1000084 ЮТ | Шариковый радиальный однорядный подшипник. Температура отпуска. 160°. Все детали или часть деталей из нержавеющей стали.. | 4.00 | 9.00 | 2.50 |
| 6-1000093 ЮТ | Шариковый радиальный однорядный подшипник. Температура отпуска. 160°. Все детали или часть деталей из нержавеющей стали.. | 3.00 | 8.00 | 3.00 |
| 6-2000083 Т2 | Шариковый радиальный однорядный подшипник. 200°. Температура отпуска. | 3.00 | 7.00 | 2.50 |
| 6-2000083 Ю5Т | Шариковый радиальный однорядный подшипник. Температура отпуска. 160°. Все детали или часть деталей из нержавеющей стали.. | 3.00 | 7.00 | 2.50 |
| 6-2000083 Ю6Т | Шариковый радиальный однорядный подшипник. Температура отпуска. 160°. Все детали или часть деталей из нержавеющей стали.. | 3.00 | 7.00 | 2.50 |
| 6-2000083 ЮТ | Шариковый радиальный однорядный подшипник. Температура отпуска. 160°. Все детали или часть деталей из нержавеющей стали.. | 3.00 | 7.00 | 2.50 |
Способы доставки
Отправка через ведущие транспортные и курьерские компании: ПЭК, Деловые Линии, СДЭК, Байкал-Сервис, Энергия, КИТ, ЖелДорЭкспедиция.
Самовывоз возможен напрямую со склада в Москве.
Сроки доставки
Срок зависит от региона и выбранной транспортной компании. Все заказы комплектуются и отправляются в кратчайшие сроки со склада в Москве.
Надёжность и сохранность
Вся продукция упаковывается с учётом требований транспортировки. Мы гарантируем, что подшипники и комплектующие прибудут к заказчику в полной сохранности.
Доставка в страны ЕАЭС
Мы работаем с проверенными логистическими партнёрами, что позволяет оперативно доставлять заказы в Беларусь, Казахстан, Армению и другие страны ЕАЭС.
Варианты оплаты:
Минимальная сумма заказа и скидки:
Документы и гарантии:
Да, конечно! Наши технические специалисты готовы помочь вам с подбором точного аналога или замены подшипника. Просто позвоните нам по телефону +7 (495) 104-99-04 или напишите на почту zakaz@podsnab.ru.
Для оперативной консультации подготовьте, пожалуйста, имеющиеся данные: маркировку, размеры, тип оборудования или артикул старого подшипника.
Да, конечно! Мы высоко ценим долгосрочное сотрудничество и доверие клиентов по всей России. Для постоянных клиентов действует персональная система скидок.
Условия формируются индивидуально и зависят от:
Чтобы узнать свои условия и получить максимально выгодное предложение, свяжитесь с персональным менеджером или напишите нам на почту zakaz@podsnab.ru.
Вы можете оформить заказ несколькими способами:
Для оформления заказа от юридического лица свяжитесь с нашим отделом по работе с корпоративными клиентами по телефону +7 (495) 104-99-04 или напишите на email zakaz@podsnab.ru, прикрепив реквизиты вашей организации.
Мы оперативно подготовим коммерческое предложение и выставим счет.
Возврат товара надлежащего качества возможен в течение 10 дней с момента получения, если товар не был в употреблении, сохранен товарный вид, упаковка не вскрывалась и присутствуют все сопроводительные документы.
Возврат денежных средств осуществляется в течение 10 рабочих дней после проверки товара складом.
В соответствии с законодательством возврату не подлежат подшипники надлежащего качества, если отсутствует оригинальная упаковка или имеются следы монтажа.
В случае выявления брака или гарантийного случая мы гарантируем возврат или обмен товара.
Да, гарантийный срок хранения устанавливается заводом-изготовителем и в среднем составляет 2 года при соблюдении условий хранения: сухое помещение, оригинальная упаковка и смазка.
Точный срок для конкретного типа подшипника уточняйте у наших менеджеров.
Пн–Пт: с 8:00 до 17:00 (МСК).
Сб–Вс: выходные дни.
Заказы на сайте принимаются круглосуточно. Заявки, поступившие после окончания рабочего дня, обрабатываются на следующий рабочий день.
Минимальная сумма заказа для доставки составляет 3000 рублей. Самовывоз со склада возможен на любую сумму при наличии товара.
ООО «УралТехГрупп»
ИНН: 7415093830
КПП: 772401001
ОГРН: 1167456069021
Банк: ПАО Сбербанк
Р/с: 40702810838000475273
К/с: 30101810400000000225
БИК: 044525225
У подшипника R830Y52 пока нет отзывов. Вы можете стать первым покупателем, поделившимся своим мнением.