Поиск подшипника
Статьи
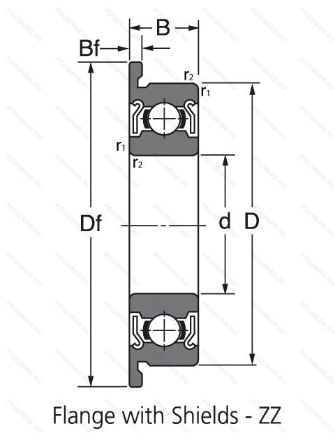
SSF63803 ZZ — Подшипник однорядный шариковый радиальный, модификация основного исполнения SSF63803, производство NIS.
Размер подшипника: 17x26x7 мм.
Защитные металлические шайбы с обеих сторон.
Международная стандартизации ISO
SSF63803ZZ
В наличии
| Обозначение | Конструктивные изменения |
|---|---|
| SSF63803 | Подшипник однорядный шариковый радиальный. Основное конструктивное исполнение. |
| SSF63803 2RS | Резиновые уплотнения с каждой стороны подшипника. |
Модификации шарикового подшипника SSF63803 ZZ — это измененное основное конструктивное исполнение SSF63803, основные размеры (17x26x7) не отличаются.
| Обозначение | Гост | Конструктивные особенности |
|---|---|---|
| 63803 | ISO | Подшипник однорядный шариковый радиальный. |
| 63803ZZ | ISO | Защитные металлические шайбы (бесконтактные уплотнения) с обеих сторон подшипника. |
| 63803-2Z-HLC | ISO | Защитные металлические шайбы с обеих сторон подшипника. Код местонахождения завода. может использоваться в стандартной комплектации. |
| SS63803 2RS | ISO | Резиновые уплотнения с каждой стороны подшипника. |
| SS63803 | ISO | Подшипник однорядный шариковый радиальный. |
| SS63803 ZZ | ISO | Защитные металлические шайбы с обеих сторон. |
| 63803 2RS | ISO | Резиновые уплотнения с каждой стороны подшипника. |
| F63803ZZ | ISO | Защитные металлические шайбы с обеих сторон. |
| 63803.2RSR | ISO | Резиновые уплотнения с каждой стороны подшипника. |
| 63803-2RSR-HLC | ISO | Резиновые уплотнения с каждой стороны подшипника. Код местонахождения завода. может использоваться в стандартной комплектации. |
| 16277 2RS | ISO | Резиновые уплотнения с каждой стороны подшипника. |
Аналог шарикового подшипника SSF63803 ZZ — это подшипник такого же размера dx17,Dx26,Bx7, типа и конструкции.
| Обозначение | Конструктивные особенности | Внутренний (d) | Наружный (D) | Ширина (B) |
|---|---|---|---|---|
| 3803 2RS | Подшипник шариковый двухрядный радиально-упорный. Манжетное уплотнение с обеих сторон подшипника. | 17.00 | 26.00 | 7.00 |
| 3803-2Z-P6 | Подшипник шариковый двухрядный радиально-упорный. Защитные металлические шайбы с обеих сторон. Размерные и геометрические допуски соответствуют классу точности P6. | 17.00 | 26.00 | 7.00 |
| 3803-2RS-HLC | Подшипник шариковый двухрядный радиально-упорный. Манжетное уплотнение с обеих сторон подшипника. Код местонахождения завода. может использоваться в стандартной комплектации. | 17.00 | 26.00 | 7.00 |
| 900803-У | Шариковый радиальный однорядный подшипник. Дополнительные технические требования. | 17.00 | 26.00 | 7.00 |
| 3803-B-2Z-TVH | Шариковый радиально-упорный подшипник. Модифицированная внутренняя конструкция. Защитные металлические шайбы с обеих сторон подшипника. Твердая клетка из полиамида. | 17.00 | 26.00 | 7.00 |
| 3803-B-TVH | Шариковый радиально-упорный подшипник. Модифицированная внутренняя конструкция. Твердая клетка из полиамида. | 17.00 | 26.00 | 7.00 |
| W 63803-2Z | Шариковый радиальный подшипник. Защитные металлические шайбы с обеих сторон подшипника. Нержавеющая сталь. | 17.00 | 26.00 | 7.00 |
| W 63803-2RS1 | Шариковый радиальный подшипник. Усиленные листовой сталью контактные уплотнения из акрилонитрил-бутадиенового каучука (NBR) с обеих сторон подшипника. Нержавеющая сталь. | 17.00 | 26.00 | 7.00 |
| W 63803-2RZ | Шариковый радиальный подшипник. Шарикоподшипник. С уплотнением и низким коэффициентом трения с обеих сторон. Уплотнение состоит из шайбы из листовой стали с вулканизированной резиной. Нержавеющая сталь. | 17.00 | 26.00 | 7.00 |
| W 63803 | Шариковый радиальный подшипник. Нержавеющая сталь. | 17.00 | 26.00 | 7.00 |
| W 63803 R-2Z | Шариковый радиальный подшипник. Защитные металлические шайбы с обеих сторон подшипника. Нержавеющая сталь. С выпуклыми асимметричными роликами и обработанным сепаратором. | 17.00 | 26.00 | 7.00 |
| 613803ZZ | Шариковый радиальный однорядный подшипник. Защитные металлические шайбы с обеих сторон. | 17.00 | 26.00 | 7.00 |
| W 63803 R | Шариковый радиальный однорядный подшипник. Нержавеющая сталь. С выпуклыми асимметричными роликами и обработанным сепаратором. | 17.00 | 26.00 | 7.00 |
| 63803-2Z | Шариковый радиальный однорядный подшипник. Защитные металлические шайбы с обеих сторон подшипника. | 17.00 | 26.00 | 7.00 |
| 5-86903 ЮТ | Шариковый радиально-упорный подшипник. Температура отпуска. 160°. Все детали или часть деталей из нержавеющей стали.. | 18.00 | 26.00 | 8.00 |
Способы доставки
Отправка через ведущие транспортные и курьерские компании: ПЭК, Деловые Линии, СДЭК, Байкал-Сервис, Энергия, КИТ, ЖелДорЭкспедиция.
Самовывоз возможен напрямую со склада в Москве.
Сроки доставки
Срок зависит от региона и выбранной транспортной компании. Все заказы комплектуются и отправляются в кратчайшие сроки со склада в Москве.
Надёжность и сохранность
Вся продукция упаковывается с учётом требований транспортировки. Мы гарантируем, что подшипники и комплектующие прибудут к заказчику в полной сохранности.
Доставка в страны ЕАЭС
Мы работаем с проверенными логистическими партнёрами, что позволяет оперативно доставлять заказы в Беларусь, Казахстан, Армению и другие страны ЕАЭС.
Варианты оплаты:
Минимальная сумма заказа и скидки:
Документы и гарантии:
Да, конечно! Наши технические специалисты готовы помочь вам с подбором точного аналога или замены подшипника. Просто позвоните нам по телефону +7 (495) 104-99-04 или напишите на почту zakaz@podsnab.ru.
Для оперативной консультации подготовьте, пожалуйста, имеющиеся данные: маркировку, размеры, тип оборудования или артикул старого подшипника.
Да, конечно! Мы высоко ценим долгосрочное сотрудничество и доверие клиентов по всей России. Для постоянных клиентов действует персональная система скидок.
Условия формируются индивидуально и зависят от:
Чтобы узнать свои условия и получить максимально выгодное предложение, свяжитесь с персональным менеджером или напишите нам на почту zakaz@podsnab.ru.
Вы можете оформить заказ несколькими способами:
Для оформления заказа от юридического лица свяжитесь с нашим отделом по работе с корпоративными клиентами по телефону +7 (495) 104-99-04 или напишите на email zakaz@podsnab.ru, прикрепив реквизиты вашей организации.
Мы оперативно подготовим коммерческое предложение и выставим счет.
Возврат товара надлежащего качества возможен в течение 10 дней с момента получения, если товар не был в употреблении, сохранен товарный вид, упаковка не вскрывалась и присутствуют все сопроводительные документы.
Возврат денежных средств осуществляется в течение 10 рабочих дней после проверки товара складом.
В соответствии с законодательством возврату не подлежат подшипники надлежащего качества, если отсутствует оригинальная упаковка или имеются следы монтажа.
В случае выявления брака или гарантийного случая мы гарантируем возврат или обмен товара.
Да, гарантийный срок хранения устанавливается заводом-изготовителем и в среднем составляет 2 года при соблюдении условий хранения: сухое помещение, оригинальная упаковка и смазка.
Точный срок для конкретного типа подшипника уточняйте у наших менеджеров.
Пн–Пт: с 8:00 до 17:00 (МСК).
Сб–Вс: выходные дни.
Заказы на сайте принимаются круглосуточно. Заявки, поступившие после окончания рабочего дня, обрабатываются на следующий рабочий день.
Минимальная сумма заказа для доставки составляет 3000 рублей. Самовывоз со склада возможен на любую сумму при наличии товара.
ООО «УралТехГрупп»
ИНН: 7415093830
КПП: 772401001
ОГРН: 1167456069021
Банк: ПАО Сбербанк
Р/с: 40702810838000475273
К/с: 30101810400000000225
БИК: 044525225
У подшипника SSF63803 ZZ пока нет отзывов. Вы можете стать первым покупателем, поделившимся своим мнением.