Поиск подшипника
Статьи
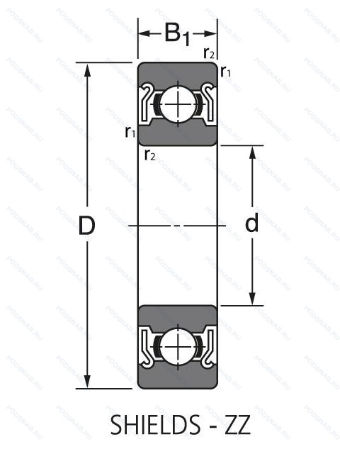
RLS15 ZZ — Подшипник однорядный шариковый радиальный, модификация основного исполнения RLS15, производство NIS.
Размер подшипника: 47x101x20 мм.
Цилиндрический роликовый подшипник, однорядный, двухкромочное внутреннее кольцо, цилиндрическое наружное кольцо, легкая дюймовая серия, защитные металлические шайбы с обеих сторон.
Международная стандартизации ISO
RLS15ZZ
В наличии
| Обозначение | Конструктивные изменения |
|---|---|
| RLS15V3 | Уровень вибрации 3. |
| RLS15 2RS | Резиновые уплотнения с каждой стороны подшипника. |
| RLS15 | Подшипник однорядный шариковый радиальный. Основное конструктивное исполнение. |
| RLS15M | Механически обработанный латунный сепаратор .Расположенный на элементах качения. |
| RLS15.C3 | Внутренний зазор больше нормального. |
| RLS15/C6 | Уровень шума ниже нормы (бесшумная работа). |
| RLS15NR | Канавка под стопорное кольцо на наружном кольце с соответствующим стопорным кольцом. |
Модификации шарикового подшипника RLS15 ZZ — это измененное основное конструктивное исполнение RLS15, основные размеры (47x101x20) не отличаются.
| Обозначение | Гост | Конструктивные особенности |
|---|---|---|
| LJ1.7/8 | ISO | Небольшая предварительная нагрузка. Средний предварительный натяг. |
| LS14.1/2 | ISO | ISO Tolerance Class ABEC.9. Number Of Carriages Per Rail Track. |
| LJ1.7/8J | ISO | Подшипник однорядный шариковый радиальный. |
| LJ1.7/8NR | ISO | Канавка под стопорное кольцо на наружном кольце с соответствующим стопорным кольцом. Небольшая предварительная нагрузка. |
Аналог шарикового подшипника RLS15 ZZ — это подшипник такого же размера dx47,Dx101,Bx20, типа и конструкции.
| Обозначение | Конструктивные особенности | Внутренний (d) | Наружный (D) | Ширина (B) |
|---|---|---|---|---|
| LRJ1.7/8J | Однорядный цилиндрический роликовый подшипник. Прессованный стальной сепаратор. | 47.63 | 101.60 | 20.64 |
| LRJB1.7/8 | Однорядный цилиндрический роликовый подшипник. Небольшая предварительная нагрузка. Средний предварительный натяг. | 47.63 | 101.60 | 20.64 |
| NLJ1.7/8J C3 | Подшипник шариковый двухрядный самоустанавливающийся. Внутренний зазор больше нормального. Сепаратор из стали. | 47.63 | 101.60 | 20.64 |
| NLJ1.7/8J | Подшипник шариковый двухрядный самоустанавливающийся. Прессованный стальной сепаратор. | 47.63 | 101.60 | 20.64 |
| QJL1.7/8 | Подшипник шариковый с четырехточечным контактом. Небольшая предварительная нагрузка. Средний предварительный натяг. | 47.62 | 101.60 | 20.64 |
| NL15TGP | Однорядный цилиндрический роликовый подшипник. Формованный полиамидный сепаратор оконного типа. Роликовые тела качения. | 47.63 | 101.60 | 20.64 |
| RL15L | Подшипник шариковый двухрядный самоустанавливающийся. Механически обработанный алюминиевый фиксатор. Направляющий роликовый элемент. | 47.63 | 101.60 | 20.64 |
| LRJ1.7/8DESA | Однорядный цилиндрический роликовый подшипник. Конструкция А. | 47.63 | 101.60 | 20.64 |
| LLRJN1.7/8 | Однорядный цилиндрический роликовый подшипник. Небольшая предварительная нагрузка. Средний предварительный натяг. | 47.63 | 101.60 | 20.64 |
| RL14.1/2EM | Однорядный цилиндрический роликовый подшипник. Number Of Carriages Per Rail Track. | 47.63 | 101.60 | 20.64 |
| CRL15M/C2 | Однорядный цилиндрический роликовый подшипник. Внутренний зазор подшипника меньше нормального. Подшипник с латунным сепаратором. центрированный по телам качения. | 47.63 | 101.60 | 20.64 |
| LLRJ1.7/8 | Роликовый радиальный однорядный подшипник. Небольшая предварительная нагрузка. Средний предварительный натяг. | 47.62 | 101.60 | 20.64 |
| LJ1.7/8-N | Шариковый радиальный однорядный подшипник. Небольшая предварительная нагрузка. Канавка под стопорное кольцо на внешнем кольце. Средний предварительный натяг. | 47.62 | 101.60 | 20.64 |
| LJ1.7/8-Z | Шариковый радиальный однорядный подшипник. щит из листовой прессованной стали с одной стороны подшипника. Небольшая предварительная нагрузка. Средний предварительный натяг. | 47.62 | 101.60 | 20.64 |
| LJ1.7/8-2Z | Шариковый радиальный однорядный подшипник. Защитные металлические шайбы с обеих сторон подшипника. Небольшая предварительная нагрузка. Средний предварительный натяг. | 47.62 | 101.60 | 20.64 |
Способы доставки
Отправка через ведущие транспортные и курьерские компании: ПЭК, Деловые Линии, СДЭК, Байкал-Сервис, Энергия, КИТ, ЖелДорЭкспедиция.
Самовывоз возможен напрямую со склада в Москве.
Сроки доставки
Срок зависит от региона и выбранной транспортной компании. Все заказы комплектуются и отправляются в кратчайшие сроки со склада в Москве.
Надёжность и сохранность
Вся продукция упаковывается с учётом требований транспортировки. Мы гарантируем, что подшипники и комплектующие прибудут к заказчику в полной сохранности.
Доставка в страны ЕАЭС
Мы работаем с проверенными логистическими партнёрами, что позволяет оперативно доставлять заказы в Беларусь, Казахстан, Армению и другие страны ЕАЭС.
Варианты оплаты:
Минимальная сумма заказа и скидки:
Документы и гарантии:
Да, конечно! Наши технические специалисты готовы помочь вам с подбором точного аналога или замены подшипника. Просто позвоните нам по телефону +7 (495) 104-99-04 или напишите на почту zakaz@podsnab.ru.
Для оперативной консультации подготовьте, пожалуйста, имеющиеся данные: маркировку, размеры, тип оборудования или артикул старого подшипника.
Да, конечно! Мы высоко ценим долгосрочное сотрудничество и доверие клиентов по всей России. Для постоянных клиентов действует персональная система скидок.
Условия формируются индивидуально и зависят от:
Чтобы узнать свои условия и получить максимально выгодное предложение, свяжитесь с персональным менеджером или напишите нам на почту zakaz@podsnab.ru.
Вы можете оформить заказ несколькими способами:
Для оформления заказа от юридического лица свяжитесь с нашим отделом по работе с корпоративными клиентами по телефону +7 (495) 104-99-04 или напишите на email zakaz@podsnab.ru, прикрепив реквизиты вашей организации.
Мы оперативно подготовим коммерческое предложение и выставим счет.
Возврат товара надлежащего качества возможен в течение 10 дней с момента получения, если товар не был в употреблении, сохранен товарный вид, упаковка не вскрывалась и присутствуют все сопроводительные документы.
Возврат денежных средств осуществляется в течение 10 рабочих дней после проверки товара складом.
В соответствии с законодательством возврату не подлежат подшипники надлежащего качества, если отсутствует оригинальная упаковка или имеются следы монтажа.
В случае выявления брака или гарантийного случая мы гарантируем возврат или обмен товара.
Да, гарантийный срок хранения устанавливается заводом-изготовителем и в среднем составляет 2 года при соблюдении условий хранения: сухое помещение, оригинальная упаковка и смазка.
Точный срок для конкретного типа подшипника уточняйте у наших менеджеров.
Пн–Пт: с 8:00 до 17:00 (МСК).
Сб–Вс: выходные дни.
Заказы на сайте принимаются круглосуточно. Заявки, поступившие после окончания рабочего дня, обрабатываются на следующий рабочий день.
Минимальная сумма заказа для доставки составляет 3000 рублей. Самовывоз со склада возможен на любую сумму при наличии товара.
ООО «УралТехГрупп»
ИНН: 7415093830
КПП: 772401001
ОГРН: 1167456069021
Банк: ПАО Сбербанк
Р/с: 40702810838000475273
К/с: 30101810400000000225
БИК: 044525225
У подшипника RLS15 ZZ пока нет отзывов. Вы можете стать первым покупателем, поделившимся своим мнением.