Поиск подшипника
Статьи
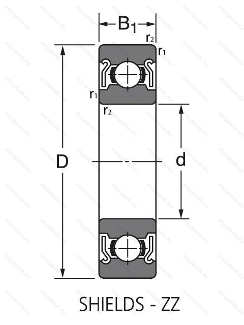
RMS16 ZZ — Подшипник однорядный шариковый радиальный, модификация основного исполнения RMS16, производство NIS.
Размер подшипника: 50x114x26 мм.
Цилиндрический роликоподшипник, однорядный, двухкромочное внутреннее кольцо, цилиндрическое наружное кольцо, серия средних дюймов, защитные металлические шайбы с обеих сторон.
Международная стандартизации ISO
RMS16ZZ
В наличии
| Обозначение | Конструктивные изменения |
|---|---|
| RMS16V3 | Уровень вибрации 3. |
| RMS16 2RS | Резиновые уплотнения с каждой стороны подшипника. |
| RMS16NR | Канавка под стопорное кольцо на наружном кольце с соответствующим стопорным кольцом. |
| RMS16C2 | Внутренний зазор подшипника меньше нормального. |
| RMS16C3 | Внутренний зазор больше нормального. |
| RMS16 | Подшипник однорядный шариковый радиальный. Основное конструктивное исполнение. |
| RMS16N | Канавка под стопорное кольцо на внешнем кольце. |
Модификации шарикового подшипника RMS16 ZZ — это измененное основное конструктивное исполнение RMS16, основные размеры (50x114x26) не отличаются.
| Обозначение | Гост | Конструктивные особенности |
|---|---|---|
| MS15C3 | ISO | Внутренний зазор больше нормального. |
| MJ2C3 | ISO | Внутренний зазор больше нормального. |
| MS15V3 | ISO | Уровень вибрации 3. |
| MJ2 | ISO | Подшипник однорядный шариковый радиальный. |
| MS15 | ISO | Подшипник однорядный шариковый радиальный. |
| MJ2J | ISO | Дорожки качения наружного кольца. угол контакта и ширина наружного кольца в соответствии с ISO. |
| MJ2JCN | ISO | Прессованный стальной сепаратор. Нормальный уровень радиального внутреннего зазора (не маркируется). |
| MJ2JC3 | ISO | Внутренний зазор больше нормального. Сепаратор из стали. |
Аналог шарикового подшипника RMS16 ZZ — это подшипник такого же размера dx50,Dx114,Bx26, типа и конструкции.
| Обозначение | Конструктивные особенности | Внутренний (d) | Наружный (D) | Ширина (B) |
|---|---|---|---|---|
| CRM16A/C3 | Однорядный цилиндрический роликовый подшипник. Внутренний зазор больше нормального. Цилиндрический роликоподшипник. С углом фланца 1 градус 40 минут. Сферические роликовые наконечники. | 50.80 | 114.30 | 26.99 |
| MJT2M | Подшипник шариковый однорядный радиально-упорный. Подшипник с латунным сепаратором. центрированный по телам качения. | 50.80 | 114.30 | 26.99 |
| RM15L | Однорядный цилиндрический роликовый подшипник. Одно механическое уплотнение. | 50.80 | 114.30 | 26.99 |
| RM16S | Подшипник шариковый двухрядный самоустанавливающийся. Запечатанная версия кулачкового ролика. | 50.80 | 114.30 | 26.99 |
| CRM16A | Однорядный цилиндрический роликовый подшипник. Цилиндрический роликоподшипник. С углом фланца 1 градус 40 минут. Сферические роликовые наконечники. | 50.80 | 114.30 | 26.99 |
| MS15AC | Подшипник шариковый однорядный радиально-упорный. Суффикс для радиально-упорного шарикоподшипника. | 50.80 | 114.30 | 26.99 |
| AMS16M | Подшипник шариковый однорядный радиально-упорный. Механически обработанный латунный сепаратор. центрируемый по шарикам. Разные конструкции или материалы обозначаются цифрой после буквы М. например. М2. | 50.80 | 114.30 | 26.99 |
| MMRJB2M | Однорядный цилиндрический роликовый подшипник. Механически обработанный латунный сепаратор .Расположенный на элементах качения. | 50.80 | 114.30 | 26.99 |
| MRJA2MB | Однорядный цилиндрический роликовый подшипник. Однокомпонентное внутреннее кольцо с центрированным сепаратором из механически обработанной латуни. | 50.80 | 114.30 | 26.99 |
| NMJ2MB C3 | Подшипник шариковый двухрядный самоустанавливающийся. Внутренний зазор больше нормального. Цельное внутреннее кольцо. Центрированный обработанный латунный сепаратор. | 50.80 | 114.30 | 26.99 |
| RM15LL | Однорядный цилиндрический роликовый подшипник. Контактное. синтетические. резиновое уплотнение с двух сторон. | 50.80 | 114.30 | 26.99 |
| AMS16ABP | Подшипник шариковый однорядный радиально-упорный. Внутренние изменения в конструкции. Single Row Angular Contact Ball Bearing With A 40° Угол контакта. Однорядный подшипник с сепаратором из стеклонаполненного полиамида PA66. центрируемым по шарикам. | 50.80 | 114.30 | 26.99 |
| MRJ2J | Однорядный цилиндрический роликовый подшипник. Дорожки качения наружного кольца. угол контакта и ширина наружного кольца в соответствии с ISO. | 50.80 | 114.30 | 26.99 |
| MRJA2J | Однорядный цилиндрический роликовый подшипник. Прессованный стальной сепаратор. | 50.80 | 114.30 | 26.99 |
| RMS15M | Однорядный цилиндрический роликовый подшипник. Механически обработанный латунный сепаратор .Расположенный на элементах качения. | 50.80 | 114.30 | 26.99 |
Способы доставки
Отправка через ведущие транспортные и курьерские компании: ПЭК, Деловые Линии, СДЭК, Байкал-Сервис, Энергия, КИТ, ЖелДорЭкспедиция.
Самовывоз возможен напрямую со склада в Москве.
Сроки доставки
Срок зависит от региона и выбранной транспортной компании. Все заказы комплектуются и отправляются в кратчайшие сроки со склада в Москве.
Надёжность и сохранность
Вся продукция упаковывается с учётом требований транспортировки. Мы гарантируем, что подшипники и комплектующие прибудут к заказчику в полной сохранности.
Доставка в страны ЕАЭС
Мы работаем с проверенными логистическими партнёрами, что позволяет оперативно доставлять заказы в Беларусь, Казахстан, Армению и другие страны ЕАЭС.
Варианты оплаты:
Минимальная сумма заказа и скидки:
Документы и гарантии:
Да, конечно! Наши технические специалисты готовы помочь вам с подбором точного аналога или замены подшипника. Просто позвоните нам по телефону +7 (495) 104-99-04 или напишите на почту zakaz@podsnab.ru.
Для оперативной консультации подготовьте, пожалуйста, имеющиеся данные: маркировку, размеры, тип оборудования или артикул старого подшипника.
Да, конечно! Мы высоко ценим долгосрочное сотрудничество и доверие клиентов по всей России. Для постоянных клиентов действует персональная система скидок.
Условия формируются индивидуально и зависят от:
Чтобы узнать свои условия и получить максимально выгодное предложение, свяжитесь с персональным менеджером или напишите нам на почту zakaz@podsnab.ru.
Вы можете оформить заказ несколькими способами:
Для оформления заказа от юридического лица свяжитесь с нашим отделом по работе с корпоративными клиентами по телефону +7 (495) 104-99-04 или напишите на email zakaz@podsnab.ru, прикрепив реквизиты вашей организации.
Мы оперативно подготовим коммерческое предложение и выставим счет.
Возврат товара надлежащего качества возможен в течение 10 дней с момента получения, если товар не был в употреблении, сохранен товарный вид, упаковка не вскрывалась и присутствуют все сопроводительные документы.
Возврат денежных средств осуществляется в течение 10 рабочих дней после проверки товара складом.
В соответствии с законодательством возврату не подлежат подшипники надлежащего качества, если отсутствует оригинальная упаковка или имеются следы монтажа.
В случае выявления брака или гарантийного случая мы гарантируем возврат или обмен товара.
Да, гарантийный срок хранения устанавливается заводом-изготовителем и в среднем составляет 2 года при соблюдении условий хранения: сухое помещение, оригинальная упаковка и смазка.
Точный срок для конкретного типа подшипника уточняйте у наших менеджеров.
Пн–Пт: с 8:00 до 17:00 (МСК).
Сб–Вс: выходные дни.
Заказы на сайте принимаются круглосуточно. Заявки, поступившие после окончания рабочего дня, обрабатываются на следующий рабочий день.
Минимальная сумма заказа для доставки составляет 3000 рублей. Самовывоз со склада возможен на любую сумму при наличии товара.
ООО «УралТехГрупп»
ИНН: 7415093830
КПП: 772401001
ОГРН: 1167456069021
Банк: ПАО Сбербанк
Р/с: 40702810838000475273
К/с: 30101810400000000225
БИК: 044525225
У подшипника RMS16 ZZ пока нет отзывов. Вы можете стать первым покупателем, поделившимся своим мнением.