Поиск подшипника
Статьи
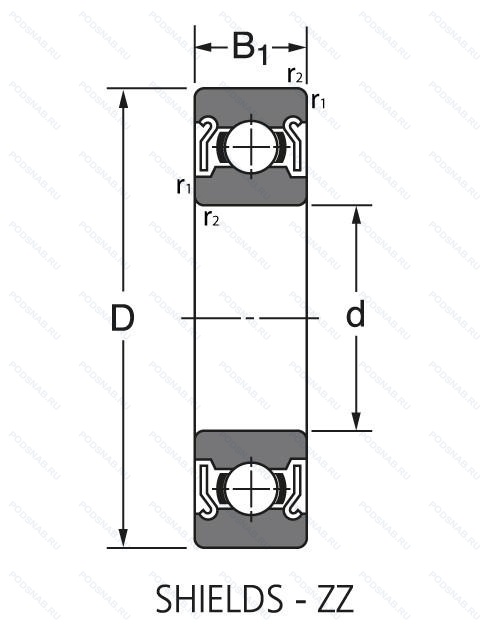
RMS14 ZZ — Подшипник однорядный шариковый радиальный, модификация основного исполнения RMS14, производство NIS.
Размер подшипника: 44x107x26 мм.
Цилиндрический роликоподшипник, однорядный, двухкромочное внутреннее кольцо, цилиндрическое наружное кольцо, серия средних дюймов, защитные металлические шайбы с обеих сторон.
Международная стандартизации ISO
RMS14ZZ
В наличии
| Обозначение | Конструктивные изменения |
|---|---|
| RMS14 | Подшипник однорядный шариковый радиальный. Основное конструктивное исполнение. |
| RMS14.C3 | Внутренний зазор больше нормального. |
| RMS14 2RS | Резиновые уплотнения с каждой стороны подшипника. |
| RMS14V3 | Радиальный зазор больше стандартного. |
| RMS14M | Механически обработанный латунный сепаратор .Расположенный на элементах качения. |
| RMS14/C6 | Уровень шума ниже нормы (бесшумная работа). |
| RMS14.1/2 | ISO Tolerance Class ABEC.9. Number Of Carriages Per Rail Track. |
| RMS14NR | Канавка под стопорное кольцо на наружном кольце с соответствующим стопорным кольцом. |
| RMS14QQ | Подшипник однорядный шариковый радиальный. |
Модификации шарикового подшипника RMS14 ZZ — это измененное основное конструктивное исполнение RMS14, основные размеры (44x107x26) не отличаются.
| Обозначение | Гост | Конструктивные особенности |
|---|---|---|
| MJ1.3/4 | ISO | Размерные и геометрические допуски соответствуют классу точности P6. Подшипник с чрезвычайно высокой точностью вращения (Abec9) и допуском формы (Abec7). |
| MJ1.3/4J | ISO | Подшипник однорядный шариковый радиальный. |
| MJ1.3/4JC3 | ISO | Внутренний зазор больше нормального. Прессованный стальной сепаратор. |
| MJ1+3/4-C3 | ISO | Внутренний зазор больше нормального. |
Аналог шарикового подшипника RMS14 ZZ — это подшипник такого же размера dx44,Dx107,Bx26, типа и конструкции.
| Обозначение | Конструктивные особенности | Внутренний (d) | Наружный (D) | Ширина (B) |
|---|---|---|---|---|
| NMJ1.3/4 | Подшипник шариковый двухрядный самоустанавливающийся. Размерные и геометрические допуски соответствуют классу точности P6. Подшипник с чрезвычайно высокой точностью вращения (Abec9) и допуском формы (Abec7). | 44.45 | 108.00 | 26.99 |
| CFM14 | Однорядный цилиндрический роликовый подшипник. | 44.45 | 107.95 | 26.99 |
| MMRJ1.3/4M | Однорядный цилиндрический роликовый подшипник. Силиконовая смазка SH44M TORAY SILICONE. Размерные и геометрические допуски соответствуют классу точности P6. | 44.45 | 107.95 | 26.99 |
| MRJ1.3/4 | однорядный цилиндрический роликовый подшипник. Размерные и геометрические допуски соответствуют классу точности P6. Подшипник с чрезвычайно высокой точностью вращения (Abec9) и допуском формы (Abec7). | 44.45 | 107.95 | 26.99 |
| MS14ACD | Подшипник шариковый однорядный радиально-упорный. Angular Contact 25°. Optimised Iinternal Design. | 44.45 | 107.95 | 26.99 |
| RM14L | Однорядный цилиндрический роликовый подшипник. Механически обработанный алюминиевый фиксатор. Направляющий роликовый элемент. | 44.45 | 107.95 | 26.99 |
| MJT1.3/4 | Подшипник шариковый однорядный радиально-упорный. Размерные и геометрические допуски соответствуют классу точности P6. Подшипник с чрезвычайно высокой точностью вращения (Abec9) и допуском формы (Abec7). | 44.45 | 107.95 | 26.99 |
| CRM14A/C3 | Однорядный цилиндрический роликовый подшипник. Внутренний зазор больше нормального. Цилиндрический роликоподшипник. С углом фланца 1 градус 40 минут. Сферические роликовые наконечники. | 44.45 | 107.95 | 26.99 |
| CRM14A | Однорядный цилиндрический роликовый подшипник. Цилиндрический роликоподшипник. С углом фланца 1 градус 40 минут. Сферические роликовые наконечники. | 44.45 | 107.95 | 26.99 |
| MRJA1.3/4 | Однорядный цилиндрический роликовый подшипник. Размерные и геометрические допуски соответствуют классу точности P6. Подшипник с чрезвычайно высокой точностью вращения (Abec9) и допуском формы (Abec7). | 44.45 | 107.95 | 26.99 |
| MRJA1.3/4MB | Однорядный цилиндрический роликовый подшипник. Однокомпонентное внутреннее кольцо с центрированным сепаратором из механически обработанной латуни. | 44.45 | 107.95 | 26.99 |
| MRJ1.3/4DESB | Однорядный цилиндрический роликовый подшипник. Design B. | 44.45 | 107.95 | 26.99 |
| QJM1.3/4 | Подшипник шариковый с четырехточечным контактом. Размерные и геометрические допуски соответствуют классу точности P6. Подшипник с чрезвычайно высокой точностью вращения (Abec9) и допуском формы (Abec7). | 44.45 | 107.95 | 26.99 |
| NMJ1.3/4MB | Подшипник шариковый двухрядный самоустанавливающийся. Цельное внутреннее кольцо. Центрированный обработанный латунный сепаратор. Размерные и геометрические допуски соответствуют классу точности P6. | 44.45 | 107.95 | 26.99 |
| MMRJ1.3/4 | Роликовый радиальный однорядный подшипник. Размерные и геометрические допуски соответствуют классу точности P6. Подшипник с чрезвычайно высокой точностью вращения (Abec9) и допуском формы (Abec7). | 44.45 | 107.95 | 26.99 |
Способы доставки
Отправка через ведущие транспортные и курьерские компании: ПЭК, Деловые Линии, СДЭК, Байкал-Сервис, Энергия, КИТ, ЖелДорЭкспедиция.
Самовывоз возможен напрямую со склада в Москве.
Сроки доставки
Срок зависит от региона и выбранной транспортной компании. Все заказы комплектуются и отправляются в кратчайшие сроки со склада в Москве.
Надёжность и сохранность
Вся продукция упаковывается с учётом требований транспортировки. Мы гарантируем, что подшипники и комплектующие прибудут к заказчику в полной сохранности.
Доставка в страны ЕАЭС
Мы работаем с проверенными логистическими партнёрами, что позволяет оперативно доставлять заказы в Беларусь, Казахстан, Армению и другие страны ЕАЭС.
Варианты оплаты:
Минимальная сумма заказа и скидки:
Документы и гарантии:
Да, конечно! Наши технические специалисты готовы помочь вам с подбором точного аналога или замены подшипника. Просто позвоните нам по телефону +7 (495) 104-99-04 или напишите на почту zakaz@podsnab.ru.
Для оперативной консультации подготовьте, пожалуйста, имеющиеся данные: маркировку, размеры, тип оборудования или артикул старого подшипника.
Да, конечно! Мы высоко ценим долгосрочное сотрудничество и доверие клиентов по всей России. Для постоянных клиентов действует персональная система скидок.
Условия формируются индивидуально и зависят от:
Чтобы узнать свои условия и получить максимально выгодное предложение, свяжитесь с персональным менеджером или напишите нам на почту zakaz@podsnab.ru.
Вы можете оформить заказ несколькими способами:
Для оформления заказа от юридического лица свяжитесь с нашим отделом по работе с корпоративными клиентами по телефону +7 (495) 104-99-04 или напишите на email zakaz@podsnab.ru, прикрепив реквизиты вашей организации.
Мы оперативно подготовим коммерческое предложение и выставим счет.
Возврат товара надлежащего качества возможен в течение 10 дней с момента получения, если товар не был в употреблении, сохранен товарный вид, упаковка не вскрывалась и присутствуют все сопроводительные документы.
Возврат денежных средств осуществляется в течение 10 рабочих дней после проверки товара складом.
В соответствии с законодательством возврату не подлежат подшипники надлежащего качества, если отсутствует оригинальная упаковка или имеются следы монтажа.
В случае выявления брака или гарантийного случая мы гарантируем возврат или обмен товара.
Да, гарантийный срок хранения устанавливается заводом-изготовителем и в среднем составляет 2 года при соблюдении условий хранения: сухое помещение, оригинальная упаковка и смазка.
Точный срок для конкретного типа подшипника уточняйте у наших менеджеров.
Пн–Пт: с 8:00 до 17:00 (МСК).
Сб–Вс: выходные дни.
Заказы на сайте принимаются круглосуточно. Заявки, поступившие после окончания рабочего дня, обрабатываются на следующий рабочий день.
Минимальная сумма заказа для доставки составляет 3000 рублей. Самовывоз со склада возможен на любую сумму при наличии товара.
ООО «УралТехГрупп»
ИНН: 7415093830
КПП: 772401001
ОГРН: 1167456069021
Банк: ПАО Сбербанк
Р/с: 40702810838000475273
К/с: 30101810400000000225
БИК: 044525225
У подшипника RMS14 ZZ пока нет отзывов. Вы можете стать первым покупателем, поделившимся своим мнением.