Поиск подшипника
Статьи
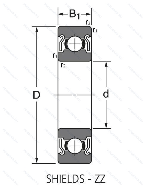
RMS12 ZZ — Подшипник однорядный шариковый радиальный, модификация основного исполнения RMS12, производство NIS.
Размер подшипника: 38x95x23 мм.
Цилиндрический роликоподшипник, однорядный, двухкромочное внутреннее кольцо, цилиндрическое наружное кольцо, серия средних дюймов, защитные металлические шайбы с обеих сторон.
Международная стандартизации ISO
RMS12ZZ
В наличии
| Обозначение | Конструктивные изменения |
|---|---|
| RMS12 | Подшипник однорядный шариковый радиальный. Основное конструктивное исполнение. |
| RMS12M | Подшипник с латунным сепаратором. центрированный по телам качения. |
| RMS12 2RS | Резиновые уплотнения с каждой стороны подшипника. |
| RMS12V3 | Уровень вибрации 3. |
| RMS12NR | Канавка под стопорное кольцо на наружном кольце с соответствующим стопорным кольцом. |
| RMS12.1/2 | ISO Tolerance Class ABEC.9. Number Of Carriages Per Rail Track. |
| RMS12.C3 | Внутренний зазор больше нормального. |
| RMS12N | Канавка под стопорное кольцо на внешнем кольце. |
| RMS12C6 | Уровень шума ниже нормы (бесшумная работа). |
Модификации шарикового подшипника RMS12 ZZ — это измененное основное конструктивное исполнение RMS12, основные размеры (38x95x23) не отличаются.
| Обозначение | Гост | Конструктивные особенности |
|---|---|---|
| MS13 | ISO | Подшипник однорядный шариковый радиальный. |
| MS13V3 | ISO | Уровень вибрации 3. |
| MJ1.1/2J | ISO | Подшипник однорядный шариковый радиальный. |
| MJ1.1/2 | ISO | ISO Tolerance Class ABEC.9. Number Of Carriages Per Rail Track. |
| MJ1.1/2NR | ISO | Подшипник однорядный шариковый радиальный. |
| MJ1.1/2 2RS | ISO | Резиновые уплотнения с каждой стороны подшипника. ISO Tolerance Class ABEC.9. Number Of Carriages Per Rail Track. |
| MJ1.1/2NRJ | ISO | Pressed Steel Cage. Rolling Element Centerd. Канавка под стопорное кольцо на наружном кольце с соответствующим стопорным кольцом. |
Аналог шарикового подшипника RMS12 ZZ — это подшипник такого же размера dx38,Dx95,Bx23, типа и конструкции.
| Обозначение | Конструктивные особенности | Внутренний (d) | Наружный (D) | Ширина (B) |
|---|---|---|---|---|
| QJM1.1/2M | Подшипник шариковый с четырехточечным контактом. Механически обработанный латунный сепаратор .Расположенный на элементах качения. Number Of Carriages Per Rail Track. | 38.10 | 95.25 | 23.81 |
| MRJA1.1/2J C3 | Однорядный цилиндрический роликовый подшипник. Внутренний зазор больше нормального. Сепаратор из стали. | 38.10 | 95.25 | 23.81 |
| MRJA1.1/2C3 | Однорядный цилиндрический роликовый подшипник. Внутренний зазор больше нормального. | 38.10 | 95.25 | 23.81 |
| MMRJ1.1/2J C3 | Однорядный цилиндрический роликовый подшипник. Внутренний зазор больше нормального. Сепаратор из стали. Number Of Carriages Per Rail Track. | 38.10 | 95.25 | 23.81 |
| MRJA1.1/2J | Однорядный цилиндрический роликовый подшипник. Прессованный стальной сепаратор. | 38.10 | 95.25 | 23.81 |
| MRJA1.1/2MB | Однорядный цилиндрический роликовый подшипник. Однокомпонентное внутреннее кольцо с центрированным сепаратором из механически обработанной латуни. | 38.10 | 95.25 | 23.81 |
| NMJ1.1/2M C3 | Подшипник шариковый двухрядный самоустанавливающийся. Внутренний зазор больше нормального. Механически обработанный латунный сепаратор .Расположенный на элементах качения. Number Of Carriages Per Rail Track. | 38.10 | 95.25 | 23.81 |
| MRJ1.1/2MB C3 | Однорядный цилиндрический роликовый подшипник. Радиальный зазор. Латунный сепаратор с внутренним кольцом. | 38.10 | 95.25 | 23.81 |
| MRJB1.1/2 | Однорядный цилиндрический роликовый подшипник. ISO Tolerance Class ABEC.9. Number Of Carriages Per Rail Track. | 38.10 | 95.25 | 23.81 |
| DMJT1.1/2 | Подшипник шариковый однорядный радиально-упорный. ISO Tolerance Class ABEC.9. Number Of Carriages Per Rail Track. | 38.10 | 95.25 | 23.81 |
| MMRJ1.1/2 | Роликовый радиальный однорядный подшипник. ISO Tolerance Class ABEC.9. Number Of Carriages Per Rail Track. | 38.10 | 95.25 | 23.81 |
| MJ1.1/2-N | Шариковый радиальный однорядный подшипник. Канавка под стопорное кольцо на внешнем кольце. ISO Tolerance Class ABEC.9. Number Of Carriages Per Rail Track. | 38.10 | 95.25 | 23.81 |
| MJ1.1/2-RS | Шариковый радиальный однорядный подшипник. Резиновое уплотнение с одной стороны. ISO Tolerance Class ABEC.9. Number Of Carriages Per Rail Track. | 38.10 | 95.25 | 23.81 |
| MJ1.1/2-Z | Шариковый радиальный однорядный подшипник. щит из листовой прессованной стали с одной стороны подшипника. ISO Tolerance Class ABEC.9. Number Of Carriages Per Rail Track. | 38.10 | 95.25 | 23.81 |
| MJ1.1/2-2Z | Шариковый радиальный однорядный подшипник. Защитные металлические шайбы с обеих сторон подшипника. ISO Tolerance Class ABEC.9. Number Of Carriages Per Rail Track. | 38.10 | 95.25 | 23.81 |
Способы доставки
Отправка через ведущие транспортные и курьерские компании: ПЭК, Деловые Линии, СДЭК, Байкал-Сервис, Энергия, КИТ, ЖелДорЭкспедиция.
Самовывоз возможен напрямую со склада в Москве.
Сроки доставки
Срок зависит от региона и выбранной транспортной компании. Все заказы комплектуются и отправляются в кратчайшие сроки со склада в Москве.
Надёжность и сохранность
Вся продукция упаковывается с учётом требований транспортировки. Мы гарантируем, что подшипники и комплектующие прибудут к заказчику в полной сохранности.
Доставка в страны ЕАЭС
Мы работаем с проверенными логистическими партнёрами, что позволяет оперативно доставлять заказы в Беларусь, Казахстан, Армению и другие страны ЕАЭС.
Варианты оплаты:
Минимальная сумма заказа и скидки:
Документы и гарантии:
Да, конечно! Наши технические специалисты готовы помочь вам с подбором точного аналога или замены подшипника. Просто позвоните нам по телефону +7 (495) 104-99-04 или напишите на почту zakaz@podsnab.ru.
Для оперативной консультации подготовьте, пожалуйста, имеющиеся данные: маркировку, размеры, тип оборудования или артикул старого подшипника.
Да, конечно! Мы высоко ценим долгосрочное сотрудничество и доверие клиентов по всей России. Для постоянных клиентов действует персональная система скидок.
Условия формируются индивидуально и зависят от:
Чтобы узнать свои условия и получить максимально выгодное предложение, свяжитесь с персональным менеджером или напишите нам на почту zakaz@podsnab.ru.
Вы можете оформить заказ несколькими способами:
Для оформления заказа от юридического лица свяжитесь с нашим отделом по работе с корпоративными клиентами по телефону +7 (495) 104-99-04 или напишите на email zakaz@podsnab.ru, прикрепив реквизиты вашей организации.
Мы оперативно подготовим коммерческое предложение и выставим счет.
Возврат товара надлежащего качества возможен в течение 10 дней с момента получения, если товар не был в употреблении, сохранен товарный вид, упаковка не вскрывалась и присутствуют все сопроводительные документы.
Возврат денежных средств осуществляется в течение 10 рабочих дней после проверки товара складом.
В соответствии с законодательством возврату не подлежат подшипники надлежащего качества, если отсутствует оригинальная упаковка или имеются следы монтажа.
В случае выявления брака или гарантийного случая мы гарантируем возврат или обмен товара.
Да, гарантийный срок хранения устанавливается заводом-изготовителем и в среднем составляет 2 года при соблюдении условий хранения: сухое помещение, оригинальная упаковка и смазка.
Точный срок для конкретного типа подшипника уточняйте у наших менеджеров.
Пн–Пт: с 8:00 до 17:00 (МСК).
Сб–Вс: выходные дни.
Заказы на сайте принимаются круглосуточно. Заявки, поступившие после окончания рабочего дня, обрабатываются на следующий рабочий день.
Минимальная сумма заказа для доставки составляет 3000 рублей. Самовывоз со склада возможен на любую сумму при наличии товара.
ООО «УралТехГрупп»
ИНН: 7415093830
КПП: 772401001
ОГРН: 1167456069021
Банк: ПАО Сбербанк
Р/с: 40702810838000475273
К/с: 30101810400000000225
БИК: 044525225
У подшипника RMS12 ZZ пока нет отзывов. Вы можете стать первым покупателем, поделившимся своим мнением.