Поиск подшипника
Статьи
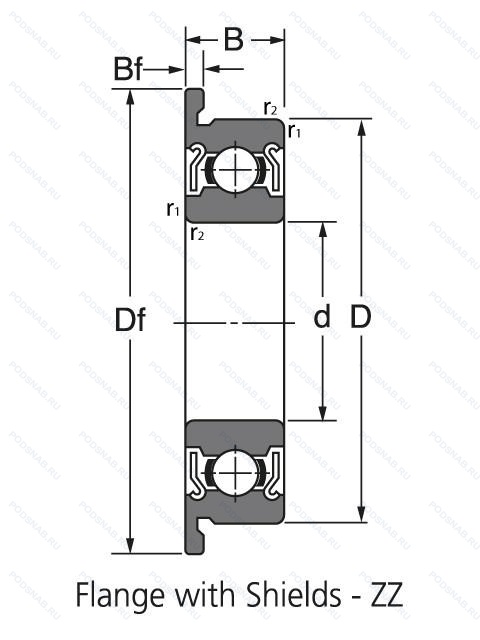
SSF63800 ZZ — Подшипник однорядный шариковый радиальный, модификация основного исполнения SSF63800, производство NIS.
Размер подшипника: 10x19x7 мм.
Защитные металлические шайбы с обеих сторон.
Международная стандартизации ISO
SSF63800ZZ
В наличии
| Обозначение | Конструктивные изменения |
|---|---|
| SSF63800 2RS | Резиновые уплотнения с каждой стороны подшипника. |
| SSF63800 | Подшипник однорядный шариковый радиальный. Основное конструктивное исполнение. |
| SSF63800 2TS | Two Teflon Seals Reinforced With Z-Shields. |
Модификации шарикового подшипника SSF63800 ZZ — это измененное основное конструктивное исполнение SSF63800, основные размеры (10x19x7) не отличаются.
| Обозначение | Гост | Конструктивные особенности |
|---|---|---|
| 62800EE | ISO | Резиновые уплотнения с каждой стороны подшипника. |
| 63800-2RU | ISO | Non Contact Type Friction Torque = Small High Speed Performance = Good Grease Sealing = Better Than ZZ-Type Dirt Resistance = Better Than ZZ-Type Water Resistance = Better Than ZZ / Inferior To 2RS Operating Temp. -30°C To + 100°C. |
| 699ZZ MC3E | ISO | Защитные металлические шайбы с двух сторон подшипника. (Миниатюрные радиальные шарикоподшипники серии Metric. M = без латунного сепаратора) = Нормальный радиальный внутренний зазор. |
| AY9ZZ | ISO | Защитные металлические шайбы с обеих сторон подшипника. |
| 699DDU | ISO | Резиновые уплотнения с каждой стороны подшипника. |
| 63800THB | ISO | Механически обработанный текстильный ламинированный фенольный сепаратор защелкивающегося типа. |
| 63800 2RS F T9H | ISO | Контактное уплотнение с обеих сторон. Сепаратор из обработанной стали или специального чугуна. POLYAMID RETAINER. |
| 63800 2ZTN | ISO | Защитные металлические шайбы с обеих сторон. сепаратор из полиамида 6.6. армированного стекловолокном. |
| L1910ZZR | ISO | Две металлические защитные шайбы, наружное кольцо со сферической наружной поверхностью. |
| 63800.2ZR | ISO | Защитные металлические шайбы с обеих сторон. |
| 63800-2RS1 | ISO | Усиленные листовой сталью контактные уплотнения из акрилонитрил-бутадиенового каучука (NBR) с обеих сторон подшипника. |
| 699.2ZR | ISO | Защитные металлические шайбы с обеих сторон. |
| 619/9 2RS F T9H | ISO | Контактное уплотнение с обеих сторон подшипника. Largest Fill. Сепаратор из обработанной стали или специального чугуна. Glass-Fibre Reinforced (25%) Thermoplastic Polyamide PA 6.6. 1-Piece. Operating Temperature 120°C. |
| L1910ZZ | ISO | Защитные металлические шайбы с обеих сторон. |
| 63800-2Z-HLC | ISO | Зазорные уплотнения с обеих сторон подшипника.. Код местонахождения завода. может использоваться в стандартной комплектации. |
| 699M C3 | ISO | Внутренний зазор больше нормального. Подшипник с латунным сепаратором. центрированный по телам качения. |
| 699 2RS C3 | ISO | Внутренний зазор больше нормального. Резиновые уплотнения с каждой стороны подшипника. |
| 699-H-2RSR | ISO | Стандартное качество. Резиновые уплотнения с каждой стороны подшипника. |
| 699-HLC | ISO | Код местонахождения завода. может использоваться в стандартной комплектации. |
| 699ZZ+6 | ISO | Защитные металлические шайбы с обеих сторон. Exxon Aviation Instrument Oil. |
Аналог шарикового подшипника SSF63800 ZZ — это подшипник такого же размера dx10,Dx19,Bx7, типа и конструкции.
| Обозначение | Конструктивные особенности | Внутренний (d) | Наружный (D) | Ширина (B) |
|---|---|---|---|---|
| SF699-2Z | Шариковый радиальный однорядный подшипник. Защитные металлические шайбы с обеих сторон подшипника. | 9.00 | 20.00 | 6.00 |
| 62800-2Z | Шариковый радиальный однорядный подшипник. Защитные металлические шайбы с обеих сторон подшипника. | 10.00 | 19.00 | 6.00 |
| F699-2Z | Шариковый радиальный однорядный подшипник. Защитные металлические шайбы с обеих сторон подшипника. | 9.00 | 20.00 | 6.00 |
| 1000099-Л | Шариковый радиальный однорядный подшипник. Сепаратор из латуни.. | 9.00 | 20.00 | 6.00 |
| 1000099-ЮТ | Шариковый радиальный однорядный подшипник. Температура отпуска. 160°. Все детали или часть деталей из нержавеющей стали.. | 9.00 | 20.00 | 6.00 |
| 22-1080099 КШ3УС21 | Шариковый радиальный однорядный подшипник. «Замок» (скос) на внутреннем кольце плюс массивный сепаратор из текстолита. Дополнительные технические требования. Смазка ЭРА. Нормы шумности. | 9.00 | 20.00 | 6.00 |
| 24-1080099 С2 | Шариковый радиальный однорядный подшипник. Смазка ЦИАТИМ-221. | 9.00 | 20.00 | 6.00 |
| 4-1000099 ЮТ | Шариковый радиальный однорядный подшипник. Температура отпуска. 160°. Все детали или часть деталей из нержавеющей стали.. | 9.00 | 20.00 | 6.00 |
| НШЛТ9 Ю1Т | Шарнирный подшипник. Температура отпуска. 160°. Одно или два кольца из нержавеющей стали.. | 9.00 | 20.00 | 6.00 |
| 5-1000099 Л | Шариковый радиальный однорядный подшипник. Сепаратор из латуни.. | 9.00 | 20.00 | 6.00 |
| 5-1000099 ЮТ | Шариковый радиальный однорядный подшипник. Температура отпуска. 160°. Все детали или часть деталей из нержавеющей стали.. | 9.00 | 20.00 | 6.00 |
| 524-1000099-К | Шариковый радиальный однорядный подшипник. «Замок» (скос) на внутреннем кольце плюс массивный сепаратор из текстолита. | 9.00 | 20.00 | 6.00 |
| 6-1000099 Т2 | Шариковый радиальный однорядный подшипник. 200°. Температура отпуска. | 9.00 | 20.00 | 6.00 |
| 6-1000099 ЮТ | Шариковый радиальный однорядный подшипник. Температура отпуска. 160°. Все детали или часть деталей из нержавеющей стали.. | 9.00 | 20.00 | 6.00 |
| 6-1000099 ЮТП | Шариковый радиальный однорядный подшипник. Температура отпуска. 160°. Все детали или часть деталей из нержавеющей стали.. | 9.00 | 20.00 | 6.00 |
Способы доставки
Отправка через ведущие транспортные и курьерские компании: ПЭК, Деловые Линии, СДЭК, Байкал-Сервис, Энергия, КИТ, ЖелДорЭкспедиция.
Самовывоз возможен напрямую со склада в Москве.
Сроки доставки
Срок зависит от региона и выбранной транспортной компании. Все заказы комплектуются и отправляются в кратчайшие сроки со склада в Москве.
Надёжность и сохранность
Вся продукция упаковывается с учётом требований транспортировки. Мы гарантируем, что подшипники и комплектующие прибудут к заказчику в полной сохранности.
Доставка в страны ЕАЭС
Мы работаем с проверенными логистическими партнёрами, что позволяет оперативно доставлять заказы в Беларусь, Казахстан, Армению и другие страны ЕАЭС.
Варианты оплаты:
Минимальная сумма заказа и скидки:
Документы и гарантии:
Да, конечно! Наши технические специалисты готовы помочь вам с подбором точного аналога или замены подшипника. Просто позвоните нам по телефону +7 (495) 104-99-04 или напишите на почту zakaz@podsnab.ru.
Для оперативной консультации подготовьте, пожалуйста, имеющиеся данные: маркировку, размеры, тип оборудования или артикул старого подшипника.
Да, конечно! Мы высоко ценим долгосрочное сотрудничество и доверие клиентов по всей России. Для постоянных клиентов действует персональная система скидок.
Условия формируются индивидуально и зависят от:
Чтобы узнать свои условия и получить максимально выгодное предложение, свяжитесь с персональным менеджером или напишите нам на почту zakaz@podsnab.ru.
Вы можете оформить заказ несколькими способами:
Для оформления заказа от юридического лица свяжитесь с нашим отделом по работе с корпоративными клиентами по телефону +7 (495) 104-99-04 или напишите на email zakaz@podsnab.ru, прикрепив реквизиты вашей организации.
Мы оперативно подготовим коммерческое предложение и выставим счет.
Возврат товара надлежащего качества возможен в течение 10 дней с момента получения, если товар не был в употреблении, сохранен товарный вид, упаковка не вскрывалась и присутствуют все сопроводительные документы.
Возврат денежных средств осуществляется в течение 10 рабочих дней после проверки товара складом.
В соответствии с законодательством возврату не подлежат подшипники надлежащего качества, если отсутствует оригинальная упаковка или имеются следы монтажа.
В случае выявления брака или гарантийного случая мы гарантируем возврат или обмен товара.
Да, гарантийный срок хранения устанавливается заводом-изготовителем и в среднем составляет 2 года при соблюдении условий хранения: сухое помещение, оригинальная упаковка и смазка.
Точный срок для конкретного типа подшипника уточняйте у наших менеджеров.
Пн–Пт: с 8:00 до 17:00 (МСК).
Сб–Вс: выходные дни.
Заказы на сайте принимаются круглосуточно. Заявки, поступившие после окончания рабочего дня, обрабатываются на следующий рабочий день.
Минимальная сумма заказа для доставки составляет 3000 рублей. Самовывоз со склада возможен на любую сумму при наличии товара.
ООО «УралТехГрупп»
ИНН: 7415093830
КПП: 772401001
ОГРН: 1167456069021
Банк: ПАО Сбербанк
Р/с: 40702810838000475273
К/с: 30101810400000000225
БИК: 044525225
У подшипника SSF63800 ZZ пока нет отзывов. Вы можете стать первым покупателем, поделившимся своим мнением.