Поиск подшипника
Статьи
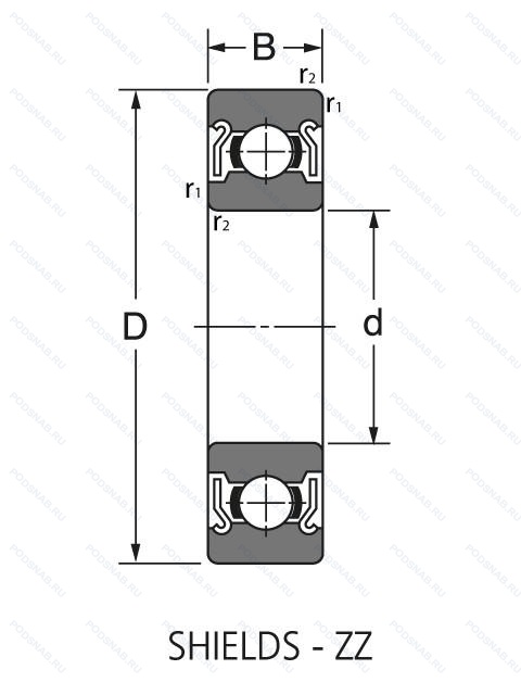
SS6911 ZZ — Подшипник однорядный шариковый радиальный, модификация основного исполнения SS6911, производство NIS.
Размер подшипника: 55x80x13 мм.
Материал: Нержавеющая сталь, защитные металлические шайбы с обеих сторон.
Международная стандартизации ISO
SS6911ZZ
В наличии
| Обозначение | Конструктивные изменения |
|---|---|
| SS6911 2RS | Резиновые уплотнения с каждой стороны подшипника. |
| SS6911 | Подшипник однорядный шариковый радиальный. Основное конструктивное исполнение. |
Модификации шарикового подшипника SS6911 ZZ — это измененное основное конструктивное исполнение SS6911, основные размеры (55x80x13) не отличаются.
| Обозначение | Гост | Конструктивные особенности |
|---|---|---|
| 61911 2RS GL | ISO | Резиновые уплотнения с каждой стороны подшипника. Консистентная смазка. |
| 6911LLU/5K | ISO | Резиновые уплотнения с каждой стороны подшипника. Grease/ Kyodo Yushi / Multemp SRL (-40°C to +150°C). |
| 6911 2RS Y | ISO | Резиновые уплотнения с каждой стороны подшипника. Штампованный латунный фиксатор. Направляемые элементы качения. |
| 6911ZZ Y | ISO | Защитные металлические шайбы с обеих сторон. Штампованный латунный фиксатор. Направляемые элементы качения. |
| 6911ZZ AV2S | ISO | Защитные металлические шайбы с двух сторон подшипника. Lubricant. Shell Oil Co.. Alvania #2 Grease. 1/4 Full. Temperature Range = -10°C / + 110°C (Normal Temperature Grease). |
| 6911VV CM | ISO | Шариковый подшипник. Специальный радиальный внутренний зазор для электродвигателей. Защитные металлические шайбы с двух сторон подшипника (лучше. чем ZZ (пригодно для использования в условиях умеренной запыленности)) Бесконтактного уплотнения. |
| 61911-2RZ-C3 | ISO | Внутренний зазор больше нормального. Шарикоподшипник. С уплотнением и низким коэффициентом трения с обеих сторон. Уплотнение состоит из шайбы из листовой стали с вулканизированной резиной. |
| 6911LLB/5K | ISO | Уплотнение бесконтактного типа из синтетического каучука. Grease/ Kyodo Yushi / Multemp SRL (-40°C to +150°C). |
| 6911ZZ C3 | ISO | Внутренний зазор больше нормального. Защитные стальные шайбы с обеих сторон. |
| 6911CM | ISO | Шариковый подшипник. Специальный радиальный внутренний зазор для электродвигателей. |
| 6911ZZ CM | ISO | Два боковых защитных уплотнения. Шариковый подшипник. Специальный радиальный внутренний зазор для электродвигателей. |
| 61911-2Z-P5-C2 | ISO | Внутренний зазор подшипника меньше нормального. Защитные металлические шайбы с обеих сторон. Размерная и рабочая точность соответствует классу допуска ISO 5. |
| 61911-2RSR-SK-F0516 | ISO | Кулачковый толкатель штифтового типа. С шестигранной головкой. Резиновые уплотнения с каждой стороны подшипника. Смазка. Состав неизвестен. |
| 1911S | ISO | Single Row Radial Conrad-Type Bearings. |
| 61911.X5 | ISO | Промышленная упаковка. |
| 61911-2RZ | ISO | Шарикоподшипник. С уплотнением и низким коэффициентом трения с обеих сторон. Уплотнение состоит из шайбы из листовой стали с вулканизированной резиной. |
| 61911-2RZ-P5-C2 | ISO | Внутренний зазор подшипника меньше нормального. Шарикоподшипник. С уплотнением и низким коэффициентом трения с обеих сторон. Уплотнение состоит из шайбы из листовой стали с вулканизированной резиной. Размерная и рабочая точность соответствует классу допуска ISO 5. |
| 6911ZZ CM NR | ISO | Два боковых защитных уплотнения. Канавка под стопорное кольцо на наружном кольце с соответствующим стопорным кольцом. Шариковый подшипник. Специальный радиальный внутренний зазор для электродвигателей. |
| 61911-2RS1 | ISO | Усиленные листовой сталью контактные уплотнения из акрилонитрил-бутадиенового каучука (NBR) с обеих сторон подшипника. |
| 61911-2RSR-SQE | ISO | Резиновые уплотнения с каждой стороны подшипника. |
Аналог шарикового подшипника SS6911 ZZ — это подшипник такого же размера dx55,Dx80,Bx13, типа и конструкции.
| Обозначение | Конструктивные особенности | Внутренний (d) | Наружный (D) | Ширина (B) |
|---|---|---|---|---|
| 6911-2RD | Шариковый радиальный однорядный подшипник. Облегченное контактное уплотнение с двух сторон.. | 55.00 | 80.00 | 13.00 |
| 6911-2RU | Шариковый радиальный однорядный подшипник. Non Contact Type Friction Torque = Small High Speed Performance = Good Grease Sealing = Better Than ZZ-Type Dirt Resistance = Better Than ZZ-Type Water Resistance = Better Than ZZ / Inferior To 2RS Operating Temp. -30°C To + 100°C. | 55.00 | 80.00 | 13.00 |
| 6911ZZNR | Шариковый радиальный однорядный подшипник. Стальная шайба. Канавка и стопорное кольцо на наружном кольце. | 55.00 | 80.00 | 13.00 |
| 6911LLB | Шариковый радиальный однорядный подшипник. Уплотнение бесконтактного типа из синтетического каучука. | 55.00 | 80.00 | 13.00 |
| 6911LLU | Шариковый радиальный однорядный подшипник. Контактное резиновое уплотнение с двух сторон. | 55.00 | 80.00 | 13.00 |
| 9311K | Шариковый радиальный однорядный подшипник. Коническое отверстие. Конусность 1/12. | 55.00 | 80.00 | 13.00 |
| S61911-2RS | Шариковый радиальный однорядный подшипник. Резиновые уплотнения с каждой стороны подшипника. | 55.00 | 80.00 | 13.00 |
| 3NC HAR911C FT | Шариковый радиальный однорядный подшипник. Угол контакта 20 градусов. REINFORCED PHENOLIC CAGE. | 55.00 | 80.00 | 13.00 |
| 3NCHAC911CA | Шариковый радиальный однорядный подшипник. Угол контакта 20 градусов. Латунный сепаратор с симметричными роликами. | 55.00 | 80.00 | 13.00 |
| 3NCHAC911C | Шариковый радиальный однорядный подшипник. Угол контакта 20 градусов. | 55.00 | 80.00 | 13.00 |
| 3NCHAF911CA | Шариковый радиальный однорядный подшипник. Угол контакта 20 градусов. Латунный сепаратор с симметричными роликами. | 55.00 | 80.00 | 13.00 |
| 3NCHAR911 | Шариковый радиальный однорядный подшипник. Угол контакта 20 градусов. | 55.00 | 80.00 | 13.00 |
| 3NCHAR911CA | Шариковый радиальный однорядный подшипник. Угол контакта 20 градусов. Латунный сепаратор с симметричными роликами. | 55.00 | 80.00 | 13.00 |
| 3NCHAR911C | Шариковый радиальный однорядный подшипник. Угол контакта 20 градусов. | 55.00 | 80.00 | 13.00 |
| 1000911-А | Шариковый радиальный однорядный подшипник. Повышенная грузоподъемность. | 55.00 | 80.00 | 13.00 |
Способы доставки
Отправка через ведущие транспортные и курьерские компании: ПЭК, Деловые Линии, СДЭК, Байкал-Сервис, Энергия, КИТ, ЖелДорЭкспедиция.
Самовывоз возможен напрямую со склада в Москве.
Сроки доставки
Срок зависит от региона и выбранной транспортной компании. Все заказы комплектуются и отправляются в кратчайшие сроки со склада в Москве.
Надёжность и сохранность
Вся продукция упаковывается с учётом требований транспортировки. Мы гарантируем, что подшипники и комплектующие прибудут к заказчику в полной сохранности.
Доставка в страны ЕАЭС
Мы работаем с проверенными логистическими партнёрами, что позволяет оперативно доставлять заказы в Беларусь, Казахстан, Армению и другие страны ЕАЭС.
Варианты оплаты:
Минимальная сумма заказа и скидки:
Документы и гарантии:
Да, конечно! Наши технические специалисты готовы помочь вам с подбором точного аналога или замены подшипника. Просто позвоните нам по телефону +7 (495) 104-99-04 или напишите на почту zakaz@podsnab.ru.
Для оперативной консультации подготовьте, пожалуйста, имеющиеся данные: маркировку, размеры, тип оборудования или артикул старого подшипника.
Да, конечно! Мы высоко ценим долгосрочное сотрудничество и доверие клиентов по всей России. Для постоянных клиентов действует персональная система скидок.
Условия формируются индивидуально и зависят от:
Чтобы узнать свои условия и получить максимально выгодное предложение, свяжитесь с персональным менеджером или напишите нам на почту zakaz@podsnab.ru.
Вы можете оформить заказ несколькими способами:
Для оформления заказа от юридического лица свяжитесь с нашим отделом по работе с корпоративными клиентами по телефону +7 (495) 104-99-04 или напишите на email zakaz@podsnab.ru, прикрепив реквизиты вашей организации.
Мы оперативно подготовим коммерческое предложение и выставим счет.
Возврат товара надлежащего качества возможен в течение 10 дней с момента получения, если товар не был в употреблении, сохранен товарный вид, упаковка не вскрывалась и присутствуют все сопроводительные документы.
Возврат денежных средств осуществляется в течение 10 рабочих дней после проверки товара складом.
В соответствии с законодательством возврату не подлежат подшипники надлежащего качества, если отсутствует оригинальная упаковка или имеются следы монтажа.
В случае выявления брака или гарантийного случая мы гарантируем возврат или обмен товара.
Да, гарантийный срок хранения устанавливается заводом-изготовителем и в среднем составляет 2 года при соблюдении условий хранения: сухое помещение, оригинальная упаковка и смазка.
Точный срок для конкретного типа подшипника уточняйте у наших менеджеров.
Пн–Пт: с 8:00 до 17:00 (МСК).
Сб–Вс: выходные дни.
Заказы на сайте принимаются круглосуточно. Заявки, поступившие после окончания рабочего дня, обрабатываются на следующий рабочий день.
Минимальная сумма заказа для доставки составляет 3000 рублей. Самовывоз со склада возможен на любую сумму при наличии товара.
ООО «УралТехГрупп»
ИНН: 7415093830
КПП: 772401001
ОГРН: 1167456069021
Банк: ПАО Сбербанк
Р/с: 40702810838000475273
К/с: 30101810400000000225
БИК: 044525225
У подшипника SS6911 ZZ пока нет отзывов. Вы можете стать первым покупателем, поделившимся своим мнением.