Поиск подшипника
Статьи
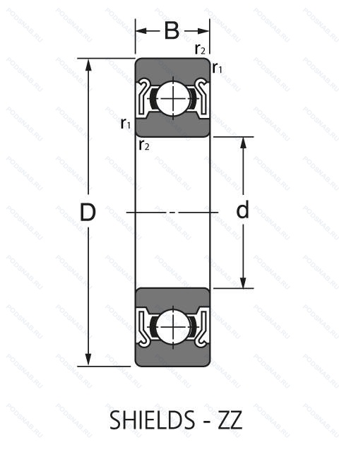
SS6908 ZZ — Подшипник однорядный шариковый радиальный, модификация основного исполнения SS6908, производство NIS.
Размер подшипника: 40x62x12 мм.
Материал: Нержавеющая сталь, защитные металлические шайбы с обеих сторон.
Международная стандартизации ISO
SS6908ZZ
В наличии
| Обозначение | Конструктивные изменения |
|---|---|
| SS6908 | Подшипник однорядный шариковый радиальный. Основное конструктивное исполнение. |
| SS6908 2RS | Резиновые уплотнения с каждой стороны подшипника. |
Модификации шарикового подшипника SS6908 ZZ — это измененное основное конструктивное исполнение SS6908, основные размеры (40x62x12) не отличаются.
| Обозначение | Гост | Конструктивные особенности |
|---|---|---|
| 6908VV CM AS2S | ISO | Стандартное заполнение. 1/4 Full. Шариковый подшипник. Специальный радиальный внутренний зазор для электродвигателей. Смазка Aeroshell 7. Защитные металлические шайбы. с обеих сторон подшипника. Бесконтактное уплотнение. (лучше. чем ZZ. Можно использовать в умеренно запыленной среде). |
| 6908ZZ NR/NS7S | ISO | Стандартное заполнение. Защитные металлические шайбы с обеих сторон. Канавка под стопорное кольцо на наружном кольце с соответствующим стопорным кольцом. NS Hi Lube Grease. (NS7/ Inside With Grease. Up Than 35%. Temperature Resistance -40°C To +140°C). |
| 61908-2RS1/GJN | ISO | Усиленные листовой сталью контактные уплотнения из акрилонитрил-бутадиенового каучука (NBR) с обеих сторон подшипника. Grease With Polyurea Thickener Of Consistency 2 To The NLGI Scale For Temperature Range -30°C/+150°C (Normal Filling Grade). |
| 6908ZZ C3 | ISO | Внутренний зазор больше нормального. Защитные стальные шайбы с обеих сторон. |
| 6908VV C3 | ISO | Внутренний зазор больше нормального. Защитные металлические шайбы с двух сторон подшипника (лучше. чем ZZ (пригодно для использования в условиях умеренной запыленности)) Бесконтактного уплотнения. |
| 6908W CM | ISO | Цельный прессованный сепаратор. Шариковый подшипник. Специальный радиальный внутренний зазор для электродвигателей. |
| 61908-2Z-C3 | ISO | Внутренний зазор больше нормального. Защитные стальные шайбы с обеих сторон. |
| 61908VV | ISO | Защитные металлические шайбы. с обеих сторон подшипника. Бесконтактное уплотнение. (лучше. чем ZZ. Можно использовать в умеренно запыленной среде). |
| 6908ZZ/5K | ISO | Защитные металлические шайбы с обеих сторон. Grease/ Kyodo Yushi / Multemp SRL (-40°C to +150°C). |
| 1908SZZ | ISO | Однорядный радиальный подшипник. С двумя уплотнениями. |
| 6908 2RU | ISO | Non Contact Type Friction Torque = Small High Speed Performance = Good Grease Sealing = Better Than ZZ-Type Dirt Resistance = Better Than ZZ-Type Water Resistance = Better Than ZZ / Inferior To 2RS Operating Temp. -30°C To + 100°C. |
| 9308K | ISO | Conrad (Non-Filling Slot) Type. |
| 61908-2RS1/C3GJN | ISO | Внутренний зазор больше нормального. Усиленные листовой сталью контактные уплотнения из акрилонитрил-бутадиенового каучука (NBR) с обеих сторон подшипника. Grease With Polyurea Thickener Of Consistency 2 To The NLGI Scale For Temperature Range -30°C/+150°C (Normal Filling Grade). |
| 6908 2RUA2A | ISO | Non Contact Type Friction Torque = Small High Speed Performance = Good Grease Sealing = Better Than ZZ-Type Dirt Resistance = Better Than ZZ-Type Water Resistance = Better Than ZZ / Inferior To 2RS Operating Temp. -30°C To + 100°C. |
| 6908ZZA2 | ISO | Защитные металлические шайбы с обеих сторон. |
| 6908VV AV2S | ISO | Lubricant. Shell Oil Co.. Alvania #2 Grease. 1/4 Full. Temperature Range = -10°C / + 110°C (Normal Temperature Grease). Защитные металлические шайбы. с обеих сторон подшипника. Бесконтактное уплотнение. (лучше. чем ZZ. Можно использовать в умеренно запыленной среде). |
| 6908ZZ NR | ISO | Защитные металлические шайбы с обеих сторон. Канавка под стопорное кольцо на наружном кольце с соответствующим стопорным кольцом. |
| 6908DDUNR | ISO | Канавка под стопорное кольцо на наружном кольце с соответствующим стопорным кольцом. Резиновые уплотнения с каждой стороны подшипника. |
| 6908.2RSR | ISO | Резиновые уплотнения с каждой стороны подшипника. |
| 6908VV C3E | ISO | Защитные металлические шайбы. с обеих сторон подшипника. Бесконтактное уплотнение. (лучше. чем ZZ. Можно использовать в умеренно запыленной среде). Внутренний зазор больше нормы. Класс электродвигателя. |
Аналог шарикового подшипника SS6908 ZZ — это подшипник такого же размера dx40,Dx62,Bx12, типа и конструкции.
| Обозначение | Конструктивные особенности | Внутренний (d) | Наружный (D) | Ширина (B) |
|---|---|---|---|---|
| 3NCHAF908CA | Шариковый радиальный однорядный подшипник. Угол контакта 20 градусов. Латунный сепаратор с симметричными роликами. | 40.00 | 62.00 | 12.00 |
| 3NCHAR908CA | Шариковый радиальный однорядный подшипник. Угол контакта 20 градусов. Латунный сепаратор с симметричными роликами. | 40.00 | 62.00 | 12.00 |
| 3NCHAR908 | Шариковый радиальный однорядный подшипник. Угол контакта 20 градусов. | 40.00 | 62.00 | 12.00 |
| 3NCHAR908C | Шариковый радиальный однорядный подшипник. Угол контакта 20 градусов. | 40.00 | 62.00 | 12.00 |
| 1000908-А | Шариковый радиальный однорядный подшипник. Повышенная грузоподъемность. | 40.00 | 62.00 | 12.00 |
| 1000908-Ю | Шариковый радиальный однорядный подшипник. Все детали или часть деталей из нержавеющей стали.. | 40.00 | 62.00 | 12.00 |
| 1000908-ЮТ | Шариковый радиальный однорядный подшипник. Температура отпуска. 160°. Все детали или часть деталей из нержавеющей стали.. | 40.00 | 62.00 | 12.00 |
| 1000908.2RS | Шариковый радиальный однорядный подшипник. Резиновые уплотнения с каждой стороны подшипника. | 40.00 | 62.00 | 12.00 |
| 2-1000908 У1 | Шариковый радиальный однорядный подшипник. Дополнительные технические требования. | 40.00 | 62.00 | 12.00 |
| 5-1000908 Ю3 | Шариковый радиальный однорядный подшипник. Все детали или часть деталей из нержавеющей стали.. | 40.00 | 62.00 | 12.00 |
| 5-1002908 Р1 | Роликовый радиальный однорядный подшипник. Детали из теплоустойчивой (быстрорежущие) стали.. | 40.00 | 62.00 | 12.00 |
| 5-1002908 Р2У | Роликовый радиальный однорядный подшипник. Дополнительные технические требования. Детали из теплоустойчивой (быстрорежущие) стали.. | 40.00 | 62.00 | 12.00 |
| 6-1000908 Ю | Шариковый радиальный однорядный подшипник. Все детали или часть деталей из нержавеющей стали.. | 40.00 | 62.00 | 12.00 |
| 6-1000908 Ю2Т | Шариковый радиальный однорядный подшипник. Температура отпуска. 160°. Все детали или часть деталей из нержавеющей стали.. | 40.00 | 62.00 | 12.00 |
| 6-1000908 ЮТ | Шариковый радиальный однорядный подшипник. Температура отпуска. 160°. Все детали или часть деталей из нержавеющей стали.. | 40.00 | 62.00 | 12.00 |
Способы доставки
Отправка через ведущие транспортные и курьерские компании: ПЭК, Деловые Линии, СДЭК, Байкал-Сервис, Энергия, КИТ, ЖелДорЭкспедиция.
Самовывоз возможен напрямую со склада в Москве.
Сроки доставки
Срок зависит от региона и выбранной транспортной компании. Все заказы комплектуются и отправляются в кратчайшие сроки со склада в Москве.
Надёжность и сохранность
Вся продукция упаковывается с учётом требований транспортировки. Мы гарантируем, что подшипники и комплектующие прибудут к заказчику в полной сохранности.
Доставка в страны ЕАЭС
Мы работаем с проверенными логистическими партнёрами, что позволяет оперативно доставлять заказы в Беларусь, Казахстан, Армению и другие страны ЕАЭС.
Варианты оплаты:
Минимальная сумма заказа и скидки:
Документы и гарантии:
Да, конечно! Наши технические специалисты готовы помочь вам с подбором точного аналога или замены подшипника. Просто позвоните нам по телефону +7 (495) 104-99-04 или напишите на почту zakaz@podsnab.ru.
Для оперативной консультации подготовьте, пожалуйста, имеющиеся данные: маркировку, размеры, тип оборудования или артикул старого подшипника.
Да, конечно! Мы высоко ценим долгосрочное сотрудничество и доверие клиентов по всей России. Для постоянных клиентов действует персональная система скидок.
Условия формируются индивидуально и зависят от:
Чтобы узнать свои условия и получить максимально выгодное предложение, свяжитесь с персональным менеджером или напишите нам на почту zakaz@podsnab.ru.
Вы можете оформить заказ несколькими способами:
Для оформления заказа от юридического лица свяжитесь с нашим отделом по работе с корпоративными клиентами по телефону +7 (495) 104-99-04 или напишите на email zakaz@podsnab.ru, прикрепив реквизиты вашей организации.
Мы оперативно подготовим коммерческое предложение и выставим счет.
Возврат товара надлежащего качества возможен в течение 10 дней с момента получения, если товар не был в употреблении, сохранен товарный вид, упаковка не вскрывалась и присутствуют все сопроводительные документы.
Возврат денежных средств осуществляется в течение 10 рабочих дней после проверки товара складом.
В соответствии с законодательством возврату не подлежат подшипники надлежащего качества, если отсутствует оригинальная упаковка или имеются следы монтажа.
В случае выявления брака или гарантийного случая мы гарантируем возврат или обмен товара.
Да, гарантийный срок хранения устанавливается заводом-изготовителем и в среднем составляет 2 года при соблюдении условий хранения: сухое помещение, оригинальная упаковка и смазка.
Точный срок для конкретного типа подшипника уточняйте у наших менеджеров.
Пн–Пт: с 8:00 до 17:00 (МСК).
Сб–Вс: выходные дни.
Заказы на сайте принимаются круглосуточно. Заявки, поступившие после окончания рабочего дня, обрабатываются на следующий рабочий день.
Минимальная сумма заказа для доставки составляет 3000 рублей. Самовывоз со склада возможен на любую сумму при наличии товара.
ООО «УралТехГрупп»
ИНН: 7415093830
КПП: 772401001
ОГРН: 1167456069021
Банк: ПАО Сбербанк
Р/с: 40702810838000475273
К/с: 30101810400000000225
БИК: 044525225
У подшипника SS6908 ZZ пока нет отзывов. Вы можете стать первым покупателем, поделившимся своим мнением.