Поиск подшипника
Статьи
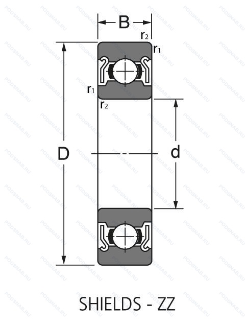
SS6812 ZZ — Подшипник однорядный шариковый радиальный, модификация основного исполнения SS6812, производство NIS.
Размер подшипника: 60x78x10 мм.
Материал: Нержавеющая сталь, защитные металлические шайбы с обеих сторон.
Международная стандартизации ISO
SS6812ZZ
В наличии
| Обозначение | Конструктивные изменения |
|---|---|
| SS6812 2RS | Резиновые уплотнения с каждой стороны подшипника. |
| SS6812 | Подшипник однорядный шариковый радиальный. Основное конструктивное исполнение. |
Модификации шарикового подшипника SS6812 ZZ — это измененное основное конструктивное исполнение SS6812, основные размеры (60x78x10) не отличаются.
| Обозначение | Гост | Конструктивные особенности |
|---|---|---|
| 61812T | ISO | Литой защелкивающийся сепаратор из полиамида. армированного стекловолокном. |
| 61812-2RS1 | ISO | Усиленные листовой сталью контактные уплотнения из акрилонитрил-бутадиенового каучука (NBR) с обеих сторон подшипника. |
| 61812 2RZ | ISO | Шарикоподшипник. С уплотнением и низким коэффициентом трения с обеих сторон. Уплотнение состоит из шайбы из листовой стали с вулканизированной резиной. |
| 6812NR | ISO | Канавка и стопорное кольцо на наружном кольце. |
| 61812-2Z | ISO | Защитные металлические шайбы с обеих сторон подшипника. |
| 6812ZZ CM AS2S | ISO | Защитные стальные шайбы с обеих сторон. Шариковый подшипник. Специальный радиальный внутренний зазор для электродвигателей. Подшипник с двумя смазочными отверстиями, расположенными под углом 180° во внешнем кольце. |
| 6812LLB | ISO | Уплотнение бесконтактного типа из синтетического каучука. |
| 6812VV | ISO | Защитные металлические шайбы. с обеих сторон подшипника. Бесконтактное уплотнение. (лучше. чем ZZ. Можно использовать в умеренно запыленной среде). |
| 6812ZZ Y | ISO | Защитные металлические шайбы с обеих сторон. Штампованный латунный фиксатор. Направляемые элементы качения. |
| 6812C3 | ISO | Внутренний зазор больше нормального. |
| 6812ZZ C3 | ISO | Внутренний зазор больше нормального. Защитные стальные шайбы с обеих сторон. |
| 61812EE | ISO | Резиновые уплотнения с каждой стороны подшипника. |
| 6812-2RS.P5.EMQ.C0 | ISO | Резиновые уплотнения с каждой стороны подшипника. Качество электродвигателя. Размерная и рабочая точность соответствует классу допуска ISO 5. Normal Clearance (Not Indicated). |
| 61812-2Z-C3 | ISO | Внутренний зазор больше нормального. Защитные стальные шайбы с обеих сторон. |
| 6812 2RU | ISO | Non Contact Type Friction Torque = Small High Speed Performance = Good Grease Sealing = Better Than ZZ-Type Dirt Resistance = Better Than ZZ-Type Water Resistance = Better Than ZZ / Inferior To 2RS Operating Temp. -30°C To + 100°C. |
| 61812Z | ISO | щит из листовой прессованной стали с одной стороны подшипника. |
| 6812LLU/5K | ISO | Резиновые уплотнения с каждой стороны подшипника. Grease/ Kyodo Yushi / Multemp SRL (-40°C to +150°C). |
| 61812ZZ Y | ISO | Защитные металлические шайбы с обеих сторон. Штампованный латунный фиксатор. Направляемые элементы качения. |
| 61812-2RZ-Y-C3 | ISO | Внутренний зазор больше нормального. Шарикоподшипник. С уплотнением и низким коэффициентом трения с обеих сторон. Уплотнение состоит из шайбы из листовой стали с вулканизированной резиной. Подшипник с сепаратором из латуни центрированный по телам качения. |
| 61812-Y-P5-R8-15 | ISO | Размерная и рабочая точность соответствует классу допуска ISO 5. Подшипник с сепаратором из латуни центрированный по телам качения. Radial Clearance In µm. |
Аналог шарикового подшипника SS6812 ZZ — это подшипник такого же размера dx60,Dx78,Bx10, типа и конструкции.
| Обозначение | Конструктивные особенности | Внутренний (d) | Наружный (D) | Ширина (B) |
|---|---|---|---|---|
| SS 61812-ZZ | Шариковый радиальный однорядный подшипник. Защитные металлические шайбы с обеих сторон. | 60.00 | 78.00 | 10.00 |
| 6812-2RD | Шариковый радиальный однорядный подшипник. Облегченное контактное уплотнение с двух сторон.. | 60.00 | 78.00 | 10.00 |
| 6812Z | Шариковый радиальный однорядный подшипник. щит из листовой прессованной стали с одной стороны подшипника. | 60.00 | 78.00 | 10.00 |
| 6812N | Шариковый радиальный однорядный подшипник. Канавка для стопорного кольца на наружном кольце. | 60.00 | 78.00 | 10.00 |
| 6812DD | Шариковый радиальный однорядный подшипник. Два уплотнения из PTFE. | 60.00 | 78.00 | 10.00 |
| 75-1000812 ЮТ | Шариковый радиальный однорядный подшипник. Температура отпуска. 160°. Все детали или часть деталей из нержавеющей стали.. | 60.00 | 78.00 | 10.00 |
| 75-1000812 ЮТП | Шариковый радиальный однорядный подшипник. Температура отпуска. 160°. Все детали или часть деталей из нержавеющей стали.. | 60.00 | 78.00 | 10.00 |
| TMB812X1C3 | Шариковый радиальный однорядный подшипник. Внутренний радиальный зазор С3. Модификация фаски. Изготовлено из специально термически обработанной стали. | 60.00 | 78.00 | 10.00 |
| 6812LLU | Шариковый радиальный однорядный подшипник. Контактное резиновое уплотнение с двух сторон. | 60.00 | 78.00 | 10.00 |
| 6812LU | Шариковый радиальный однорядный подшипник. Двухкромочное нитриловое контактное уплотнение. | 60.00 | 78.00 | 10.00 |
| 6812LLH | Шариковый радиальный однорядный подшипник. Манжетное уплотнение с обеих сторон подшипника. | 60.00 | 78.00 | 10.00 |
| S61812-2RS | Шариковый радиальный однорядный подшипник. Резиновые уплотнения с каждой стороны подшипника. | 60.00 | 78.00 | 10.00 |
| 1000812.2RS | Шариковый радиальный однорядный подшипник. Резиновые уплотнения с каждой стороны подшипника. | 60.00 | 78.00 | 10.00 |
| 5-1000812 ЮТ | Шариковый радиальный однорядный подшипник. Температура отпуска. 160°. Все детали или часть деталей из нержавеющей стали.. | 60.00 | 78.00 | 10.00 |
| 6-1000812 ЮТ | Шариковый радиальный однорядный подшипник. Температура отпуска. 160°. Все детали или часть деталей из нержавеющей стали.. | 60.00 | 78.00 | 10.00 |
Способы доставки
Отправка через ведущие транспортные и курьерские компании: ПЭК, Деловые Линии, СДЭК, Байкал-Сервис, Энергия, КИТ, ЖелДорЭкспедиция.
Самовывоз возможен напрямую со склада в Москве.
Сроки доставки
Срок зависит от региона и выбранной транспортной компании. Все заказы комплектуются и отправляются в кратчайшие сроки со склада в Москве.
Надёжность и сохранность
Вся продукция упаковывается с учётом требований транспортировки. Мы гарантируем, что подшипники и комплектующие прибудут к заказчику в полной сохранности.
Доставка в страны ЕАЭС
Мы работаем с проверенными логистическими партнёрами, что позволяет оперативно доставлять заказы в Беларусь, Казахстан, Армению и другие страны ЕАЭС.
Варианты оплаты:
Минимальная сумма заказа и скидки:
Документы и гарантии:
Да, конечно! Наши технические специалисты готовы помочь вам с подбором точного аналога или замены подшипника. Просто позвоните нам по телефону +7 (495) 104-99-04 или напишите на почту zakaz@podsnab.ru.
Для оперативной консультации подготовьте, пожалуйста, имеющиеся данные: маркировку, размеры, тип оборудования или артикул старого подшипника.
Да, конечно! Мы высоко ценим долгосрочное сотрудничество и доверие клиентов по всей России. Для постоянных клиентов действует персональная система скидок.
Условия формируются индивидуально и зависят от:
Чтобы узнать свои условия и получить максимально выгодное предложение, свяжитесь с персональным менеджером или напишите нам на почту zakaz@podsnab.ru.
Вы можете оформить заказ несколькими способами:
Для оформления заказа от юридического лица свяжитесь с нашим отделом по работе с корпоративными клиентами по телефону +7 (495) 104-99-04 или напишите на email zakaz@podsnab.ru, прикрепив реквизиты вашей организации.
Мы оперативно подготовим коммерческое предложение и выставим счет.
Возврат товара надлежащего качества возможен в течение 10 дней с момента получения, если товар не был в употреблении, сохранен товарный вид, упаковка не вскрывалась и присутствуют все сопроводительные документы.
Возврат денежных средств осуществляется в течение 10 рабочих дней после проверки товара складом.
В соответствии с законодательством возврату не подлежат подшипники надлежащего качества, если отсутствует оригинальная упаковка или имеются следы монтажа.
В случае выявления брака или гарантийного случая мы гарантируем возврат или обмен товара.
Да, гарантийный срок хранения устанавливается заводом-изготовителем и в среднем составляет 2 года при соблюдении условий хранения: сухое помещение, оригинальная упаковка и смазка.
Точный срок для конкретного типа подшипника уточняйте у наших менеджеров.
Пн–Пт: с 8:00 до 17:00 (МСК).
Сб–Вс: выходные дни.
Заказы на сайте принимаются круглосуточно. Заявки, поступившие после окончания рабочего дня, обрабатываются на следующий рабочий день.
Минимальная сумма заказа для доставки составляет 3000 рублей. Самовывоз со склада возможен на любую сумму при наличии товара.
ООО «УралТехГрупп»
ИНН: 7415093830
КПП: 772401001
ОГРН: 1167456069021
Банк: ПАО Сбербанк
Р/с: 40702810838000475273
К/с: 30101810400000000225
БИК: 044525225
У подшипника SS6812 ZZ пока нет отзывов. Вы можете стать первым покупателем, поделившимся своим мнением.