Поиск подшипника
Статьи
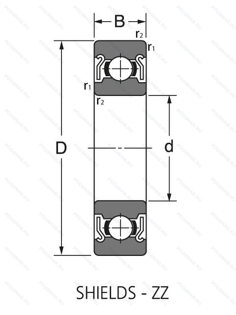
SS6808 ZZ — Подшипник однорядный шариковый радиальный, модификация основного исполнения SS6808, производство NIS.
Размер подшипника: 40x52x7 мм.
Материал: Нержавеющая сталь, защитные металлические шайбы с обеих сторон.
Международная стандартизации ISO
SS6808ZZ
В наличии
| Обозначение | Конструктивные изменения |
|---|---|
| SS6808 2RS | Резиновые уплотнения с каждой стороны подшипника. |
| SS6808 | Подшипник однорядный шариковый радиальный. Основное конструктивное исполнение. |
Модификации шарикового подшипника SS6808 ZZ — это измененное основное конструктивное исполнение SS6808, основные размеры (40x52x7) не отличаются.
| Обозначение | Гост | Конструктивные особенности |
|---|---|---|
| 6808 2RS Y | ISO | Резиновые уплотнения с каждой стороны подшипника. Штампованный латунный фиксатор. Направляемые элементы качения. |
| 6808JR | ISO | Клепаный сепаратор. где стандартный размер обычно приваривается точечной сваркой. |
| 6808 2Z | ISO | Защитные металлические шайбы с обеих сторон. |
| 61808.2ZR.C3 | ISO | Внутренний зазор больше нормального. Защитные металлические шайбы с обеих сторон. |
| 61808-2RZ-HLU | ISO | Шарикоподшипник. С уплотнением и низким коэффициентом трения с обеих сторон. Уплотнение состоит из шайбы из листовой стали с вулканизированной резиной. Код местонахождения завода. может использоваться в стандартной комплектации. |
| 61808-2RSR | ISO | Резиновые уплотнения с каждой стороны подшипника. |
| 6808JR LLU/5K | ISO | Резиновые уплотнения с каждой стороны подшипника. Клепаный сепаратор. где стандартный размер обычно приваривается точечной сваркой. Grease/ Kyodo Yushi / Multemp SRL (-40°C to +150°C). |
| 6808JRZZ/5K | ISO | Защитные металлические шайбы с обеих сторон. Клепаный сепаратор. где стандартный размер обычно приваривается точечной сваркой. Grease/ Kyodo Yushi / Multemp SRL (-40°C to +150°C). |
| 61808-2Z-C3 | ISO | Внутренний зазор больше нормального. Защитные стальные шайбы с обеих сторон. |
| 6808JR LLU/2AS | ISO | Резиновые уплотнения с каждой стороны подшипника. Клепаный сепаратор. где стандартный размер обычно приваривается точечной сваркой. LUBRICANT. SHELL OIL CO.. ALVANIA #2 GREASE. MIL-G-18709A. |
| 68082RSP6V2L21 | ISO | Резиновые уплотнения с каждой стороны подшипника. Размерные и геометрические допуски соответствуют классу точности P6. |
| 6808ZZV2 | ISO | Защитные металлические шайбы с обеих сторон. Vibration Level 2. |
| 6808LLBV2 | ISO | Уплотнение бесконтактного типа из синтетического каучука. |
| 6808ZZ AV2S | ISO | Защитные металлические шайбы с двух сторон подшипника. Lubricant. Shell Oil Co.. Alvania #2 Grease. 1/4 Full. Temperature Range = -10°C / + 110°C (Normal Temperature Grease). |
| 6808ZZA2D | ISO | Защитные металлические шайбы с обеих сторон. |
| 6808A VV | ISO | Внутренняя конструкция отличается от стандартной. Защитные металлические шайбы. с обеих сторон подшипника. Бесконтактное уплотнение. (лучше. чем ZZ. Можно использовать в умеренно запыленной среде). |
| 6808VV/NS7S | ISO | Стандартное заполнение. Защитные металлические шайбы. с обеих сторон подшипника. Бесконтактное уплотнение. (лучше. чем ZZ. Можно использовать в умеренно запыленной среде). NS Hi Lube Grease. (NS7/ Inside With Grease. Up Than 35%. Temperature Resistance -40°C To +140°C). |
| 6808A ZZ | ISO | Внутренняя конструкция отличается от стандартной. Защитные металлические шайбы с обеих сторон. |
| 6808ZZ/NS7L | ISO | Защитные металлические шайбы с обеих сторон. Grease Packed Less Than Standard. NS Hi Lube Grease. (NS7/ Inside With Grease. Up Than 35%. Temperature Resistance -40°C To +140°C). |
| 6808ZZ/2A | ISO | Защитные металлические шайбы с обеих сторон. Lubricant. Shell Oil Co.. Alvania #2 Grease. Mil-G-18709A. |
Аналог шарикового подшипника SS6808 ZZ — это подшипник такого же размера dx40,Dx52,Bx7, типа и конструкции.
| Обозначение | Конструктивные особенности | Внутренний (d) | Наружный (D) | Ширина (B) |
|---|---|---|---|---|
| 6808-2NKE | Шариковый радиальный однорядный подшипник. Double Labyrinth Seal (Non Contact). | 40.00 | 52.00 | 7.00 |
| 6808-2NSE | Шариковый радиальный однорядный подшипник. Резиновые уплотнения с каждой стороны подшипника. | 40.00 | 52.00 | 7.00 |
| 6808N | Шариковый радиальный однорядный подшипник. Канавка для стопорного кольца на наружном кольце. | 40.00 | 52.00 | 7.00 |
| 6808ZE | Шариковый радиальный однорядный подшипник. щит из листовой прессованной стали с одной стороны подшипника. | 40.00 | 52.00 | 7.00 |
| 6808DD | Шариковый радиальный однорядный подшипник. Два уплотнения из PTFE. | 40.00 | 52.00 | 7.00 |
| 6-900808 Ю | Шариковый радиальный однорядный подшипник. Все детали или часть деталей из нержавеющей стали.. | 40.00 | 52.00 | 6.00 |
| 6808LB | Шариковый радиальный однорядный подшипник. Бесконтактное нитриловое уплотнение. | 40.00 | 52.00 | 7.00 |
| 6808ZZNR | Шариковый радиальный однорядный подшипник. Стальная шайба. Канавка и стопорное кольцо на наружном кольце. | 40.00 | 52.00 | 7.00 |
| 6808LLB | Шариковый радиальный однорядный подшипник. Уплотнение бесконтактного типа из синтетического каучука. | 40.00 | 52.00 | 7.00 |
| W 61808 R-2Z | Шариковый радиальный однорядный подшипник. Защитные металлические шайбы с обеих сторон подшипника. Нержавеющая сталь. С выпуклыми асимметричными роликами и обработанным сепаратором. | 40.00 | 52.00 | 7.00 |
| W 61808 R | Шариковый радиальный однорядный подшипник. Нержавеющая сталь. С выпуклыми асимметричными роликами и обработанным сепаратором. | 40.00 | 52.00 | 7.00 |
| 1000808.2RS | Шариковый радиальный однорядный подшипник. Резиновые уплотнения с каждой стороны подшипника. | 40.00 | 52.00 | 7.00 |
| 6-1000808 АЛ | Шариковый радиальный однорядный подшипник. Сепаратор из латуни.. Повышенная грузоподъемность. | 40.00 | 52.00 | 7.00 |
| 6-1000808 Л | Шариковый радиальный однорядный подшипник. Сепаратор из латуни.. | 40.00 | 52.00 | 7.00 |
| 6-1036808 Ю | Шариковый радиально-упорный однорядный подшипник. Все детали или часть деталей из нержавеющей стали.. | 40.00 | 52.00 | 7.00 |
Способы доставки
Отправка через ведущие транспортные и курьерские компании: ПЭК, Деловые Линии, СДЭК, Байкал-Сервис, Энергия, КИТ, ЖелДорЭкспедиция.
Самовывоз возможен напрямую со склада в Москве.
Сроки доставки
Срок зависит от региона и выбранной транспортной компании. Все заказы комплектуются и отправляются в кратчайшие сроки со склада в Москве.
Надёжность и сохранность
Вся продукция упаковывается с учётом требований транспортировки. Мы гарантируем, что подшипники и комплектующие прибудут к заказчику в полной сохранности.
Доставка в страны ЕАЭС
Мы работаем с проверенными логистическими партнёрами, что позволяет оперативно доставлять заказы в Беларусь, Казахстан, Армению и другие страны ЕАЭС.
Варианты оплаты:
Минимальная сумма заказа и скидки:
Документы и гарантии:
Да, конечно! Наши технические специалисты готовы помочь вам с подбором точного аналога или замены подшипника. Просто позвоните нам по телефону +7 (495) 104-99-04 или напишите на почту zakaz@podsnab.ru.
Для оперативной консультации подготовьте, пожалуйста, имеющиеся данные: маркировку, размеры, тип оборудования или артикул старого подшипника.
Да, конечно! Мы высоко ценим долгосрочное сотрудничество и доверие клиентов по всей России. Для постоянных клиентов действует персональная система скидок.
Условия формируются индивидуально и зависят от:
Чтобы узнать свои условия и получить максимально выгодное предложение, свяжитесь с персональным менеджером или напишите нам на почту zakaz@podsnab.ru.
Вы можете оформить заказ несколькими способами:
Для оформления заказа от юридического лица свяжитесь с нашим отделом по работе с корпоративными клиентами по телефону +7 (495) 104-99-04 или напишите на email zakaz@podsnab.ru, прикрепив реквизиты вашей организации.
Мы оперативно подготовим коммерческое предложение и выставим счет.
Возврат товара надлежащего качества возможен в течение 10 дней с момента получения, если товар не был в употреблении, сохранен товарный вид, упаковка не вскрывалась и присутствуют все сопроводительные документы.
Возврат денежных средств осуществляется в течение 10 рабочих дней после проверки товара складом.
В соответствии с законодательством возврату не подлежат подшипники надлежащего качества, если отсутствует оригинальная упаковка или имеются следы монтажа.
В случае выявления брака или гарантийного случая мы гарантируем возврат или обмен товара.
Да, гарантийный срок хранения устанавливается заводом-изготовителем и в среднем составляет 2 года при соблюдении условий хранения: сухое помещение, оригинальная упаковка и смазка.
Точный срок для конкретного типа подшипника уточняйте у наших менеджеров.
Пн–Пт: с 8:00 до 17:00 (МСК).
Сб–Вс: выходные дни.
Заказы на сайте принимаются круглосуточно. Заявки, поступившие после окончания рабочего дня, обрабатываются на следующий рабочий день.
Минимальная сумма заказа для доставки составляет 3000 рублей. Самовывоз со склада возможен на любую сумму при наличии товара.
ООО «УралТехГрупп»
ИНН: 7415093830
КПП: 772401001
ОГРН: 1167456069021
Банк: ПАО Сбербанк
Р/с: 40702810838000475273
К/с: 30101810400000000225
БИК: 044525225
У подшипника SS6808 ZZ пока нет отзывов. Вы можете стать первым покупателем, поделившимся своим мнением.