Поиск подшипника
Статьи
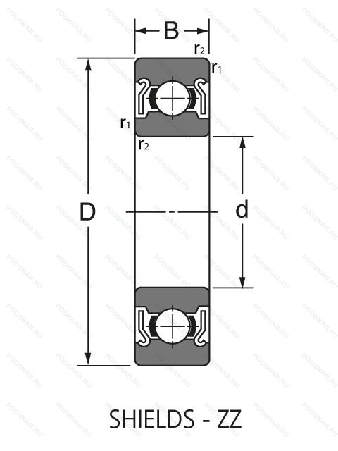
SS6804ZZ — Подшипник шариковый из нержавеющей стали, модификация основного исполнения SS6804, выпускается производителями: NIS, SMB.
Размер подшипника: 20x32x7 мм.
Материал: Нержавеющая сталь, защитные металлические шайбы с обеих сторон.
Альтернативное обозначение: S6804ZZ, W6804-2Z.
Аналоги: S61804-2Z-HLC FAG,W61804-2Z SKF,W61804ZZT6 ADR,S61804 2Z-GL ZEN.
Международная стандартизации ISO
SS6804ZZ
В наличии
| Обозначение | Конструктивные изменения |
|---|---|
| SS6804 | Подшипник шариковый из нержавеющей стали. Основное конструктивное исполнение. |
| SS6804 2RS | Резиновые уплотнения с каждой стороны подшипника. |
Модификации нержавеющего шарикового подшипника SS6804ZZ — это измененное основное конструктивное исполнение SS6804, основные размеры (20x32x7) не отличаются.
| Обозначение | Гост | Конструктивные особенности |
|---|---|---|
| 61804VA | ISO | Нержавеющая сталь. |
| W61804-2RS1/W64 | ISO | Усиленные листовой сталью контактные уплотнения из акрилонитрил-бутадиенового каучука (NBR) с обеих сторон подшипника. Антифрикционный заполнитель. твердая смазка. |
| S61804-2RS1 | ISO | Усиленные листовой сталью контактные уплотнения из акрилонитрил-бутадиенового каучука (NBR) с обеих сторон подшипника. |
| S6804ZZ | ISO | Защитные металлические шайбы с обеих сторон. |
| S61804.2RSR | ISO | Резиновые уплотнения с каждой стороны подшипника. |
| W61804-2RS1/VT378 | ISO | Усиленные листовой сталью контактные уплотнения из акрилонитрил-бутадиенового каучука (NBR) с обеих сторон подшипника. Food Grade Grease With Aluminium Thickener Of Consistency 2 To The NLGI Scale For A Temperature Range -25°C/+120°C (Normal Fill Grade). |
| S6804 2RS | ISO | Резиновые уплотнения с каждой стороны подшипника. |
| 6804H 2RS | ISO | Резиновые уплотнения с каждой стороны подшипника. Нержавеющая сталь. |
| 6804 2RS VA | ISO | Резиновые уплотнения с каждой стороны подшипника. Нержавеющая сталь. |
| S61804 2Z-GL | ISO | Защитные металлические шайбы с обеих сторон. Консистентная смазка. |
| S61804-2Z-HLC | ISO | Защитные металлические шайбы с обеих сторон. Код местонахождения завода. может использоваться в стандартной комплектации. |
| W61804ZZT6 | ISO | Подшипник шариковый из нержавеющей стали. |
| 6804H20 T1X DDU | ISO | Резиновые уплотнения с каждой стороны подшипника. Полиамидный фиксатор. Коррозионностойкая нержавеющая сталь. Серия Long Life. |
| W61804-2RS1 | ISO | Усиленные листовой сталью контактные уплотнения из акрилонитрил-бутадиенового каучука (NBR) с обеих сторон подшипника. Нержавеющая сталь. |
| S61804 2RS | ISO | Резиновые уплотнения с каждой стороны подшипника. |
| W61804-2Z | ISO | Защитные металлические шайбы с обеих сторон подшипника. Нержавеющая сталь. |
| S61804ZZ | ISO | Защитные металлические шайбы с обеих сторон. |
| S61804 2RS GL | ISO | Резиновые уплотнения с каждой стороны подшипника. Консистентная смазка. |
Аналог нержавеющего шарикового подшипника SS6804ZZ — это подшипник такого же размера dx20,Dx32,Bx7, типа и конструкции.
| Обозначение | Конструктивные особенности | Внутренний (d) | Наружный (D) | Ширина (B) |
|---|---|---|---|---|
| SS 61804-2RS | Шариковый радиальный однорядный подшипник. Резиновые уплотнения с каждой стороны подшипника. | 20.00 | 32.00 | 7.00 |
| F6804ZZ | Шариковый радиальный однорядный подшипник. Защитные металлические шайбы с обеих сторон. | 20.00 | 32.00 | 7.00 |
| 6804Z | Шариковый радиальный однорядный подшипник. Стальная шайба. | 20.00 | 32.00 | 7.00 |
| 6804NSE | Шариковый радиальный однорядный подшипник. Резиновое уплотнение с одной стороны. | 20.00 | 32.00 | 7.00 |
| 6804N | Шариковый радиальный однорядный подшипник. Канавка для стопорного кольца на наружном кольце. | 20.00 | 32.00 | 7.00 |
| 6804ZE | Шариковый радиальный однорядный подшипник. щит из листовой прессованной стали с одной стороны подшипника. | 20.00 | 32.00 | 7.00 |
| 6804DD | Шариковый радиальный однорядный подшипник. Два уплотнения из PTFE. | 20.00 | 32.00 | 7.00 |
| 6804LLUNR | Шариковый радиальный однорядный подшипник. Канавка и стопорное кольцо на наружном кольце. Двухкромочное нитриловое контактное уплотнение. | 20.00 | 32.00 | 7.00 |
| 6804LLU | Шариковый радиальный однорядный подшипник. Контактное резиновое уплотнение с двух сторон. | 20.00 | 32.00 | 7.00 |
| 6804LU | Шариковый радиальный однорядный подшипник. Двухкромочное нитриловое контактное уплотнение. | 20.00 | 32.00 | 7.00 |
| W 61804 R | Шариковый радиальный однорядный подшипник. Нержавеющая сталь. С выпуклыми асимметричными роликами и обработанным сепаратором. | 20.00 | 32.00 | 7.00 |
| S61804-2Z | Шариковый радиальный однорядный подшипник. Защитные металлические шайбы с обеих сторон подшипника. | 20.00 | 32.00 | 7.00 |
| SF61804-2Z | Шариковый радиальный однорядный подшипник. Защитные металлические шайбы с обеих сторон подшипника. | 20.00 | 32.00 | 7.00 |
| SF61804-2RS | Шариковый радиальный однорядный подшипник. Резиновые уплотнения с каждой стороны подшипника. | 20.00 | 32.00 | 7.00 |
| 1000804.2RS | Шариковый радиальный однорядный подшипник. Резиновые уплотнения с каждой стороны подшипника. | 20.00 | 32.00 | 7.00 |
Способы доставки
Отправка через ведущие транспортные и курьерские компании: ПЭК, Деловые Линии, СДЭК, Байкал-Сервис, Энергия, КИТ, ЖелДорЭкспедиция.
Самовывоз возможен напрямую со склада в Москве.
Сроки доставки
Срок зависит от региона и выбранной транспортной компании. Все заказы комплектуются и отправляются в кратчайшие сроки со склада в Москве.
Надёжность и сохранность
Вся продукция упаковывается с учётом требований транспортировки. Мы гарантируем, что подшипники и комплектующие прибудут к заказчику в полной сохранности.
Доставка в страны ЕАЭС
Мы работаем с проверенными логистическими партнёрами, что позволяет оперативно доставлять заказы в Беларусь, Казахстан, Армению и другие страны ЕАЭС.
Варианты оплаты:
Минимальная сумма заказа и скидки:
Документы и гарантии:
Да, конечно! Наши технические специалисты готовы помочь вам с подбором точного аналога или замены подшипника. Просто позвоните нам по телефону +7 (495) 104-99-04 или напишите на почту zakaz@podsnab.ru.
Для оперативной консультации подготовьте, пожалуйста, имеющиеся данные: маркировку, размеры, тип оборудования или артикул старого подшипника.
Да, конечно! Мы высоко ценим долгосрочное сотрудничество и доверие клиентов по всей России. Для постоянных клиентов действует персональная система скидок.
Условия формируются индивидуально и зависят от:
Чтобы узнать свои условия и получить максимально выгодное предложение, свяжитесь с персональным менеджером или напишите нам на почту zakaz@podsnab.ru.
Вы можете оформить заказ несколькими способами:
Для оформления заказа от юридического лица свяжитесь с нашим отделом по работе с корпоративными клиентами по телефону +7 (495) 104-99-04 или напишите на email zakaz@podsnab.ru, прикрепив реквизиты вашей организации.
Мы оперативно подготовим коммерческое предложение и выставим счет.
Возврат товара надлежащего качества возможен в течение 10 дней с момента получения, если товар не был в употреблении, сохранен товарный вид, упаковка не вскрывалась и присутствуют все сопроводительные документы.
Возврат денежных средств осуществляется в течение 10 рабочих дней после проверки товара складом.
В соответствии с законодательством возврату не подлежат подшипники надлежащего качества, если отсутствует оригинальная упаковка или имеются следы монтажа.
В случае выявления брака или гарантийного случая мы гарантируем возврат или обмен товара.
Да, гарантийный срок хранения устанавливается заводом-изготовителем и в среднем составляет 2 года при соблюдении условий хранения: сухое помещение, оригинальная упаковка и смазка.
Точный срок для конкретного типа подшипника уточняйте у наших менеджеров.
Пн–Пт: с 8:00 до 17:00 (МСК).
Сб–Вс: выходные дни.
Заказы на сайте принимаются круглосуточно. Заявки, поступившие после окончания рабочего дня, обрабатываются на следующий рабочий день.
Минимальная сумма заказа для доставки составляет 3000 рублей. Самовывоз со склада возможен на любую сумму при наличии товара.
ООО «УралТехГрупп»
ИНН: 7415093830
КПП: 772401001
ОГРН: 1167456069021
Банк: ПАО Сбербанк
Р/с: 40702810838000475273
К/с: 30101810400000000225
БИК: 044525225
У подшипника SS6804ZZ пока нет отзывов. Вы можете стать первым покупателем, поделившимся своим мнением.