Поиск подшипника
Статьи
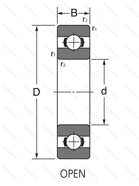
SS6913 — Подшипник однорядный шариковый радиальный, основное исполнение, производство NIS.
Размер подшипника: 65x90x13 мм.
Материал: Нержавеющая сталь.
Международная стандартизации ISO
SS6913
В наличии
| Обозначение | Конструктивные изменения |
|---|---|
| SS6913 ZZ | Защитные металлические шайбы с обеих сторон. |
| SS6913 2RS | Резиновые уплотнения с каждой стороны подшипника. |
Модификации шарикового подшипника SS6913 — это измененное основное конструктивное исполнение SS6913, основные размеры (65x90x13) не отличаются.
| Обозначение | Гост | Конструктивные особенности |
|---|---|---|
| 61913/C3 | ISO | Внутренний зазор больше нормального. |
| 61913 2RS | ISO | Контактные уплотнения типа RS с обеих сторон игольчатого роликоподшипника. |
| 6913ZZ | ISO | Металлическая защитная шайба с двух сторон. |
| 6913C3 | ISO | Внутренний зазор больше нормального. |
| 6913VV | ISO | Защитные металлические шайбы. с обеих сторон подшипника. Бесконтактное уплотнение. (лучше. чем ZZ. Можно использовать в умеренно запыленной среде). |
| 1913S | ISO | Single Row Radial Conrad-Type Bearings. |
| 6913 2RS Y | ISO | Резиновые уплотнения с каждой стороны подшипника. Штампованный латунный фиксатор. Направляемые элементы качения. |
| 6913ZZ Y | ISO | Защитные металлические шайбы с обеих сторон. Штампованный латунный фиксатор. Направляемые элементы качения. |
| 6913ZZ C3 | ISO | Внутренний зазор больше нормального. Защитные стальные шайбы с обеих сторон. |
| 6913 2RU | ISO | Non Contact Type Friction Torque = Small High Speed Performance = Good Grease Sealing = Better Than ZZ-Type Dirt Resistance = Better Than ZZ-Type Water Resistance = Better Than ZZ / Inferior To 2RS Operating Temp. -30°C To + 100°C. |
| 61913-2RSR-C3 | ISO | Внутренний зазор больше нормального. Резиновые уплотнения с каждой стороны подшипника. |
| 61913-2RSR | ISO | Резиновые уплотнения с каждой стороны подшипника. |
| 61913-2Z | ISO | Защитные металлические шайбы с обеих сторон. |
| 6913DDU C3 | ISO | Внутренний зазор больше нормального. Резиновые уплотнения с каждой стороны подшипника. |
| 6913DDU | ISO | Резиновые уплотнения с каждой стороны подшипника. |
| 9313K | ISO | Conrad (Non-Filling Slot) Type. |
| 6913VV AV2S | ISO | Lubricant. Shell Oil Co.. Alvania #2 Grease. 1/4 Full. Temperature Range = -10°C / + 110°C (Normal Temperature Grease). Защитные металлические шайбы. с обеих сторон подшипника. Бесконтактное уплотнение. (лучше. чем ZZ. Можно использовать в умеренно запыленной среде). |
| 6913LLU | ISO | Резиновые уплотнения с каждой стороны подшипника. |
| 6913LLU/2AS | ISO | Резиновые уплотнения с каждой стороны подшипника. LUBRICANT. SHELL OIL CO.. ALVANIA #2 GREASE. MIL-G-18709A. |
| 61913-2RS1 | ISO | Усиленные листовой сталью контактные уплотнения из акрилонитрил-бутадиенового каучука (NBR) с обеих сторон подшипника. |
Аналог шарикового подшипника SS6913 — это подшипник такого же размера dx65,Dx90,Bx13, типа и конструкции.
| Обозначение | Конструктивные особенности | Внутренний (d) | Наружный (D) | Ширина (B) |
|---|---|---|---|---|
| SS 61913-ZZ | Шариковый радиальный однорядный подшипник. Защитные металлические шайбы с обеих сторон. | 65.00 | 90.00 | 13.00 |
| 61913-2RZ | Шариковый радиальный однорядный подшипник. Шарикоподшипник. С уплотнением и низким коэффициентом трения с обеих сторон. Уплотнение состоит из шайбы из листовой стали с вулканизированной резиной. | 65.00 | 90.00 | 13.00 |
| 6913-2RD | Шариковый радиальный однорядный подшипник. Облегченное контактное уплотнение с двух сторон.. | 65.00 | 90.00 | 13.00 |
| 6913LLB | Шариковый радиальный однорядный подшипник. Уплотнение бесконтактного типа из синтетического каучука. | 65.00 | 90.00 | 13.00 |
| 6913ZZNR | Шариковый радиальный однорядный подшипник. Стальная шайба. Канавка и стопорное кольцо на наружном кольце. | 65.00 | 90.00 | 13.00 |
| S61913-2RS | Шариковый радиальный однорядный подшипник. Резиновые уплотнения с каждой стороны подшипника. | 65.00 | 90.00 | 13.00 |
| 3NC HAR913C FT | Шариковый радиальный однорядный подшипник. Угол контакта 20 градусов. REINFORCED PHENOLIC CAGE. | 65.00 | 90.00 | 13.00 |
| 3NCHAC913CA | Шариковый радиальный однорядный подшипник. Угол контакта 20 градусов. Латунный сепаратор с симметричными роликами. | 65.00 | 90.00 | 13.00 |
| 3NCHAC913C | Шариковый радиальный однорядный подшипник. Угол контакта 20 градусов. | 65.00 | 90.00 | 13.00 |
| 3NCHAF913CA | Шариковый радиальный однорядный подшипник. Угол контакта 20 градусов. Латунный сепаратор с симметричными роликами. | 65.00 | 90.00 | 13.00 |
| 3NCHAR913 | Шариковый радиальный однорядный подшипник. Угол контакта 20 градусов. | 65.00 | 90.00 | 13.00 |
| 3NCHAR913C | Шариковый радиальный однорядный подшипник. Угол контакта 20 градусов. | 65.00 | 90.00 | 13.00 |
| 3NCHAR913CA | Шариковый радиальный однорядный подшипник. Угол контакта 20 градусов. Латунный сепаратор с симметричными роликами. | 65.00 | 90.00 | 13.00 |
| 1000913-А | Шариковый радиальный однорядный подшипник. Повышенная грузоподъемность. | 65.00 | 90.00 | 13.00 |
| 1000913.2RS | Шариковый радиальный однорядный подшипник. Резиновые уплотнения с каждой стороны подшипника. | 65.00 | 90.00 | 13.00 |
Способы доставки
Отправка через ведущие транспортные и курьерские компании: ПЭК, Деловые Линии, СДЭК, Байкал-Сервис, Энергия, КИТ, ЖелДорЭкспедиция.
Самовывоз возможен напрямую со склада в Москве.
Сроки доставки
Срок зависит от региона и выбранной транспортной компании. Все заказы комплектуются и отправляются в кратчайшие сроки со склада в Москве.
Надёжность и сохранность
Вся продукция упаковывается с учётом требований транспортировки. Мы гарантируем, что подшипники и комплектующие прибудут к заказчику в полной сохранности.
Доставка в страны ЕАЭС
Мы работаем с проверенными логистическими партнёрами, что позволяет оперативно доставлять заказы в Беларусь, Казахстан, Армению и другие страны ЕАЭС.
Варианты оплаты:
Минимальная сумма заказа и скидки:
Документы и гарантии:
Да, конечно! Наши технические специалисты готовы помочь вам с подбором точного аналога или замены подшипника. Просто позвоните нам по телефону +7 (495) 104-99-04 или напишите на почту zakaz@podsnab.ru.
Для оперативной консультации подготовьте, пожалуйста, имеющиеся данные: маркировку, размеры, тип оборудования или артикул старого подшипника.
Да, конечно! Мы высоко ценим долгосрочное сотрудничество и доверие клиентов по всей России. Для постоянных клиентов действует персональная система скидок.
Условия формируются индивидуально и зависят от:
Чтобы узнать свои условия и получить максимально выгодное предложение, свяжитесь с персональным менеджером или напишите нам на почту zakaz@podsnab.ru.
Вы можете оформить заказ несколькими способами:
Для оформления заказа от юридического лица свяжитесь с нашим отделом по работе с корпоративными клиентами по телефону +7 (495) 104-99-04 или напишите на email zakaz@podsnab.ru, прикрепив реквизиты вашей организации.
Мы оперативно подготовим коммерческое предложение и выставим счет.
Возврат товара надлежащего качества возможен в течение 10 дней с момента получения, если товар не был в употреблении, сохранен товарный вид, упаковка не вскрывалась и присутствуют все сопроводительные документы.
Возврат денежных средств осуществляется в течение 10 рабочих дней после проверки товара складом.
В соответствии с законодательством возврату не подлежат подшипники надлежащего качества, если отсутствует оригинальная упаковка или имеются следы монтажа.
В случае выявления брака или гарантийного случая мы гарантируем возврат или обмен товара.
Да, гарантийный срок хранения устанавливается заводом-изготовителем и в среднем составляет 2 года при соблюдении условий хранения: сухое помещение, оригинальная упаковка и смазка.
Точный срок для конкретного типа подшипника уточняйте у наших менеджеров.
Пн–Пт: с 8:00 до 17:00 (МСК).
Сб–Вс: выходные дни.
Заказы на сайте принимаются круглосуточно. Заявки, поступившие после окончания рабочего дня, обрабатываются на следующий рабочий день.
Минимальная сумма заказа для доставки составляет 3000 рублей. Самовывоз со склада возможен на любую сумму при наличии товара.
ООО «УралТехГрупп»
ИНН: 7415093830
КПП: 772401001
ОГРН: 1167456069021
Банк: ПАО Сбербанк
Р/с: 40702810838000475273
К/с: 30101810400000000225
БИК: 044525225
У подшипника SS6913 пока нет отзывов. Вы можете стать первым покупателем, поделившимся своим мнением.