Поиск подшипника
Статьи
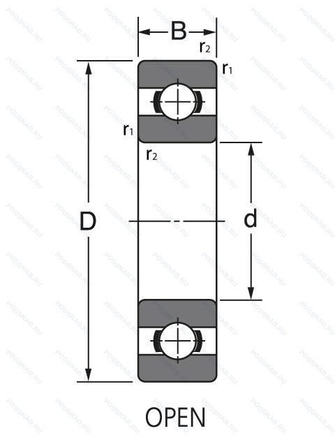
SS6901 — Подшипник однорядный шариковый радиальный, основное исполнение, производство NIS.
Размер подшипника: 12x24x6 мм.
Материал: Нержавеющая сталь.
Международная стандартизации ISO
SS6901
В наличии
| Обозначение | Конструктивные изменения |
|---|---|
| SS6901ZZ | Защитные металлические шайбы с обеих сторон. |
| SS6901 2RS | Резиновые уплотнения с каждой стороны подшипника. |
Модификации шарикового подшипника SS6901 — это измененное основное конструктивное исполнение SS6901, основные размеры (12x24x6) не отличаются.
| Обозначение | Гост | Конструктивные особенности |
|---|---|---|
| 61901EE | ISO | Резиновые уплотнения с каждой стороны подшипника. |
| 61901 2RS T9H | ISO | Контактное уплотнение с обеих сторон подшипника. Glass-Fibre Reinforced (25%) Thermoplastic Polyamide PA 6.6. 1-Piece. Operating Temperature 120°C. |
| 61901T9H | ISO | Glass-Fibre Reinforced (25%) Thermoplastic Polyamide PA 6.6. 1-Piece. Operating Temperature 120°C. |
| 1901SZZ | ISO | Шарикоподшипник. Изготовлен в соответствии со специальными требованиями к уровню шума. Однорядный радиальный подшипник. С двумя уплотнениями. |
| 61901RS | ISO | Резиновое уплотнение с одной стороны. |
| 6901DDU | ISO | Резиновые уплотнения с каждой стороны подшипника. |
| 61901-HLC | ISO | Код местонахождения завода. может использоваться в стандартной комплектации. |
| 61901-2Z-HLC | ISO | Защитные металлические шайбы с обеих сторон. Код местонахождения завода. может использоваться в стандартной комплектации. |
| 6901ZZV2 | ISO | Защитные металлические шайбы с обеих сторон. Vibration Level 2. |
| 6901ZZE | ISO | Радиальный шарикоподшипник серии Excel. Защитные металлические шайбы с обеих сторон. |
| 6901ZZC3 | ISO | Внутренний зазор больше нормального. Защитные металлические шайбы с обеих сторон подшипника. |
| 6901ZZ2CM | ISO | Два боковых защитных уплотнения. Шариковый подшипник. Специальный радиальный внутренний зазор для электродвигателей. |
| F63801-2RSR-HLC | ISO | Резиновые уплотнения с каждой стороны подшипника. Код местонахождения завода. может использоваться в стандартной комплектации. |
| 6901ZZ1 NR | ISO | Канавка под стопорное кольцо на наружном кольце с соответствующим стопорным кольцом. Защитные из нержавеющей стали шайбы с двух сторон подшипника. |
| R-2412X3KKRP0P58LY121 | ISO | Ribbon Steel Cage. NMB Suffix. Equivalent To 2Z. ABEC.1. Multemp SRL Grease. - 40° + 150° Celsius. Indicates Radial Play Of .0005” to .0008”. |
| 6901VV/AV2S | ISO | Lubricant. Shell Oil Co.. Alvania #2 Grease. 1/4 Full. Temperature Range = -10°C / + 110°C (Normal Temperature Grease). Защитные металлические шайбы. с обеих сторон подшипника. Бесконтактное уплотнение. (лучше. чем ZZ. Можно использовать в умеренно запыленной среде). |
| 6901DDC3PS2 | ISO | Внутренний зазор больше нормального. Контактное уплотнение с двух сторон. Multemp PS No. 2. Thickener = Lithium. Oil Base = Synthetic Oil + Mineral Oil. Operating Temperature = -50°C / + 110°C. Applications/ Ball Screws And Linear Guides Used Under Low Temperatures And Heavy Operating Conditions. |
| 61901DD C3 | ISO | Внутренний зазор больше нормального. Контактное уплотнение с двух сторон. |
| 61901-H-2RSR | ISO | Стандартное качество. Резиновые уплотнения с каждой стороны подшипника. |
| 61901POM | ISO | Полимер. |
Аналог шарикового подшипника SS6901 — это подшипник такого же размера dx12,Dx24,Bx6, типа и конструкции.
| Обозначение | Конструктивные особенности | Внутренний (d) | Наружный (D) | Ширина (B) |
|---|---|---|---|---|
| SF61901-2RS | Шариковый радиальный однорядный подшипник. Резиновые уплотнения с каждой стороны подшипника. | 12.00 | 24.00 | 6.00 |
| F61901-2Z | Шариковый радиальный однорядный подшипник. Защитные металлические шайбы с обеих сторон подшипника. | 12.00 | 24.00 | 6.00 |
| 3NCHAC901CA | Шариковый радиальный однорядный подшипник. Угол контакта 20 градусов. Латунный сепаратор с симметричными роликами. | 12.00 | 24.00 | 6.00 |
| 3NCHAC901C | Шариковый радиальный однорядный подшипник. Угол контакта 20 градусов. | 12.00 | 24.00 | 6.00 |
| 1000901-ЮТ | Шариковый радиальный однорядный подшипник. Температура отпуска. 160°. Все детали или часть деталей из нержавеющей стали.. | 12.00 | 24.00 | 6.00 |
| 1М5-1000901 | Шариковый радиальный однорядный подшипник. Модифицированный контакт.. | 12.00 | 24.00 | 6.00 |
| 25-1000901 Ю | Шариковый радиальный однорядный подшипник. Все детали или часть деталей из нержавеющей стали.. | 12.00 | 24.00 | 6.00 |
| 5-1000901 БТ2 | Шариковый радиальный однорядный подшипник. 200°. Температура отпуска. Сепаратор из безоловянистой бронзы.. | 12.00 | 24.00 | 6.00 |
| 5-1000901 Т2 | Шариковый радиальный однорядный подшипник. 200°. Температура отпуска. | 12.00 | 24.00 | 6.00 |
| 5-1000901 Ю | Шариковый радиальный однорядный подшипник. Все детали или часть деталей из нержавеющей стали.. | 12.00 | 24.00 | 6.00 |
| 6-1000901 Р1 | Шариковый радиальный однорядный подшипник. Детали из теплоустойчивой (быстрорежущие) стали.. | 12.00 | 24.00 | 6.00 |
| 6-1000901 Ю | Шариковый радиальный однорядный подшипник. Все детали или часть деталей из нержавеющей стали.. | 12.00 | 24.00 | 6.00 |
| 6-1000901 Ю1 | Шариковый радиальный однорядный подшипник. Все детали или часть деталей из нержавеющей стали.. | 12.00 | 24.00 | 6.00 |
| 6-1000901 Ю1Т | Шариковый радиальный однорядный подшипник. Температура отпуска. 160°. Все детали или часть деталей из нержавеющей стали.. | 12.00 | 24.00 | 6.00 |
| 6-1000901 ЮТ | Шариковый радиальный однорядный подшипник. Температура отпуска. 160°. Все детали или часть деталей из нержавеющей стали.. | 12.00 | 24.00 | 6.00 |
Способы доставки
Отправка через ведущие транспортные и курьерские компании: ПЭК, Деловые Линии, СДЭК, Байкал-Сервис, Энергия, КИТ, ЖелДорЭкспедиция.
Самовывоз возможен напрямую со склада в Москве.
Сроки доставки
Срок зависит от региона и выбранной транспортной компании. Все заказы комплектуются и отправляются в кратчайшие сроки со склада в Москве.
Надёжность и сохранность
Вся продукция упаковывается с учётом требований транспортировки. Мы гарантируем, что подшипники и комплектующие прибудут к заказчику в полной сохранности.
Доставка в страны ЕАЭС
Мы работаем с проверенными логистическими партнёрами, что позволяет оперативно доставлять заказы в Беларусь, Казахстан, Армению и другие страны ЕАЭС.
Варианты оплаты:
Минимальная сумма заказа и скидки:
Документы и гарантии:
Да, конечно! Наши технические специалисты готовы помочь вам с подбором точного аналога или замены подшипника. Просто позвоните нам по телефону +7 (495) 104-99-04 или напишите на почту zakaz@podsnab.ru.
Для оперативной консультации подготовьте, пожалуйста, имеющиеся данные: маркировку, размеры, тип оборудования или артикул старого подшипника.
Да, конечно! Мы высоко ценим долгосрочное сотрудничество и доверие клиентов по всей России. Для постоянных клиентов действует персональная система скидок.
Условия формируются индивидуально и зависят от:
Чтобы узнать свои условия и получить максимально выгодное предложение, свяжитесь с персональным менеджером или напишите нам на почту zakaz@podsnab.ru.
Вы можете оформить заказ несколькими способами:
Для оформления заказа от юридического лица свяжитесь с нашим отделом по работе с корпоративными клиентами по телефону +7 (495) 104-99-04 или напишите на email zakaz@podsnab.ru, прикрепив реквизиты вашей организации.
Мы оперативно подготовим коммерческое предложение и выставим счет.
Возврат товара надлежащего качества возможен в течение 10 дней с момента получения, если товар не был в употреблении, сохранен товарный вид, упаковка не вскрывалась и присутствуют все сопроводительные документы.
Возврат денежных средств осуществляется в течение 10 рабочих дней после проверки товара складом.
В соответствии с законодательством возврату не подлежат подшипники надлежащего качества, если отсутствует оригинальная упаковка или имеются следы монтажа.
В случае выявления брака или гарантийного случая мы гарантируем возврат или обмен товара.
Да, гарантийный срок хранения устанавливается заводом-изготовителем и в среднем составляет 2 года при соблюдении условий хранения: сухое помещение, оригинальная упаковка и смазка.
Точный срок для конкретного типа подшипника уточняйте у наших менеджеров.
Пн–Пт: с 8:00 до 17:00 (МСК).
Сб–Вс: выходные дни.
Заказы на сайте принимаются круглосуточно. Заявки, поступившие после окончания рабочего дня, обрабатываются на следующий рабочий день.
Минимальная сумма заказа для доставки составляет 3000 рублей. Самовывоз со склада возможен на любую сумму при наличии товара.
ООО «УралТехГрупп»
ИНН: 7415093830
КПП: 772401001
ОГРН: 1167456069021
Банк: ПАО Сбербанк
Р/с: 40702810838000475273
К/с: 30101810400000000225
БИК: 044525225
У подшипника SS6901 пока нет отзывов. Вы можете стать первым покупателем, поделившимся своим мнением.