Поиск подшипника
Статьи
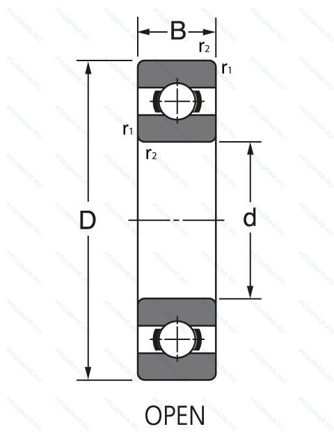
SS6810 — Подшипник однорядный шариковый радиальный, основное исполнение, производство NIS.
Размер подшипника: 50x65x7 мм.
Материал: Нержавеющая сталь.
Международная стандартизации ISO
SS6810
В наличии
| Обозначение | Конструктивные изменения |
|---|---|
| SS6810 ZZ | Защитные металлические шайбы с обеих сторон. |
| SS6810 2RS | Резиновые уплотнения с каждой стороны подшипника. |
Модификации шарикового подшипника SS6810 — это измененное основное конструктивное исполнение SS6810, основные размеры (50x65x7) не отличаются.
| Обозначение | Гост | Конструктивные особенности |
|---|---|---|
| 6810VV/AV2S | ISO | Lubricant. Shell Oil Co.. Alvania #2 Grease. 1/4 Full. Temperature Range = -10°C / + 110°C (Normal Temperature Grease). Защитные металлические шайбы. с обеих сторон подшипника. Бесконтактное уплотнение. (лучше. чем ZZ. Можно использовать в умеренно запыленной среде). |
| 61810-Y-C3 | ISO | Внутренний зазор больше нормального. Подшипник с сепаратором из латуни центрированный по телам качения. |
| 61810-2RS1 | ISO | Усиленные листовой сталью контактные уплотнения из акрилонитрил-бутадиенового каучука (NBR) с обеих сторон подшипника. |
| 6810 2RS Y | ISO | Резиновые уплотнения с каждой стороны подшипника. Штампованный латунный фиксатор. Направляемые элементы качения. |
| 6810ZZ Y | ISO | Защитные металлические шайбы с обеих сторон. Штампованный латунный фиксатор. Направляемые элементы качения. |
| 6810JR ZZ | ISO | Защитные металлические шайбы с обеих сторон. Клепаный сепаратор. где стандартный размер обычно приваривается точечной сваркой. |
| 6810ZZ C3 | ISO | Внутренний зазор больше нормального. Защитные стальные шайбы с обеих сторон. |
| 6810JRZZC3/5K | ISO | Внутренний зазор больше нормального. Защитные стальные шайбы с обеих сторон. Клепаный сепаратор. где стандартный размер обычно приваривается точечной сваркой. Grease/ Kyodo Yushi / Multemp SRL (-40°C to +150°C). |
| 61810-2Z-C3 | ISO | Внутренний зазор больше нормального. Защитные стальные шайбы с обеих сторон. |
| 6810VV/AS2S | ISO | Стандартное заполнение. 1/4 Full. Смазка Aeroshell 7. Защитные металлические шайбы. с обеих сторон подшипника. Бесконтактное уплотнение. (лучше. чем ZZ. Можно использовать в умеренно запыленной среде). |
| 6810VV | ISO | Защитные металлические шайбы. с обеих сторон подшипника. Бесконтактное уплотнение. (лучше. чем ZZ. Можно использовать в умеренно запыленной среде). |
| 61810-C3 | ISO | Внутренний зазор больше нормального. |
| 6810LLU | ISO | Резиновые уплотнения с каждой стороны подшипника. |
| 6810LLBV2L21 | ISO | Уплотнение бесконтактного типа из синтетического каучука. |
| 6810ZZV2L21 | ISO | Защитные металлические шайбы с обеих сторон. Designation For Noise Value. |
| 61810T | ISO | Литой защелкивающийся сепаратор из полиамида. армированного стекловолокном. |
| 6810 2RU | ISO | Non Contact Type Friction Torque = Small High Speed Performance = Good Grease Sealing = Better Than ZZ-Type Dirt Resistance = Better Than ZZ-Type Water Resistance = Better Than ZZ / Inferior To 2RS Operating Temp. -30°C To + 100°C. |
| 61810-2RZ-Y-L178/20 | ISO | Шарикоподшипник. С уплотнением и низким коэффициентом трения с обеих сторон. Уплотнение состоит из шайбы из листовой стали с вулканизированной резиной. Подшипник с сепаратором из латуни центрированный по телам качения. High Speed Grease. Low And High Temp. -50°C / 120°C. Longtime Limit Temperature 75°C. Filling 20%. |
| 6810JRC3 | ISO | Внутренний зазор больше нормального. Клепаный сепаратор. где стандартный размер обычно приваривается точечной сваркой. |
| 61810.P5 | ISO | Размерная и рабочая точность соответствует классу допуска ISO 5. |
Аналог шарикового подшипника SS6810 — это подшипник такого же размера dx50,Dx65,Bx7, типа и конструкции.
| Обозначение | Конструктивные особенности | Внутренний (d) | Наружный (D) | Ширина (B) |
|---|---|---|---|---|
| 6810Z | Шариковый радиальный однорядный подшипник. щит из листовой прессованной стали с одной стороны подшипника. | 50.00 | 65.00 | 7.00 |
| 6810-2RD | Шариковый радиальный однорядный подшипник. Облегченное контактное уплотнение с двух сторон.. | 50.00 | 65.00 | 7.00 |
| 6810-2NKE | Шариковый радиальный однорядный подшипник. Double Labyrinth Seal (Non Contact). | 50.00 | 65.00 | 7.00 |
| 6810N | Шариковый радиальный однорядный подшипник. Канавка для стопорного кольца на наружном кольце. | 50.00 | 65.00 | 7.00 |
| 6810ZE | Шариковый радиальный однорядный подшипник. щит из листовой прессованной стали с одной стороны подшипника. | 50.00 | 65.00 | 7.00 |
| 6810-2NSE | Шариковый радиальный однорядный подшипник. Резиновые уплотнения с каждой стороны подшипника. | 50.00 | 65.00 | 7.00 |
| 6810NSE | Шариковый радиальный однорядный подшипник. Резиновое уплотнение с одной стороны. | 50.00 | 65.00 | 7.00 |
| 6810ZZE | Шариковый радиальный однорядный подшипник. | 50.00 | 65.00 | 7.00 |
| 6810DDU | Шариковый радиальный однорядный подшипник. Резиновые уплотнения с каждой стороны подшипника. | 50.00 | 65.00 | 7.00 |
| 6810LLB | Шариковый радиальный однорядный подшипник. Уплотнение бесконтактного типа из синтетического каучука. | 50.00 | 65.00 | 7.00 |
| W 61810 R-2Z | Шариковый радиальный однорядный подшипник. Защитные металлические шайбы с обеих сторон подшипника. Нержавеющая сталь. С выпуклыми асимметричными роликами и обработанным сепаратором. | 50.00 | 65.00 | 7.00 |
| S61810-2RS | Шариковый радиальный однорядный подшипник. Резиновые уплотнения с каждой стороны подшипника. | 50.00 | 65.00 | 7.00 |
| 5-1036810 Ю | Шариковый радиально-упорный однорядный подшипник. Все детали или часть деталей из нержавеющей стали.. | 50.00 | 85.00 | 7.00 |
| 6-1036810 Ю | Шариковый радиально-упорный однорядный подшипник. Все детали или часть деталей из нержавеющей стали.. | 50.00 | 65.00 | 7.00 |
| 6-1766810 Ю | Шариковый радиально-упорный однорядный подшипник. Все детали или часть деталей из нержавеющей стали.. | 50.00 | 65.00 | 7.00 |
Способы доставки
Отправка через ведущие транспортные и курьерские компании: ПЭК, Деловые Линии, СДЭК, Байкал-Сервис, Энергия, КИТ, ЖелДорЭкспедиция.
Самовывоз возможен напрямую со склада в Москве.
Сроки доставки
Срок зависит от региона и выбранной транспортной компании. Все заказы комплектуются и отправляются в кратчайшие сроки со склада в Москве.
Надёжность и сохранность
Вся продукция упаковывается с учётом требований транспортировки. Мы гарантируем, что подшипники и комплектующие прибудут к заказчику в полной сохранности.
Доставка в страны ЕАЭС
Мы работаем с проверенными логистическими партнёрами, что позволяет оперативно доставлять заказы в Беларусь, Казахстан, Армению и другие страны ЕАЭС.
Варианты оплаты:
Минимальная сумма заказа и скидки:
Документы и гарантии:
Да, конечно! Наши технические специалисты готовы помочь вам с подбором точного аналога или замены подшипника. Просто позвоните нам по телефону +7 (495) 104-99-04 или напишите на почту zakaz@podsnab.ru.
Для оперативной консультации подготовьте, пожалуйста, имеющиеся данные: маркировку, размеры, тип оборудования или артикул старого подшипника.
Да, конечно! Мы высоко ценим долгосрочное сотрудничество и доверие клиентов по всей России. Для постоянных клиентов действует персональная система скидок.
Условия формируются индивидуально и зависят от:
Чтобы узнать свои условия и получить максимально выгодное предложение, свяжитесь с персональным менеджером или напишите нам на почту zakaz@podsnab.ru.
Вы можете оформить заказ несколькими способами:
Для оформления заказа от юридического лица свяжитесь с нашим отделом по работе с корпоративными клиентами по телефону +7 (495) 104-99-04 или напишите на email zakaz@podsnab.ru, прикрепив реквизиты вашей организации.
Мы оперативно подготовим коммерческое предложение и выставим счет.
Возврат товара надлежащего качества возможен в течение 10 дней с момента получения, если товар не был в употреблении, сохранен товарный вид, упаковка не вскрывалась и присутствуют все сопроводительные документы.
Возврат денежных средств осуществляется в течение 10 рабочих дней после проверки товара складом.
В соответствии с законодательством возврату не подлежат подшипники надлежащего качества, если отсутствует оригинальная упаковка или имеются следы монтажа.
В случае выявления брака или гарантийного случая мы гарантируем возврат или обмен товара.
Да, гарантийный срок хранения устанавливается заводом-изготовителем и в среднем составляет 2 года при соблюдении условий хранения: сухое помещение, оригинальная упаковка и смазка.
Точный срок для конкретного типа подшипника уточняйте у наших менеджеров.
Пн–Пт: с 8:00 до 17:00 (МСК).
Сб–Вс: выходные дни.
Заказы на сайте принимаются круглосуточно. Заявки, поступившие после окончания рабочего дня, обрабатываются на следующий рабочий день.
Минимальная сумма заказа для доставки составляет 3000 рублей. Самовывоз со склада возможен на любую сумму при наличии товара.
ООО «УралТехГрупп»
ИНН: 7415093830
КПП: 772401001
ОГРН: 1167456069021
Банк: ПАО Сбербанк
Р/с: 40702810838000475273
К/с: 30101810400000000225
БИК: 044525225
У подшипника SS6810 пока нет отзывов. Вы можете стать первым покупателем, поделившимся своим мнением.