Поиск подшипника
Статьи
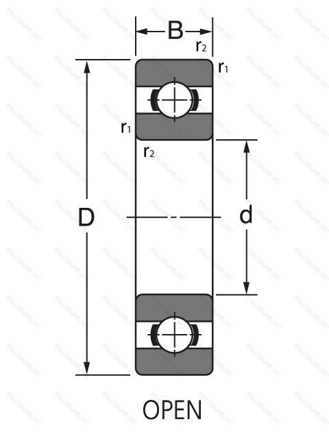
SS6805 — Подшипник однорядный шариковый радиальный, основное исполнение, производство NIS.
Размер подшипника: 25x37x7 мм.
Материал: Нержавеющая сталь.
Международная стандартизации ISO
SS6805
В наличии
| Обозначение | Конструктивные изменения |
|---|---|
| SS6805 ZZ | Защитные металлические шайбы с обеих сторон. |
| SS6805 2RS | Резиновые уплотнения с каждой стороны подшипника. |
Модификации шарикового подшипника SS6805 — это измененное основное конструктивное исполнение SS6805, основные размеры (25x37x7) не отличаются.
| Обозначение | Гост | Конструктивные особенности |
|---|---|---|
| 6805JR LLU/LP03 | ISO | Резиновые уплотнения с каждой стороны подшипника. Клепаный сепаратор. где стандартный размер обычно приваривается точечной сваркой. General-Purpose Solid Grease. -20°C +80°C. |
| 61805.2RSR.C3 | ISO | Внутренний зазор больше нормального. Резиновые уплотнения с каждой стороны подшипника. |
| 6805ZZ NR | ISO | Защитные металлические шайбы с обеих сторон. Канавка под стопорное кольцо на наружном кольце с соответствующим стопорным кольцом. |
| 61805TN9 | ISO | Литой сепаратор из полиамида 6.6. армированного стекловолокном. Элемент качения по центру. |
| 61805-2RSR | ISO | Резиновые уплотнения с каждой стороны подшипника. |
| 6805JR LLB/5K | ISO | Уплотнение бесконтактного типа из синтетического каучука. Клепаный сепаратор. где стандартный размер обычно приваривается точечной сваркой. Grease/ Kyodo Yushi / Multemp SRL (-40°C to +150°C). |
| 6805VV CM | ISO | Шариковый подшипник. Специальный радиальный внутренний зазор для электродвигателей. Защитные металлические шайбы с двух сторон подшипника (лучше. чем ZZ (пригодно для использования в условиях умеренной запыленности)) Бесконтактного уплотнения. |
| 6805A1 ZZ AV2S | ISO | Защитные металлические шайбы с двух сторон подшипника. Lubricant. Shell Oil Co.. Alvania #2 Grease. 1/4 Full. Temperature Range = -10°C / + 110°C (Normal Temperature Grease). ABEC.1. |
| 6805LLB | ISO | Уплотнение бесконтактного типа из синтетического каучука. |
| MR2437LLB | ISO | Уплотнение бесконтактного типа из синтетического каучука. |
| 61805RSZ | ISO | One RS-Seal And One Z Shield. |
| 6805 2RU | ISO | Non Contact Type Friction Torque = Small High Speed Performance = Good Grease Sealing = Better Than ZZ-Type Dirt Resistance = Better Than ZZ-Type Water Resistance = Better Than ZZ / Inferior To 2RS Operating Temp. -30°C To + 100°C. |
| 61805-2Z-HLC | ISO | Защитные металлические шайбы с обеих сторон. Код местонахождения завода. может использоваться в стандартной комплектации. |
| 61805-2RS1/C3 | ISO | Внутренний зазор больше нормального. Усиленные листовой сталью контактные уплотнения из акрилонитрил-бутадиенового каучука (NBR) с обеих сторон подшипника. |
| 61805-HLA-C3 | ISO | Внутренний зазор больше нормального. Код местонахождения завода. может использоваться в стандартной комплектации. |
| 61805-2RS2 | ISO | Два контактных уплотнения из фторкаучука (FPM) с усилением из листовой стали (высокотемпературные). |
| 61805VV | ISO | Защитные металлические шайбы. с обеих сторон подшипника. Бесконтактное уплотнение. (лучше. чем ZZ. Можно использовать в умеренно запыленной среде). |
| 6805VV CM/NS7S | ISO | Стандартное заполнение. Шариковый подшипник. Специальный радиальный внутренний зазор для электродвигателей. Защитные металлические шайбы с двух сторон подшипника (лучше. чем ZZ (пригодно для использования в условиях умеренной запыленности)) Бесконтактного уплотнения. NS Hi Lube Grease. (NS7/ Inside With Grease. Up Than 35%. Temperature Resistance -40°C To +140°C). |
| 61805-2Z/F | ISO | Защитные металлические шайбы с обеих сторон. Фланец. |
| 61805 2RU | ISO | Non Contact Type Friction Torque = Small High Speed Performance = Good Grease Sealing = Better Than ZZ-Type Dirt Resistance = Better Than ZZ-Type Water Resistance = Better Than ZZ / Inferior To 2RS Operating Temp. -30°C To + 100°C. |
Аналог шарикового подшипника SS6805 — это подшипник такого же размера dx25,Dx37,Bx7, типа и конструкции.
| Обозначение | Конструктивные особенности | Внутренний (d) | Наружный (D) | Ширина (B) |
|---|---|---|---|---|
| 1000805-АЕ | Шариковый радиальный однорядный подшипник. Сепаратор из текстолита.. Повышенная грузоподъемность. | 25.00 | 37.00 | 7.00 |
| 1000805-Е | Шариковый радиальный однорядный подшипник. Сепаратор из текстолита.. | 25.00 | 37.00 | 7.00 |
| 1000805-Л | Шариковый радиальный однорядный подшипник. Сепаратор из латуни.. | 25.00 | 37.00 | 7.00 |
| 1000805.2RS | Шариковый радиальный однорядный подшипник. Резиновые уплотнения с каждой стороны подшипника. | 25.00 | 37.00 | 7.00 |
| 1000805E5 | Шариковый радиальный однорядный подшипник. Смазочные отверстия и канавки во внутреннем кольце. | 25.00 | 37.00 | 7.00 |
| 1008905-Ю | Шариковый упорный однорядный подшипник. Все детали или часть деталей из нержавеющей стали.. | 25.00 | 37.00 | 8.00 |
| 5-1000805 E | Шариковый радиальный однорядный подшипник. Повышенная грузоподъемность. | 25.00 | 37.00 | 7.00 |
| 5-1000805-Л | Шариковый радиальный однорядный подшипник. Сепаратор из латуни.. | 25.00 | 37.00 | 7.00 |
| 5-1000805-Ю2Т | Шариковый радиальный однорядный подшипник. Температура отпуска. 160°. Все детали или часть деталей из нержавеющей стали.. | 25.00 | 37.00 | 7.00 |
| 5-1000805 Ю2Т3 | Шариковый радиальный однорядный подшипник. 250°. Все детали или часть деталей из нержавеющей стали.. Температура отпуска. | 25.00 | 37.00 | 7.00 |
| 6-1000805 Л | Шариковый радиальный однорядный подшипник. Сепаратор из латуни.. | 25.00 | 37.00 | 7.00 |
| 6-1000805 ЛТ2 | Шариковый радиальный однорядный подшипник. Сепаратор из латуни.. 200°. Температура отпуска. | 25.00 | 37.00 | 7.00 |
| 6-1000805 Ю | Шариковый радиальный однорядный подшипник. Все детали или часть деталей из нержавеющей стали.. | 25.00 | 37.00 | 7.00 |
| 6-1000805 Ю1Т | Шариковый радиальный однорядный подшипник. Температура отпуска. 160°. Все детали или часть деталей из нержавеющей стали.. | 25.00 | 37.00 | 7.00 |
| 6-1008905 Ю | Шариковый упорный однорядный подшипник. Все детали или часть деталей из нержавеющей стали.. | 25.00 | 37.00 | 8.00 |
Способы доставки
Отправка через ведущие транспортные и курьерские компании: ПЭК, Деловые Линии, СДЭК, Байкал-Сервис, Энергия, КИТ, ЖелДорЭкспедиция.
Самовывоз возможен напрямую со склада в Москве.
Сроки доставки
Срок зависит от региона и выбранной транспортной компании. Все заказы комплектуются и отправляются в кратчайшие сроки со склада в Москве.
Надёжность и сохранность
Вся продукция упаковывается с учётом требований транспортировки. Мы гарантируем, что подшипники и комплектующие прибудут к заказчику в полной сохранности.
Доставка в страны ЕАЭС
Мы работаем с проверенными логистическими партнёрами, что позволяет оперативно доставлять заказы в Беларусь, Казахстан, Армению и другие страны ЕАЭС.
Варианты оплаты:
Минимальная сумма заказа и скидки:
Документы и гарантии:
Да, конечно! Наши технические специалисты готовы помочь вам с подбором точного аналога или замены подшипника. Просто позвоните нам по телефону +7 (495) 104-99-04 или напишите на почту zakaz@podsnab.ru.
Для оперативной консультации подготовьте, пожалуйста, имеющиеся данные: маркировку, размеры, тип оборудования или артикул старого подшипника.
Да, конечно! Мы высоко ценим долгосрочное сотрудничество и доверие клиентов по всей России. Для постоянных клиентов действует персональная система скидок.
Условия формируются индивидуально и зависят от:
Чтобы узнать свои условия и получить максимально выгодное предложение, свяжитесь с персональным менеджером или напишите нам на почту zakaz@podsnab.ru.
Вы можете оформить заказ несколькими способами:
Для оформления заказа от юридического лица свяжитесь с нашим отделом по работе с корпоративными клиентами по телефону +7 (495) 104-99-04 или напишите на email zakaz@podsnab.ru, прикрепив реквизиты вашей организации.
Мы оперативно подготовим коммерческое предложение и выставим счет.
Возврат товара надлежащего качества возможен в течение 10 дней с момента получения, если товар не был в употреблении, сохранен товарный вид, упаковка не вскрывалась и присутствуют все сопроводительные документы.
Возврат денежных средств осуществляется в течение 10 рабочих дней после проверки товара складом.
В соответствии с законодательством возврату не подлежат подшипники надлежащего качества, если отсутствует оригинальная упаковка или имеются следы монтажа.
В случае выявления брака или гарантийного случая мы гарантируем возврат или обмен товара.
Да, гарантийный срок хранения устанавливается заводом-изготовителем и в среднем составляет 2 года при соблюдении условий хранения: сухое помещение, оригинальная упаковка и смазка.
Точный срок для конкретного типа подшипника уточняйте у наших менеджеров.
Пн–Пт: с 8:00 до 17:00 (МСК).
Сб–Вс: выходные дни.
Заказы на сайте принимаются круглосуточно. Заявки, поступившие после окончания рабочего дня, обрабатываются на следующий рабочий день.
Минимальная сумма заказа для доставки составляет 3000 рублей. Самовывоз со склада возможен на любую сумму при наличии товара.
ООО «УралТехГрупп»
ИНН: 7415093830
КПП: 772401001
ОГРН: 1167456069021
Банк: ПАО Сбербанк
Р/с: 40702810838000475273
К/с: 30101810400000000225
БИК: 044525225
У подшипника SS6805 пока нет отзывов. Вы можете стать первым покупателем, поделившимся своим мнением.