Поиск подшипника
Статьи
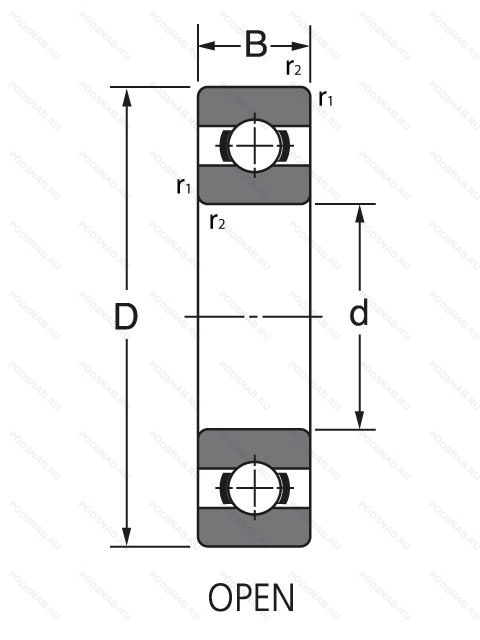
SS6802 — Подшипник однорядный шариковый радиальный, основное исполнение, производство NIS.
Размер подшипника: 15x24x5 мм.
Материал: Нержавеющая сталь.
Международная стандартизации ISO
SS6802
В наличии
| Обозначение | Конструктивные изменения |
|---|---|
| SS6802ZZ | Защитные металлические шайбы с обеих сторон. |
| SS6802 2RS | Резиновые уплотнения с каждой стороны подшипника. |
Модификации шарикового подшипника SS6802 — это измененное основное конструктивное исполнение SS6802, основные размеры (15x24x5) не отличаются.
| Обозначение | Гост | Конструктивные особенности |
|---|---|---|
| 6802ZZ SRL | ISO | Защитные металлические шайбы с обеих сторон. Multemp SRL Grease. - 40° + 150° Celsius. |
| 6802LLBV2L21 | ISO | Уплотнение бесконтактного типа из синтетического каучука. |
| 61802EE G15 | ISO | Литой сепаратор из полиамида 6.6. армированного стекловолокном. Элемент качения по центру. Резиновые уплотнения с каждой стороны подшипника. |
| 61802ZZ G15 | ISO | Защитные металлические шайбы с обеих сторон. Литой сепаратор из полиамида 6.6. армированного стекловолокном. Центрированный элемент качения.. |
| 6802LLU | ISO | Резиновые уплотнения с каждой стороны подшипника. |
| 6802 2RU | ISO | Non Contact Type Friction Torque = Small High Speed Performance = Good Grease Sealing = Better Than ZZ-Type Dirt Resistance = Better Than ZZ-Type Water Resistance = Better Than ZZ / Inferior To 2RS Operating Temp. -30°C To + 100°C. |
| 6802ZZCM | ISO | Два боковых защитных уплотнения. Шариковый подшипник. Специальный радиальный внутренний зазор для электродвигателей. |
| 61802-2Z-HLN-C3 | ISO | Внутренний зазор больше нормального. Защитные металлические шайбы с обеих сторон. Код местонахождения завода. может использоваться в стандартной комплектации. |
| 61802-2Z-HLN | ISO | Защитные металлические шайбы с обеих сторон. Код местонахождения завода. может использоваться в стандартной комплектации. |
| 6802Z | ISO | щит из листовой прессованной стали с одной стороны подшипника. |
| 61802 2RS C3 | ISO | Внутренний зазор больше нормального. Резиновые уплотнения с каждой стороны подшипника. |
| 6802 2Z C3 AV2 | ISO | Внутренний зазор больше нормального. Защитные стальные шайбы с обеих сторон. Lubricant. Shell Oil Co.. Alvania #2 Grease. 1/4 Full. Temperature Range = -10°C / + 110°C (Normal Temperature Grease). |
| 61802 2RS GL | ISO | Резиновые уплотнения с каждой стороны подшипника. Консистентная смазка. |
| 61802-H-2RSR | ISO | Стандартное качество. Резиновые уплотнения с каждой стороны подшипника. |
| 61802LLU | ISO | Резиновые уплотнения с каждой стороны подшипника. |
| 6802GPR E | ISO | Сепаратор изготовлен из листовой стали. Испытание на шум. |
| 6802-2RSL GPR E G340 | ISO | Сепаратор изготовлен из листовой стали. RSL Low-Friction Contact Seal On Both Sides Of The Bearing. Испытание на шум. Longtime PD2 Lubrication -35 to +140° C. |
| 6802-2RZ GPR J G331 | ISO | Сепаратор изготовлен из нержавеющей листовой стали. Шарикоподшипник. С уплотнением и низким коэффициентом трения с обеих сторон. Уплотнение состоит из шайбы из листовой стали с вулканизированной резиной. Испытание на шум. Klüber Isoflex LDS 18. Temperature Range/ -50°C (-58°F)/+120°C (248°F). |
| 6802-2Z | ISO | Защитные металлические шайбы с обеих сторон. |
| 6802ADDC4 EA3S | ISO | Стандартное заполнение. Резиновые уплотнения с каждой стороны подшипника. Working Temperature Range/ -40°C / +150°C. |
Аналог шарикового подшипника SS6802 — это подшипник такого же размера dx15,Dx24,Bx5, типа и конструкции.
| Обозначение | Конструктивные особенности | Внутренний (d) | Наружный (D) | Ширина (B) |
|---|---|---|---|---|
| 6802-2NKE | Шариковый радиальный однорядный подшипник. Double Labyrinth Seal (Non Contact). | 15.00 | 24.00 | 5.00 |
| 6802-2NSE | Шариковый радиальный однорядный подшипник. Резиновые уплотнения с каждой стороны подшипника. | 15.00 | 24.00 | 5.00 |
| 6802NSE | Шариковый радиальный однорядный подшипник. Резиновое уплотнение с одной стороны. | 15.00 | 24.00 | 5.00 |
| SSN802ZZ | Шариковый радиальный однорядный подшипник. Защитные металлические шайбы с обеих сторон. | 15.00 | 24.00 | 5.00 |
| 6802LLB | Шариковый радиальный однорядный подшипник. Уплотнение бесконтактного типа из синтетического каучука. | 15.00 | 24.00 | 5.00 |
| W 61802 R-2Z | Шариковый радиальный однорядный подшипник. Защитные металлические шайбы с обеих сторон подшипника. Нержавеющая сталь. С выпуклыми асимметричными роликами и обработанным сепаратором. | 15.00 | 24.00 | 5.00 |
| S61802-2Z | Шариковый радиальный однорядный подшипник. Защитные металлические шайбы с обеих сторон подшипника. | 15.00 | 24.00 | 5.00 |
| SF61802-2RS | Шариковый радиальный однорядный подшипник. Резиновые уплотнения с каждой стороны подшипника. | 15.00 | 24.00 | 5.00 |
| SF61802-2Z | Шариковый радиальный однорядный подшипник. Защитные металлические шайбы с обеих сторон подшипника. | 15.00 | 24.00 | 5.00 |
| 1000802-ZZ | Шариковый радиальный однорядный подшипник. Защитные металлические шайбы с обеих сторон. | 15.00 | 24.00 | 5.00 |
| 1000802-Л | Шариковый радиальный однорядный подшипник. Сепаратор из латуни.. | 15.00 | 24.00 | 5.00 |
| 1000802.2RS | Шариковый радиальный однорядный подшипник. Резиновые уплотнения с каждой стороны подшипника. | 15.00 | 24.00 | 5.00 |
| 26-1000802 Ю1Т | Шариковый радиальный однорядный подшипник. Температура отпуска. 160°. Все детали или часть деталей из нержавеющей стали.. | 15.00 | 24.00 | 5.00 |
| 5-1000802 Л | Шариковый радиальный однорядный подшипник. Сепаратор из латуни.. | 15.00 | 24.00 | 5.00 |
| 6-1000802 Л | Шариковый радиальный однорядный подшипник. Сепаратор из латуни.. | 15.00 | 24.00 | 5.00 |
Способы доставки
Отправка через ведущие транспортные и курьерские компании: ПЭК, Деловые Линии, СДЭК, Байкал-Сервис, Энергия, КИТ, ЖелДорЭкспедиция.
Самовывоз возможен напрямую со склада в Москве.
Сроки доставки
Срок зависит от региона и выбранной транспортной компании. Все заказы комплектуются и отправляются в кратчайшие сроки со склада в Москве.
Надёжность и сохранность
Вся продукция упаковывается с учётом требований транспортировки. Мы гарантируем, что подшипники и комплектующие прибудут к заказчику в полной сохранности.
Доставка в страны ЕАЭС
Мы работаем с проверенными логистическими партнёрами, что позволяет оперативно доставлять заказы в Беларусь, Казахстан, Армению и другие страны ЕАЭС.
Варианты оплаты:
Минимальная сумма заказа и скидки:
Документы и гарантии:
Да, конечно! Наши технические специалисты готовы помочь вам с подбором точного аналога или замены подшипника. Просто позвоните нам по телефону +7 (495) 104-99-04 или напишите на почту zakaz@podsnab.ru.
Для оперативной консультации подготовьте, пожалуйста, имеющиеся данные: маркировку, размеры, тип оборудования или артикул старого подшипника.
Да, конечно! Мы высоко ценим долгосрочное сотрудничество и доверие клиентов по всей России. Для постоянных клиентов действует персональная система скидок.
Условия формируются индивидуально и зависят от:
Чтобы узнать свои условия и получить максимально выгодное предложение, свяжитесь с персональным менеджером или напишите нам на почту zakaz@podsnab.ru.
Вы можете оформить заказ несколькими способами:
Для оформления заказа от юридического лица свяжитесь с нашим отделом по работе с корпоративными клиентами по телефону +7 (495) 104-99-04 или напишите на email zakaz@podsnab.ru, прикрепив реквизиты вашей организации.
Мы оперативно подготовим коммерческое предложение и выставим счет.
Возврат товара надлежащего качества возможен в течение 10 дней с момента получения, если товар не был в употреблении, сохранен товарный вид, упаковка не вскрывалась и присутствуют все сопроводительные документы.
Возврат денежных средств осуществляется в течение 10 рабочих дней после проверки товара складом.
В соответствии с законодательством возврату не подлежат подшипники надлежащего качества, если отсутствует оригинальная упаковка или имеются следы монтажа.
В случае выявления брака или гарантийного случая мы гарантируем возврат или обмен товара.
Да, гарантийный срок хранения устанавливается заводом-изготовителем и в среднем составляет 2 года при соблюдении условий хранения: сухое помещение, оригинальная упаковка и смазка.
Точный срок для конкретного типа подшипника уточняйте у наших менеджеров.
Пн–Пт: с 8:00 до 17:00 (МСК).
Сб–Вс: выходные дни.
Заказы на сайте принимаются круглосуточно. Заявки, поступившие после окончания рабочего дня, обрабатываются на следующий рабочий день.
Минимальная сумма заказа для доставки составляет 3000 рублей. Самовывоз со склада возможен на любую сумму при наличии товара.
ООО «УралТехГрупп»
ИНН: 7415093830
КПП: 772401001
ОГРН: 1167456069021
Банк: ПАО Сбербанк
Р/с: 40702810838000475273
К/с: 30101810400000000225
БИК: 044525225
У подшипника SS6802 пока нет отзывов. Вы можете стать первым покупателем, поделившимся своим мнением.