Поиск подшипника
Статьи
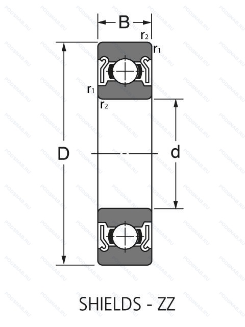
SS63802 ZZ — Подшипник однорядный шариковый радиальный, модификация основного исполнения SS63802, производство NIS.
Размер подшипника: 15x24x7 мм.
Материал: Нержавеющая сталь, защитные металлические шайбы с обеих сторон.
Международная стандартизации ISO
SS63802ZZ
В наличии
| Обозначение | Конструктивные изменения |
|---|---|
| SS63802 2RS | Резиновые уплотнения с каждой стороны подшипника. |
| SS63802 | Подшипник однорядный шариковый радиальный. Основное конструктивное исполнение. |
Модификации шарикового подшипника SS63802 ZZ — это измененное основное конструктивное исполнение SS63802, основные размеры (15x24x7) не отличаются.
| Обозначение | Гост | Конструктивные особенности |
|---|---|---|
| 63802 2RS | ISO | Резиновые уплотнения с каждой стороны подшипника. |
| 63802ZZ | ISO | Защитные металлические шайбы с обеих сторон. |
| SSF63802 | ISO | Подшипник однорядный шариковый радиальный. |
| SSF63802 ZZ | ISO | Защитные металлические шайбы с обеих сторон. |
| SSF63802 2RS | ISO | Резиновые уплотнения с каждой стороны подшипника. |
| 63802 | ISO | Подшипник однорядный шариковый радиальный. |
Аналог шарикового подшипника SS63802 ZZ — это подшипник такого же размера dx15,Dx24,Bx7, типа и конструкции.
| Обозначение | Конструктивные особенности | Внутренний (d) | Наружный (D) | Ширина (B) |
|---|---|---|---|---|
| 3802 2RS HLC | Подшипник шариковый двухрядный радиально-упорный. Манжетное уплотнение с обеих сторон подшипника. Код местонахождения завода. может использоваться в стандартной комплектации. | 15.00 | 24.00 | 7.00 |
| 3802 2RS | Подшипник шариковый двухрядный радиально-упорный. Манжетное уплотнение с обеих сторон подшипника. | 15.00 | 24.00 | 7.00 |
| 3802-B-2Z-TVH | Подшипник шариковый двухрядный радиально-упорный. Модификация внутренней конструкции. Щиты с обеих сторон подшипника. Формованный полиамидный сепаратор защелкивающегося типа. | 15.00 | 24.00 | 7.00 |
| 63802H 2RS | Подшипник шариковый из нержавеющей стали. Резиновые уплотнения с каждой стороны подшипника. Нержавеющая сталь. | 15.00 | 24.00 | 7.00 |
| 3802-B-TVH | Шариковый радиально-упорный подшипник. Модифицированная внутренняя конструкция. Твердая клетка из полиамида. | 15.00 | 24.00 | 7.00 |
| W 63802 | Шариковый радиальный подшипник. Нержавеющая сталь. | 15.00 | 24.00 | 7.00 |
| W 63802-2Z | Шариковый радиальный подшипник. Защитные металлические шайбы с обеих сторон подшипника. Нержавеющая сталь. | 15.00 | 24.00 | 7.00 |
| W 63802-2RS1 | Шариковый радиальный подшипник. Усиленные листовой сталью контактные уплотнения из акрилонитрил-бутадиенового каучука (NBR) с обеих сторон подшипника. Нержавеющая сталь. | 15.00 | 24.00 | 7.00 |
| W 63802 R-2Z | Шариковый радиальный подшипник. Защитные металлические шайбы с обеих сторон подшипника. Нержавеющая сталь. С выпуклыми асимметричными роликами и обработанным сепаратором. | 15.00 | 24.00 | 7.00 |
| W 63802-2RZ | Шариковый радиальный подшипник. Шарикоподшипник. С уплотнением и низким коэффициентом трения с обеих сторон. Уплотнение состоит из шайбы из листовой стали с вулканизированной резиной. Нержавеющая сталь. | 15.00 | 24.00 | 7.00 |
| 613802-ZZ | Шариковый радиальный однорядный подшипник. Защитные металлические шайбы с обеих сторон. | 15.00 | 24.00 | 7.00 |
| F63802ZZ | Шариковый радиальный однорядный подшипник. Защитные металлические шайбы с обеих сторон. | 15.00 | 24.00 | 7.00 |
| RNA0-16X24X8X | Роликовый игольчатый подшипник однорядный. Измененные размеры границ. введенные пересмотренными стандартами ISO. Изменённая фаска. | 16.00 | 24.00 | 8.00 |
| W 63802 R | Шариковый радиальный однорядный подшипник. Нержавеющая сталь. С выпуклыми асимметричными роликами и обработанным сепаратором. | 15.00 | 24.00 | 7.00 |
| 63802-2Z | Шариковый радиальный однорядный подшипник. Защитные металлические шайбы с обеих сторон подшипника. | 15.00 | 24.00 | 7.00 |
Способы доставки
Отправка через ведущие транспортные и курьерские компании: ПЭК, Деловые Линии, СДЭК, Байкал-Сервис, Энергия, КИТ, ЖелДорЭкспедиция.
Самовывоз возможен напрямую со склада в Москве.
Сроки доставки
Срок зависит от региона и выбранной транспортной компании. Все заказы комплектуются и отправляются в кратчайшие сроки со склада в Москве.
Надёжность и сохранность
Вся продукция упаковывается с учётом требований транспортировки. Мы гарантируем, что подшипники и комплектующие прибудут к заказчику в полной сохранности.
Доставка в страны ЕАЭС
Мы работаем с проверенными логистическими партнёрами, что позволяет оперативно доставлять заказы в Беларусь, Казахстан, Армению и другие страны ЕАЭС.
Варианты оплаты:
Минимальная сумма заказа и скидки:
Документы и гарантии:
Да, конечно! Наши технические специалисты готовы помочь вам с подбором точного аналога или замены подшипника. Просто позвоните нам по телефону +7 (495) 104-99-04 или напишите на почту zakaz@podsnab.ru.
Для оперативной консультации подготовьте, пожалуйста, имеющиеся данные: маркировку, размеры, тип оборудования или артикул старого подшипника.
Да, конечно! Мы высоко ценим долгосрочное сотрудничество и доверие клиентов по всей России. Для постоянных клиентов действует персональная система скидок.
Условия формируются индивидуально и зависят от:
Чтобы узнать свои условия и получить максимально выгодное предложение, свяжитесь с персональным менеджером или напишите нам на почту zakaz@podsnab.ru.
Вы можете оформить заказ несколькими способами:
Для оформления заказа от юридического лица свяжитесь с нашим отделом по работе с корпоративными клиентами по телефону +7 (495) 104-99-04 или напишите на email zakaz@podsnab.ru, прикрепив реквизиты вашей организации.
Мы оперативно подготовим коммерческое предложение и выставим счет.
Возврат товара надлежащего качества возможен в течение 10 дней с момента получения, если товар не был в употреблении, сохранен товарный вид, упаковка не вскрывалась и присутствуют все сопроводительные документы.
Возврат денежных средств осуществляется в течение 10 рабочих дней после проверки товара складом.
В соответствии с законодательством возврату не подлежат подшипники надлежащего качества, если отсутствует оригинальная упаковка или имеются следы монтажа.
В случае выявления брака или гарантийного случая мы гарантируем возврат или обмен товара.
Да, гарантийный срок хранения устанавливается заводом-изготовителем и в среднем составляет 2 года при соблюдении условий хранения: сухое помещение, оригинальная упаковка и смазка.
Точный срок для конкретного типа подшипника уточняйте у наших менеджеров.
Пн–Пт: с 8:00 до 17:00 (МСК).
Сб–Вс: выходные дни.
Заказы на сайте принимаются круглосуточно. Заявки, поступившие после окончания рабочего дня, обрабатываются на следующий рабочий день.
Минимальная сумма заказа для доставки составляет 3000 рублей. Самовывоз со склада возможен на любую сумму при наличии товара.
ООО «УралТехГрупп»
ИНН: 7415093830
КПП: 772401001
ОГРН: 1167456069021
Банк: ПАО Сбербанк
Р/с: 40702810838000475273
К/с: 30101810400000000225
БИК: 044525225
У подшипника SS63802 ZZ пока нет отзывов. Вы можете стать первым покупателем, поделившимся своим мнением.