Поиск подшипника
Статьи
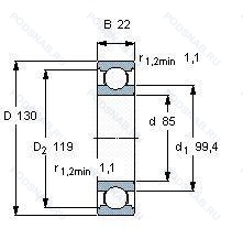
6017 2RS C3 — Подшипник однорядный шариковый радиальный, модификация основного исполнения 6017, выпускается производителями: FELSTROM, FLT, KBC, KFB CLARFELD, KOYO, NEUTRAL, STEYR, TORRINGTON WUXI BRAND, ZKL, ZVL.
Размер подшипника: 85x130x22 мм.
Резиновые уплотнения с каждой стороны подшипника, внутренний зазор больше нормального.
Аналоги: 6017-2RSR-C3 FAG,6017-2RS1/C3 SKF,6017.2RS.C3 NKE,6017 2RS C3 Steyr,6017.2RSR.C3 NKE,6017 2RS C3 Neutral.
Международная стандартизации ISO
60172RSC3
В наличии
| Обозначение | Конструктивные изменения |
|---|---|
| 6017 2NS | Контактное уплотнение с двух сторон подшипника. |
| 6017ZZE | Радиальный шарикоподшипник серии Excel. Защитные металлические шайбы с обеих сторон. |
| 6017-M-J20AA | Твердый латунный сепаратор. Шариковые направляющие. Электроизоляция. наружное кольцо с керамическим покрытием. |
| 6017TCG12P4 | Фенольный сепаратор. Класс точности Р4 по ISO (точнее. чем P5) - Abec.7. Специальный радиальный зазор. |
| 6017-2RSR-N13BA-A50-8 | Резиновые уплотнения с каждой стороны подшипника. Шарикоподшипник с защитной или уплотненной обоймой с сепаратором из штампованной стали. Deep Groove Ball Bearings Matched In Pairs In O-Arrangement (Up To Now K3). Средний предварительный натяг. |
| 6017-P5 | Размерная и рабочая точность соответствует классу допуска ISO 5. |
| 6017 2RSJ C3 SD6 | Внутренний зазор больше нормального. Резиновые уплотнения с каждой стороны подшипника. |
| 6017ZZ C3 QE6 | Внутренний зазор больше нормального. Защитные стальные шайбы с обеих сторон. Тихая работа. |
| 6017ZZ P5 | Защитные металлические шайбы с обеих сторон. Размерная и рабочая точность соответствует классу допуска ISO 5. |
| 6017LLU CM | Резиновые уплотнения с каждой стороны подшипника. Шариковый подшипник. Специальный радиальный внутренний зазор для электродвигателей. |
| 6017-H-2RSR-SN | Стандартное качество. Резиновые уплотнения с каждой стороны подшипника. Кольца подшипника стабилизированы по размерам до 120°C.. |
| 6017-H-2RSR-SN-C3 | Внутренний зазор больше нормального. Стандартное качество. Резиновые уплотнения с каждой стороны подшипника. Кольца подшипника стабилизированы по размерам до 120°C.. |
| 6017-H-2Z-SN-C3 | Внутренний зазор больше нормального. Защитные металлические шайбы с обеих сторон. Стандартное качество. Кольца подшипника стабилизированы по размерам до 120°C.. |
| 6017-H-2Z-SN | Защитные металлические шайбы с обеих сторон. Стандартное качество. Кольца подшипника стабилизированы по размерам до 120°C.. |
| 6017-H-SN | Стандартное качество. Кольца подшипника стабилизированы по размерам до 120°C.. |
| 6017-H-SN-C3 | Внутренний зазор больше нормального. Стандартное качество. Кольца подшипника стабилизированы по размерам до 120°C.. |
| 6017.P52 | Комбинация P5 (точность размеров и пробега в соответствии с классом допуска ISO 5) и C2 (внутренний зазор подшипника меньше нормального). |
| 6017ZR.C3 | Внутренний зазор больше нормального. Металлическое уплотнение с одной стороны. Радиальный тип. |
| 6017-2RU | Non Contact Type Friction Torque = Small High Speed Performance = Good Grease Sealing = Better Than ZZ-Type Dirt Resistance = Better Than ZZ-Type Water Resistance = Better Than ZZ / Inferior To 2RS Operating Temp. -30°C To + 100°C. |
| 6017-2Z-N | Защитные металлические шайбы с обеих сторон подшипника. Канавка под стопорное кольцо на внешнем кольце. |
| 6017LLU | Контактное резиновое уплотнение с двух сторон. |
| 6017LLB | Уплотнение бесконтактного типа из синтетического каучука. |
| 6017LU | Двухкромочное нитриловое контактное уплотнение. |
| 6017ZZNR | Стальная шайба. Канавка и стопорное кольцо на наружном кольце. |
| 6017NRZZ | Защитные пластины с двух сторон. Канавка и стопорное кольцо на наружном кольце. |
Модификации шарикового подшипника 6017 2RS C3 — это измененное основное конструктивное исполнение 6017, основные размеры (85x130x22) не отличаются.
| Обозначение | Гост | Конструктивные особенности |
|---|---|---|
| 773L17 | ISO | Подшипник однорядный шариковый радиальный. |
| 9117K3 | ISO | Подшипник однорядный шариковый радиальный. |
| 117KSFF | ISO | Металлическое уплотнение с двух сторон. Ball Bearing. Conrad Type. Single Row. Deep Groove (100K Series). |
| 9117K | ISO | Conrad (Non-Filling Slot) Type. |
| 117KSG | ISO | Канавка под стопорное кольцо на наружном кольце с соответствующим стопорным кольцом. Ball Bearing. Conrad Type. Single Row. Deep Groove (100K Series). |
| 117MSFF | ISO | Single Row Radial Conrad-Type Bearings. Максимальная производительность. Канавка для ввода тел качения. Металлическое уплотнение с двух сторон. |
Аналог шарикового подшипника 6017 2RS C3 — это подшипник такого же размера dx85,Dx130,Bx22, типа и конструкции.
| Обозначение | Конструктивные особенности | Внутренний (d) | Наружный (D) | Ширина (B) |
|---|---|---|---|---|
| 3NCHAD017CA | Шариковый радиальный однорядный подшипник. Угол контакта 20 градусов. Латунный сепаратор с симметричными роликами. | 85.00 | 130.00 | 22.00 |
| 3NCHAF017CA | Шариковый радиальный однорядный подшипник. Угол контакта 20 градусов. Латунный сепаратор с симметричными роликами. | 85.00 | 130.00 | 22.00 |
| 3NCHAR017CA | Шариковый радиальный однорядный подшипник. Угол контакта 20 градусов. Латунный сепаратор с симметричными роликами. | 85.00 | 130.00 | 22.00 |
| 3NCHAR017 | Шариковый радиальный однорядный подшипник. Угол контакта 20 градусов. | 85.00 | 130.00 | 22.00 |
| 3NCHAR017C | Шариковый радиальный однорядный подшипник. Угол контакта 20 градусов. | 85.00 | 130.00 | 22.00 |
| 117-АК | Шариковый радиальный однорядный подшипник. Повышенная грузоподъемность. | 85.00 | 130.00 | 22.00 |
| 117-Л | Шариковый радиальный однорядный подшипник. Сепаратор из латуни.. | 85.00 | 130.00 | 22.00 |
| 46117-КЕ | Шариковый радиально-упорный однорядный подшипник. «Замок» (скос) на внутреннем кольце плюс массивный сепаратор из текстолита. Сепаратор из текстолита.. | 85.00 | 130.00 | 22.00 |
| 46117-Л | Шариковый радиально-упорный однорядный подшипник. Сепаратор из латуни.. | 85.00 | 130.00 | 22.00 |
| 46117К | Шариковый радиально-упорный однорядный подшипник. «Замок» (скос) на внутреннем кольце плюс массивный сепаратор из текстолита. | 85.00 | 130.00 | 22.00 |
| 5-36117 К | Шариковый радиально-упорный однорядный подшипник. «Замок» (скос) на внутреннем кольце плюс массивный сепаратор из текстолита. | 85.00 | 130.00 | 22.00 |
| 5-46117 К | Шариковый радиально-упорный однорядный подшипник. «Замок» (скос) на внутреннем кольце плюс массивный сепаратор из текстолита. | 85.00 | 130.00 | 22.00 |
| 5-46117 Л | Шариковый радиально-упорный однорядный подшипник. Сепаратор из латуни.. | 85.00 | 130.00 | 22.00 |
| 6-117 Ю1 | Шариковый радиальный однорядный подшипник. Все детали или часть деталей из нержавеющей стали.. | 85.00 | 130.00 | 22.00 |
| 6-117 ЮТ | Шариковый радиальный однорядный подшипник. Температура отпуска. 160°. Все детали или часть деталей из нержавеющей стали.. | 85.00 | 130.00 | 22.00 |
Способы доставки
Отправка через ведущие транспортные и курьерские компании: ПЭК, Деловые Линии, СДЭК, Байкал-Сервис, Энергия, КИТ, ЖелДорЭкспедиция.
Самовывоз возможен напрямую со склада в Москве.
Сроки доставки
Срок зависит от региона и выбранной транспортной компании. Все заказы комплектуются и отправляются в кратчайшие сроки со склада в Москве.
Надёжность и сохранность
Вся продукция упаковывается с учётом требований транспортировки. Мы гарантируем, что подшипники и комплектующие прибудут к заказчику в полной сохранности.
Доставка в страны ЕАЭС
Мы работаем с проверенными логистическими партнёрами, что позволяет оперативно доставлять заказы в Беларусь, Казахстан, Армению и другие страны ЕАЭС.
Варианты оплаты:
Минимальная сумма заказа и скидки:
Документы и гарантии:
Да, конечно! Наши технические специалисты готовы помочь вам с подбором точного аналога или замены подшипника. Просто позвоните нам по телефону +7 (495) 104-99-04 или напишите на почту zakaz@podsnab.ru.
Для оперативной консультации подготовьте, пожалуйста, имеющиеся данные: маркировку, размеры, тип оборудования или артикул старого подшипника.
Да, конечно! Мы высоко ценим долгосрочное сотрудничество и доверие клиентов по всей России. Для постоянных клиентов действует персональная система скидок.
Условия формируются индивидуально и зависят от:
Чтобы узнать свои условия и получить максимально выгодное предложение, свяжитесь с персональным менеджером или напишите нам на почту zakaz@podsnab.ru.
Вы можете оформить заказ несколькими способами:
Для оформления заказа от юридического лица свяжитесь с нашим отделом по работе с корпоративными клиентами по телефону +7 (495) 104-99-04 или напишите на email zakaz@podsnab.ru, прикрепив реквизиты вашей организации.
Мы оперативно подготовим коммерческое предложение и выставим счет.
Возврат товара надлежащего качества возможен в течение 10 дней с момента получения, если товар не был в употреблении, сохранен товарный вид, упаковка не вскрывалась и присутствуют все сопроводительные документы.
Возврат денежных средств осуществляется в течение 10 рабочих дней после проверки товара складом.
В соответствии с законодательством возврату не подлежат подшипники надлежащего качества, если отсутствует оригинальная упаковка или имеются следы монтажа.
В случае выявления брака или гарантийного случая мы гарантируем возврат или обмен товара.
Да, гарантийный срок хранения устанавливается заводом-изготовителем и в среднем составляет 2 года при соблюдении условий хранения: сухое помещение, оригинальная упаковка и смазка.
Точный срок для конкретного типа подшипника уточняйте у наших менеджеров.
Пн–Пт: с 8:00 до 17:00 (МСК).
Сб–Вс: выходные дни.
Заказы на сайте принимаются круглосуточно. Заявки, поступившие после окончания рабочего дня, обрабатываются на следующий рабочий день.
Минимальная сумма заказа для доставки составляет 3000 рублей. Самовывоз со склада возможен на любую сумму при наличии товара.
ООО «УралТехГрупп»
ИНН: 7415093830
КПП: 772401001
ОГРН: 1167456069021
Банк: ПАО Сбербанк
Р/с: 40702810838000475273
К/с: 30101810400000000225
БИК: 044525225
У подшипника 6017 2RS C3 пока нет отзывов. Вы можете стать первым покупателем, поделившимся своим мнением.