Поиск подшипника
Статьи
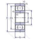
207 — Подшипник однорядный шариковый радиальный, основное исполнение, выпускается производителями: FAG, FK, GPZ, NTN, SKF.
Размер подшипника: 35x72x25 мм.
Альтернативное обозначение: 6207.
Аналоги: 207 SKF,BL207 NSK.
Международная стандартизации ISO
207
В наличии
| Обозначение | Конструктивные изменения |
|---|---|
| E 207/NS 7CE1 | Очень высокая грузоподъемность.. Шарики из нитрида кремния Si3N4 (гибридные подшипники). Керамические шарики. |
| E 207 7CE3 | Очень высокая грузоподъемность.. |
| E 207 7CE1 | Очень высокая грузоподъемность.. |
| E 207/S 7CE3 | Запечатанная версия кулачкового ролика. Очень высокая грузоподъемность.. |
| E 207/S/NS 7CE1 | Запечатанная версия кулачкового ролика. Очень высокая грузоподъемность.. Шарики из нитрида кремния Si3N4 (гибридные подшипники). Керамические шарики. |
| E 207/NS 7CE3 | Очень высокая грузоподъемность.. Шарики из нитрида кремния Si3N4 (гибридные подшипники). Керамические шарики. |
| E 207/S 7CE1 | Запечатанная версия кулачкового ролика. Очень высокая грузоподъемность.. |
| RIS 207 A | Измененная или модифицированная внутренняя конструкция при неизменных основных размерах. |
| YAR 207-106-2FW/VA201 | Измененная или модифицированная внутренняя конструкция при неизменных основных размерах. Стандартное контактное уплотнение с дополнительным плоским маслоотражателем на обеих сторонах подшипника без смазочных отверстий в наружном кольце. Подшипник для высокотемпературных применений (например. печных тележек). Подшипник подвергается специальным испытаниям на шум. |
| YAR 207-106-2FW/VA228 | Измененная или модифицированная внутренняя конструкция при неизменных основных размерах. Подшипник для работы при высоких температурах (+350℃). Стандартное контактное уплотнение с дополнительным плоским маслоотражателем на обеих сторонах подшипника без смазочных отверстий в наружном кольце. Подшипник подвергается специальным испытаниям на шум. |
| YARAG 207-106 | Подшипник подвергается специальным испытаниям на шум. |
| YARAG 207-104 | 1.1/4. |
| YSP 207-107 SB-2F | Стандартное контактное уплотнение с дополнительным маслоотражательным кольцом с обеих сторон. Double Row. Angular Contact. Non-Filling Notch Bearing. With Outwardly Convergent Угол контактаs. Rigid Design. 1.7/16. |
| YSP 207-104 SB-2F | Стандартное контактное уплотнение с дополнительным маслоотражательным кольцом с обеих сторон. 1.1/4. Double Row. Angular Contact. Non-Filling Notch Bearing. With Outwardly Convergent Угол контактаs. Rigid Design. |
| YSA 207-2FK + H 2307 | Pressed Snap-Type Steel Cage. Hardened. |
| YSP 207-106 SB-2F | Стандартное контактное уплотнение с дополнительным маслоотражательным кольцом с обеих сторон. Double Row. Angular Contact. Non-Filling Notch Bearing. With Outwardly Convergent Угол контактаs. Rigid Design. Подшипник подвергается специальным испытаниям на шум. |
| YSP 207 SB-2F | Стандартное контактное уплотнение с дополнительным маслоотражательным кольцом с обеих сторон. Double Row. Angular Contact. Non-Filling Notch Bearing. With Outwardly Convergent Угол контактаs. Rigid Design. |
| BB1-0207B | Конический роликовый подшипник. Угол контакта 20 градусов. |
| BSA 207 C | 15° Угол контакта. |
| FBSA 207/QBC | Четыре подшипника в O-образной компоновке. |
| FBSA 207/DB | Two Single Row Deep Groove Ball Bearings. Single Row Angular Contact Ball Bearings Or Single Row Tapered Roller Bearings Matched For Mounting In A Back-To-Back Arrangement. |
| FBSA 207/DF | Комплект из двух подшипников. согласованных для установки по Х-образной схеме. Число. следующее непосредственно после букв DF. обозначает конструкцию промежуточного кольца. |
| BSA 207 CG | Резьбовой винт со стопором и защелкой. |
| BSA 207 CG-2RZ | Шарикоподшипник. С уплотнением и низким коэффициентом трения с обеих сторон. Уплотнение состоит из шайбы из листовой стали с вулканизированной резиной. Резьбовой винт со стопором и защелкой. |
| N 207 ECM | Однорядный цилиндрический роликовый подшипник. |
Модификации шарикового подшипника 207 — это измененное основное конструктивное исполнение 207, основные размеры (35x72x25) не отличаются.
| Обозначение | Гост | Конструктивные особенности |
|---|---|---|
| 88507 | ISO | Подшипник однорядный шариковый радиальный. |
| 6207 | ISO | Подшипник однорядный шариковый радиальный. |
| 414406A | ISO | Двухрядный радиально-упорный шарикоподшипник без отверстия для смазки. |
| 527361 | ISO | Подшипник однорядный шариковый радиальный. |
| 527361B.Z27.CX | ISO | Модифицированная внутренняя конструкция. Подшипник с герметичным уплотнением. |
| 552736BZ27CX | ISO | Модифицированная внутренняя конструкция. Подшипник с герметичным уплотнением. |
| TMSC0796LLCS55/2A | ISO | Lubricant. Shell Oil Co.. Alvania #2 Grease. Mil-G-18709A. |
| 88107A | ISO | Двухрядный радиально-упорный шарикоподшипник без отверстия для смазки. |
| LJ35WRRJ C3 CNS | ISO | Специальная термическая обработка. Внутренний зазор больше нормального. 1 - Piece. or 2 - Piece Riveted. Rolling Element Centered Pressed Steel Cage. Сварной сепаратор. Нормальный уровень радиального внутреннего зазора (не маркируется). Два резиновых уплотнения. |
| BL207 | ISO | Подшипник однорядный шариковый радиальный. |
| 509213B | ISO | Конический роликовый подшипник. Угол контакта 20 градусов. |
| 414406 | ISO | Подшипник однорядный шариковый радиальный. |
| 509213C | ISO | Модифицированная внутренняя конструкция. |
| 527361.Z27.CX | ISO | Подшипник с герметичным уплотнением. |
| 201589D | ISO | Половина целого игольчатого валика. Применять суффикс 'D' в базовом номере. |
| Z-201589.04.KL | ISO | Подшипник однорядный шариковый радиальный. |
| SX0744LLC4 | ISO | Внутренний зазор подшипника больше. чем C3. Контактное резиновое уплотнение с двух сторон. |
| 88507/2A | ISO | Lubricant. Shell Oil Co.. Alvania #2 Grease. Mil-G-18709A. |
| 88507NR | ISO | Канавка под стопорное кольцо на наружном кольце с соответствующим стопорным кольцом. |
| WC88507 | ISO | Подшипник однорядный шариковый радиальный. |
| LJ35RR | ISO | Два резиновых уплотнения. |
| DG357226W 2RS C4 | ISO | Внутренний зазор подшипника больше. чем C3. Резиновые уплотнения с каждой стороны подшипника. Подшипник без смазочных отверстий в наружном кольце. |
Аналог шарикового подшипника 207 — это подшипник такого же размера dx35,Dx72,Bx25, типа и конструкции.
| Обозначение | Конструктивные особенности | Внутренний (d) | Наружный (D) | Ширина (B) |
|---|---|---|---|---|
| F-806027.02 | Шариковый радиальный однорядный подшипник. Design. | 35.00 | 72.00 | 25.00 |
| DG3572DWRKCS27 | Шариковый радиальный однорядный подшипник. Угол контакта 20 градусов. | 35.00 | 72.00 | 26.00 |
| 6-7507 А1 | Роликовый радиальный-упорный однорядный подшипник. Повышенная грузоподъемность. | 35.00 | 72.00 | 24.25 |
| 6-7507 Х1 | Роликовый радиальный-упорный однорядный подшипник. Кольца и тела качения или только кольца (в том числе одно кольцо) из цементируемой стали.. | 35.00 | 72.00 | 24.25 |
| 7507-А1 | Роликовый радиальный-упорный однорядный подшипник. Повышенная грузоподъемность. | 35.00 | 72.00 | 24.25 |
| HM88649A/HM88610 | Роликовый радиальный-упорный однорядный подшипник. Двухрядный радиально-упорный шарикоподшипник без отверстия для смазки. | 34.92 | 72.23 | 25.40 |
| HM88648/10 | Роликовый радиальный-упорный однорядный подшипник. Distance Between Beginning Of The Rail And First Hole In MM. | 35.72 | 72.23 | 25.40 |
| HM88648/11AS | Роликовый радиальный-упорный однорядный подшипник. Игольчатый роликоподшипник с отверстиями для подачи смазки на наружном кольце. Цифра. | 35.72 | 72.63 | 25.40 |
| 32207F | Роликовый радиальный-упорный однорядный подшипник. Сепаратор из обработанной стали или специального чугуна. | 35.00 | 72.00 | 24.25 |
| 100034X/100072C | Роликовый радиальный-упорный однорядный подшипник. 15° Угол контакта. | 34.92 | 72.00 | 24.25 |
| HC ST3572 ALFT | Роликовый радиальный-упорный однорядный подшипник. Угол контакта 20 градусов. | 34.93 | 72.23 | 25.40 |
| LG35=1 | Шариковый радиальный однорядный подшипник. Number Of Carriages Per Rail Track. | 35.00 | 72.00 | 24.00 |
| TM-SC0791LC4/5A | Шариковый радиальный однорядный подшипник. Механически обработанный сепаратор. Внутренний радиальный зазор С4. Уплотнение из полиакрила. | 35.00 | 72.00 | 24.00 |
| BB1-1618 TN9 | Шариковый радиальный однорядный подшипник. Литой защелкивающийся сепаратор из полиамида. армированного стекловолокном 6.6. | 35.00 | 72.00 | 25.00 |
| GRAE35RR | Шариковый радиальный однорядный подшипник. С выпуклыми асимметричными роликами. Обработанный сепаратор штыревого типа из медного сплава. С центральным ребром. С ребрами с двух сторон (для предотвращения падения роликов). | 35.00 | 72.00 | 25.40 |
Способы доставки
Отправка через ведущие транспортные и курьерские компании: ПЭК, Деловые Линии, СДЭК, Байкал-Сервис, Энергия, КИТ, ЖелДорЭкспедиция.
Самовывоз возможен напрямую со склада в Москве.
Сроки доставки
Срок зависит от региона и выбранной транспортной компании. Все заказы комплектуются и отправляются в кратчайшие сроки со склада в Москве.
Надёжность и сохранность
Вся продукция упаковывается с учётом требований транспортировки. Мы гарантируем, что подшипники и комплектующие прибудут к заказчику в полной сохранности.
Доставка в страны ЕАЭС
Мы работаем с проверенными логистическими партнёрами, что позволяет оперативно доставлять заказы в Беларусь, Казахстан, Армению и другие страны ЕАЭС.
Варианты оплаты:
Минимальная сумма заказа и скидки:
Документы и гарантии:
Да, конечно! Наши технические специалисты готовы помочь вам с подбором точного аналога или замены подшипника. Просто позвоните нам по телефону +7 (495) 104-99-04 или напишите на почту zakaz@podsnab.ru.
Для оперативной консультации подготовьте, пожалуйста, имеющиеся данные: маркировку, размеры, тип оборудования или артикул старого подшипника.
Да, конечно! Мы высоко ценим долгосрочное сотрудничество и доверие клиентов по всей России. Для постоянных клиентов действует персональная система скидок.
Условия формируются индивидуально и зависят от:
Чтобы узнать свои условия и получить максимально выгодное предложение, свяжитесь с персональным менеджером или напишите нам на почту zakaz@podsnab.ru.
Вы можете оформить заказ несколькими способами:
Для оформления заказа от юридического лица свяжитесь с нашим отделом по работе с корпоративными клиентами по телефону +7 (495) 104-99-04 или напишите на email zakaz@podsnab.ru, прикрепив реквизиты вашей организации.
Мы оперативно подготовим коммерческое предложение и выставим счет.
Возврат товара надлежащего качества возможен в течение 10 дней с момента получения, если товар не был в употреблении, сохранен товарный вид, упаковка не вскрывалась и присутствуют все сопроводительные документы.
Возврат денежных средств осуществляется в течение 10 рабочих дней после проверки товара складом.
В соответствии с законодательством возврату не подлежат подшипники надлежащего качества, если отсутствует оригинальная упаковка или имеются следы монтажа.
В случае выявления брака или гарантийного случая мы гарантируем возврат или обмен товара.
Да, гарантийный срок хранения устанавливается заводом-изготовителем и в среднем составляет 2 года при соблюдении условий хранения: сухое помещение, оригинальная упаковка и смазка.
Точный срок для конкретного типа подшипника уточняйте у наших менеджеров.
Пн–Пт: с 8:00 до 17:00 (МСК).
Сб–Вс: выходные дни.
Заказы на сайте принимаются круглосуточно. Заявки, поступившие после окончания рабочего дня, обрабатываются на следующий рабочий день.
Минимальная сумма заказа для доставки составляет 3000 рублей. Самовывоз со склада возможен на любую сумму при наличии товара.
ООО «УралТехГрупп»
ИНН: 7415093830
КПП: 772401001
ОГРН: 1167456069021
Банк: ПАО Сбербанк
Р/с: 40702810838000475273
К/с: 30101810400000000225
БИК: 044525225
У подшипника 207 пока нет отзывов. Вы можете стать первым покупателем, поделившимся своим мнением.