Поиск подшипника
Статьи
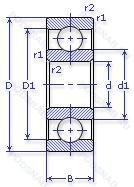
6418 — Подшипник однорядный шариковый радиальный, основное исполнение, выпускается производителями: CX, FAG, FBJ, ISB, ISO, KOYO, NIS, NKE, NSK, NTN, SIGMA, SKF, URB, WINKEL, ZKL.
Размер подшипника: 90x225x54 мм.
Аналоги: 6418 NSK,6418 FBJ.
Международная стандартизации ISO
6418
В наличии
| Обозначение | Конструктивные изменения |
|---|---|
| 6418/C3W64 | Внутренний зазор больше нормального. Антифрикционный заполнитель. твердая смазка. |
| 6418 2RS | Резиновые уплотнения с каждой стороны подшипника. |
| 6418 ZZ | Защитные металлические шайбы с обеих сторон. |
| 6418F C3 | Внутренний зазор больше нормального. Machined Steel Cage. Rolling Elements Centered. |
| 6418C3 | Внутренний зазор больше нормального. |
| 6418J C3 | Внутренний зазор больше нормального. Сепаратор из стали. |
| 6418F | Сепаратор из обработанной стали или специального чугуна. |
| 6418-M | Твердый латунный сепаратор. Шариковые направляющие. |
| 6418-M-C3 | Внутренний зазор больше нормального. Твердый латунный сепаратор. Шариковые направляющие. |
| 6418MB | Однокомпонентное внутреннее кольцо с центрированным сепаратором из механически обработанной латуни. |
| 6418.804612 | Подшипник однорядный шариковый радиальный. |
Модификации шарикового подшипника 6418 — это измененное основное конструктивное исполнение 6418, основные размеры (90x225x54) не отличаются.
| Обозначение | Гост | Конструктивные особенности |
|---|---|---|
| 418M | ISO | Подшипник с латунным сепаратором. центрированный по телам качения. |
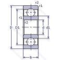
Аналог шарикового подшипника 6418 — это подшипник такого же размера dx90,Dx225,Bx54, типа и конструкции.
| Обозначение | Конструктивные особенности | Внутренний (d) | Наружный (D) | Ширина (B) |
|---|---|---|---|---|
| 8-46418-Л | Шариковый радиально-упорный однорядный подшипник. Сепаратор из латуни.. | 90.00 | 190.00 | 54.00 |
| 8-66418-Л | Шариковый радиально-упорный однорядный подшипник. Сепаратор из латуни.. | 90.00 | 225.00 | 54.00 |
| 7418 GAM | Шариковый радиально-упорный подшипник. Измененная или модифицированная внутренняя конструкция при неизменных основных размерах. | 90.00 | 225.00 | 54.00 |
| 2В0-46418 Л | Шариковый радиально-упорный однорядный подшипник. Сепаратор из латуни.. | 90.00 | 225.00 | 54.00 |
| 7418BG | Шариковый радиально-упорный однорядный подшипник. 40° Угол контакта. | 90.00 | 225.00 | 54.00 |
| 7418PW | Шариковый радиально-упорный однорядный подшипник. Контактная поверхность скольжения Сталь/PTFE. | 90.00 | 225.00 | 54.00 |
| 7418 A | Шариковый радиально-упорный однорядный подшипник. Двухрядный радиально-упорный шарикоподшипник без отверстия для смазки. | 90.00 | 225.00 | 54.00 |
| 2В0-66418 Л | Шариковый радиально-упорный однорядный подшипник. Сепаратор из латуни.. | 90.00 | 225.00 | 54.00 |
| 366418-ЕУ12 | Шариковый радиально-упорный сдвоенный подшипник. Сепаратор из текстолита.. Дополнительные технические требования. | 90.00 | 225.00 | 54.00 |
| 366418-ЛУ | Шариковый радиально-упорный сдвоенный подшипник. Сепаратор из латуни.. Дополнительные технические требования. | 90.00 | 225.00 | 54.00 |
| 66418-АЛ1 | Шариковый радиально-упорный однорядный подшипник. Сепаратор из латуни.. Повышенная грузоподъемность. | 90.00 | 225.00 | 54.00 |
| 66418-Л | Шариковый радиально-упорный однорядный подшипник. Сепаратор из латуни.. | 90.00 | 225.00 | 54.00 |
| 66418Л1 | Шариковый радиально-упорный однорядный подшипник. Сепаратор из латуни.. | 90.00 | 225.00 | 54.00 |
| 10418 M | Шариковый сферический двухрядный подшипник. Подшипник с латунным сепаратором. центрированный по телам качения. | 90.00 | 225.00 | 54.00 |
| 46418-Л | Шариковый радиально-упорный однорядный подшипник. Сепаратор из латуни.. | 90.00 | 225.00 | 54.00 |
Способы доставки
Отправка через ведущие транспортные и курьерские компании: ПЭК, Деловые Линии, СДЭК, Байкал-Сервис, Энергия, КИТ, ЖелДорЭкспедиция.
Самовывоз возможен напрямую со склада в Москве.
Сроки доставки
Срок зависит от региона и выбранной транспортной компании. Все заказы комплектуются и отправляются в кратчайшие сроки со склада в Москве.
Надёжность и сохранность
Вся продукция упаковывается с учётом требований транспортировки. Мы гарантируем, что подшипники и комплектующие прибудут к заказчику в полной сохранности.
Доставка в страны ЕАЭС
Мы работаем с проверенными логистическими партнёрами, что позволяет оперативно доставлять заказы в Беларусь, Казахстан, Армению и другие страны ЕАЭС.
Варианты оплаты:
Минимальная сумма заказа и скидки:
Документы и гарантии:
Да, конечно! Наши технические специалисты готовы помочь вам с подбором точного аналога или замены подшипника. Просто позвоните нам по телефону +7 (495) 104-99-04 или напишите на почту zakaz@podsnab.ru.
Для оперативной консультации подготовьте, пожалуйста, имеющиеся данные: маркировку, размеры, тип оборудования или артикул старого подшипника.
Да, конечно! Мы высоко ценим долгосрочное сотрудничество и доверие клиентов по всей России. Для постоянных клиентов действует персональная система скидок.
Условия формируются индивидуально и зависят от:
Чтобы узнать свои условия и получить максимально выгодное предложение, свяжитесь с персональным менеджером или напишите нам на почту zakaz@podsnab.ru.
Вы можете оформить заказ несколькими способами:
Для оформления заказа от юридического лица свяжитесь с нашим отделом по работе с корпоративными клиентами по телефону +7 (495) 104-99-04 или напишите на email zakaz@podsnab.ru, прикрепив реквизиты вашей организации.
Мы оперативно подготовим коммерческое предложение и выставим счет.
Возврат товара надлежащего качества возможен в течение 10 дней с момента получения, если товар не был в употреблении, сохранен товарный вид, упаковка не вскрывалась и присутствуют все сопроводительные документы.
Возврат денежных средств осуществляется в течение 10 рабочих дней после проверки товара складом.
В соответствии с законодательством возврату не подлежат подшипники надлежащего качества, если отсутствует оригинальная упаковка или имеются следы монтажа.
В случае выявления брака или гарантийного случая мы гарантируем возврат или обмен товара.
Да, гарантийный срок хранения устанавливается заводом-изготовителем и в среднем составляет 2 года при соблюдении условий хранения: сухое помещение, оригинальная упаковка и смазка.
Точный срок для конкретного типа подшипника уточняйте у наших менеджеров.
Пн–Пт: с 8:00 до 17:00 (МСК).
Сб–Вс: выходные дни.
Заказы на сайте принимаются круглосуточно. Заявки, поступившие после окончания рабочего дня, обрабатываются на следующий рабочий день.
Минимальная сумма заказа для доставки составляет 3000 рублей. Самовывоз со склада возможен на любую сумму при наличии товара.
ООО «УралТехГрупп»
ИНН: 7415093830
КПП: 772401001
ОГРН: 1167456069021
Банк: ПАО Сбербанк
Р/с: 40702810838000475273
К/с: 30101810400000000225
БИК: 044525225
У подшипника 6418 пока нет отзывов. Вы можете стать первым покупателем, поделившимся своим мнением.