Поиск подшипника
Статьи
16007 — Подшипник однорядный шариковый радиальный, основное исполнение, выпускается производителями: ABEG, ASKUBAL, CBF, CCVI, CHINA, CONRAD, CRAFT, CX, CYSD, DEUTSCHE KUGELLAG FABR LEIPZIG, DEUTSCHE KUGELLAGER FABRIK, FAG, FBJ, FLT, GPZ, HMEC BEARING CHINA, IBU FIEDLER, IKO, ISB, ISO, JAPANESE ORIGIN, KBC, KFB CLARFELD, KOYO, LDI, NACHI, NEUTRAL, NIS, NIS, NKE, NSK, NTN, NTN-SNR, ORS, RHP, RIV, SIB, SIGMA, SKF, SLF FRAUREUTH, SNR, STEYR, URB, ZEN, ZKL, ZVL.
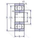
Размер подшипника: 35x62x9 мм.
Альтернативное обозначение: 16007/D8, EL35.
Аналоги: 16007 FAG,16007 SKF,16007/D8 SKF,16007 RHP,16007 NSK,16007 Koyo,16007 Steyr,16007 SNR,16007CM NSK,16007 NKE,16007 Japanese Origin,16007 RIV,16007 FBJ,16007 ISB,16007 URB,16007 Rollway,16007 IBU Fiedler,16007 LDI,16007 Neutral,16007 ABEG.
Международная стандартизации ISO
16007
В наличии
| Обозначение | Конструктивные изменения |
|---|---|
| 16007C4 | Внутренний зазор подшипника больше. чем C3. |
| 16007JC C3 | Curved Outer Diameter. Внутренний зазор больше нормального. Прессованный стальной сепаратор. |
| 16007-C3 | Внутренний зазор больше нормального. |
| 16007ZZ | Защитные металлические шайбы (бесконтактные уплотнения) с обеих сторон подшипника. |
| 16007-2Z | Защитные металлические шайбы с обеих сторон подшипника. |
| 16007 2RS | Прорезиненное уплотнение с двух сторон. |
| 16007/D8 | Deep Groove Ball Bearing Of Open Design. Also Available As Standard With Shields Or Seals. But Without Seal Recesses In The Outer Ring. |
| 16007/W64 | Антифрикционный заполнитель. твердая смазка. |
| 16007RS | Резиновое уплотнение с одной стороны. |
| 16007TB | Сепаратор оконного типа из фенольной смолы. армированной тканью. Центрирование по внутреннему кольцу. |
| 16007/C3D8 | Внутренний зазор больше нормального. Deep Groove Ball Bearing Of Open Design. Also Available As Standard With Shields Or Seals. But Without Seal Recesses In The Outer Ring. |
| 16007F204A | Подшипник однорядный шариковый радиальный. |
| 16007-A-C3 | Внутренний зазор больше нормального. Модификация внутренней конструкции. |
| 16007-A | Модификация внутренней конструкции. |
| 16007CM | Шариковый подшипник. Специальный радиальный внутренний зазор для электродвигателей. |
| 16007/36 | 2.1/4. |
| 16007/HR11QN | Подшипник однорядный шариковый радиальный. |
| 16007/HR11TN | Подшипник однорядный шариковый радиальный. |
| 16007/HR22Q2 | Подшипник однорядный шариковый радиальный. |
| 16007/HR22T2 | Подшипник однорядный шариковый радиальный. |
Модификации шарикового подшипника 16007 — это измененное основное конструктивное исполнение 16007, основные размеры (35x62x9) не отличаются.
| Обозначение | Гост | Конструктивные особенности |
|---|---|---|
| 10X16007G15 | ISO | Литой сепаратор из полиамида 6.6. армированного стекловолокном. Центрированный элемент качения.. |
Аналог шарикового подшипника 16007 — это подшипник такого же размера dx35,Dx62,Bx9, типа и конструкции.
| Обозначение | Конструктивные особенности | Внутренний (d) | Наружный (D) | Ширина (B) |
|---|---|---|---|---|
| SS16007 2RS | Подшипник шариковый из нержавеющей стали. Резиновые уплотнения с каждой стороны подшипника. | 35.00 | 62.00 | 9.00 |
| SS16007 2RS SUS420 | Подшипник шариковый из нержавеющей стали. Резиновые уплотнения с каждой стороны подшипника. Same As AISI420. | 35.00 | 62.00 | 9.00 |
| SS16007C5 | Подшипник шариковый из нержавеющей стали. Внутренний зазор подшипника больше. чем С4. | 35.00 | 62.00 | 9.00 |
| 6-7000107 АШ1 | Шариковый радиальный однорядный подшипник. Повышенная грузоподъемность. Нормы шумности. | 35.00 | 62.00 | 9.00 |
| 6-7000107 АШ | Шариковый радиальный однорядный подшипник. Повышенная грузоподъемность. Нормы шумности. | 35.00 | 62.00 | 9.00 |
| 6-7000107 А | Шариковый радиальный однорядный подшипник. Повышенная грузоподъемность. | 35.00 | 62.00 | 9.00 |
| 6-7000107 Б | Шариковый радиальный однорядный подшипник. Сепаратор из безоловянистой бронзы.. | 35.00 | 62.00 | 9.00 |
| 6-7000107 Р | Шариковый радиальный однорядный подшипник. Детали из теплоустойчивой (быстрорежущие) стали.. | 35.00 | 62.00 | 9.00 |
| 7000107-А | Шариковый радиальный однорядный подшипник. Повышенная грузоподъемность. | 35.00 | 62.00 | 9.00 |
| 7000107-Б | Шариковый радиальный однорядный подшипник. Сепаратор из безоловянистой бронзы.. | 35.00 | 62.00 | 9.00 |
| 7000107-БТ2 | Шариковый радиальный однорядный подшипник. 200°. Температура отпуска. Сепаратор из безоловянистой бронзы.. | 35.00 | 62.00 | 9.00 |
| 76-7000107 БТ2 | Шариковый радиальный однорядный подшипник. 200°. Температура отпуска. Сепаратор из безоловянистой бронзы.. | 35.00 | 62.00 | 9.00 |
| 26-7000107 Б | Шариковый радиальный однорядный подшипник. Сепаратор из безоловянистой бронзы.. | 35.00 | 62.00 | 9.00 |
| 26-7000107 БТ2 | Шариковый радиальный однорядный подшипник. 200°. Температура отпуска. Сепаратор из безоловянистой бронзы.. | 35.00 | 62.00 | 9.00 |
| 26-7000107 Р | Шариковый радиальный однорядный подшипник. Детали из теплоустойчивой (быстрорежущие) стали.. | 35.00 | 62.00 | 9.00 |
Способы доставки
Отправка через ведущие транспортные и курьерские компании: ПЭК, Деловые Линии, СДЭК, Байкал-Сервис, Энергия, КИТ, ЖелДорЭкспедиция.
Самовывоз возможен напрямую со склада в Москве.
Сроки доставки
Срок зависит от региона и выбранной транспортной компании. Все заказы комплектуются и отправляются в кратчайшие сроки со склада в Москве.
Надёжность и сохранность
Вся продукция упаковывается с учётом требований транспортировки. Мы гарантируем, что подшипники и комплектующие прибудут к заказчику в полной сохранности.
Доставка в страны ЕАЭС
Мы работаем с проверенными логистическими партнёрами, что позволяет оперативно доставлять заказы в Беларусь, Казахстан, Армению и другие страны ЕАЭС.
Варианты оплаты:
Минимальная сумма заказа и скидки:
Документы и гарантии:
Да, конечно! Наши технические специалисты готовы помочь вам с подбором точного аналога или замены подшипника. Просто позвоните нам по телефону +7 (495) 104-99-04 или напишите на почту zakaz@podsnab.ru.
Для оперативной консультации подготовьте, пожалуйста, имеющиеся данные: маркировку, размеры, тип оборудования или артикул старого подшипника.
Да, конечно! Мы высоко ценим долгосрочное сотрудничество и доверие клиентов по всей России. Для постоянных клиентов действует персональная система скидок.
Условия формируются индивидуально и зависят от:
Чтобы узнать свои условия и получить максимально выгодное предложение, свяжитесь с персональным менеджером или напишите нам на почту zakaz@podsnab.ru.
Вы можете оформить заказ несколькими способами:
Для оформления заказа от юридического лица свяжитесь с нашим отделом по работе с корпоративными клиентами по телефону +7 (495) 104-99-04 или напишите на email zakaz@podsnab.ru, прикрепив реквизиты вашей организации.
Мы оперативно подготовим коммерческое предложение и выставим счет.
Возврат товара надлежащего качества возможен в течение 10 дней с момента получения, если товар не был в употреблении, сохранен товарный вид, упаковка не вскрывалась и присутствуют все сопроводительные документы.
Возврат денежных средств осуществляется в течение 10 рабочих дней после проверки товара складом.
В соответствии с законодательством возврату не подлежат подшипники надлежащего качества, если отсутствует оригинальная упаковка или имеются следы монтажа.
В случае выявления брака или гарантийного случая мы гарантируем возврат или обмен товара.
Да, гарантийный срок хранения устанавливается заводом-изготовителем и в среднем составляет 2 года при соблюдении условий хранения: сухое помещение, оригинальная упаковка и смазка.
Точный срок для конкретного типа подшипника уточняйте у наших менеджеров.
Пн–Пт: с 8:00 до 17:00 (МСК).
Сб–Вс: выходные дни.
Заказы на сайте принимаются круглосуточно. Заявки, поступившие после окончания рабочего дня, обрабатываются на следующий рабочий день.
Минимальная сумма заказа для доставки составляет 3000 рублей. Самовывоз со склада возможен на любую сумму при наличии товара.
ООО «УралТехГрупп»
ИНН: 7415093830
КПП: 772401001
ОГРН: 1167456069021
Банк: ПАО Сбербанк
Р/с: 40702810838000475273
К/с: 30101810400000000225
БИК: 044525225
У подшипника 16007 пока нет отзывов. Вы можете стать первым покупателем, поделившимся своим мнением.